Например TDA7294

Форум РадиоКот • Просмотр темы - Делитель частоты на 10. Замена микросхем.
Форум РадиоКот
Здесь можно немножко помяукать :)

Текущее время: Сб окт 11, 2025 04:21:15

Часовой пояс: UTC + 3 часа


ПРЯМО СЕЙЧАС:



Начать новую тему Ответить на тему  [ Сообщений: 10 ] 
Автор Сообщение
Не в сети
 Заголовок сообщения: Делитель частоты на 10. Замена микросхем.
СообщениеДобавлено: Вт янв 16, 2018 23:47:16 
Открыл глаза
Аватар пользователя

Зарегистрирован: Ср июн 24, 2015 09:28:14
Сообщений: 77
Откуда: г. Саранск
Рейтинг сообщения: 0
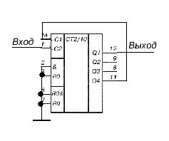
Собрал делитель частоты на 10 по такой схеме. Счётчик делит на 5 и триггер делит на 2, формируя импульс со скважностью 2.

Изображение

Проблема в том, что хотелось бы выполнить его на смд корпусах, но не могу найти аналоги среди 74HC серии. Кто что подскажет?


Вложения:
Делитель на 10.JPG [34.52 KiB]
Скачиваний: 12096

_________________
kitsune.alex@yandex.ru
Вернуться наверх
 
Не в сети
 Заголовок сообщения: Re: Делитель частоты на 10. Замена микросхем.
СообщениеДобавлено: Ср янв 17, 2018 00:17:22 
Мудрый кот
Аватар пользователя

Карма: 19
Рейтинг сообщений: 166
Зарегистрирован: Сб окт 10, 2009 17:16:58
Сообщений: 1732
Откуда: Россия.
Рейтинг сообщения: 1
А зачем там второй триггер ТМ, если триггер уже есть в ИЕ2 ?
Вот так делитель на 10 с меандром на выходе с ИЕ2 получают.

Изображение


Вложения:
1.GIF [3.27 KiB]
Скачиваний: 8219
Вернуться наверх
 
Не в сети
 Заголовок сообщения: Re: Делитель частоты на 10. Замена микросхем.
СообщениеДобавлено: Ср янв 17, 2018 00:52:35 
Открыл глаза
Аватар пользователя

Зарегистрирован: Ср июн 24, 2015 09:28:14
Сообщений: 77
Откуда: г. Саранск
Рейтинг сообщения: 0
О, спасибо! Но вопрос о замене на что то аналогичное из серии 74HC остаётся открытым.

_________________
kitsune.alex@yandex.ru


Вернуться наверх
 
Не в сети
 Заголовок сообщения: Re: Делитель частоты на 10. Замена микросхем.
СообщениеДобавлено: Ср янв 17, 2018 00:55:53 
Друг Кота
Аватар пользователя

Карма: 195
Рейтинг сообщений: 8553
Зарегистрирован: Пн ноя 30, 2009 03:00:01
Сообщений: 42680
Откуда: Нерезиновая
Рейтинг сообщения: 1
Ну, есть 133ИЕ2, и ещё теоретически существуют 564ИЕ2 или 1564ИЕ2.. :dont_know: Ещё должны быть SN54**90... :dont_know:
А вы ВОТ ТАК:
Изображение
схему собрать не пробовали? То есть, включить не "как положено"- сначала делитель на 2, а потом делитель на 5, а "наоборот"? И триггер станет не нужным. :dont_know:

зы.. Пока рисовал, уже опередили.. :(


Вернуться наверх
 
Не в сети
 Заголовок сообщения: Re: Делитель частоты на 10. Замена микросхем.
СообщениеДобавлено: Ср янв 17, 2018 04:44:18 
Друг Кота

Карма: 68
Рейтинг сообщений: 1408
Зарегистрирован: Сб янв 29, 2011 00:28:48
Сообщений: 7774
Рейтинг сообщения: 1
74НС390


Вернуться наверх
 
Не в сети
 Заголовок сообщения: Re: Делитель частоты на 10. Замена микросхем.
СообщениеДобавлено: Ср янв 17, 2018 15:13:27 
Открыл глаза
Аватар пользователя

Зарегистрирован: Ср июн 24, 2015 09:28:14
Сообщений: 77
Откуда: г. Саранск
Рейтинг сообщения: 0
Спасибо! Очень помогли!

_________________
kitsune.alex@yandex.ru


Вернуться наверх
 
Не в сети
 Заголовок сообщения: Re: Делитель частоты на 10. Замена микросхем.
СообщениеДобавлено: Сб мар 12, 2022 07:56:38 
Мудрый кот
Аватар пользователя

Карма: -28
Рейтинг сообщений: -25
Зарегистрирован: Вс май 26, 2019 14:38:18
Сообщений: 1791
Откуда: Сибирь
Рейтинг сообщения: 0
Собрал делитель частоты на 10 по такой схеме.

Это красивая схема, но вот эти микросхемы не работают на частотах около 100 МГц. Зато есть микросхемы, которые работают на высоких частотах, это: КР1554ИЕ7, КР1554ИЕ10, КР1554ИЕ18, КР1554ИЕ23. КР1554ТВ9, КР1554ТВ15, КР1554ТМ2, КР1554ТМ8, КР1554ТМ9. Вот как из них собрать схему делителя частоты на 10?

Добавлено after 5 minutes 46 seconds:
и ещё теоретически существуют 564ИЕ2 или 1564ИЕ2..

А как можно Вас понять, что "теоретически существуют 564ИЕ2 или 1564ИЕ2"?


Вернуться наверх
 
Не в сети
 Заголовок сообщения: Re: Делитель частоты на 10. Замена микросхем.
СообщениеДобавлено: Чт мар 17, 2022 20:00:50 
Друг Кота

Карма: -8
Рейтинг сообщений: 15
Зарегистрирован: Вс июл 24, 2011 11:38:09
Сообщений: 7496
Рейтинг сообщения: 0
Любой счётчик можно приделать. С частотой определитесь. При желании можно и dip раскорячить над другими деталями. Работать будет вечно, лижбы детали снизу не пришлось менять.

Берёте любой счётчик из справочника вроде
Диоды, тиристоры, транзисторы и микросхемы широкого применения. Бессарабов Б.Ф. и др. с.203-204.
Смотрите что удобнее и по аналогам находите буржуйское. Кстати есть и наши в smd, называются чтото вроде кф***ие* или даже экф1533ие2, наверняка есть в чд, но стоят раза в 3 дороже импортных. Может в какихто магазинах встречаются.

По буржуйскому самое доступное 74hc** у ие2 74hc90.
74hc390 это 2 счётчика, аналог 555ие20.

Можно даже вкорячить 40 серию тоже 74hc, но там выбор другой. Серия 74hc40**.
с.229 той же книжки.
561ие8 в оригинале 4017, значит ттл аналог 74hc4017. Можно даже взять любое деление от 1 до 10.
Предположу 74hc4520 ттл аналог 561ие10 он же функциональный аналог 555ие20, но по ногам он совсем другой и какието сигналы наверно инвертированы.

Не путать с просто 4017 которые аналоги нашей 561 серии. Они медленнее и в smd корпусе очень редкие и дорогие, встретить их нереально. Как и вся 40** серия в основном встречается только в dip.

Если частота низкая, то можно наковырять импортных вроде ие10 кмоп. В спектруме сорта ленинград они смд врятли, а вот в картридже деньди может оказатся, хотя там тоже обычно дип.

На старой технике такие тараканы встречаются с сокращёной маркировкой. Чтото вроде f374 или as03, в общем можно поискать если по ногам и корпусу похоже.

1564ие10 существуют, но встретить 1564 ещё сложнее чем дорогие 564. И это вообще кмоп серия, они медленные. Они даже по корпусу отличаются от 133.
И вообще 133 и 134 не плохи если они есть. Габариты канешн великоваты, по площади они не меньше чем дип с ногами. И покупать их дорого и не имеет смысла.


Вернуться наверх
 
Не в сети
 Заголовок сообщения: Re: Делитель частоты на 10. Замена микросхем.
СообщениеДобавлено: Ср окт 19, 2022 16:10:34 
Мудрый кот
Аватар пользователя

Карма: -28
Рейтинг сообщений: -25
Зарегистрирован: Вс май 26, 2019 14:38:18
Сообщений: 1791
Откуда: Сибирь
Рейтинг сообщения: 0
Вот так делитель на 10 с меандром на выходе с ИЕ2 получают.
А на какую частоту входного сигнала эта схема вытянет?


Вернуться наверх
 
Не в сети
 Заголовок сообщения: Re: Делитель частоты на 10. Замена микросхем.
СообщениеДобавлено: Ср окт 19, 2022 16:44:13 
Друг Кота
Аватар пользователя

Карма: 5
Рейтинг сообщений: 61
Зарегистрирован: Ср сен 30, 2020 16:51:47
Сообщений: 4625
Откуда: РФ
Рейтинг сообщения: 0
AlexKitsune,
CD74HC93 + CD74HC74


Вернуться наверх
 
Показать сообщения за:  Сортировать по:  Вернуться наверх
Начать новую тему Ответить на тему  [ Сообщений: 10 ] 

Часовой пояс: UTC + 3 часа


Кто сейчас на форуме

Сейчас этот форум просматривают: нет зарегистрированных пользователей и гости: 18


Вы не можете начинать темы
Вы не можете отвечать на сообщения
Вы не можете редактировать свои сообщения
Вы не можете удалять свои сообщения
Вы не можете добавлять вложения

Найти:
Перейти:  


Powered by phpBB © 2000, 2002, 2005, 2007 phpBB Group
Русская поддержка phpBB
Extended by Karma MOD © 2007—2012 m157y
Extended by Topic Tags MOD © 2012 m157y