Например TDA7294

Форум РадиоКот • Просмотр темы - Развязка концевика и мк
Форум РадиоКот
Здесь можно немножко помяукать :)

Текущее время: Пн янв 26, 2026 00:32:46

Часовой пояс: UTC + 3 часа


ПРЯМО СЕЙЧАС:



Начать новую тему Ответить на тему  [ Сообщений: 28 ]  1,  
Автор Сообщение
Не в сети
 Заголовок сообщения: Развязка концевика и мк
СообщениеДобавлено: Пт мар 20, 2015 09:33:26 
Опытный кот
Аватар пользователя

Карма: 6
Рейтинг сообщений: 33
Зарегистрирован: Ср мар 02, 2011 07:47:39
Сообщений: 848
Откуда: Уфа
Рейтинг сообщения: 0
Вот сижу и думаю: а надо ли?
Концевик замыкает на землю, провода от платы до концевика длинные, плюс идут в районе сильных помех. Оптроны ставить нельзя.
Можно ли ограничиться бидами и кондерами??


Вернуться наверх
 
Не в сети
 Заголовок сообщения: Re: Развязка концевика и мк
СообщениеДобавлено: Пт мар 20, 2015 10:31:38 
Друг Кота
Аватар пользователя

Карма: 62
Рейтинг сообщений: 889
Зарегистрирован: Вт апр 24, 2007 07:45:40
Сообщений: 6240
Откуда: Minsk
Рейтинг сообщения: 1
А кто запрещает ставить оптрон ? Я ставил - и все довольны.
Изображение


Вложения:
Zam.JPG [7.52 KiB]
Скачиваний: 1432
Вернуться наверх
 
Не в сети
 Заголовок сообщения: Re: Развязка концевика и мк
СообщениеДобавлено: Пт мар 20, 2015 11:48:26 
Опытный кот
Аватар пользователя

Карма: 6
Рейтинг сообщений: 33
Зарегистрирован: Ср мар 02, 2011 07:47:39
Сообщений: 848
Откуда: Уфа
Рейтинг сообщения: 0
Jack_A писал(а):
А кто запрещает ставить оптрон ?

Температура в районе 110 С. Думаю может адумы прикрутить.


Вернуться наверх
 
Не в сети
 Заголовок сообщения: Re: Развязка концевика и мк
СообщениеДобавлено: Пт мар 20, 2015 14:46:31 
Друг Кота
Аватар пользователя

Карма: 62
Рейтинг сообщений: 889
Зарегистрирован: Вт апр 24, 2007 07:45:40
Сообщений: 6240
Откуда: Minsk
Рейтинг сообщения: 0
Дык оптрон стоит на стороне МК. Что, и МК при 110гр. трудится ? :shock:


Вернуться наверх
 
Эиком - электронные компоненты и радиодетали
Не в сети
 Заголовок сообщения: Re: Развязка концевика и мк
СообщениеДобавлено: Пт мар 20, 2015 16:17:22 
Друг Кота

Карма: 68
Рейтинг сообщений: 1408
Зарегистрирован: Сб янв 29, 2011 00:28:48
Сообщений: 7774
Рейтинг сообщения: 0
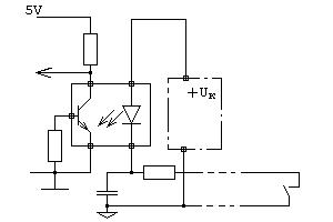
Оптрон может помочь только в случае использования для него отдельного источника питания, в случае помех будет мигать светодиод....Возможна такая схема, стабилитрон обеспечивает низкое сопротивление для наводок от помех при разомкнутом контакте, RC тоже понятно...
Изображение


Вернуться наверх
 
Не в сети
 Заголовок сообщения: Re: Развязка концевика и мк
СообщениеДобавлено: Пт мар 20, 2015 16:21:00 
Вымогатель припоя
Аватар пользователя

Карма: 13
Рейтинг сообщений: 12
Зарегистрирован: Пт фев 22, 2013 18:00:43
Сообщений: 508
Откуда: Беларусь, г. Гомель
Рейтинг сообщения: 0
А что мешает обычный концевик на землю поставить и зачем кондеры :shock:
Ведь можно программно задать паузу, скажем 25мс и заново опросить концевик, стандартная защита от дребезга контактов


Вернуться наверх
 
Не в сети
 Заголовок сообщения: Re: Развязка концевика и мк
СообщениеДобавлено: Пт мар 20, 2015 17:02:14 
Грызет канифоль

Зарегистрирован: Вс дек 18, 2011 20:59:36
Сообщений: 274
Рейтинг сообщения: 2
Psych писал(а):
Оптроны ставить нельзя.

Если нельзя, так не ставте, проще будет :))) Еще проще МК вообще не применять. :)


Вернуться наверх
 
Не в сети
 Заголовок сообщения: Re: Развязка концевика и мк
СообщениеДобавлено: Пт мар 20, 2015 17:50:36 
Друг Кота
Аватар пользователя

Карма: 62
Рейтинг сообщений: 889
Зарегистрирован: Вт апр 24, 2007 07:45:40
Сообщений: 6240
Откуда: Minsk
Рейтинг сообщения: 0
Enman писал(а):
Оптрон может помочь только в случае использования для него отдельного источника питания

... что и сделано в моей схеме. Как видите, "земли" у них разные.
rxstart1 писал(а):
задать паузу, скажем 25мс и заново опросить концевик, стандартная защита от дребезга контактов

... вот именно что от дребезга контактов, а не от помех. Считываем х=ню, выжидаем 25мс и опять считываем х=ню, но уже другую.
История борьбы с помехами насчитывает уже не одно десятилетие. Но продолжаем открывать Америку :(


Вернуться наверх
 
Не в сети
 Заголовок сообщения: Re: Развязка концевика и мк
СообщениеДобавлено: Пт мар 20, 2015 20:04:30 
Вымогатель припоя
Аватар пользователя

Карма: 13
Рейтинг сообщений: 12
Зарегистрирован: Пт фев 22, 2013 18:00:43
Сообщений: 508
Откуда: Беларусь, г. Гомель
Рейтинг сообщения: 0
а просто оптический датчик вместо концевика применить никак? Как датчик бумаги в принтере.
Второй вариант геркон.


Вернуться наверх
 
Не в сети
 Заголовок сообщения: Re: Развязка концевика и мк
СообщениеДобавлено: Пт мар 20, 2015 22:03:07 
Друг Кота
Аватар пользователя

Карма: 62
Рейтинг сообщений: 889
Зарегистрирован: Вт апр 24, 2007 07:45:40
Сообщений: 6240
Откуда: Minsk
Рейтинг сообщения: 0
Речь не о том - какой датчик, а о том, что переданный с него сигнал по линии в условиях сильных помех с высокой вероятностью будет давать ложные срабатывания. Насчет геркона - тоже вариант, концевик замыкает цепь обмотки, а контакты прямо у МК уже никаким помехам не подвержены, поскольку гальванически не связаны с линией. Но преимуществ перед оптроном не вижу.
Но вообще постановка вопроса мне нравится: "Я знаю, как сделать хорошо. А мне хочется сделать плохо, но чтоб нормально работало. Как думаете - прокатит? ". :)


Вернуться наверх
 
Не в сети
 Заголовок сообщения: Re: Развязка концевика и мк
СообщениеДобавлено: Пн мар 23, 2015 08:09:20 
Опытный кот
Аватар пользователя

Карма: 6
Рейтинг сообщений: 33
Зарегистрирован: Ср мар 02, 2011 07:47:39
Сообщений: 848
Откуда: Уфа
Рейтинг сообщения: 0
Спасибо, что откликаетесь.
Jack_A писал(а):
Дык оптрон стоит на стороне МК. Что, и МК при 110гр. трудится ?

Да там все элементы расчитаны 125~150 C.
rxstart1 писал(а):
а просто оптический датчик вместо концевика применить никак? Как датчик бумаги в принтере.

Не я решаю какой ставить, да и нет разницы какой он будет...дело в другом.

Был у меня девайс и к МК шли длиннннннные провода через обычные RC цепочки...иногда наступал тихий ужас в виде непрескауемости поведения.
Придется походу ставить оптроны или что-то из ADUMов(температурный диапазон выше) - как такая замена?


Вернуться наверх
 
Не в сети
 Заголовок сообщения: Re: Развязка концевика и мк
СообщениеДобавлено: Пн мар 23, 2015 09:47:06 
Друг Кота
Аватар пользователя

Карма: 116
Рейтинг сообщений: 4518
Зарегистрирован: Пт мар 30, 2012 05:17:29
Сообщений: 16159
Откуда: Екатеринбург
Рейтинг сообщения: 1
Если адумы ставить, то только не 1xxx и даже не 3xxx - они подвержены тиристорному эффекту. В новых вроде побеждено, во всяком случае 5401, кажется, мы испытывали мощными помехами; как мы над ним только ни издевались, но он так ни разу и не защёлкнулся.

_________________
И хрюкотали зелюки,
Как мюмзики в мове.


Вернуться наверх
 
Не в сети
 Заголовок сообщения: Re: Развязка концевика и мк
СообщениеДобавлено: Пн мар 23, 2015 10:15:03 
Опытный кот
Аватар пользователя

Карма: 6
Рейтинг сообщений: 33
Зарегистрирован: Ср мар 02, 2011 07:47:39
Сообщений: 848
Откуда: Уфа
Рейтинг сообщения: 0
Спасибо, обрадовали((( Как раз хотел 3xxx ставить...попробую пятые воткнуть или все таки стойкие оптроны типа SFH617.
Всем респект.


Вернуться наверх
 
Не в сети
 Заголовок сообщения: Re: Развязка концевика и мк
СообщениеДобавлено: Пн мар 23, 2015 18:19:31 
Сверлит текстолит когтями
Аватар пользователя

Карма: 19
Рейтинг сообщений: 215
Зарегистрирован: Пн окт 07, 2013 18:38:17
Сообщений: 1166
Откуда: Новосибирск
Рейтинг сообщения: 0
Зачем же в условиях помех работать с напряжением.
Работайте с током.
Замкнулся коцевик - пошёл ток скажем 20мА.
Разомкнулся - идёт ток от супермощных наводок - не более 1 мА.
Разница очевидна.
:tea:


Вернуться наверх
 
Не в сети
 Заголовок сообщения: Re: Развязка концевика и мк
СообщениеДобавлено: Вт мар 24, 2015 05:52:09 
Опытный кот
Аватар пользователя

Карма: 6
Рейтинг сообщений: 33
Зарегистрирован: Ср мар 02, 2011 07:47:39
Сообщений: 848
Откуда: Уфа
Рейтинг сообщения: 0
terio007 писал(а):
Работайте с током.
Замкнулся коцевик - пошёл ток скажем 20мА.
Разомкнулся - идёт ток от супермощных наводок - не более 1 мА.

А оптрон разве не пойдет в качестве датчика тока?


Вернуться наверх
 
Не в сети
 Заголовок сообщения: Re: Развязка концевика и мк
СообщениеДобавлено: Вт мар 24, 2015 09:02:53 
Опытный кот
Аватар пользователя

Карма: 6
Рейтинг сообщений: 33
Зарегистрирован: Ср мар 02, 2011 07:47:39
Сообщений: 848
Откуда: Уфа
Рейтинг сообщения: 0
Решил на оптроне сделать....если можно прокомментируйте
СпойлерИзображение


Вернуться наверх
 
Не в сети
 Заголовок сообщения: Re: Развязка концевика и мк
СообщениеДобавлено: Вт мар 24, 2015 09:37:53 
Мучитель микросхем
Аватар пользователя

Карма: 4
Рейтинг сообщений: 16
Зарегистрирован: Вс окт 24, 2010 19:05:18
Сообщений: 452
Откуда: Украина,Днепропетровская обл.
Рейтинг сообщения: 0
Psych, схема работать будет, но конденсатор надо убрать. При работе с опторазвязкой надо понимать, что для сработки оптрона нужен не большой ток-смотрим даташит, и рассчитываем сопротивления исходя из минимального тока плюс 20-40%. Для того, что бы не было сработок от помех-на входе ставим стабилитрон, он не даст "проскочить" наводке на оптрон. Сам столкнулся с проблемой контроля сети 220, пока не втулил стабилитрон на 33 Вольта были ложняки. То, что описал выше-стабилитрон+резистор+резистор в паралель диоду оптрона- у меня трудится уже второй год в условиях сильнейших помех.


Вернуться наверх
 
Не в сети
 Заголовок сообщения: Re: Развязка концевика и мк
СообщениеДобавлено: Вт мар 24, 2015 09:48:08 
Сверлит текстолит когтями
Аватар пользователя

Карма: 19
Рейтинг сообщений: 215
Зарегистрирован: Пн окт 07, 2013 18:38:17
Сообщений: 1166
Откуда: Новосибирск
Рейтинг сообщения: 0
В условиях сильных помех идеально будет организовать подачу на светодиод оптрона небольшого (примерно вольт) обратного напряжения.
Вот как рекомендуется в чудесном файле, рис.1.


Вложения:
Чудесный файл.pdf [1.9 MiB]
Скачиваний: 473
Вернуться наверх
 
Не в сети
 Заголовок сообщения: Re: Развязка концевика и мк
СообщениеДобавлено: Вт мар 24, 2015 11:11:23 
Друг Кота
Аватар пользователя

Карма: 62
Рейтинг сообщений: 889
Зарегистрирован: Вт апр 24, 2007 07:45:40
Сообщений: 6240
Откуда: Minsk
Рейтинг сообщения: 0
Psych писал(а):
Решил на оптроне сделать....если можно прокомментируйте

Ну вот, вокруг чего ходили кругами, к тому и пришли. Схема мне сильно что-то напоминает :) Остается только уговорить оптрон поработать при +150 гр.
> kalyn Стаб - конечно, хорошо, он высоковольтную помеху срежет. Но и кондер ничем не помешает, будет короткие "иголки" давить.


Вернуться наверх
 
Не в сети
 Заголовок сообщения: Re: Развязка концевика и мк
СообщениеДобавлено: Вт мар 24, 2015 11:33:21 
Опытный кот
Аватар пользователя

Карма: 6
Рейтинг сообщений: 33
Зарегистрирован: Ср мар 02, 2011 07:47:39
Сообщений: 848
Откуда: Уфа
Рейтинг сообщения: 0
terio007 писал(а):
В условиях сильных помех идеально будет организовать подачу на светодиод оптрона небольшого (примерно вольт) обратного напряжения.

Неее это уж слишком.
Jack_A писал(а):
Схема мне сильно что-то напоминает

С вашей срисовал :)) . Но мне что-то у вас расположение конденсатора не понравилось. Когда он разряжен через оптрон потечет большой ток(или пофиг?).
Jack_A писал(а):
Но и кондер ничем не помешает, будет короткие "иголки" давить.

Вот это как раз и надо.
Jack_A писал(а):
Остается только уговорить оптрон поработать при +150 гр.

Есть такие, но вот надежность их остается под вопросом..там все таки оптика, как быстро они деградировать начнут?!


Вернуться наверх
 
Показать сообщения за:  Сортировать по:  Вернуться наверх
Начать новую тему Ответить на тему  [ Сообщений: 28 ]  1,  

Часовой пояс: UTC + 3 часа


Кто сейчас на форуме

Сейчас этот форум просматривают: Google [Bot] и гости: 46


Вы не можете начинать темы
Вы не можете отвечать на сообщения
Вы не можете редактировать свои сообщения
Вы не можете удалять свои сообщения
Вы не можете добавлять вложения

Найти:
Перейти:  


Powered by phpBB © 2000, 2002, 2005, 2007 phpBB Group
Русская поддержка phpBB
Extended by Karma MOD © 2007—2012 m157y
Extended by Topic Tags MOD © 2012 m157y