Например TDA7294

Форум РадиоКот • Просмотр темы - Темброблок - анализатор спектра на STM32F103
Форум РадиоКот
Здесь можно немножко помяукать :)

Текущее время: Чт мар 19, 2026 10:16:30

Часовой пояс: UTC + 3 часа


ПРЯМО СЕЙЧАС:



Начать новую тему Ответить на тему  [ Сообщений: 2725 ]     ... , , , 135, ,  
Автор Сообщение
 Заголовок сообщения: Re: Темброблок - анализатор спектра на STM32F103
СообщениеДобавлено: Сб мар 29, 2025 07:44:00 
Родился

Зарегистрирован: Вс мар 09, 2008 13:46:01
Сообщений: 12
Рейтинг сообщения: 0
Нет питание от дежурки. поменял модуль всё равно также, может питать от 3.3 в, а не от 5


Вернуться наверх
 
 Заголовок сообщения: Re: Темброблок - анализатор спектра на STM32F103
СообщениеДобавлено: Вс май 11, 2025 14:21:59 
Вымогатель припоя
Аватар пользователя

Карма: 3
Рейтинг сообщений: 9
Зарегистрирован: Пн июл 21, 2014 01:43:04
Сообщений: 556
Откуда: Самара
Рейтинг сообщения: 0
первоночально я делал платы по образу и подобию как у автора https://cloud.mail.ru/public/jwT4/VMmrEU28G, но столкнулся с проблемой закончить проект как изделие в корпус

в моем проекте можно использовать Stm32f103vet6, stm32f407vet6 или stm32f427vet6

Есть подвижки в коде?


Вернуться наверх
 
 Заголовок сообщения: Re: Темброблок - анализатор спектра на STM32F103
СообщениеДобавлено: Сб июл 26, 2025 00:48:06 
Первый раз сказал Мяу!

Зарегистрирован: Пн ноя 30, 2015 03:52:00
Сообщений: 28
Рейтинг сообщения: 0
Довольно поздно задаю этот вопрос... а не надо ли разделить цифровую и аудиоземли и опционально поставить резистор между ними ом на 10?


Вернуться наверх
 
 Заголовок сообщения: Re: Темброблок - анализатор спектра на STM32F103
СообщениеДобавлено: Вт июл 29, 2025 12:41:07 
Вымогатель припоя
Аватар пользователя

Карма: 3
Рейтинг сообщений: 9
Зарегистрирован: Пн июл 21, 2014 01:43:04
Сообщений: 556
Откуда: Самара
Рейтинг сообщения: 0
Вообще лучше соединить все земли в общую точку, лучше в виде звезды, для исключения помех.


Вернуться наверх
 
Эиком - электронные компоненты и радиодетали
 Заголовок сообщения: Re: Темброблок - анализатор спектра на STM32F103
СообщениеДобавлено: Сб сен 06, 2025 15:45:23 
Открыл глаза

Зарегистрирован: Ср фев 06, 2013 15:41:08
Сообщений: 45
Откуда: г.Омск
Рейтинг сообщения: 0
Здравствуйте! WiseLord обнаружилась проблемка, дисплей st7735 при переключении режимов спектра с пульта до Изображение
дальше пульт зависает ни какие кнопки не реагируют, только после выкл вкл кнопкой в течение нескольких секунд можно выйти из этого режима и потом все нормально работает пока не включишь опять этот режим. Прошивка свежая с github.


Вернуться наверх
 
 Заголовок сообщения: Re: Темброблок - анализатор спектра на STM32F103
СообщениеДобавлено: Чт окт 16, 2025 11:07:58 
Родился
Аватар пользователя

Зарегистрирован: Вс окт 04, 2020 20:33:29
Сообщений: 7
Рейтинг сообщения: 0
Здравствуйте!
Я скомпилировал .bin-файл для дисплея ILI9488.
Я загрузил его, но получил только белый, тускло светящийся дисплей.
Должен отметить, что если я скомпилирую и загружу .bin-файл для ILI9341, с дисплеем ILI9341 всё работает нормально.
В чём проблема?


Вернуться наверх
 
 Заголовок сообщения: Re: Темброблок - анализатор спектра на STM32F103
СообщениеДобавлено: Чт окт 16, 2025 14:17:52 
Друг Кота
Аватар пользователя

Карма: 86
Рейтинг сообщений: 1035
Зарегистрирован: Чт апр 11, 2013 11:19:59
Сообщений: 4905
Откуда: Минск
Рейтинг сообщения: 0
Попробуйте другие драйверы под разрешение 480x320. Возможно, Ваш дисплей - не ILI9488.


Вернуться наверх
 
 Заголовок сообщения: Re: Темброблок - анализатор спектра на STM32F103
СообщениеДобавлено: Чт окт 16, 2025 23:10:59 
Родился
Аватар пользователя

Зарегистрирован: Вс окт 04, 2020 20:33:29
Сообщений: 7
Рейтинг сообщения: 0
Приветствую, WiseLord!
Спасибо за быстрый ответ!
Я перепробовал все драйверы для разрешения 480x320, но у меня тот же серо-белый экран, без часов, да и вообще ничего.
Дисплей отлично работает в Yoradio, где он настроен как ILI9488.
Куплен у: https://www.aliexpress.com/item/1005007 ... Redirect=y


Вернуться наверх
 
 Заголовок сообщения: Re: Темброблок - анализатор спектра на STM32F103
СообщениеДобавлено: Пт окт 17, 2025 11:55:03 
Друг Кота
Аватар пользователя

Карма: 86
Рейтинг сообщений: 1035
Зарегистрирован: Чт апр 11, 2013 11:19:59
Сообщений: 4905
Откуда: Минск
Рейтинг сообщения: 0
dorinik, попробуйте раскомментировать строчку 14 в Makefile при сборке.
Код:
#FEATURE_LIST += DISP_PIXFMT_18BIT

ILI9488 вроде как умеет работать только с 18-битным цветом...


Вернуться наверх
 
 Заголовок сообщения: Re: Темброблок - анализатор спектра на STM32F103
СообщениеДобавлено: Пт окт 17, 2025 23:06:55 
Родился
Аватар пользователя

Зарегистрирован: Вс окт 04, 2020 20:33:29
Сообщений: 7
Рейтинг сообщения: 0
После раскомментирования часы появляются на дисплее, но цвета инвертируются.
Изображение


Вернуться наверх
 
 Заголовок сообщения: Re: Темброблок - анализатор спектра на STM32F103
СообщениеДобавлено: Вс окт 19, 2025 22:23:19 
Друг Кота
Аватар пользователя

Карма: 86
Рейтинг сообщений: 1035
Зарегистрирован: Чт апр 11, 2013 11:19:59
Сообщений: 4905
Откуда: Минск
Рейтинг сообщения: 0
Ну а теперь попробуйте с другими драйверами под 480x320 и раскомментированной строчкой. Большая вероятность, что где-то сработает.


Вернуться наверх
 
 Заголовок сообщения: Re: Темброблок - анализатор спектра на STM32F103
СообщениеДобавлено: Пн окт 20, 2025 10:41:21 
Родился
Аватар пользователя

Зарегистрирован: Вс окт 04, 2020 20:33:29
Сообщений: 7
Рейтинг сообщения: 0
Драйвер для ILI9481 подошёл лучше всего, белый цвет немного розоват, но меня это не сильно беспокоит.
Вложение:
01.jpg [121.63 KiB]
Скачиваний: 117


Мне нужно повернуть изображение на дисплее.
Я зашёл в меню, включил поворот, но это не помогло, но после выхода из меню часть меню всё ещё видна рядом с обычным дисплеем...
Вложение:
02.jpg [195.22 KiB]
Скачиваний: 123


Я протестировал дисплей в MiniWebRadio, но меню всё равно отображается.
Вложение:
03.jpg [249.3 KiB]
Скачиваний: 116


Должен отметить, что я использую этот тип дисплея в другом проекте, yoRadio, уже около года без проблем.


Вернуться наверх
 
 Заголовок сообщения: Re: Темброблок - анализатор спектра на STM32F103
СообщениеДобавлено: Вт окт 21, 2025 17:36:46 
Друг Кота
Аватар пользователя

Карма: 86
Рейтинг сообщений: 1035
Зарегистрирован: Чт апр 11, 2013 11:19:59
Сообщений: 4905
Откуда: Минск
Рейтинг сообщения: 0
Сложно сказать, в чём дело.

В любом случае, если в yoRadio этот дисплей работает нормально, то есть смысл поэкспериментировать с инициализацией и позаимствовать код из этого проекта.

Например, заменить весь этот код на позаимствованный из yoradio. Только, естественно, вместо тамошних _writeCommand и _writeData использовать мои dispdrvSelectReg8 и dispdrvSendData8 соответственно.

Хотя, ключевая разница там только в том, что пишется в регистр 0x36 (Memory Access Control). Скорее всего, цвет для ILI9488 починится простой заменой 0xD8 на 0x48.

А вот с послесвечением предыдущего экрана - совсем непонятно. Возможно, с этим удастся справиться просто убиранием части инициализации, связанной с питанием (регистры Power Control и т.п.), позволив использовать некие дефолтные значения. В Yoradio, по крайней мере, этого ничего вообще нет.


Вернуться наверх
 
 Заголовок сообщения: Re: Темброблок - анализатор спектра на STM32F103
СообщениеДобавлено: Чт окт 23, 2025 12:46:45 
Родился
Аватар пользователя

Зарегистрирован: Вс окт 04, 2020 20:33:29
Сообщений: 7
Рейтинг сообщения: 0
Я немного «расширил» тесты, связанные с ILI9488, используя 3 разные версии:
1. ILI9488 3,5 дюйма, красный, без сенсорного экрана
Вложение:
ILI9488 3.5 inch red without touch.jpg [119.22 KiB]
Скачиваний: 98


2. ILI9488 3,5 дюйма, красный, с сенсорным экраном (XPT2046)
Вложение:
ILI9488 3.5 inch red with touch.jpg [85.71 KiB]
Скачиваний: 89


3. ILI9488 4 дюйма, жёлтый, с сенсорным экраном (FT6236)
Вложение:
ILI9488 4inch yellow with touch.jpg [76.59 KiB]
Скачиваний: 92


После дня «отдыха» меню, которое было видно на заднем плане, даже в MiniWebRadio, исчезло.
Вложение:
03.jpg [249.3 KiB]
Скачиваний: 113


В тестах использовался тот же файл ampcontrol_f103cb_480x320_ili9488_spi.bin, полученный с предложенными вами изменениями:
- в Makefile FEATURE_LIST += DISP_PIXFMT_18BIT, без символа #
- в ampcontrol-f103\src\display\dispdrv\ili9488.c я заменил 0xD8 на 0x48
Я сохранил выводы дисплея с левой стороны, поскольку в моём корпусе это было бы место крепления.


Вернуться наверх
 
 Заголовок сообщения: Re: Темброблок - анализатор спектра на STM32F103
СообщениеДобавлено: Чт окт 23, 2025 15:16:29 
Друг Кота
Аватар пользователя

Карма: 86
Рейтинг сообщений: 1035
Зарегистрирован: Чт апр 11, 2013 11:19:59
Сообщений: 4905
Откуда: Минск
Рейтинг сообщения: 0
Меню от ampcontrol было видно даже когда дисплей был в другой проект вставлен? И исчезло только после "отдыха"? Как такое может быть, интересно... я бы поставил на то, что с самим дисплеем что-то явно не так.


Вернуться наверх
 
 Заголовок сообщения: Re: Темброблок - анализатор спектра на STM32F103
СообщениеДобавлено: Чт окт 23, 2025 18:47:00 
Родился
Аватар пользователя

Зарегистрирован: Вс окт 04, 2020 20:33:29
Сообщений: 7
Рейтинг сообщения: 0
Жёлтый дисплей ILI9488 новый.
До того, как я попробовал его в Ampcontrol, он неделю работал в MiniWebRadio без проблем, за исключением сенсорного экрана, который не поддерживается в MWR.
Теперь он работает нормально в MWR.

Завтра попробую заменить кусок кода из yoRadio в Ampcontrol.


Вернуться наверх
 
 Заголовок сообщения: Re: Темброблок - анализатор спектра на STM32F103
СообщениеДобавлено: Пн дек 01, 2025 19:30:58 
Родился

Зарегистрирован: Пт мар 29, 2024 08:36:41
Сообщений: 18
Рейтинг сообщения: 0
Собрал я в общем плату темброблока, так же собрал плату на tda7439 подключил по 3 проводам GND Sda SCL между собой, выбрал микросхему темброблока tda7439,выбирая например вход 1 я если касаясь на плате где стоит tda докаснусь до входа, должен спектр на экране как то отреагировать? Ну или как проверить связь между платами, что стмка увидела tda по i2c???


Вернуться наверх
 
 Заголовок сообщения: Re: Темброблок - анализатор спектра на STM32F103
СообщениеДобавлено: Вт дек 02, 2025 19:32:36 
Друг Кота
Аватар пользователя

Карма: 86
Рейтинг сообщений: 1035
Зарегистрирован: Чт апр 11, 2013 11:19:59
Сообщений: 4905
Откуда: Минск
Рейтинг сообщения: 0
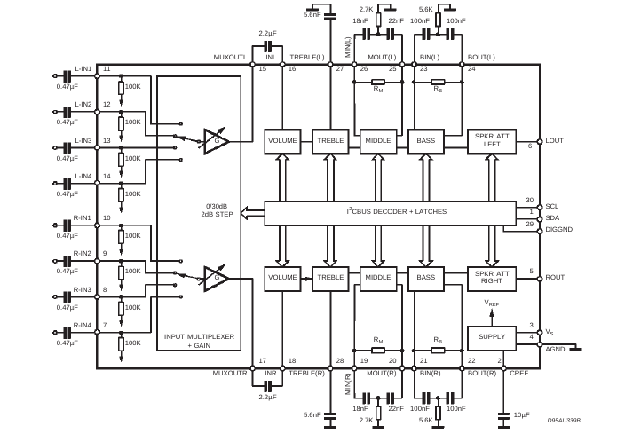
Чтобы увидеть спектр, касаться нужно входов спектроанализатора на разъёма J1 (SP).

Он же подключается к выходам селектора входов аудиопроцессора. Для TDA7439 это выводы 15 и 17.

Изображение

На выходах селектора входов сигнал уже учитывает выбранный вход, но ещё не ослаблен/искажён регулировками термбров и громкости.


Вернуться наверх
 
 Заголовок сообщения: Re: Темброблок - анализатор спектра на STM32F103
СообщениеДобавлено: Вт дек 09, 2025 13:11:07 
Родился

Зарегистрирован: Вс янв 22, 2012 12:41:45
Сообщений: 1
Рейтинг сообщения: 0
Доброго времени суток . Ребята , у кого есть ненужная заводская плата , готов приобрести , заказать в Китае нет возможности . Заранее благодарен если кто откликнется . :roll:


Вернуться наверх
 
 Заголовок сообщения: Re: Темброблок - анализатор спектра на STM32F103
СообщениеДобавлено: Вс дек 21, 2025 07:39:02 
Родился

Зарегистрирован: Пт мар 29, 2024 08:36:41
Сообщений: 18
Рейтинг сообщения: 0
Доброго времени суток . Ребята , у кого есть ненужная заводская плата , готов приобрести , заказать в Китае нет возможности . Заранее благодарен если кто откликнется . :roll:

Добрый, у меня есть

Добавлено after 1 minute 13 seconds:
Nadim, заимплементил в своём проекте, а затем перенёс в ampcontrol управление питанием RaspberryPi.

Изображение

Вот как это работает:

- У RPi в /boot/config.txt включен оверлей "dtoverlay=gpio-poweroff". Он обеспечивает на GPIO26 низкий логический уровень с момента запуска ядра.

- При выходе из ждущего режима сигнал STBY=1 от ampcontrol открывает транзистор Q1, который открывает Q2 и через STEP-DOWN U1 на Raspberry Pi подаётся 5В - она включается. Если в это время работает программный таймер на выключение RPi, он останавливается.

- Где-то через пару секунд ядро загружается и выставляет активный лог. 0 на GPIO26. Через разъём J2 (RPI_OFF) этот уровень закрывает транзистор Q4 и открывает транзистор Q3, "защёлкивающий" питание RPi.

- При входе в ждущий режим сигнал STBY пропадает (STBY=0), но Raspberry держит сама своё питание посредством цепочки Q4-Q3-Q2. В это же время запускается программный таймер на выключение RPi через 1 минуту. По истечении этого времени по UART в mpd-uart.py посылается команда на отключение ("poweroff"). Эта команда запускает скрипт "/home/pi/poweroff.sh", который запускает правильное отключение RPi.

- Когда RPi полностью завершит работу, ядро снимает активнй лог. 0 на GPIO26 - соответственно, транзистор Q4 открывается, транзистор Q3 закрывается, питание Raspberry пропадает.

60-секундная задержка введена для того, чтобы при кратковременных выключениях ampcontrol лишний раз не дёргать RPi зря, так как на RPi3B+ у меня включение RPi до момента, когда начинает играть музыка занимает целых 18 секунд. Не хочется ждать загрузки ещё раз после очередной прошивки или других кратковременных выходов в ждущий режим.

А вы случайно печатную плату не делали для этих целей?


Вернуться наверх
 
Показать сообщения за:  Сортировать по:  Вернуться наверх
Начать новую тему Ответить на тему  [ Сообщений: 2725 ]     ... , , , 135, ,  

Часовой пояс: UTC + 3 часа


Вы не можете начинать темы
Вы не можете отвечать на сообщения
Вы не можете редактировать свои сообщения
Вы не можете удалять свои сообщения
Вы не можете добавлять вложения

Найти:
Перейти:  


Powered by phpBB © 2000, 2002, 2005, 2007 phpBB Group
Русская поддержка phpBB
Extended by Karma MOD © 2007—2012 m157y
Extended by Topic Tags MOD © 2012 m157y