Например TDA7294

Форум РадиоКот • Просмотр темы - Синфаз
Форум РадиоКот
Здесь можно немножко помяукать :)

Текущее время: Пн мар 16, 2026 16:58:05

Часовой пояс: UTC + 3 часа


ПРЯМО СЕЙЧАС:



Начать новую тему Ответить на тему  [ Сообщений: 1569 ]     ... , , , 30, , , ...  
Автор Сообщение
 Заголовок сообщения: Re: Синфаз
СообщениеДобавлено: Вт ноя 04, 2025 22:22:56 
Друг Кота
Аватар пользователя

Карма: 116
Рейтинг сообщений: 4531
Зарегистрирован: Пт мар 30, 2012 05:17:29
Сообщений: 16332
Откуда: Екатеринбург
Рейтинг сообщения: 0
Можно пока это в приделах девяносто градусов, Пифагор разрешает...
Ты и так-то умом не блещешь, а вектора сопротивлений тебя могут окончательно дезориентировать, и ты станешь совсем тупой. Так что складывай активные и реактивные сопротивления перпендикулярно, но про то, что никакие они не вектора, всегда помни... кому это я говорю - рыбке глуппи, которая через минуту всё забывает...

_________________
И хрюкотали зелюки,
Как мюмзики в мове.
_________________
На каждый РКН
Найдётся VPN.


Вернуться наверх
 
 Заголовок сообщения: Re: Синфаз
СообщениеДобавлено: Вт ноя 04, 2025 22:26:10 
Друг Кота

Карма: -48
Рейтинг сообщений: -321
Зарегистрирован: Ср ноя 21, 2018 17:16:52
Сообщений: 4001
Рейтинг сообщения: 0
mickbell, ишь какой... Апять зарываешься? Вот расскажу Вовану чтоб он тебе продлил переподготовку будешь знать...

_________________
=


Вернуться наверх
 
 Заголовок сообщения: Re: Синфаз
СообщениеДобавлено: Вт ноя 04, 2025 22:29:20 
Друг Кота

Карма: 79
Рейтинг сообщений: 1412
Зарегистрирован: Ср фев 13, 2013 21:59:40
Сообщений: 16421
Рейтинг сообщения: 0
Но если отвлечься от мнимых чисел, сопротивления тоже можно изображать векторами.
Вообще-то не надо бы, но для этого речного продукта чего не сделаешь...

Да я помню, ты такое замечание уже делал.
Строго говоря, да, не векторы, просто значения откладываются по осям с учетом знака в плюс или минус. Но их сложение очень даже похоже на сложение векторов.
А Экспресс когда-то и показал, что подобное сложение он понимает...


Вернуться наверх
 
 Заголовок сообщения: Re: Синфаз
СообщениеДобавлено: Вт ноя 04, 2025 22:33:03 
Друг Кота

Карма: -48
Рейтинг сообщений: -321
Зарегистрирован: Ср ноя 21, 2018 17:16:52
Сообщений: 4001
Рейтинг сообщения: 0
rl55, да мудохался я с векторами и комплексными до конца тока неасилил ...

_________________
=


Вернуться наверх
 
Эиком - электронные компоненты и радиодетали
 Заголовок сообщения: Re: Синфаз
СообщениеДобавлено: Вт ноя 04, 2025 22:36:58 
Друг Кота

Карма: 79
Рейтинг сообщений: 1412
Зарегистрирован: Ср фев 13, 2013 21:59:40
Сообщений: 16421
Рейтинг сообщения: 0
Ну, если через комплексные числа, то они в данном случае нужны только для определения полного сопротивления Z, равного R+jX.
Модуль этого числа и будет равен полному сопротивлению последовательной цепи конденсатора и сопротивления.
Как вычисляется, я уже писал.

Всё, дальше в этой задаче комплексные числа больше без надобности, остальной нужный в этой задаче расчет элементарно делается через закон Ома.


Вернуться наверх
 
 Заголовок сообщения: Re: Синфаз
СообщениеДобавлено: Вт ноя 04, 2025 22:41:54 
Друг Кота

Карма: -48
Рейтинг сообщений: -321
Зарегистрирован: Ср ноя 21, 2018 17:16:52
Сообщений: 4001
Рейтинг сообщения: 0
После девяносто градусов Пифагор уже не тянет...
Да и вообще, с комплексными возится надо понимать смысл этого в физике, а с этим проблема... По этому они были заброшены в тёмный угол...

_________________
=


Вернуться наверх
 
 Заголовок сообщения: Re: Синфаз
СообщениеДобавлено: Вт ноя 04, 2025 22:47:01 
Друг Кота
Аватар пользователя

Карма: 116
Рейтинг сообщений: 4531
Зарегистрирован: Пт мар 30, 2012 05:17:29
Сообщений: 16332
Откуда: Екатеринбург
Рейтинг сообщения: 0
Да я помню, ты такое замечание уже делал.
Стабильность - признак мастерства. :)) Наверно, делал, но не помню, когда и по какому случаю. Совершенно верно, сопротивления, проводимости - это просто комплексные величины, так их и надо воспринимать. А какие проблемы могут быть с пониманием комплексной величины, даже у рыбки? Ну пускай нарисует систему координат. Абсцисса - действительные значения, ордината - мнимые. Сопротивление - точка на плоскости. К ней тоже можно построить прямоугольный треугольник. Вот пускай строит треугольники. Может даже пользоваться законом Ома, если научится воспринимать напряжения и токи как векторы, которые тоже могут быть описаны комплексными величинами, ибо этот закон действителен и для них.

_________________
И хрюкотали зелюки,
Как мюмзики в мове.
_________________
На каждый РКН
Найдётся VPN.


Вернуться наверх
 
 Заголовок сообщения: Re: Синфаз
СообщениеДобавлено: Вт ноя 04, 2025 22:56:43 
Друг Кота

Карма: 79
Рейтинг сообщений: 1412
Зарегистрирован: Ср фев 13, 2013 21:59:40
Сообщений: 16421
Рейтинг сообщения: 0
mickbell, но понятие радиус-вектор, задающий положение точки на комплексной плоскости, всё же существует. Почему бы не воспользоваться им?


Вернуться наверх
 
 Заголовок сообщения: Re: Синфаз
СообщениеДобавлено: Вт ноя 04, 2025 23:05:02 
Друг Кота
Аватар пользователя

Карма: 116
Рейтинг сообщений: 4531
Зарегистрирован: Пт мар 30, 2012 05:17:29
Сообщений: 16332
Откуда: Екатеринбург
Рейтинг сообщения: 0
В дальнейшем будет путаница. Векторы напряжений и токов на векторных диаграммах изображаются стационарно, однако подразумевается, что все они вращаются против часовой стрелки со скоростью, скажем, пятьдесят оборотов в секунду. Если на этой векторной диаграмме изобразить ещё и импедансы, то сразу возникнет вопрос: а они-то куда вращаются? Рыбка и так нихуя понять не может, а тут придётся разбираться ещё и с этим. Так что пускай сразу привыкает к тому, как надо. Не привыкнет ведь...

_________________
И хрюкотали зелюки,
Как мюмзики в мове.
_________________
На каждый РКН
Найдётся VPN.


Вернуться наверх
 
 Заголовок сообщения: Re: Синфаз
СообщениеДобавлено: Вт ноя 04, 2025 23:10:45 
Друг Кота

Карма: -48
Рейтинг сообщений: -321
Зарегистрирован: Ср ноя 21, 2018 17:16:52
Сообщений: 4001
Рейтинг сообщения: 0
Пока мне в этом разбираться не надо, Пифагора достаточно... Других геморроидальных тем полно, а тут ещё в комплексной ковыряться...

_________________
=


Вернуться наверх
 
 Заголовок сообщения: Re: Синфаз
СообщениеДобавлено: Вт ноя 04, 2025 23:14:48 
Друг Кота

Карма: 79
Рейтинг сообщений: 1412
Зарегистрирован: Ср фев 13, 2013 21:59:40
Сообщений: 16421
Рейтинг сообщения: 0
mickbell,
Вот вспомнил, сложение комплексных чисел ведь через радиус-вектор делается - к концу радиус-вектора (стрелочке) одного числа передвигаем начало радиус-вектора другого, соединяем начало первого с концом (стрелочкой) передвинутого второго и получаем радиус вектор суммы этих комплексных чисел.
Его длина - это модуль.
Вроде, так это делалось. Конечно, применительно для озвученной цели. Но ты и сам это уже обозначил.


Вернуться наверх
 
 Заголовок сообщения: Re: Синфаз
СообщениеДобавлено: Вт ноя 04, 2025 23:18:01 
Друг Кота

Карма: -48
Рейтинг сообщений: -321
Зарегистрирован: Ср ноя 21, 2018 17:16:52
Сообщений: 4001
Рейтинг сообщения: 0
По правилу параллелаграма

_________________
=


Вернуться наверх
 
 Заголовок сообщения: Re: Синфаз
СообщениеДобавлено: Вт ноя 04, 2025 23:23:57 
Друг Кота
Аватар пользователя

Карма: 116
Рейтинг сообщений: 4531
Зарегистрирован: Пт мар 30, 2012 05:17:29
Сообщений: 16332
Откуда: Екатеринбург
Рейтинг сообщения: 0
Но ты и сам это уже обозначил.
Предполагается, что, начав изучать ТОЭ, студень уже давным-давно разобрался с комплексными числами и умеет с ними работать. Рыбоньку этому, видать, не научили. Хотя должны были.

_________________
И хрюкотали зелюки,
Как мюмзики в мове.
_________________
На каждый РКН
Найдётся VPN.


Вернуться наверх
 
 Заголовок сообщения: Re: Синфаз
СообщениеДобавлено: Вт ноя 04, 2025 23:31:28 
Друг Кота

Карма: -48
Рейтинг сообщений: -321
Зарегистрирован: Ср ноя 21, 2018 17:16:52
Сообщений: 4001
Рейтинг сообщения: 0
Давайте лучше об родном, об наболевшем...
Диплодог конечно подставил блин... Я долго искал эти 50Гц на нуле... А оказалось это он так имитировал перфоратор, и на самом деле во второй схеме на нуле будут высокие частоты ЭДС перфоратора и ониже дифференциальная помеха?



Изображение Изображение

_________________
=


Вернуться наверх
 
 Заголовок сообщения: Re: Синфаз
СообщениеДобавлено: Вт ноя 04, 2025 23:41:15 
Мудрый кот

Карма: 20
Рейтинг сообщений: 518
Зарегистрирован: Чт авг 10, 2017 20:57:51
Сообщений: 1721
Рейтинг сообщения: 0
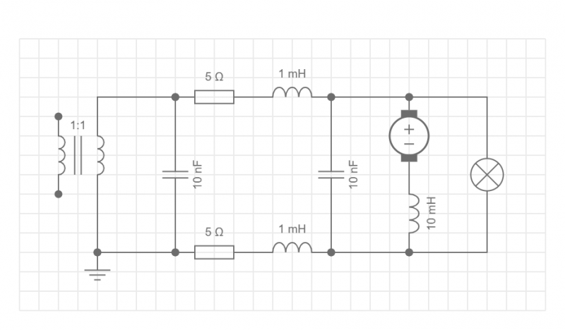
Я сделал (как смог) генератор синфазной помехи. Генератор!!!!! помехи.

Понравилось
Изображение


Вернуться наверх
 
 Заголовок сообщения: Re: Синфаз
СообщениеДобавлено: Ср ноя 05, 2025 07:13:08 
Друг Кота
Аватар пользователя

Карма: 124
Рейтинг сообщений: 237
Зарегистрирован: Пт фев 14, 2014 02:32:21
Сообщений: 79056
Откуда: Урал, терраКОТА
Рейтинг сообщения: 0
Не хочет кто-то понимать принцип работы того же конденсатора, пусть хоть какую-то простую, но рабочую схему с конденсатором соберёт, возьмёт мультиметр и осциллограф, будет менять конденсаторы, может так дойдёт хоть что-то.
Так нет же, он заварит отдельную тему, будет путаться в фалдах своего фрака сложении векторов и заявлять, что лично знает Шульберта Интеграла... так ни разу и не уронив каплю припоя себе в тапок. :facepalm:

_________________
"Кроме высшего образования надо иметь хотя бы среднее соображение" (С)
"Умные люди на то и умны, чтоб разбираться в запутанных вещах." (М.Булгаков)


Вернуться наверх
 
 Заголовок сообщения: Re: Синфаз
СообщениеДобавлено: Ср ноя 05, 2025 07:54:30 
Друг Кота

Карма: -48
Рейтинг сообщений: -321
Зарегистрирован: Ср ноя 21, 2018 17:16:52
Сообщений: 4001
Рейтинг сообщения: 0
Скока можно уже эту истину перетирать... Слушай внимательно, практика без теории говно... Говно можно заменить более гуманным словом...
Хватит воду лить...
Ответь лучше на последний вопрос и на тот где я спрашиваю про 13,2в на осциллографе !?

_________________
=


Вернуться наверх
 
 Заголовок сообщения: Re: Синфаз
СообщениеДобавлено: Ср ноя 05, 2025 08:25:34 
Мудрый кот

Карма: 20
Рейтинг сообщений: 518
Зарегистрирован: Чт авг 10, 2017 20:57:51
Сообщений: 1721
Рейтинг сообщения: 0
Изображение
Лови: Генератор синфазных и дифференциальных помех и фильтры
Вложение:
ГуппиСинДиф.png [62.37 KiB]
Скачиваний: 14


Вернуться наверх
 
 Заголовок сообщения: Re: Синфаз
СообщениеДобавлено: Ср ноя 05, 2025 10:08:33 
Друг Кота
Аватар пользователя

Карма: 124
Рейтинг сообщений: 237
Зарегистрирован: Пт фев 14, 2014 02:32:21
Сообщений: 79056
Откуда: Урал, терраКОТА
Рейтинг сообщения: 0
Практика и без теории далеко не г-но. Я именно с практики и начинал, собирали приёмники прямого усиления и унч, по роду войск нам было это запрещено.
И химией заболел, когда в старом учебнике прочитал про йодистый азот - смешал, высушил на промокашке, и микроскопическое количество продукта отчётливо щёлкнуло от малейшего прикосновения. Моему восторгу предела не было.
Учился тогда вроде в 5 классе, в 6-м классе уже знал химию в объёме учебника для 8-го класса.
Так что, исходя из личного опыта, скажу, что не обязательно корпеть над интегралами, чтоб лампу накаливания зажечь.
А увлечение радиотехникой (с пониманием процессов) позволило мне иметь корки 4-го разряда электрика, ни одного часа не проучившись на эту специальность. И 7 лет проработать бригадиром электриков.
Понимание свойств железобетона позволило мне конструировать основания для лестниц в коттеджах. Самые первые служат без каких-либо нареканий уже 17 лет. На плотника-бетонщика тоже не учился.

_________________
"Кроме высшего образования надо иметь хотя бы среднее соображение" (С)
"Умные люди на то и умны, чтоб разбираться в запутанных вещах." (М.Булгаков)


Вернуться наверх
 
 Заголовок сообщения: Re: Синфаз
СообщениеДобавлено: Ср ноя 05, 2025 12:26:49 
Мудрый кот

Карма: 20
Рейтинг сообщений: 518
Зарегистрирован: Чт авг 10, 2017 20:57:51
Сообщений: 1721
Рейтинг сообщения: 0
Гуппи писал(а):
Ответь лучше на ..... и на тот где я спрашиваю про 13,2в на осциллографе

Изображение

Мозги (или там что у тебя) включай. И смотри. Учись осликом работать. Говорил он у тебя есть.


Вернуться наверх
 
Показать сообщения за:  Сортировать по:  Вернуться наверх
Начать новую тему Ответить на тему  [ Сообщений: 1569 ]     ... , , , 30, , , ...  

Часовой пояс: UTC + 3 часа


Вы не можете начинать темы
Вы не можете отвечать на сообщения
Вы не можете редактировать свои сообщения
Вы не можете удалять свои сообщения
Вы не можете добавлять вложения

Найти:
Перейти:  


Powered by phpBB © 2000, 2002, 2005, 2007 phpBB Group
Русская поддержка phpBB
Extended by Karma MOD © 2007—2012 m157y
Extended by Topic Tags MOD © 2012 m157y