Например TDA7294

Форум РадиоКот • Просмотр темы - Чем можно заменить диодный мост?
Форум РадиоКот
Здесь можно немножко помяукать :)

Текущее время: Ср янв 28, 2026 09:47:51

Часовой пояс: UTC + 3 часа


ПРЯМО СЕЙЧАС:



Начать новую тему Ответить на тему  [ Сообщений: 14 ] 
Автор Сообщение
Не в сети
 Заголовок сообщения: Чем можно заменить диодный мост?
СообщениеДобавлено: Пт окт 08, 2010 13:00:47 
Встал на лапы
Аватар пользователя

Зарегистрирован: Сб авг 21, 2010 18:14:45
Сообщений: 93
Откуда: Уфа
Рейтинг сообщения: 0
Салям как говорится маляйкум! :)
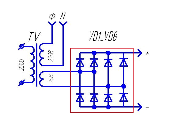
Имеется выпрямитель. Там диоддный мост мы делаем на диодах Д245. Они, ыцуки, греются очень сильно и потаму мы ставим здоровые радиаторы, и получается наш диодный мостик здоровым прездоровым) А это, в свою очередь, не нравится ни мне, любителю мелкого и упорядоченного, ни электронщикам, которые сию вещь собирают. Потаму я загорелся желанием найти замену этому мосту или диодам, но оказывается не так всё просто...
Дали мне параметры, каким должен соответствовать это изделие. Там рабочий диапазон от минус 40 по Цельсию начинаетсся. Ну я думаю фигня вопрос, ща найду и хоп... ниччего!
Посоветуйте пожалуйста чем можно заменить сию вещь. Чтобы рабочая температура от -40 по Цельсию начиналась и мелкой была) Преобразователи напряжения искал, всё норм, но только по температурам не проходят. А диоды просто здоровые. Ну не по современному это... :(


Вложения:
1.jpg [82.21 KiB]
Скачиваний: 1572

_________________
Я не прав, но мог бы быть прав,
а значит, если мог бы, это значит что прав, хоть мог быть и не прав!


Последний раз редактировалось AJLMA3uk Пт окт 08, 2010 13:45:41, всего редактировалось 1 раз.
Вернуться наверх
 
Не в сети
 Заголовок сообщения: Re: Чем можно заменить диодный мост?
СообщениеДобавлено: Пт окт 08, 2010 13:20:59 
Модератор
Аватар пользователя

Карма: 162
Рейтинг сообщений: 2441
Зарегистрирован: Пн июл 07, 2008 10:46:09
Сообщений: 10736
Откуда: Россия
Рейтинг сообщения: 0
Если нужны большие токи, диоды просто физически не могут быть маленькими. А вот то, что они сильно греются, это сначала нужно смотреть схему...

_________________
Если хотите, чтобы жизнь улыбалась вам, подарите ей своё хорошее настроение


Вернуться наверх
 
Не в сети
 Заголовок сообщения: Re: Чем можно заменить диодный мост?
СообщениеДобавлено: Пт окт 08, 2010 13:28:10 
Друг Кота
Аватар пользователя

Карма: 17
Рейтинг сообщений: 467
Зарегистрирован: Ср ноя 11, 2009 17:19:30
Сообщений: 5617
Откуда: Воронеж
Рейтинг сообщения: 0
Надо заменить одни диоды другими или вообще что-то другое поставить? Почитайте тогда про синхронное выпрямление, но это целая схема...

_________________
"Привет!" - соврал он.


Вернуться наверх
 
Не в сети
 Заголовок сообщения: Re: Чем можно заменить диодный мост?
СообщениеДобавлено: Пт окт 08, 2010 13:36:10 
Вымогатель припоя
Аватар пользователя

Карма: 1
Рейтинг сообщений: 4
Зарегистрирован: Пт окт 16, 2009 21:00:37
Сообщений: 579
Откуда: СПб
Рейтинг сообщения: 0
kbpc1004, -06,-08,-10, kbpc1504 и выше, короче - мосты серии kbpc.
П.С. это исходя из характеристик Д245.
П.П.С. А радиатор, наверное, все равно будет нужен

_________________
Когда не знаешь, что именно ты делаешь, делай это тщательно.


Вернуться наверх
 
Эиком - электронные компоненты и радиодетали
Не в сети
 Заголовок сообщения: Re: Чем можно заменить диодный мост?
СообщениеДобавлено: Пт окт 08, 2010 13:46:55 
Встал на лапы
Аватар пользователя

Зарегистрирован: Сб авг 21, 2010 18:14:45
Сообщений: 93
Откуда: Уфа
Рейтинг сообщения: 0
Извиняюсь, схему моста забыл) прикрепил на первом сообщении.
А что за схемки ещё нужны?
>TEHb< - можно и заменить диоды. Но я думаю лучше преобразователь напряжения поставить. Прост не нашёл ещё, чтобы от -40 начанались диапазончики) пока вот ищу

_________________
Я не прав, но мог бы быть прав,
а значит, если мог бы, это значит что прав, хоть мог быть и не прав!


Последний раз редактировалось AJLMA3uk Пт окт 08, 2010 13:50:30, всего редактировалось 1 раз.

Вернуться наверх
 
Не в сети
 Заголовок сообщения: Re: Чем можно заменить диодный мост?
СообщениеДобавлено: Пт окт 08, 2010 13:50:02 
Прорезались зубы
Аватар пользователя

Карма: 1
Рейтинг сообщений: 1
Зарегистрирован: Пн мар 30, 2009 22:10:43
Сообщений: 200
Откуда: Кишинев Кагул
Рейтинг сообщения: 0
Вместо сильных диодов можно поставить мосфеты на ток так где-то 40 А,у них сопротивление менее 0.05 Ома может быть , поэтому теплоты от них будет на много меньше.

_________________
Ненавижу микроконтролеры!!!!
Изображение


Вернуться наверх
 
Не в сети
 Заголовок сообщения: Re: Чем можно заменить диодный мост?
СообщениеДобавлено: Пт окт 08, 2010 13:54:30 
Генеральный секретарь МЯУ
Аватар пользователя

Карма: 69
Рейтинг сообщений: 26
Зарегистрирован: Пн сен 03, 2007 18:24:27
Сообщений: 18826
Откуда: Россия. Омск.
Рейтинг сообщения: 0
Tehnik123 писал(а):
Вместо сильных диодов можно поставить мосфеты на ток так где-то 40 А,у них сопротивление менее 0.05

Только следует учесть, что у мосфетов есть как бы встроенный диод. В одну сторону ток идёт через этот диод (диод кстати обычный, с падением напряжения около 0,5 вольта), а в другую сторону непосредственно через полевик.


Вернуться наверх
 
Не в сети
 Заголовок сообщения: Re: Чем можно заменить диодный мост?
СообщениеДобавлено: Пт окт 08, 2010 14:27:32 
Встал на лапы
Аватар пользователя

Зарегистрирован: Сб авг 21, 2010 18:14:45
Сообщений: 93
Откуда: Уфа
Рейтинг сообщения: 0
эмм... люди, почитал я про такие выпрямители (т.е. синхронные) и вот чо скажу: до этих минут изучения, я чот с ними ниразу не виделся...

_________________
Я не прав, но мог бы быть прав,
а значит, если мог бы, это значит что прав, хоть мог быть и не прав!


Вернуться наверх
 
Не в сети
 Заголовок сообщения: Re: Чем можно заменить диодный мост?
СообщениеДобавлено: Пт окт 08, 2010 14:36:34 
Друг Кота
Аватар пользователя

Карма: 17
Рейтинг сообщений: 467
Зарегистрирован: Ср ноя 11, 2009 17:19:30
Сообщений: 5617
Откуда: Воронеж
Рейтинг сообщения: 0
Если не они, то только диоды. Даже шоттки эффективны только на малых напряжениях.

_________________
"Привет!" - соврал он.


Вернуться наверх
 
Не в сети
 Заголовок сообщения: Re: Чем можно заменить диодный мост?
СообщениеДобавлено: Пт окт 08, 2010 15:23:56 
Вымогатель припоя
Аватар пользователя

Карма: 1
Рейтинг сообщений: 4
Зарегистрирован: Пт окт 16, 2009 21:00:37
Сообщений: 579
Откуда: СПб
Рейтинг сообщения: 0
При 24В пойдет и kbpc25005. При этом габариты минимальные и стоит меньше одного диода Д245 в Чип и Дипе. Диапазон температур от -55 до +150.

_________________
Когда не знаешь, что именно ты делаешь, делай это тщательно.


Вернуться наверх
 
 Заголовок сообщения: Re: Чем можно заменить диодный мост?
СообщениеДобавлено: Пт окт 08, 2010 21:34:18 
>TEHb< писал(а):
Если не они, то только диоды. Даже шоттки эффективны только на малых напряжениях.

До 40В, а тут 24. Так что берите Шоттки на 30-40В...


Вернуться наверх
   
 
Не в сети
 Заголовок сообщения: Re: Чем можно заменить диодный мост?
СообщениеДобавлено: Пт окт 08, 2010 22:19:38 
Опытный кот
Аватар пользователя

Карма: 2
Рейтинг сообщений: 6
Зарегистрирован: Сб авг 07, 2010 13:48:30
Сообщений: 868
Откуда: Одесса
Рейтинг сообщения: 0
Пгосмотрите этот даташит:
http://www.datasheetcatalog.org/datashe ... 5-1010.pdf

Размеры намного меньше восьми 245-х диодов! Это факт!
Д245 стоят всего 25 рублей http://www.moris.ru/~sztp/price.html
Диод Д 245А - 300В/10А/1Вт.
Судя по схеме нужен готовый диодный мост с токами не менее 20А!

Нужно также заметить, что вся электроника критично относится к перепадам температуры и расчет ведётся схемы для узкого рабочего диапазона температур! Для термостабилизации ёмкостей используют конденсаторы с положительным и отрицательным ТКЕ, а для полупроводников ничего такого нет, поэтому берётся с запасом по параметрам, тоесть гдето на 50А 1000В диодный мостик в одном корпусе, его размеры в пределах 30мм*30мм*20мм(эти размеры "наглаз").


Вернуться наверх
 
Не в сети
 Заголовок сообщения: Re: Чем можно заменить диодный мост?
СообщениеДобавлено: Пт окт 08, 2010 22:42:24 
Опытный кот
Аватар пользователя

Карма: 2
Рейтинг сообщений: 6
Зарегистрирован: Сб авг 07, 2010 13:48:30
Сообщений: 868
Откуда: Одесса
Рейтинг сообщения: 0
Диодный мост KBPC5010


Вернуться наверх
 
Не в сети
 Заголовок сообщения: Re: Чем можно заменить диодный мост?
СообщениеДобавлено: Вт окт 12, 2010 07:04:36 
Встал на лапы
Аватар пользователя

Зарегистрирован: Сб авг 21, 2010 18:14:45
Сообщений: 93
Откуда: Уфа
Рейтинг сообщения: 0
Кот_Баюн писал(а):
Диодный мост KBPC5010

Рахмет за KBPC5010! :) Заданным параметрам соответствует и даже с излишком.
Кот_Баюн писал(а):
Я обычно в таких случаях ставлю китайский диодный мост на 50А и 1000В 50Гц(он продаётся в виде квадратика с отверстием для крепления в центре и 4-мя силовыми выводами под разьёмы), его очень удобно крепить к металлическому корпусу, который и служит радиатором ток в 10-20А он спокойно выдерживает.=) Я на основании этого моста подключал двигатели постоянного тока(1.1кВт) в сеть 220В и крепил сам мост внутри клемной коробки к металлу - очень удобно и незаметно получается! :)

В общем я что-то подобное планировал делать. Так как всё это в металлическом корпусе, то всё это может послужить радиатором. Спасибо за идею, додумаю)

_________________
Я не прав, но мог бы быть прав,
а значит, если мог бы, это значит что прав, хоть мог быть и не прав!


Вернуться наверх
 
Показать сообщения за:  Сортировать по:  Вернуться наверх
Начать новую тему Ответить на тему  [ Сообщений: 14 ] 

Часовой пояс: UTC + 3 часа


Кто сейчас на форуме

Сейчас этот форум просматривают: нет зарегистрированных пользователей и гости: 69


Вы не можете начинать темы
Вы не можете отвечать на сообщения
Вы не можете редактировать свои сообщения
Вы не можете удалять свои сообщения
Вы не можете добавлять вложения

Найти:
Перейти:  


Powered by phpBB © 2000, 2002, 2005, 2007 phpBB Group
Русская поддержка phpBB
Extended by Karma MOD © 2007—2012 m157y
Extended by Topic Tags MOD © 2012 m157y