Например TDA7294

Форум РадиоКот • Просмотр темы - Входной узел частотомера
Форум РадиоКот
Здесь можно немножко помяукать :)

Текущее время: Пт окт 03, 2025 19:28:23

Часовой пояс: UTC + 3 часа


ПРЯМО СЕЙЧАС:



Начать новую тему Ответить на тему  [ Сообщений: 339 ]     ... , , , 13, , , ,  
Автор Сообщение
В сети
 Заголовок сообщения: Re: Входной узел частотомера
СообщениеДобавлено: Пн мар 28, 2022 18:04:47 
Это не хвост, это антенна

Карма: 20
Рейтинг сообщений: 436
Зарегистрирован: Пн июн 12, 2017 13:29:46
Сообщений: 1413
Рейтинг сообщения: 0
1en2
Ну да, особенно если надо померить частоту УКВ-гетеродина, не сбивая его характеристик.


Вернуться наверх
 
Не в сети
 Заголовок сообщения: Re: Входной узел частотомера
СообщениеДобавлено: Вт мар 29, 2022 16:52:48 
Мудрый кот
Аватар пользователя

Карма: -28
Рейтинг сообщений: -25
Зарегистрирован: Вс май 26, 2019 14:38:18
Сообщений: 1791
Откуда: Сибирь
Рейтинг сообщения: 0
частотомер - не осциллограф, ему входного и 10К хватить

И все же лучше когда будут Мегаомы на входе частотомера, тогда точно влияния на схему и её работу не будет.


Вернуться наверх
 
Не в сети
 Заголовок сообщения: Re: Входной узел частотомера
СообщениеДобавлено: Ср мар 30, 2022 07:58:20 
Собутыльник Кота

Карма: 14
Рейтинг сообщений: 472
Зарегистрирован: Вс фев 02, 2020 09:12:37
Сообщений: 2804
Рейтинг сообщения: 0
не нужны МОм-ы....резонансное сопротивление контуров даже на низких частотах до 10К, не говоря про высокие, там и 1К может не быть...во-вторых, правильно мерять с каких-то развязок (ёмкостного делителя, катушки связи), а не лезть на контур.....про кабель к частотомеру вообще не говорим, нужно использовать выносной пробник с небольшой входной ёмкостью для вч-цепей, а сопротивление даже 50К уже с головой.....


Вернуться наверх
 
Не в сети
 Заголовок сообщения: Re: Входной узел частотомера
СообщениеДобавлено: Ср мар 30, 2022 11:13:32 
Мудрый кот
Аватар пользователя

Карма: -28
Рейтинг сообщений: -25
Зарегистрирован: Вс май 26, 2019 14:38:18
Сообщений: 1791
Откуда: Сибирь
Рейтинг сообщения: 0
а сопротивление даже 50К уже с головой

И все же лучше на входе иметь полевой транзистор с большим сопротивлением.


Вернуться наверх
 
Не в сети
 Заголовок сообщения: Re: Входной узел частотомера
СообщениеДобавлено: Ср мар 30, 2022 11:36:58 
Собутыльник Кота

Карма: 14
Рейтинг сообщений: 472
Зарегистрирован: Вс фев 02, 2020 09:12:37
Сообщений: 2804
Рейтинг сообщения: 0
никто не против, если есть из чего и как.......


Вернуться наверх
 
Не в сети
 Заголовок сообщения: Re: Входной узел частотомера
СообщениеДобавлено: Сб май 21, 2022 12:30:33 
Встал на лапы
Аватар пользователя

Карма: 3
Рейтинг сообщений: 40
Зарегистрирован: Вт ноя 11, 2014 14:33:29
Сообщений: 98
Рейтинг сообщения: 0
Схема промышленного частотомера LDC-823S Формирователь на транзисторах. Максимальная частота F=250 MHz Чувствительность 50 mV
Разработал по этой схеме формирователь. Проверил формирователь работает до частоты 150 МГц Схема и плата разработана на системе проектирования DipTrace v3.3.1.3


Вложения:
LEADER LDC 823A INSTRUCTION MANUAL.tar.gz [700.5 KiB]
Скачиваний: 446
LDC-823S -3.jpg [118.76 KiB]
Скачиваний: 514
Частотомер_LDC_823_Lionid_IV_BF_VT8_platy_zakaz.zip [237.78 KiB]
Скачиваний: 319
IMG_5349.JPG [170.04 KiB]
Скачиваний: 540


Последний раз редактировалось ValeriySKB4 Сб май 21, 2022 13:57:48, всего редактировалось 1 раз.
Вернуться наверх
 
Не в сети
 Заголовок сообщения: Re: Входной узел частотомера
СообщениеДобавлено: Сб май 21, 2022 12:56:16 
Друг Кота
Аватар пользователя

Карма: 5
Рейтинг сообщений: 61
Зарегистрирован: Ср сен 30, 2020 16:51:47
Сообщений: 4625
Откуда: РФ
Рейтинг сообщения: 0
Схема промышленного частотомера ...

Промышленный частотомер делался под конкретные задачи по конкретному ТЗ, которого мы даже не знаем. И далеко не факт, что каждому любителю тоже такое нужно. Скорее даже наоборот, любителю нужно наиболее простое и эффективное решение.


Вернуться наверх
 
Не в сети
 Заголовок сообщения: Re: Входной узел частотомера
СообщениеДобавлено: Сб май 21, 2022 14:19:27 
Встал на лапы
Аватар пользователя

Карма: 3
Рейтинг сообщений: 40
Зарегистрирован: Вт ноя 11, 2014 14:33:29
Сообщений: 98
Рейтинг сообщения: 0
В среде моделирования NATIONAL INSTRUMENTS - Electronics Workbench Corporation NI Multisim v14.0 смоделировал схему формирователя частотомера LDC_823
без фильтра ФНЧ
Получились такие результаты- при входном напряжении U=42mV и частоте F= 150MHz компаратор стабильно работает. Проверил на частотах от F=1KHz до F=150MHz . Результаты в файле моделирования.
Ну я думаю надо теперь проверить на макете и разработать печатную плату. Кто хочет может попробовать. Что бы схема работала на больших частотах нужно применить более быстродействующий компаратор.

Переработал схему и получил улучшенные результаты моделирования. При входном сигнале U=30 mV и частоте F=150 MHz компаратор работает устойчиво. Проверил от F=1KHz до F=150MHz Обновил файл моделирования. Посмотрите получается хорошая схема. Можно использовать фильтр ФНЧ. Схема получилась антологичная как у Лионида Ивановича. С минимум добавленных компонентов получились хорошие результаты.
Схему и плату доработал. Файлы смотрите выше. Надо было сначала выложить файл моделирования а потом доработанную схему и плату.


Вложения:
MAX913.tar.gz [471.71 KiB]
Скачиваний: 277
Вернуться наверх
 
Не в сети
 Заголовок сообщения: Re: Входной узел частотомера
СообщениеДобавлено: Вт май 31, 2022 18:41:55 
Открыл глаза

Карма: 4
Рейтинг сообщений: 14
Зарегистрирован: Вс июл 06, 2014 06:46:46
Сообщений: 70
Рейтинг сообщения: 0
Кажется - здесь знакомые лица!
Делайте анализ в AWR - тут более менее правдоподобная картина!
А лучше сделайте - нормальный проект на живую - он более менее будет иметь ценность!
А Леонид Иванович - в области формирователей ни какого авторитета - не имеет!


Вернуться наверх
 
Не в сети
 Заголовок сообщения: Re: Входной узел частотомера
СообщениеДобавлено: Сб июн 04, 2022 10:59:19 
Встал на лапы
Аватар пользователя

Карма: 3
Рейтинг сообщений: 40
Зарегистрирован: Вт ноя 11, 2014 14:33:29
Сообщений: 98
Рейтинг сообщения: 0
Делайте анализ в AWR - тут более менее правдоподобная картина!
А лучше сделайте - нормальный проект на живую - он более менее будет иметь ценность!

А что за анализ в AWR - что за ПО? Я разработал схему формирователя на операционных усилителях AD8055

Разработал плату для схемы повторителя частотомера ЛИ +AD8055+AD8055 +AD8561
Плату кто хочет может переделать под свои комплектующие.
Получилась не плохая схема формирователя. Осталось протестировать схему в железе. Кто хочет может попробовать. Результаты кто сделает просьба опубликовать. Удачи.

В среде моделирования NATIONAL INSTRUMENTS - Electronics Workbench Corporation NI Multisim v14.0 смоделировал схему повторителя частотомера ЛИ +AD8055+AD8055 +AD8561
без фильтра ФНЧ Что бы получить широкую полосу пропускания нужно соединить в каскадном соединении двух однотипных операционных усилителей. Первый усилитель с К=2
определяет смещение нуля всей каскадной схемы. Для этого выбираем К=2 что бы смещение было маленьким и полоса как можно больше F=100MHz по датащиту на AD8055. Второй усилитель с К=2 позволит получить расширенную полосу пропускания. Общий К=4
Получились такие результаты- при входном напряжении U=42mV и частоте F= 100MHz компаратор стабильно работает. Проверил на частотах от F=1KHz до F=100MHz . Результаты в файле моделирования.
Ну я думаю надо теперь проверить на макете и разработать печатную плату. Кто хочет может попробовать. Что бы схема работала на больших частотах нужно применить более быстродействующий компаратор. Микросхема DA1 Я применил прецизионный операционный усилитель LT1001N

Переработал схему и получил улучшенные результаты моделирования. При входном сигнале U=30 mV и частоте F=100 MHz компаратор работает устойчиво. Проверил от F=1KHz до F=100MHz Обновил файл моделирования. Посмотрите получается хорошая схема. Можно использовать фильтр ФНЧ. Схема получилась анологичная как у Лионида Ивановича. С минимум добавленных компонентов получились хорошие результаты.


Вложения:
AD8055_AD8055_AD8561_NEW.tar [387.5 KiB]
Скачиваний: 205
8055_8055_BF_NEW(2).tar.gz [418.45 KiB]
Скачиваний: 180
Вернуться наверх
 
Не в сети
 Заголовок сообщения: Re: Входной узел частотомера
СообщениеДобавлено: Вт июн 07, 2022 09:58:35 
Встал на лапы
Аватар пользователя

Карма: 3
Рейтинг сообщений: 40
Зарегистрирован: Вт ноя 11, 2014 14:33:29
Сообщений: 98
Рейтинг сообщения: 0
В среде моделирования Micro-Cap v12.0 смоделировал туже схему повторителя частотомера ЛИ +AD8055+AD8055 +AD8561 И подтвердились технические данные что я смоделировал в среде моделирования NATIONAL INSTRUMENTS - Electronics Workbench Corporation NI Multisim v14 Файл моделирования во вложении. Эта схема формирователя работает до F=100 MHz при U= 30 mVpp. Эту систему я только начал осваивать-если есть ошибки -подскажите.


Вложения:
FC-50MHz-AD8055_AD8055_4_Liv(3).tar.gz [11.94 KiB]
Скачиваний: 212
Вернуться наверх
 
Не в сети
 Заголовок сообщения: Re: Входной узел частотомера
СообщениеДобавлено: Пт июн 10, 2022 12:12:24 
Встал на лапы
Аватар пользователя

Карма: 3
Рейтинг сообщений: 40
Зарегистрирован: Вт ноя 11, 2014 14:33:29
Сообщений: 98
Рейтинг сообщения: 0
Плата ФОРМИРОВАТЕЛЯ
Переработал схему и получил улучшенные результаты моделирования. При входном сигнале U=30 mV и частоте F=100 MHz компаратор работает устойчиво. Проверил от F=1KHz до F=100MHz Посмотрите получается хорошая схема. Можно использовать фильтр ФНЧ. Схема получилась анологичная как у Лионида Ивановича. С минимум добавленных компонентов получились хорошие результаты.

Изображение


Вернуться наверх
 
Не в сети
 Заголовок сообщения: Re: Входной узел частотомера
СообщениеДобавлено: Пт июн 10, 2022 13:43:43 
Собутыльник Кота

Карма: 14
Рейтинг сообщений: 472
Зарегистрирован: Вс фев 02, 2020 09:12:37
Сообщений: 2804
Рейтинг сообщения: 0
del


Вернуться наверх
 
Не в сети
 Заголовок сообщения: Re: Входной узел частотомера
СообщениеДобавлено: Пн июл 04, 2022 14:50:38 
Первый раз сказал Мяу!

Карма: 2
Рейтинг сообщений: 4
Зарегистрирован: Вт сен 01, 2015 09:54:48
Сообщений: 39
Рейтинг сообщения: 0
Вложение:
УСИЛ ЧАСТ ФНЧ ДЕШ240Мгц.jpg [180.07 KiB]
Скачиваний: 2754
Вложение:
ФОРМ.rar [245.82 KiB]
Скачиваний: 215
Схема промышленного частотомера ...

Скорее даже наоборот, любителю нужно наиболее простое и эффективное решение.


Тот-же LDC-823S упрощеный , удешевленный - переработанный для радиолюбителей !
Полоса до 240Мгц!

Изображение

Во вложении представлена схема на СМД- компонентах и ЛУТ.


Последний раз редактировалось balagan Пн июл 04, 2022 18:49:54, всего редактировалось 5 раз(а).

Вернуться наверх
 
Не в сети
 Заголовок сообщения: Re: Входной узел частотомера
СообщениеДобавлено: Пн июл 04, 2022 14:52:59 
Друг Кота
Аватар пользователя

Карма: 5
Рейтинг сообщений: 61
Зарегистрирован: Ср сен 30, 2020 16:51:47
Сообщений: 4625
Откуда: РФ
Рейтинг сообщения: 0
Во вложении представлена схема

По вашему это простое и доступное для любителей решение? :)


Вернуться наверх
 
Не в сети
 Заголовок сообщения: Re: Входной узел частотомера
СообщениеДобавлено: Пн июл 04, 2022 14:57:51 
Первый раз сказал Мяу!

Карма: 2
Рейтинг сообщений: 4
Зарегистрирован: Вт сен 01, 2015 09:54:48
Сообщений: 39
Рейтинг сообщения: 0
По вашему это простое и доступное для любителей решение? :)



Тот радиолюбитель которому это недоступно - УДИВИТЕЛЬНО СЛАБЫЙ РАДИОЛЮБИТЕЛЬ!


Последний раз редактировалось balagan Пн июл 04, 2022 15:15:12, всего редактировалось 2 раз(а).

Вернуться наверх
 
Не в сети
 Заголовок сообщения: Re: Входной узел частотомера
СообщениеДобавлено: Пн июл 04, 2022 15:00:38 
Друг Кота
Аватар пользователя

Карма: 5
Рейтинг сообщений: 61
Зарегистрирован: Ср сен 30, 2020 16:51:47
Сообщений: 4625
Откуда: РФ
Рейтинг сообщения: 0
balagan,
Даже покупка таких транзисторов это непростая задача.


Вернуться наверх
 
Не в сети
 Заголовок сообщения: Re: Входной узел частотомера
СообщениеДобавлено: Пн июл 04, 2022 15:12:24 
Первый раз сказал Мяу!

Карма: 2
Рейтинг сообщений: 4
Зарегистрирован: Вт сен 01, 2015 09:54:48
Сообщений: 39
Рейтинг сообщения: 0
Даже покупка таких транзисторов это непростая задача.


Да подоражали - стоят 20...40 руб.! Но всеравно лучше чем на микросхемах! Можно применить как BFR92 так и BFR93.

Но на алиэкспрессе например 25шт. BFR92 - 61руб, 20шт.BFR93 - 48руб.


Вернуться наверх
 
Не в сети
 Заголовок сообщения: Re: Входной узел частотомера
СообщениеДобавлено: Пт июл 15, 2022 21:26:48 
Открыл глаза
Аватар пользователя

Зарегистрирован: Вс авг 02, 2009 20:55:30
Сообщений: 56
Откуда: Москва
Рейтинг сообщения: 0
А почему никто не хочет повторить усилитель-формирователь из нашей измериловки? Например Ч3-54, Ч3-63. Я ради эксперимента повторил от 63го, единственное свыше 5МГц нет генераторов, не знаю формирует ли что-то)) Вроде ЭСЛ логику еще можно достать.


Вернуться наверх
 
Не в сети
 Заголовок сообщения: Re: Входной узел частотомера
СообщениеДобавлено: Ср авг 17, 2022 14:47:47 
Опытный кот
Аватар пользователя

Карма: 31
Рейтинг сообщений: 1278
Зарегистрирован: Сб фев 24, 2018 10:11:28
Сообщений: 888
Откуда: Москва
Рейтинг сообщения: 2
Видимо, основная причина - слишком сложные и громоздкие схемы. Увы, большинство сейчас хочет чего-то простого и понятного, на двух транзисторах. Но такие решения качественно и полноценно работать, увы, не могут.

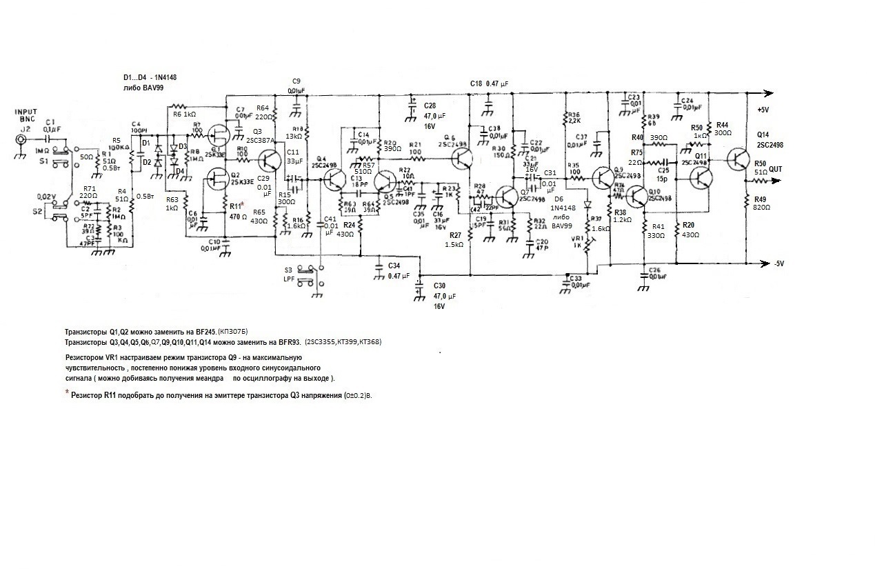
В своем частотомере я повторил входной формирователь от Ч3-63 (viewtopic.php?f=10&t=6662&p=3469808#p3469808) . Правда, духу на первую декаду на ЭСЛ не хватило, после ТШ сделал преобразователь уровня и далее счетчики 74AС192. До 90 Мгц считает четко, чувствительность в районе 20-30 мВ.. Хорошая и правильная схема, только вот очень склонная к СВЧ-самовозбуду, что проявляется нестабильностью показаний при счете низкоскоростных сигналов (типа синусоиды звуковой или чуть выше частот). Пришлось экспериментальным образом подбирать места установки ферритовых бусинок на базы и коллекторы некоторых транзисторов - только так все заработало четко во всем диапазоне.

Изображение

Добавлено after 6 minutes 10 seconds:
Цитата:
частотомер - не осциллограф, ему входного и 10К хватит....просто надо знать куда и как его подключить


Не забываем, что практически любые измерения в более-менее высокочастотных узлах выполняются с помощью шупов 10:1. Которые обеспечивают 10 Мом и (что главнее) емкость в районе 12-15 пФ, что принципиально недостижимо в режиме 1:1. А для корректной работы такого щупа входное сопротивление прибора должно быть 1 Мом с емкостью в районе 15-30 пФ.

Добавлено after 23 minutes 53 seconds:
viewtopic.php?f=10&t=86851&p=4149468#p4149468 - вот тут есть немного осцилограмм в разных точках данной схемы.

_________________
"Простые" конструкции - обычно лишь источник разочарований. (c) RU3AEP


Вернуться наверх
 
Показать сообщения за:  Сортировать по:  Вернуться наверх
Начать новую тему Ответить на тему  [ Сообщений: 339 ]     ... , , , 13, , , ,  

Часовой пояс: UTC + 3 часа


Кто сейчас на форуме

Сейчас этот форум просматривают: artur008 и гости: 44


Вы не можете начинать темы
Вы не можете отвечать на сообщения
Вы не можете редактировать свои сообщения
Вы не можете удалять свои сообщения
Вы не можете добавлять вложения

Найти:
Перейти:  


Powered by phpBB © 2000, 2002, 2005, 2007 phpBB Group
Русская поддержка phpBB
Extended by Karma MOD © 2007—2012 m157y
Extended by Topic Tags MOD © 2012 m157y