РадиоКот :: Что внутри у микросхемы?
Например TDA7294

Эиком - электронные компоненты и радиодетали
РадиоКот >Обучалка >Цифровая техника >Цифровые микросхемы >

Теги статьи: Добавить тег

Что внутри у микросхемы?

Автор: Mexo
Опубликовано 01.01.1970

Мда... Написал заголовок и задумался. Не то что бы тема очень сложная. Просто объёмная, и запихнуть всю её в одну статью задача нетривиальная. Ну да ладно, попробуем.
Думаю все когда-нибудь видели таблицу Менделеева. Так вот есть там такие элементы как кремний, германий, индий и некоторые другие. Про первый слышали наверняка, а вот про остальные - неуверен. Не буду вспоминать про древности, а приступлю сразу к тому, что есть сейчас. А есть вот что. Основу любой МС составляет пластина из кремния. Да не просто кремния, а очень чистого, с практически нулевым содержанием примесей. Затем с ней делают разные вещи. Где удаляют отдельные участки (процесс по смыслу аналогичен травлению плат), где-то добавляют примеси (об этом попозже), а где-то его окисляют (получается диэлектрик). В результате всех этих манипуляций получается блестящий переливающийся прямоугольничек, который ты сможешь наблюдать, разбив любую МС молотком или чем потяжелее.
Но вернёмся к нашим тараканам (то есть микросхемам). Внимательный читатель заметит, что сначала мы вроде удаляли примеси, а затем зачем-то их снова вводим. Непорядок? А вот и нет. Убрали мы всякий мусор, а вносим уже вещества (точнее атомы), чтобы придать определённые свойства этому участку кремния. Точнее обеспечить избыток или недостаток электронов. В первом случае вводятся так называемые доноры, во втором акцепторы. И получаем проводимости n- и p- типов соответственно. Подробнее по этому вопросу могу рекомендовать помучить любимый поисковик запросами "p-n-переход", "полупроводники", "электронно-дырочный переход" или что-то в этом духе. Задача у нас немного другая. Хотя может, позже напишу что-нибудь и на эту тему.
Ну вот, в результате всех этих манипуляций мы получим схему, которая может содержать диоды, транзисторы, резисторы, конденсаторы. А вот здесь начинается самое интересное, ибо оттого что мы возьмём за основу, зависят многие характеристики микросхем.
С момента появления микросхем как класса, существовало несколько технологий построения цифровых схем. Думаю, стоит сначала перечислить.
- Диодно-транзисторная логика (ДТЛ);
- Транзисторно-транзисторная логика (ТТЛ);
- Эмиттерно-связанная логика (ЭСЛ);
- Комплементарная металл-окисел-полупроводник (КМОП);
Возможно, что-то пропустил, но если и так, то что-то не очень значимое или являющееся частью уже перечисленных. И так, разберём каждый из них.

ДТЛ

ДТЛ ИЛИ-НЕ
Один элемент ДТЛ ИЛИ-НЕ представлен на рисунке. Суть работы основана на том, что проводимость диода зависит от напряжения анод-катод. Положительное - проводит, иначе - нет. В точке соединения катодов диодов высокий уровень будет, если хотя бы на одном из анодов (то есть входах схемы) присутствует высокий уровень. Если же на обоих низкий, то и в этой точке будет низкий. Затем идёт инвертор на n-p-n транзисторе для улучшения выходных характеристик схемы. Соответственно на выходе уровень будет обратным по отношению к точке соединения катодов диодов.
Если диоды развернуть в обратную сторону (катоды на выход, аноды к резисторам), а резистор подключить не на ноль, а на питание - получим И-НЕ.
Преимущество этой технологии - простота, как логики, так и изготовления. Больше о ней сказать нечего.






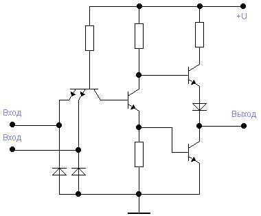
ТТЛ

В ТТЛ балом правит многоэмиттерный транзистор. Суть его в том, что в отличии от привычного биполярного транзистора, его эмиттерная структура состоит из нескольких (чаще всего 2-3) независимых изолированных областей, прилегающих к базе. Представить его логическую структуру можно, вообразив себе набор транзисторов с объединенными базами и коллекторами. Получившийся бутерброд, при определённом включении, выполняет функции И или ИЛИ (прошу прощения за лёгкий каламбур). Смотрим рисунок.

ТТЛ

Входной транзистор здесь как раз и есть это многоэмиттерное чудо. Логика проста. Пока на обоих входах высокие логические уровни, эмиттерный переход закрыт и, следовательно, на базе следующего транзистора, условно говоря, уровень высокий. Стоит хотя бы на одном входе появиться нулю, соответствующий эмиттерный переход откроется и на базе следующего будет напряжение близкое, как ни странно, тоже к нулю. Отчасти такая логика напоминает ДТЛ. Разница в использовании транзистора, который обладает заведомо лучшими характеристиками, чем отдельные диоды. Следующий каскад является сложным инвертором. Такая схема обеспечивает меньший потребляемый ток, чем в случае инвертора на одном транзисторе, а также обеспечивает, при необходимости, больший ток выхода. Ну и уровни к тому же будут ближе к нулю и питанию соответственно.
Такую схему можно с чистой совестью назвать классической, по той причине, что при неизменной логической структуре, конкретные решения могут значительно различаться. Так, например, в настоящее время чаще используют диоды и транзисторы с барьером Шотки. Суть его в том, что в p-n-переход вводят тонкий слой метала, что обеспечивает меньшее падение напряжения на нём, а также значительно увеличивает быстродействие (если кому интересно, могу сказать, что это достигается за счёт уменьшения времени жизни неосновных носителей заряда в полупроводнике). Также существуют ТТЛ МС с составными транзисторами на выходе; результат - получение большего выходного тока (к таким МС уже можно и моторчик прицепить). Также видел МС с возможностью переведения выходов в так называемой Z-состояние (или высокоимпедансное, кому как нравится); то есть происходит закрытие обоих выходных транзисторов, выход получается, как будто отключен. Существовало (и существует) множество вариантов ТТЛ, но, как было сказано, суть от этого не меняется.
Преимущества ТТЛ в их разнообразии. Хочешь - быстрые, хочешь - мощные, хочешь - попроще и подешевле. Недостаток же, из серьёзных, пожалуй, лишь один. Это потребляемый ток. Он, скажем так, заметный. Нет, я не спорю, жить вполне можно, и жили. И были опять же модификации с пониженным энергопотреблением. Но это как-то уже не то.
Полевые транзисторы отвоевали у ТТЛ многие области. На ТТЛ до сих пор делают МС, хорошие во всех смыслах, но бывалую власть они уже не вернут.
Из отечественных серий могу отметить К155 и К555 - наиболее распространённые в радиолюбительской практике. Есть и аналоги как полные, так и доработанные, и наши и зарубежные.

ЭСЛ

Здесь во главе угла находится дифференцирующий каскад. Тот самый, который составляет основу любого операционника и компаратора. Казалось бы, эта вроде как аналоговая схема зачем-то записалась в цифровую технику. Однако не зря, скажу я вам. Её колоссальный коэффициент усиления, как раз то, что нужно. Плюс, как небольшой бонус, прямой и инверсный выход; поверьте на слово, лишним не бывает.
Ну-с, смотрим схему.

ЭСЛ


Так. Что бросается в глаза? Пожалуй, интересная схемка в правой части дифференцирующего каскада. Это у нас источник опорного напряжения (ИОН). На диодах особо стабильный уровень не получишь, но нам оно и не надо, просто что-то около. Затем левая часть содержит не один, как обычно, а целых два транзистора, включённых параллельно. Идём дальше. Два выхода, прямой и инверсный, да ещё и с открытыми эмиттерами. Безумно интересно!
Если пока не рассматривать выходной каскад, получаем, по сути, компаратор, инверсный выход которого подключен к ИОН. Получается, условно говоря, что когда на прямом входе будет напряжение выше опорного, получим 1, иначе 0. Прекрасно, но входа-то 2. Что делать? Правильно. Нам по барабану, хоть десять. То есть, если напряжение хоть на одном превысит опорное, получим 1, на всех ниже - 0. Получили функцию ИЛИ. Аплодисменты.
Что касается выходных каскадов, то здесь получаются эмиттерные повторители (со всеми их достоинствами и недостатками), но без нагрузки. Возможны 2 варианта: либо подключать на вход такой же МС (тогда резисторы в базовых цепях входных транзисторов будут нагрузкой), либо вешать резисторы отдельно.
Если вы заметили, питание здесь отрицательное. Вообще говоря, это условность. Видел, как ЭСЛ прекрасно работал совместно с ТТЛ, и ничего, живы оба.
В принципе, эта схема древность. Сейчас если ЭСЛ и делают, то немного по-другому. Просто разбираться в сложных ИОН, многокаскадных дифференцирующих схемах и тому подобном, не является нашей задачей на данный момент.
Вообще говоря, делать такие схемы быстродействующими (вплоть до субнаносекундных), с мощными выходами (шаговые двигатели крутят легко), экономичными (3-2-1-ноль целых, хрен десятых мВт на элемент) научились давно. Они заняли свои узкие ниши и... и всё. Проблема отчасти в выходных уровнях напряжения, недотягивающих до нуля и питания иногда по вольту и более, отчасти ещё в чём-то.
В принципе можно встретить подобные схемы, в драйверах двигателей, измерительной быстродействующей аппаратуре, но редко.
Из известных серий могу назвать, пожалуй, К500, К1500, кажется, у Моторолы были какие-то микросхемки. А жаль идея интересная.

КМОП

Основой КМОП является транзистор структуры МОП (металл-окисел-полупроводник). Используют их пары разной проводимости, как правило, с индуцируемым каналом. Не вдаваясь в подробности их изготовления и функционирования, рассмотрим небольшой пример. Отмечу лишь, что за счёт разной структуры рабочего канала, открываются они разными уровнями напряжения.
На рисунке представлен один элемент И-НЕ, так как он обычно выглядит в технологии КМОП.

КМОП

Хочу сразу сказать, что все диоды здесь защитные и на логику работы схемы не влияют.
Посмотрим, как всё это работает. Пусть у нас на обоих входах высокие логические уровни. Тогда верхние транзисторы закрыты, а нижние открыты, что эквивалентно подключению выхода к общему проводу. Теперь пускай хотя бы на одном входе ноль. Тогда хотя бы один верхний транзистор открыт, а нижний - закрыт. Получаем на выходе напряжение питания. Собственно и вся логика. Если нижние транзисторы включить параллельно, а верхние последовательно - получим ИЛИ-НЕ.
В настоящее время КМОП очень распространённая технология. Любят её и радиолюбители, и промышленность. Из серий микросхем чаще всего используемых в радиолюбительских самоделках могу отметить К176 (полностью устаревшую, но местами встречающуюся) и К561 (тоже старую, но использующуюся до сих пор, видно из-за дешевизны и простоты). Что касается более серьёзных применений, могу сказать что все, столь привычные для нас, процессоры, контроллеры и пр., в подавляющем большинстве случаев строятся именно на КМОПе, а точнее его модификациях.
Преимущество КМОП низкое энергопотребление, так как большую часть времени сопротивление между выводом питания и нулём практически бесконечно. Небольшие импульсы тока возникают лишь в момент переключения из одного состояния в другое. Соответственно чем выше частота переключений, тем выше энергопотребление. Но оно всё равно значительно ниже, чем у остальных технологий. Кстати о частоте. Наращивать её можно уменьшая линейные размеры транзисторов (тем самым, уменьшая паразитные ёмкости, индуктивности и прочую нечисть), чем усиленно и занимаются производители процессоров. Бывают некоторые разновидности таких схем с ограничением тока выхода, сквозного тока через элементы и т.п. Но базовая схема такова.

Многие из этих (и не только) технологий канули в лету. На настоящий момент живы ТТЛ, КМОП и их модификации. С ними и предстоит общаться человеку, решившему строить цифровые устройства, то есть вам.
(P.S. Хотелось бы сказать спасибо некоему В.Л. Шило за его книгу "Популярные цифровые микросхемы")

Вопросы, как обычно, складываем тут.




Как вам эта статья?

Заработало ли это устройство у вас?

18 0 0
4 2 0