![]() |
![]() |
|||||||||||||||
Ковырялочка для п/плат.
Автор: МП 42 Б
Схема работала по алгоритму: маленькая нагрузка – патрон крутится медленно, возрастает нагрузка – патрон крутится быстрее.
Очень удобно было использовать для сверления отверстий в п/платах, попал в кернение - обороты возросли.
П/плата универсальная: есть КТ972 - ставим его и перемычку от базы в эмиттер маленького транзистора, нет КТ972 - ставим КТ315 и аналог КТ805, как на фото.
Но ДПР мотора нет и покупать его желания не возникает,зато есть вот такая коробочка и ковырялочка из неё.
С этого места начинается лабораторная работа на тему "Подбери управление КОВЫРЯЛОЧКОЙ для П/ПЛАТ". На просторах интернета полно разных схем, простых и не очень простых для управления моторами сверлилок для п/плат.
Рассмотрим некоторые наиболее распространённые из них:
Схема отлично выполняет свои функции и обязанности:
Схема работает достаточно хорошо, но как-то задумчиво. Возможно это связано с имеющимся у меня двигателем.
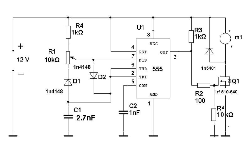
Схемы работают, но скорее подходят для управления оборотами вентилятора с коллекторным двигателем. Более приемлемые параметры для сверлилки имеют схемы на таймере NE-555:
Рекомендую вариант который на фото и схеме изображен внизу, почему-то её работа понравилась больше других.
Эти варианты схем достойны внимания и повторения. Следует отметить что вариант с диодом КД213 удостоился чести быть установленным в корпус, и занял пустующее место в серой коробочке наряду с ковырялочкой и свёрлами. Вероятно, простые так называемые ШИМ регуляторы, скорее всего подходят для стационарной сверлилки типа этой:
Следующий на очереди - микропроцессорный вид сверлилок. Запад как обычно нам помог в схемотехническом решении: https://mondo-technology.com/dremel.html Делал эту схему года три назад, в качестве подопытного кролика выступил убитый Dremel. Внутри был установлен импортный двигатель на 24 вольта и запитан от этой схемы:
Замечательно работающая получилась конструкция, используется на работе до сих пор и заслуживает только похвальных отзывов. Кстати отверстия в п/платах на фотографиях сделаны именно ей.
Симпатичная и неплохо работающая конструкция, но хочется снова подчеркнуть что она скорее подходит для стационарной сверлилки.
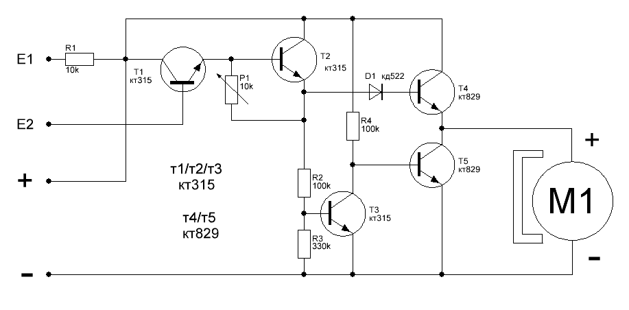
Схема отлично работает по изложенному в начале алгоритму:
Все двигатели, которые оказались в наличии дома, были опробованы под управлением этой конструкции и отлично отработали тест.
Результаты превзошли все ожидания. Незначительная подстройка резистором RP1 нужных вам минимальных оборотов ротора и резистором RP2 - устойчивого, без рывков, вращения, и всё, двигатель работает.
Файлы: Все вопросы, как всегда, в Форум.
|
|
|||||||||||||||
![]() |
![]() |


![]() |
||||
|
|
||||





