Часы-термометр-будильник (Mega8+DS1307+DS18B20+LCD16*2)

Обсуждаем контроллеры компании Atmel.
Аватара пользователя
Danko
Сверлит текстолит когтями
Сообщения: 1287
Зарегистрирован: Пн окт 13, 2008 11:45:54
Откуда: РФ, Крым, г.Бахчисарай
Контактная информация:

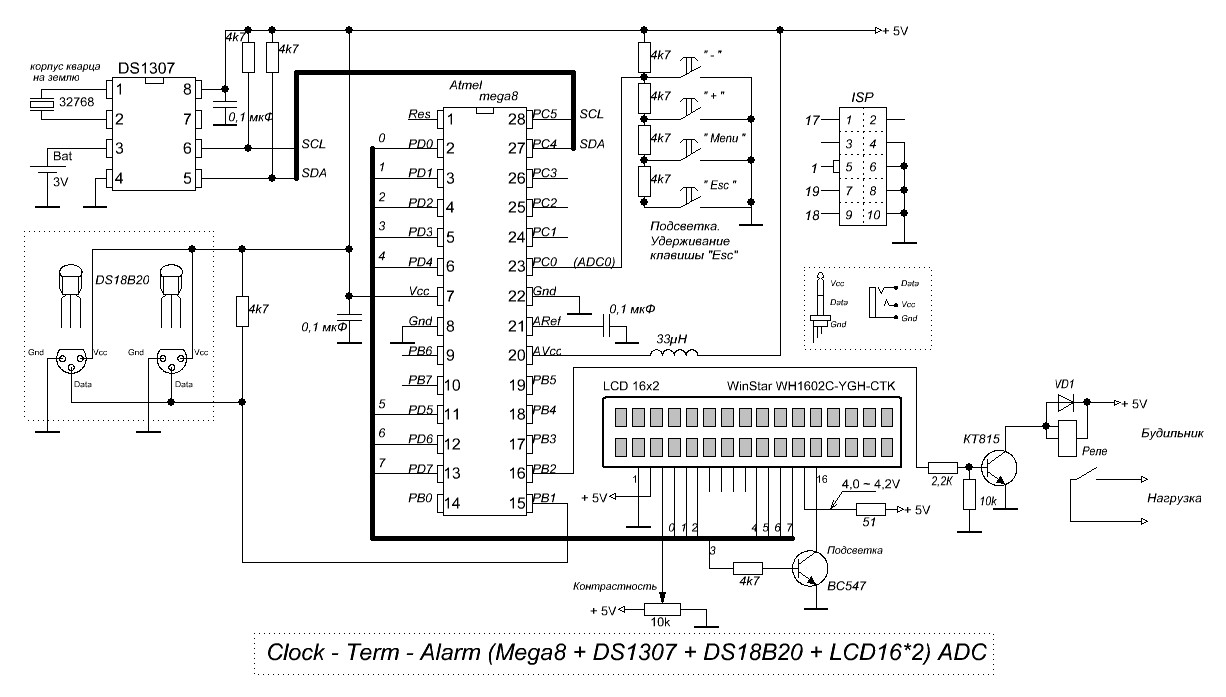
Часы-термометр-будильник (Mega8+DS1307+DS18B20+LCD16*2)

Сообщение Danko »

Схема не изменилась, добавлены выходы будильника.
---------------------------------------------------------------------
В часах можно настроить:
  • режим и время работы подсветки LCD,
  • вид отображения (в данной реализации три вида),
  • количество будильников (от 0 до 8 ),
  • для каждого будильника время запуска, дни недели запуска, режим работы (Откл, Вкл, 1раз),
  • три выхода для будильника (два для звука) и один управление нагрузкой (в триггерном режиме, нечетные будильники включают, четные отключают).
------------------------
Проект собирался в железе (на макетке) до работы с будильниками.
---
Добавлен переход на летнее/зимнее время.

P.S.
Fuse bit's (Int RC = 4 MHz) SKSEL3..0 = 0011, SUT1..0 = 10, все остальные = 1
прошивка в папке hex
доп.информация в папке plus

Версия данных часов на Mega168 здесь Часы термометр-будильник Mega168_DS1307(M41T56)_DS18x20_LCD16x2

Еще несколько моих проектов:

часы на светодиодных 7-ми сегментниках (4 разряда) Часы-календарь-термометр (Mega8+DS1307+DS18B20+4LED)

часы на светодиодных 7-ми сегментниках (12 разрядов) Часы-термометр-будильник 12LED(mega8/88+DS1307+DS18x20*2)
Вложения
Clock-Term-Alarm_LCD_2010-07-29.zip
Исходники CVAVR + Proteus 7.7SP2
(136.99 КБ) 5999 скачиваний
Clock-Term-Alarm_LCD_2010-04-22_m88.zip
Версия для Mega88 (DS18B20)
(137.64 КБ) 3731 скачивание
LCDALPHA.zip
русские буквы для LCD для Proteus`a
(52.87 КБ) 2711 скачиваний
Shema_Clock-Term-alarm_Mega8_DS1307_DS18B20_LCD16x2_ADC.GIF
Схема
(96.11 КБ) 10056 скачиваний
Последний раз редактировалось Danko Чт июн 30, 2011 14:41:30, всего редактировалось 13 раз.
Реклама
Ilnur
Встал на лапы
Сообщения: 128
Зарегистрирован: Вс мар 22, 2009 15:10:13

Сообщение Ilnur »

Спасибо большое Danko!!!
я сижу вот ПП делаю для него :wink:
Реклама
Ilnur
Встал на лапы
Сообщения: 128
Зарегистрирован: Вс мар 22, 2009 15:10:13

Сообщение Ilnur »

:)
Последний раз редактировалось Ilnur Чт ноя 12, 2009 22:44:33, всего редактировалось 3 раза.
Аватара пользователя
Corporal
Прорезались зубы
Сообщения: 226
Зарегистрирован: Вт мар 03, 2009 11:37:31
Откуда: Николаевская обл.

Сообщение Corporal »

Спасибо, Danko, хороший проект делаешь :beer:! Я тоже добавил свой будильник в прогу, но он примитивный (хотелось своего чего то добавить :oops:). Буду пользоваться твоими часиками. Подожду окончательного варианта прошивки. Еще раз спасибо!
Реклама
Эиком - электронные компоненты и радиодетали
Ilnur
Встал на лапы
Сообщения: 128
Зарегистрирован: Вс мар 22, 2009 15:10:13

Сообщение Ilnur »

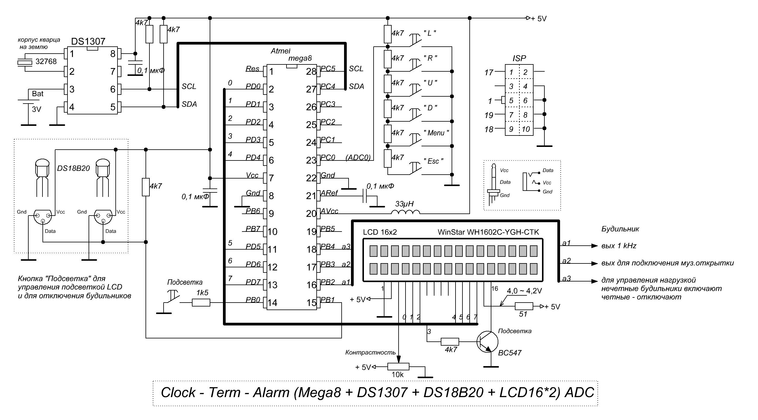
Лучше сделать один Будильник. К порту PB2 через транзистор соединить релюшку...Чтоб можно было ставить на будильник различную нагрузку.Например включать по утрам музыку,чтоб рлюшка включала УМЗЧ. :)

вых.1kHz и подключение муз.открытки я считаю не нужно...не нужно из этого изобретать целый комбаин.

и еще...лучше всего убрать кнопки "D" "U" "R" "L"..

Сделать так: "Esc" "Menu" "+" "-".
Оставить всего лишь 4 кнопки

как думаешь Danko? :idea:
Реклама
Ilnur
Встал на лапы
Сообщения: 128
Зарегистрирован: Вс мар 22, 2009 15:10:13

Сообщение Ilnur »

Вот что имел ввиду...Посмотрите схему 8)
Вложения
1.JPG
(150.6 КБ) 5410 скачиваний
Последний раз редактировалось Ilnur Чт ноя 12, 2009 23:30:16, всего редактировалось 3 раза.
Реклама
Ilnur
Встал на лапы
Сообщения: 128
Зарегистрирован: Вс мар 22, 2009 15:10:13

Сообщение Ilnur »

и подсветку вкл. выкл лучше сделать удерживаением клавишы "Esc".
как такая идея?
Ilnur
Встал на лапы
Сообщения: 128
Зарегистрирован: Вс мар 22, 2009 15:10:13

Сообщение Ilnur »

И изменение яркости и контрастности сделать тоже программно.
Аватара пользователя
Danko
Сверлит текстолит когтями
Сообщения: 1287
Зарегистрирован: Пн окт 13, 2008 11:45:54
Откуда: РФ, Крым, г.Бахчисарай
Контактная информация:

Сообщение Danko »

Ilnur писал(а):Лучше сделать один Будильник.........
Возможно через время появится Lite (облегченная) версия часов.
Аватара пользователя
Danko
Сверлит текстолит когтями
Сообщения: 1287
Зарегистрирован: Пн окт 13, 2008 11:45:54
Откуда: РФ, Крым, г.Бахчисарай
Контактная информация:

Сообщение Danko »

Ilnur писал(а):и подсветку вкл. выкл лучше сделать удерживаением клавишы "Esc".
как такая идея?
Планировалось, что кнопки установки и управления будут маленькими, а кнопка подстветка/выкл.будильника большая и расположена сверху, как в старых советских будильниках.
По сему и кнопка подключена по другому.
Аватара пользователя
Corporal
Прорезались зубы
Сообщения: 226
Зарегистрирован: Вт мар 03, 2009 11:37:31
Откуда: Николаевская обл.

Сообщение Corporal »

:))
Последний раз редактировалось Corporal Вт апр 20, 2010 11:37:02, всего редактировалось 1 раз.
Аватара пользователя
Danko
Сверлит текстолит когтями
Сообщения: 1287
Зарегистрирован: Пн окт 13, 2008 11:45:54
Откуда: РФ, Крым, г.Бахчисарай
Контактная информация:

Сообщение Danko »

Corporal писал(а):Ну, по поводу одного будильника, можете глянуть то, что я добавил. Причем выключается он при нажатии любой кнопки.
Глянул.
И могу сказать будильник будет срабатывать через раз.
Объясню: в вечном цикле, тот который while(1) крутится два цикла for() по 5 секунд плюс считывание с двух датчиков примерно по 0,7 сек и того... ,
а у Вас условие выполнения будильника (сек==0).
Нужно добавить проверку будильника в второй цикл for(), а условие секунд заменить на (сек <= 2)это увеличит процент попадания условия срабатывания.

Удачи.
JonyBest
Родился
Сообщения: 14
Зарегистрирован: Пн ноя 02, 2009 19:32:40

Сообщение JonyBest »

Danko
Вот, если бы, в Лайт версию вотльтметр добавить, то получились бы идеальные часы для машины...
Аватара пользователя
Danko
Сверлит текстолит когтями
Сообщения: 1287
Зарегистрирован: Пн окт 13, 2008 11:45:54
Откуда: РФ, Крым, г.Бахчисарай
Контактная информация:

Сообщение Danko »

JonyBest писал(а):Danko
Вот, если бы, в Лайт версию вотльтметр добавить, то получились бы идеальные часы для машины...
Для машины я делал часы-термометр-вольтметр на меге8 + 9 разрядный LED (от АОНа), лежит собранный в корпусе, но до установки в машину руки так и не дошли. Проверял на запасном аккумуляторе в домашних условиях.
Аватара пользователя
Corporal
Прорезались зубы
Сообщения: 226
Зарегистрирован: Вт мар 03, 2009 11:37:31
Откуда: Николаевская обл.

Сообщение Corporal »

Danko, я выставил будильник, он сработал. Я его выключил (кнопкой подсветки) и установил новое время через минуту. Протикала эта минута, а будильник так и не сработал....У меня будильник срабатывает только раз, это так запланировано?
Аватара пользователя
Danko
Сверлит текстолит когтями
Сообщения: 1287
Зарегистрирован: Пн окт 13, 2008 11:45:54
Откуда: РФ, Крым, г.Бахчисарай
Контактная информация:

Сообщение Danko »

Режим работы будильников взят из журнала радиохобби №1 за 2005 год. Три режима работы Выкл/вкл./1 раз плюс выставляются дни недели в которые нужно срабатывать. при режиме "1 раз" будильник срабатывает и отключает это день недели т.е. повторно уже не включится при режиме "вкл" должен срабатывать по установленному времени и в установленный день недели.
Посмотрите вышеуказанный журнал его мне посоветовал один из котов.
Pashko
Первый раз сказал Мяу!
Сообщения: 23
Зарегистрирован: Чт апр 10, 2008 10:08:43
Откуда: UA Ивано-Франковск

Сообщение Pashko »

Спасибо автору за хорошую работу. Цени ему не было если б в нем был термостат! Тогда я б его подключил для управления котлом. А так наверо придется повторять этот проект http://www.cqham.ru/ot19.htm.
Аватара пользователя
Danko
Сверлит текстолит когтями
Сообщения: 1287
Зарегистрирован: Пн окт 13, 2008 11:45:54
Откуда: РФ, Крым, г.Бахчисарай
Контактная информация:

Сообщение Danko »

У универсальности есть кроме достоинства еще и недостатки.
Если цель собрать термостат, то и нужно собирать термостат (можно и с часами и прочими прибамбасами), а не часы с термостатом.
Аватара пользователя
urry
Сверлит текстолит когтями
Сообщения: 1262
Зарегистрирован: Пн дек 08, 2008 10:58:48
Откуда: Винница
Контактная информация:

Сообщение urry »

НЕ, термостат, вольтетр-амперметр это как бы по умолчанию ,еще нужно частотомер и цветомузыка... Ну вот должен я увидеть в этой жизни хоть одно законченное устройство... :)
--------------------------------------------
Лучше горничную и секретаршу
И можно исчо медсестер ...
-------------------------------------------
(С) www.ragu.li
Аватара пользователя
Danko
Сверлит текстолит когтями
Сообщения: 1287
Зарегистрирован: Пн окт 13, 2008 11:45:54
Откуда: РФ, Крым, г.Бахчисарай
Контактная информация:

Сообщение Danko »

urry, готовое устройство это которое стоит у меня под телеком и показывает время и температуру, оно работает на все 100 % и мне больше и не нужно. Два раза в год я перевожу часы и только потому, что мне лень разбирать корпус и залить новую прошивку. Но большинство народа люди не ленивые, а предела совершенству как известно нет. Лично я не люблю ни программы ни устройства "швейцарский нож", но я люблю головоломки. И по сему с удовольствием добавляю в программу новые примочки.
Ответить

Вернуться в «AVR»