Так что мелочится то... Можно тогда и от грамофона рупор присобачить
Усилитель для портативных колонок.
-
Repairmann2008
- Родился
- Сообщения: 8
- Зарегистрирован: Ср авг 03, 2011 06:58:49
Re: Помоитете советом по модернизации звука динамика на теле
Рупор можно сделать свёрнутым, тогда его размеры будут приемлемыми...
[/quote]
Так что мелочится то... Можно тогда и от грамофона рупор присобачить
Дак я и по назначению телефоном хочу пользоваться
Так что мелочится то... Можно тогда и от грамофона рупор присобачить
- Реклама
-
Repairmann2008
- Родился
- Сообщения: 8
- Зарегистрирован: Ср авг 03, 2011 06:58:49
Re: Помоитете советом по модернизации звука динамика на теле
Купить могу, но я не ищу легких решений и сам люблю изобретатьСлесарь писал(а): Выход телефона мостовой, при питании 3,8 Вольт, это порядка двух Ватт в низкоомном динамике.
Что серьезно 2 Ватта телефон выдает?
Считаю что мудрить с дополнительным усителем нет смысла. Необходимо делать динамик с максимальной отдачей в более широком диапазоне частот, по типу S90.
У мну смысл получить стерео, и аккум не садить при прослушки музыки.
Мягкие подвесы мембранны. Резонансная частота корпуса. Фазоинвертор. Многополосная система.
Как вариант, купи Нокию, некоторые модели Нокии лидируют в области телефонного звука. Делают продуманные акустические камеры
-
Repairmann2008
- Родился
- Сообщения: 8
- Зарегистрирован: Ср авг 03, 2011 06:58:49
Re: Усилитель для карманных колонок
Как думаете, если аккустическую коробку сделать по объемнее, то звук громче станет? И вообще может есть какой динамик помоссивнее и по громче, как вы считаете?
- Вложения
-
- Телеф.JPG
- Мое исскуство...
- (174.14 КБ) 893 скачивания
-
Repairmann2008
- Родился
- Сообщения: 8
- Зарегистрирован: Ср авг 03, 2011 06:58:49
Re: Усилитель для карманных колонок
Вот сделал набросок коробки с отростком похожим на рупор, может так сделать?
- Вложения
-
- Короб.JPG
- (29.4 КБ) 960 скачиваний
- Реклама
Re: Помоитете советом по модернизации звука динамика на теле
Тогда, желаю успехов! Если изобретешь нечто лучшее чем имеющиеся образцы на рынке, обязательно отпишись в теме. Очень интересно.Repairmann2008 писал(а):я не ищу легких решений и сам люблю изобретать
Re: Усилитель для карманных колонок
А из моих измышлений, так как одно время часто носил с собой ящик инструмента по работе, хотел вмонтировать в ящик колонку, в дополнение к штатному динамику телефона, но не мог придумать удобной линии связи меж динамиком телефона и колонкой в ящике.
Было бы очень удобно, слышно телефон далеко в здании где работаешь. Когда работаю, телефон оставляю рядом с ящиком, а сам могу находиться далеко по этажу.
Было бы очень удобно, слышно телефон далеко в здании где работаешь. Когда работаю, телефон оставляю рядом с ящиком, а сам могу находиться далеко по этажу.
Re: Усилитель для карманных колонок
Repairmann2008, 1.С чего ты сделал звуковую коробку ? 2.Как ты корпус сделал О_о ? Была идея сделать так же как у тебя, запихнуть усилик TDA2822 под крышку, но к успеху это не привело
-
Repairmann2008
- Родился
- Сообщения: 8
- Зарегистрирован: Ср авг 03, 2011 06:58:49
Re: Усилитель для карманных колонок
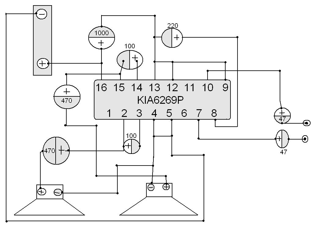
Откапал старый мафон и выдернул микруху с него KIA6269P. Собрал все в клубок по нарытому даташиту и запутался напрочь!!! Хоть и не все элементы припаял, решил проверить на дохлом аккуме от нокии. Сам не ожидал но оба канала орут ништяк, единственное шумит без музыки. Помогите пожалуйста найти косяки в схеме, поять то умею а вот в теории профан
- Вложения
-
- Усил.JPG
- Все что сооброзил...
- (61.39 КБ) 1726 скачиваний
-
Repairmann2008
- Родился
- Сообщения: 8
- Зарегистрирован: Ср авг 03, 2011 06:58:49
Re: Усилитель для карманных колонок
Коробку делал из пластика 0,5-0,8мм запаивал все стыки пояльником, Сверху наклеил фольгу и загнул в низ под контакт антенны. (можеш в конце видео посмотреть там есть пару фоток) Корпус из жестянной банки (помоему аливки там былиgekasilos писал(а):Repairmann2008, 1.С чего ты сделал звуковую коробку ? 2.Как ты корпус сделал О_о ? Была идея сделать так же как у тебя, запихнуть усилик TDA2822 под крышку, но к успеху это не привело
Маленький усилитель 3 Ват 3 вольт
Подскажите схемку маленького уселителя чтоб выдавал 3вата и питался от 3,5вольт на два канала ?? 
Re: Маленький усилитель 3 Ват 3 вольт
3 Вт от 3, 5 В только на нагрузку 2 Ом и меньше можно получить.
Если хотите, чтобы жизнь улыбалась вам, подарите ей своё хорошее настроение
-
sergeisams
- Друг Кота
- Сообщения: 3229
- Зарегистрирован: Чт апр 29, 2010 07:39:15
- Откуда: Молдова Бельцы
Re: Маленький усилитель 3 Ват 3 вольт
При таком питании 3 Ватта ?maKot писал(а): 3вата и питался от 3,5вольт
Только если делать преобразователь для повышения питания.
Re: Маленький усилитель 3 Ват 3 вольт
может какой преобразователь 3на12 вольт
ну а если 7 вольт
вроде есть какие LM4835 4857 ИЛИ ЕТО НЕ ТО??
ну а если 7 вольт
вроде есть какие LM4835 4857 ИЛИ ЕТО НЕ ТО??
-
sergeisams
- Друг Кота
- Сообщения: 3229
- Зарегистрирован: Чт апр 29, 2010 07:39:15
- Откуда: Молдова Бельцы
Re: Маленький усилитель 3 Ват 3 вольт
Попробуй ТДА2822М.
- alsh0907
- Нашел транзистор. Понюхал.
- Сообщения: 192
- Зарегистрирован: Вс мар 20, 2011 21:20:55
- Откуда: Волгоградская Область. г. Камышин.
- Контактная информация:
Re: Маленький усилитель 3 Ват 3 вольт
Ну если сделать низковольтный усилитель класса Д и на низкоомную нагрузку, 2 Ом и ниже, то думаю можно и без преобразователя обойтись.
Re: Маленький усилитель 3 Ват 3 вольт
А НЕТ НЕ У КОГО СХЕМЫ КОЛОНОК ДЛЯ ТЕЛЕФОНА
МОЖНО БЫЛО Б С НИХ СДЕЛАТЬ!!
НА КАКИХ ТАМ МИКРОСХЕМАХ ОНИ
Перенес сюда.
aen
МОЖНО БЫЛО Б С НИХ СДЕЛАТЬ!!
НА КАКИХ ТАМ МИКРОСХЕМАХ ОНИ
Перенес сюда.
aen
- as32888
- Друг Кота
- Сообщения: 7087
- Зарегистрирован: Сб янв 16, 2010 20:35:46
- Откуда: Воронеж
- Контактная информация:
Re: Маленький усилитель 3 Ват 3 вольт
maKot, вырви капс и выкинь в окно.
С преобразователем лучше, я считаю. Особенно при питании от батареек.
С преобразователем лучше, я считаю. Особенно при питании от батареек.
ааааааааааааа
- AcousticManiac
- Друг Кота
- Сообщения: 7724
- Зарегистрирован: Пт дек 03, 2010 13:13:39
- Откуда: Россия, Тула и пгт Городищи, Владимирская обл.
Re: Усилитель для карманных колонок
из маломощных микросхем меня больше всего прет ТЕА2025В, правда, ее преимущества в мощи в полной мере заметны только при питании 12 вольт, при низком же напряге питания оптимальный выбор из популярных микросхем это ТДА2822М. Если очень хочется, можно поискать в инете инфу о маломощных микросхемах-усилителях класса Д, но физически найти их, возможно, будет нелегко и недешево
Не всегда есть комп, или скорость интернета, но чем смогу-помогу.
И да пребудет с вами Сила тока!
И да пребудет с вами Сила тока!
Re: миниколонка для мобильника
Заранее спасибо.....
Сюда перенес.
Тему с первой страницы почитайте. Останутся вопросы, пишите здесь.
aen
[color=#FF0000][size=85][b][i]сильный котеночек, который очень мало ест.....[/i][/b][/size][/color]


