Например TDA7294

Форум РадиоКот • Просмотр темы - Помогите собрать приёмник для прослушивания дальнобойщиков
Форум РадиоКот
Здесь можно немножко помяукать :)

Текущее время: Пт фев 13, 2026 22:03:36

Часовой пояс: UTC + 3 часа


ПРЯМО СЕЙЧАС:



Начать новую тему Ответить на тему  [ Сообщений: 312 ]    , , 3, , , ...  
Автор Сообщение
Не в сети
 Заголовок сообщения: Re: помогите собрать приёмник раций дальнобойщиков
СообщениеДобавлено: Ср май 11, 2011 01:19:36 
Встал на лапы

Карма: 2
Рейтинг сообщений: 0
Зарегистрирован: Пт апр 22, 2011 10:13:11
Сообщений: 96
Рейтинг сообщения: 0
по совету mzk1964 я прошёлся по местным гаражам, ремонтным ателье и вуаля - шесть китайских и не очень кассетных магнитол, напичканых всяким добром: цш на lc7265, усилки, преобразователи напряжения, аналоговые am/fm тюнеры и т.д.
хочу на одном диапазон 65-108 в fm перетянуть на 118-136 для приёма авиа (знаю, что они в am, но китайцы такие частотные детекторы делают, что они и am принимают), а am диапазон перетянуть на CB 27-29mhz.
Уважаемые коты, кто-то кроме меня таким страдал? если да, поделитесь опытом и инфой - буду благодарствовать. наперёд говорю спасибо.


Вернуться наверх
 
Не в сети
 Заголовок сообщения: Re: помогите собрать приёмник раций дальнобойщиков
СообщениеДобавлено: Ср май 11, 2011 02:37:35 
Друг Кота
Аватар пользователя

Карма: 12
Рейтинг сообщений: 207
Зарегистрирован: Вс июл 23, 2006 01:32:05
Сообщений: 3268
Откуда: г.Москва
Рейтинг сообщения: 0
Медали: 1
Получил миской по аватаре (1)
amator225 писал(а):
а am диапазон перетянуть на CB 27-29mhz.

Уважаемый, Вы хоть ВЭФ "перетянули"?

_________________
R3Dio 73!


Вернуться наверх
 
Не в сети
 Заголовок сообщения: Re: помогите собрать приёмник раций дальнобойщиков
СообщениеДобавлено: Ср май 11, 2011 18:19:44 
Встал на лапы

Карма: 2
Рейтинг сообщений: 0
Зарегистрирован: Пт апр 22, 2011 10:13:11
Сообщений: 96
Рейтинг сообщения: 0
да ну его, этого ВЭФа с его блинскими планками(((( спаял, поставил, вроде работает, но у самого приёмника такая "крутая" избирательность, что сибишки друг друга забивают, ничё не понятно(((( думаю у магнитол она получше будет.


Вернуться наверх
 
Не в сети
 Заголовок сообщения: Re: помогите собрать приёмник раций дальнобойщиков
СообщениеДобавлено: Ср май 11, 2011 23:48:00 
Друг Кота
Аватар пользователя

Карма: 12
Рейтинг сообщений: 207
Зарегистрирован: Вс июл 23, 2006 01:32:05
Сообщений: 3268
Откуда: г.Москва
Рейтинг сообщения: 0
Медали: 1
Получил миской по аватаре (1)
amator225 писал(а):
да ну его, этого ВЭФа с его блинскими планками(((( спаял, поставил, вроде работает, но у самого приёмника такая "крутая" избирательность, что сибишки друг друга забивают, ничё не понятно(((( думаю у магнитол она получше будет.

Ну а что Вы хотели с такой низкой ПЧ? Избирательности по "зеркалке" не прибавится...

_________________
R3Dio 73!


Вернуться наверх
 
Эиком - электронные компоненты и радиодетали
Не в сети
 Заголовок сообщения: Re: помогите собрать приёмник раций дальнобойщиков
СообщениеДобавлено: Ср май 11, 2011 23:58:35 
Встал на лапы

Карма: 2
Рейтинг сообщений: 0
Зарегистрирован: Пт апр 22, 2011 10:13:11
Сообщений: 96
Рейтинг сообщения: 0
вот именно.... поэтому и хочу магнитолку перетянуть. плюс к тому она компактнее за вэфа будет, да и понятнее как-бы... знать бы лишь что там крутить надо, т.к. гетеродинную катушку сложно найти. при поднесении к катушкам пальца или отвёртки частота не меняется. поэтому и неведомо мне что нужно укорачивать/растягивать и какие сердечники крутить.


Вернуться наверх
 
Не в сети
 Заголовок сообщения: Re: помогите собрать приёмник раций дальнобойщиков
СообщениеДобавлено: Чт май 12, 2011 00:10:19 
Друг Кота
Аватар пользователя

Карма: 12
Рейтинг сообщений: 207
Зарегистрирован: Вс июл 23, 2006 01:32:05
Сообщений: 3268
Откуда: г.Москва
Рейтинг сообщения: 0
Медали: 1
Получил миской по аватаре (1)
amator225 писал(а):
вот именно.... поэтому и хочу магнитолку перетянуть. плюс к тому она компактнее за вэфа будет, да и понятнее как-бы... знать бы лишь что там крутить надо, т.к. гетеродинную катушку сложно найти. при поднесении к катушкам пальца или отвёртки частота не меняется. поэтому и неведомо мне что нужно укорачивать/растягивать и какие сердечники крутить.

Ой! Я чегойто может недопонимаю... Что в магнитолке перестраивать хотите?
АМ диапазон (средние волны), это 1Мгц на 30Мгц только подстроечником??? :shock:
Или FM (УКВ), это 100Мгц на 30Мгц?
НЕРЕАЛЬНО!

_________________
R3Dio 73!


Вернуться наверх
 
Не в сети
 Заголовок сообщения: Re: помогите собрать приёмник раций дальнобойщиков
СообщениеДобавлено: Чт май 12, 2011 00:14:16 
Модератор
Аватар пользователя

Карма: 158
Рейтинг сообщений: 1600
Зарегистрирован: Пт апр 28, 2006 15:26:07
Сообщений: 11940
Откуда: Россия.
Рейтинг сообщения: 0
Медали: 2
Мявтор 3-й степени (1) Лучший человек Форума 2017 (1)
А Вы подумали о том, что на ЧМ у того приемника еще полоса пропускания порядка 200 кгц?
Это же сколько одновременно каналов на сразу будете принимать?


Вернуться наверх
 
Не в сети
 Заголовок сообщения: Re: помогите собрать приёмник раций дальнобойщиков
СообщениеДобавлено: Чт май 12, 2011 00:31:21 
Встал на лапы

Карма: 2
Рейтинг сообщений: 0
Зарегистрирован: Пт апр 22, 2011 10:13:11
Сообщений: 96
Рейтинг сообщения: 0
да нет же)))) я хочу fm-ку перетянуть чуток вверх на 118-136. а к am хочу сделать конвертер на си-би))))
короче, мастерю с лисапедки мацаклета))))


Вернуться наверх
 
Не в сети
 Заголовок сообщения: Re: помогите собрать приёмник раций дальнобойщиков
СообщениеДобавлено: Чт май 19, 2011 22:15:18 
Встал на лапы

Карма: 2
Рейтинг сообщений: 0
Зарегистрирован: Пт апр 22, 2011 10:13:11
Сообщений: 96
Рейтинг сообщения: 0
Уважаемые коты, сбережения времени и сил ради, я купил всеволновый приёмник KIPO KB-7055AC.
пока что доволен, у меня он ловит от 60 до 112 mhz в fm, от 500 до 1700 khz в am, и 5 до 27,5 mhz в sw.(по ходу это тоже am).
всем спасибо. тема закрыта.


Вернуться наверх
 
Не в сети
 Заголовок сообщения: AM 27МГц для общения с дальнобоями
СообщениеДобавлено: Пн фев 15, 2016 20:05:53 
Прорезались зубы

Карма: -1
Рейтинг сообщений: -37
Зарегистрирован: Чт фев 11, 2016 11:20:23
Сообщений: 223
Откуда: Мск
Рейтинг сообщения: 0
Почитав данные темы так и не пришел ни к чему путному.
viewtopic.php?f=28&t=12148&start=900
А именно есть понимание что во первых схема должна быть на кварцах во вторых мощнее или на 12В хотя можно и на 9В попробовать тоже можно. В общем знаю что 15 канал АМ 27МГц. Нужна схема или Ваши умные мысли где и откуда копать. Понимаю что нужно будет хорошая антена но для начала можно и радиус 100 метров чтобы общаться с непосредственно с тем кого обгоняешь. Надеюсь на вашу помощь и понимание, спасибо.


Вернуться наверх
 
Не в сети
 Заголовок сообщения: Re: AM 27МГц для общения с дальнобоями
СообщениеДобавлено: Пн фев 15, 2016 20:39:11 
Открыл глаза

Зарегистрирован: Чт фев 13, 2014 22:36:20
Сообщений: 48
Рейтинг сообщения: 0
bortnik27 писал(а):
Нужна схема или Ваши умные мысли где и откуда копать. Понимаю что нужно будет хорошая антена но для начала можно и радиус 100 метров чтобы общаться с непосредственно с тем кого обгоняешь. Надеюсь на вашу помощь и понимание, спасибо.

Для начала необходимо понять- для чего нужна станция? она будет носимой или установлена в автомобиле? Отсюда и выбор питания, и мощность передатчика, и тип антенны.


Вернуться наверх
 
Не в сети
 Заголовок сообщения: Re: AM 27МГц для общения с дальнобоями
СообщениеДобавлено: Пн фев 15, 2016 20:51:50 
Модератор
Аватар пользователя

Карма: 158
Рейтинг сообщений: 1600
Зарегистрирован: Пт апр 28, 2006 15:26:07
Сообщений: 11940
Откуда: Россия.
Рейтинг сообщения: 1
Медали: 2
Мявтор 3-й степени (1) Лучший человек Форума 2017 (1)
bortnik27 писал(а):
схема должна быть на кварцах
Вот для начала и напишите, как у Вас дела с кварцами, а потом уж можно продолжать.
Также написать, какки приборы для настройки у Вас есть в наличии.
После этого можно будет выбирать схему.
Если опыта в этих делах у вас нет, то делать что то по проще с одним преобразованием частоты.

Нужен кварц в передатчик на 27,135 МГц или на 9,045 МГц
Это обязательно.
В приемник нужны кварцы 27,6 МГц или 26,67 МГц в случае керамических фильтров 465 кГц или кварцы на частоту в три раза меньше.
В случае керамических фильтров на 455 кГц кварцы в приемнике должны быть 27,59 МГц или 26,68 МГц или кварцы на частоту в три раза меньше.
Если таких кварцев нет, то остается найти только кварц на 27,135 МГц или на 9,045 Мгц в передатчик, а в приемнике использовать оюбые кварцы с частотой 26,5 - 26,8 МГц или 27,5 – 27,8 МГц или в три раза меньше.

Но тогда придется мотать несколько катушек.
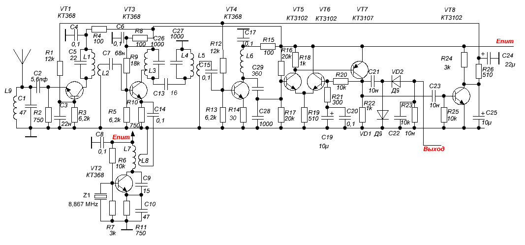
Один из вариантов подобного простого приемника рассматривается здесь.
viewtopic.php?p=2644778#p2644778
СпойлерИзображение

Хотя ту тему лучше полностью прочитать, т.к. советы по настройке там раскиданы по всей теме.
Если найдете нужные кварцы в передатчик и приемник, тогда катушек будет намного меньше.
Подобные кварцы можно даже купить парами в наборе.

Изображение

Но стоят они в наборе раз в пять больше, чем по отдельности.


Если опыт в этих делах у вас есть, то выбрать схему приемника с двойным преобразованием.
Пока же слишком мало информации с вашей стороны для конкретных советов.


Вложения:
АМ.GIF [23.6 KiB]
Скачиваний: 2714
Вернуться наверх
 
Не в сети
 Заголовок сообщения: Re: AM 27МГц для общения с дальнобоями
СообщениеДобавлено: Пн фев 15, 2016 21:00:24 
Прорезались зубы

Карма: -1
Рейтинг сообщений: -37
Зарегистрирован: Чт фев 11, 2016 11:20:23
Сообщений: 223
Откуда: Мск
Рейтинг сообщения: 0
Bigsnake писал(а):
bortnik27 писал(а):
Нужна схема или Ваши умные мысли где и откуда копать. Понимаю что нужно будет хорошая антена но для начала можно и радиус 100 метров чтобы общаться с непосредственно с тем кого обгоняешь. Надеюсь на вашу помощь и понимание, спасибо.

Для начала необходимо понять- для чего нужна станция? она будет носимой или установлена в автомобиле? Отсюда и выбор питания, и мощность передатчика, и тип антенны.

Главное хорошая проверенная схема если будет на 12В тогда в машину а если на 9В тогда можно и переносную сделать с отдельным разъемом под питание из машины. Главное чтобы было с чем работать


Вернуться наверх
 
Не в сети
 Заголовок сообщения: Re: AM 27МГц для общения с дальнобоями
СообщениеДобавлено: Пн фев 15, 2016 21:04:49 
Прорезались зубы

Карма: -1
Рейтинг сообщений: -37
Зарегистрирован: Чт фев 11, 2016 11:20:23
Сообщений: 223
Откуда: Мск
Рейтинг сообщения: 0
aen писал(а):
bortnik27 писал(а):
схема должна быть на кварцах
Вот для начала и напишите, как у Вас дела с кварцами, а потом уж можно продолжать.

Нужен кварц в передатчик на 27,135 МГц или на 9,045 МГц
Это обязательно.
В приемник нужны кварцы 27,6 МГц или 26,67 МГц в случае керамических фильтров 465 кГц
В случае керамических фильтров на 455 кГц кварцы в приемнике должны быть 27,59 МГц или 26,68 МГц
Если таких кварцев нет, то остается найти только кварц на 27,135 МГц в передатчик, а в приемнике использовать случайные кварцы с частотой около 9 МГц с копейками или 27 МГц с копейками.
Но тогда придется мотать несколько катушек.
ДОСовский документ отсюда сможете прочитать?
viewtopic.php?p=2644775#p2644775
Это сам ДОСовский документ.
download/file.php?id=241436
Там сначала описан ЧМ приемник, а потом АМ с катушками и случайными кварцами.

СпойлерИзображение


Если найдете нужные кварцы в передатчик и приемник, тогда катушек будет намного меньше.
Подобные кварцы можно даже купить парами в наборе.

Изображение

Но стоят они в наборе раз в пять больше, чем по отдельности.


Кварцы к сожалению на 4 и 7 с копеками МГц так что буду покупать, главное чтобы схема была рабочей и надежной. Чтобы прием был хорошим, настройкой простой, на сколько понимаю на 27гц кварце схема будет проще ? наверно их и надо брать?
P.S. Подойдет ли такой комплект? https://yadi.sk/i/IPClWZtgotaWv
Спасибо за Ваши ответы)


Вернуться наверх
 
Не в сети
 Заголовок сообщения: Re: AM 27МГц для общения с дальнобоями
СообщениеДобавлено: Вт фев 16, 2016 00:43:51 
Модератор
Аватар пользователя

Карма: 158
Рейтинг сообщений: 1600
Зарегистрирован: Пт апр 28, 2006 15:26:07
Сообщений: 11940
Откуда: Россия.
Рейтинг сообщения: 1
Медали: 2
Мявтор 3-й степени (1) Лучший человек Форума 2017 (1)
bortnik27 писал(а):
для начала можно и радиус 100 метров
На 100 метров можно даже такую на основе сверхрегенератора можно.
СпойлерРадиостанция никаких особенностей не имеет. На первый взгляд в ней много транзисторов и в Интернете можно найти схемы подобных радиостанций имеющих более простую схему, но увеличение количества транзисторов связано с тем, что бы упростить настройку радиостанции. В данном случае каждый каскад выполняет одну определенную функцию и каждый каскад настраивается отдельно, а его настройка не влияет на другие каскады. Если посмотреть внимательнее, то видим, что радиостанция состоит из двух независимых частей, а именно приемника и передатчика. Общими для них является только динамик, который в режиме передачи является микрофоном. Переключение режима прием – передача осуществляется переключателем на четыре группы.

Изображение

Если при передаче применить отдельный микрофон, то количество переключений прием-передача уменьшиться до двух групп. В этом случае нужно только немного изменить схему модулятора, т.к. при подключении к данному модулятору электретного микрофона часто происходит самовозбуждение модулятора и с этим приходиться бороться. В этом случае вместо усилителя на VT4-VT5 лучше поставить такую схему.

Изображение

В данном случае, как писал выше, переключать нужно будет только питание и антенну.

Приемник.

Основой приемника является сверхрегенератор на транзисторе VT1 по классической схеме. Смещение устанавливается с помощью подстроечного резистора R2. Это сделано для облегчения настройки, т.к. оптимальный режим сверхрегенератора зависит и от смещения и антенны, да и вообще его желательно подобрать после окончательной сборки радиостанции. Можно конечно после этого вместо подстроечного резистора поставить постоянный резистор, но не вижу смысла.
Критерием работы сверхрегенератора является наличие пилообразных импульсов на резисторе R3. При этом, чем более линейна «пила» тем больше чувствительность сверхрегенератора. Смотреть это конечно лучше осциллографом, хотя можно подстроить примерно и на слух. Ниже напишу как. Реальная форма у меня получилась не совсем идеальная, но на «пилу» все таки похожа.

Изображение

Вид пилы в общем зависит от транзистора, во многом в правильном выборе смещения, а еще от качества дросселя Др.1
Во многих публикациях пишут, что этот дроссель можно намотать на резисторе, но к сожалению это не так. Часто из за этого приемник работает плохо. С таким дросселем не удается получить импульсы близкой по форме к пилообразным. Получаются просто остроконечные импульсы. Сверхрегенератор при этом работает, но чувствительность его получается очень маленькой. В качестве дросселя лучше всего подходят отечественные дроссели ДПМ-01 индуктивностью 20 – 50 мкгн. Как ведут себя другие дроссели я не пробовал. Просто не было таких под рукой. Пробовал еще дроссель намотанный на ферритовом кольце диаметром 10 мм. Количество витков 30. Провод диаметром 0,3 мм. Витки расположены по всему кольцу в один ряд. Получился хуже чем ДПМ-01, но в принципе форма импульсов довольно хорошая. Частота пилы берется в пределах 30 – 60 кгц. От частоты импульсов суперизации зависит чувствительность и избирательность приемника. Чем меньше эта частота, тем выше чувствительность приемника, но при этом сужается полоса пропускания приемника, что может привести к потере связи при изменении питания и температуры окружающей среды. Поэтому её выбирают обычно порядка 50 кгц. Нижний предел зависит от того, что она не должна быть слышима. Как известно, что выше 25 кгц человеческое ухо не слышит.

Второй каскад приемника, это ФНЧ. Как видим на выходе сверхрегенеративного детектора кроме полезного сигнала в десятки милливольт, присутствует еще пилообразное напряжение суперизации в несколько вольт с частотой больше 30 кгц. Прежде чем подавать сигнал с выхода сверхрегенератора на УНЧ, нам нужно избавиться от этих импульсов и оставить только полезный сигнал. Это делается с помощью фильтра нижних частот. В простейшем случае ФНЧ можно сделать на RС элементах, что часто и делают, но кроме того, что подавление частоты суперизации у подобного фильтра маленькое, так он еще и давит полезный сигнал, что снижает чувствительность приемника.
ФНЧ можно сделать на элементах LC. Катушку можно намотать на ферритовом кольце, но количество витков получается больше сотни и мотать его обычно не хочется.
В данном случае стоит активный ФНЧ на транзисторе VТ2. Подавление импульсов суперизации получается довольно хорошее и они не перегружают УНЧ.
Следующий каскад на транзисторе VТ3 просто усилитель и служит для полной раскачки микросхемы МС34119. Если большой громкости не нужно, то этот каскад можно не делать. Дальше идет УНЧ на микросхеме МС34119. Схема из даташита. Нужная чувствительность подбирается резистором R12. Можно поставить и другой УНЧ, вплоть до того, что сделать его на транзисторах. Со схемой приемника все. Окончательная настройка ниже. Как уже писал удобнее с осциллографом. При этом он может быть низкочастотным, но можно и на слух, принимая сигнал передатчика, но это потом.

Передатчик

Передатчик однокаскадный на транзисторе VТ6 с амплитудной модуляцией. Частота стабилизирована кварцем. Амплитудная модуляция производится изменением напряжения питания генератора. Напряжение питания меняется в такт со звуком.
Схема особенностей не имеет. Модулятор, это по сути УНЧ с мощным выходом. VT4 и VТ5 это предварительный усилитель. Как писал выше, если микрофон отдельный, то предварительный усилитель лучше сделать по схеме, что приводил там ниже. После предварительного усилителя стоит составной эмиттерный повторитель на транзисторах VТ6 и V7. Эмиттерный повторитель можно сделать и не составной, но в настройке он получается сложнее, да и модуляция получается хуже. На выход эмиттерного повторителя включен сам передатчик. Больше никаких особенностей передатчик не имеет. Конечно было бы лучше модулятор сделать с модуляционным трансформатором. При этом мощность передатчика можно увеличить раза в три-четыре, но готовый трансформатор найти трудно, а мотать миниатюрный трансформатор под тысячу витком вряд ли кому захочется.

Детали.

Транзисторы VТ 2 - VТ6 любые маломощные низкочастотные транзисторы. Транзистор в сверхрегенеративном детекторе пробовал КТ315Б, КТ3102Б, КТ368. Может просто так получилось, но мне больше понравился КТ315Б.
Транзистор VТ7 любой низкочастотный с рассеиваемой мощностью на коллекторе не меньше 300 мвт. Можно поставить такой же, что и в передатчике, т.е. КТ3117. В передатчике и в эмиттерном повторителе можно еще поставить КТ603, КТ608, КТ928 и даже два транзистора в параллель например КТ315. На плате КТ315 можно просто в одни отверстия запаять.
Катушки мотаются на цилиндрических сердечниках диаметром 5 – 6 мм с подстроечным сердечником из карбонильного железа или ВЧ феррита. Можно также применить сердечники из латуни или другого диамагнетика увеличив количество витков катушек на 20%
L1 и L2 наматываются проводом диаметром 0,4 – 0,5 мм. Катушка L3 мотается проводом 0,1 - 0,15 мм
L1 содержит 15 витков.
L2 тоже 15 витков, но с отводом от середины.
Количество витков катушки L3 зависит от длины антенны. У меня антенна длиной 45 см. Количество витков получилось 45. Намотка рядовая.
Катушки мотаются очень просто. Начало и конец обмотки закрепляются с помощью нитки смазанной клеем «Момент»

Настройка

Настройку лучше начать с передатчика и потом использовать его для настройки приемника. Сначала настраиваем модулятор. Для этого генератор на транзисторе VТ7 отключаем от эмиттера VТ6 и вместо него ставим резистор 100 ом мощностью порядка 0,5 вт между эмиттером и общим проводом. Его можно сделать из двух резисторов меньшей мощности и соответствующего сопротивления. Если резисторы включать параллельно, то они должны быть соответственно по 200 ом, если последовательно, то по 51 ом. Подбирая резистор R18 устанавливаем на эмиттере VТ7 напряжение 5 вольт. Затем подбираем резистор R23 и устанавливаем на коллекторе VТ5 напряжение порядка 4,5 вольта. Если теперь параллельно сопротивлению на выходе через конденсатор в несколько микрофарад подключить наушники и коснуться входа модулятора, то должны услышать гуд в наушниках.

Теперь настраиваем ВЧ часть передатчика.
Для настройки ВЧ части потребуется мультиметр, ВЧ головка и индикатор ВЧ поля.
ВЧ головку и индикатор ВЧ поля делаем самостоятельно.
В них желательно поставить ВЧ германиевые диоды, но они сейчас дефицитные и я поставил кремниевые КД522.
Схема ВЧ головки выглядит так.

Изображение

ВЧ головка делается на небольшой платке. Можно навесным монтажом.
Выводы должны быть короткими и подключаться непосредственно к схеме, а провода от головки к мультиметру могут быть любой длины. Мультиметр удобнее стрелочный, т.к. цифровой иногда неадекватно реагирует на ВЧ наводки. Можно взять просто головку с током отклонения 5- 200 мка и включить последовательно с ней резистор на 20 ком. Все это включается вместо резистора R2.
Схема индикатора поля.
По сути это детекторный приемник на частоту 27 мгц. Настройка на частоту производится сердечником катушки, хотя можно с помощью подстроечного конденсатора который поставить параллельно конденсатору С1
Катушка L1 15 витков проводом 0,4 – 0,45 мм на каркасе диаметром 5 – 6 мм.

Изображение

На выход ВЧ головки и индикатору поля подключают мультиметр в режиме измерения постоянного напряжения.
Сделать можно тоже навесным монтажом. В качестве антенны можно припаять кусок провода длиной 30 – 40 см толщиной 0,8 – 1 мм, что бы не гнулся.

Резистор 100 ом с выхода модулятора отпаиваем и вместо него подключаем сам передатчик. Проверяем напряжение на эмиттере VТ7. Оно по сути является питанием генератора в режиме молчания. Как выше писал оно должно быть 5 вольт. Генератор можно настраивать и без модулятора. Это даже удобнее, но для этого потребуется регулируемый БП. На выходе БП устанавливаем 5 вольт и подключаем к нему генератор.
Катушку L3 отключаем. В точку соединения конденсаторов С17, С18 и общим проводом включаем резистор 51 ом. Это будет наш эквивалент антенны. К этому резистору подключаем наш ВЧ пробник. Настраиваем на максимум крутя сердечник катушки L2. У меня получилось порядка 2 вольта. Контролируем ток через транзистор VT2. Как писал, он не должен превышать 50 ма и здорово нагреваться. Ток устанавливается резистором R16. Можно также подстраивать резистором R9. Ток можно контролировать измеряя постоянное напряжение на резисторе R16. Ток через транзистор равен напряжению на данном резисторе деленному на величину резистора. При 30 ом это напряжение не должно превышать 0,15 вольт.
Теперь самое главное. У нас не должна срываться генерация при изменении питания на генераторе в пределах 2,5 – 7,5 вольт. Если у вас генератор подключен к регулируемому БП, то меняем напряжение и контролируем по показанию ВЧ детектора, что напряжение не пропадает и меняется при изменении напряжения питания. Само собой при 2,5 вольта оно маленькое, а при 7,5 вольт увеличивается и становиться больше, чем при 5 вольт. Срыв генерации обычно происходить при напряжении 2,5 вольта. Если это так, то нужно подобрать резистор R14. Иногда помогает включение конденсатора в единицы пикофарад параллельно резистору R15. Если генератор подключен не к БП, а к модулятору, то менять на нем напряжение можно заменив резистор R18 переменным.
Теперь настройка антенны. У меня антенна длиной 45 см. Убираем резистор 51 ом и впаиваем в схему катушку L3. Индикатор поля ставим рядом. Подкручиваем катушку на индикаторе поля по максимуму и отодвигаем его подальше. Я на расстояние 0,5 м ставил. Теперь крутим катушку L3 и добиваемся максимум показаний индикатора поля. У меня получается почти 2 вольта. Потом можно немного подкрутить катушку L2 опять же добиваясь максимума показаний индикатора, но обычно это делать не приходится.

Теперь переходим к настройке приемника. Как выше писал, для настройки приемника используем передатчик второго комплекта радиостанции. Катушку L3 отключаем, как и при настройке, а на выход передатчика ставим эквивалент антенны, т.е. резистор 51 ом. Можно там еще антенну сделать из провода длиной порядка 5 см. Также нужно промодулировать сигнал с передатчика, подав на вход сигнал с частотой 0,5 – 1 кгц. Можно просто сделать мультивибратор на логических элементах или на транзисторах с этой частотой и подать на вход модулятора. Если у вас модулятор по основной схеме, то можно просто коллектор транзистора VT5 соединить с базой VT4 цепочкой последовательно соединенных резистора 10 ком и конденсатора 2000 – 10000 пф, т.е. по сути сделать мультивибратор из самого модулятора. Проверить его работу можно подключив наушник через конденсатор на выход эмиттерного повторителя модулятора.
Ставим все это на расстоянии 0,5 м от приемника, который собрались настраивать, но пока не включаем.
Как уже говорил, настраивать лучше с помощью осциллографа, но можно и без него. Вот я буду настраивать без него, но при этом контролировать, что бы убедиться, что методика настройки верная.
Подключаем к приемнику антенну и включаем приемник. Он может шипеть, а может и не шипеть, но будем стараться, что бы зашипел.
Для начала выкручиваем резистор R2 вниз, т.е. на базе нулевое смещение. Само собой в динамике ничего не слышим. Крутим его медленно до появления шума. Сначала шум может быть даже с писком. Это говорит, что частота суперизации находится в звуковом диапазоне. Если в этот момент смотреть осциллографом на резисторе R3, то видим такую картинку.

Изображение

Если крутить резистор R2 дальше, то шум сначала становиться немного тише, а потом резко снижается вплоть до пропадания. Если смотреть по осциллографу, то видим, что при этом увеличивается частота суперизации. Вот картинка перед резким снижением шума.

Изображение

Как видим частота суперизации увеличилась до 60 кгц. Это неоптимальный режим сверхрегенератора. Резистор R2 нужно отвернуть немного назад, что бы он стоял перед точкой резкого уменьшения шума. На осциллографе это выглядит так.

Изображение

Как видим частота суперизации при этом немного уменьшилась, а импульсы, хотя и примерно, но похожи на пилу.
Не следует забывать, что вся эта настройка зависит и от антенны, поэтому после окончательной сборки, все эти настройки нужно повторить.
Теперь включаем передатчик и крутя сердечник катушки L1 пытаемся поймать сигнал нашего генератора. Если кручением ферритового сердечника найти не найдется, то вывинтив его совсем, попробовать вставлять туда сердечник из меди. Можно медный пруток диаметром порядка 3 мм. Если принять удается только вставляя медный сердечник, то можно уменьшить емкость С5, но при этом придется повторить настройку приемника по новой. Так же этот конденсатор можно и увеличивать на несколько пикофарад, если частота настройки приемника слишком высока.
В принципе катушку можно поставить вообще без сердечника, а конденсатор С5 поставить подстроечный, хотя настройка в этом случае получается грубее.
После того, как поймаете сигнал передатчика нужно снова проверить настройку приемника, покрутив резистор R2.
Не отпаивая эквивалента нагрузки в передатчике, припаяйте на выход провод 10 см в качестве антенны и попробуйте отнести передатчик подальше. У меня в пределах комнаты приемник в данном случае принимает сигнал.
Для качественной работы радиостанции настройку удлиняющей катушки L3 в режиме передачи нужно будет подстроить в окончательном варианте держа радиостанцию в руке.
Приемник тоже нужно будет подстроить после окончательной сборки.
Как видим, настройка подобных вещей самое сложное, хотя многие выбирают схемы не по критерию простоты настройки, а по количеству транзисторов в ней считая, что чем проще схема, тем легче её сделать и при этом крупно ошибаются.

Теперь немного о катушках, которые многие боятся.
В данном случае каркас катушки самодельный выточенный из органического сверла. В нем нарезана резьба М4. Просто у меня такие ферритовые сердечники в наличии. Мотать удобно прямо на метчике даже в том случае, если каркас не самодельный.

Изображение

Начало провода наматываем на метчик снизу, наматываем нужное количество витков и наматываем конец провода на метчик сверху.

Изображение

Смазываем нитку клеем "Момент» и закрепляем выводы катушки.

Изображение

Обрезаем лишнее и получаем готовую, катушку.

Изображение

Катушка с отводом тоже делается просто. Наматываем половину катушки, делаем из провода «петельку» и наматываем вторую половину катушки. На картинке это видно.

Кварц в передатчике должен быть на частоту 27,135 МГц и при этом может быть гармониковый, как в моем случае, а может быть и на основную гармонику 27,135 МГц.
Гармониковый в данном случае даже лучше, т.к. с ним частота установится более точно.
Хотя понятно, что это несерьезно и является просто игрушкой.
Тем более, что дальше 100 метров я её и не проверял.


Вернуться наверх
 
Не в сети
 Заголовок сообщения: Re: AM 27МГц для общения с дальнобоями
СообщениеДобавлено: Вт фев 16, 2016 07:51:57 
Прорезались зубы

Карма: -1
Рейтинг сообщений: -37
Зарегистрирован: Чт фев 11, 2016 11:20:23
Сообщений: 223
Откуда: Мск
Рейтинг сообщения: 0
aen писал(а):
Кварц в передатчике должен быть на частоту 27,135 МГц и при этом может быть гармониковый, как в моем случае, а может быть и на основную гармонику 27,135 МГц.
Гармониковый в данном случае даже лучше, т.к. с ним частота установится более точно.
Хотя понятно, что это несерьезно и является просто игрушкой.
Тем более, что дальше 100 метров я её и не проверял.

Подойдет ли 27,145МГц? Т.е. вы по данной схеме уже делали передатчик? Игрушка игрушкой но все же в планах ее использование сбор хорошей антены и расчет на ее долговечность. Плюс вложение финансовых средств в некоторые детали делают ее не такой уж игрушкой)
P.S. как меняется карма профиля? если сообщение заплюсвать она увеличивается?


Вернуться наверх
 
Не в сети
 Заголовок сообщения: Re: AM 27МГц для общения с дальнобоями
СообщениеДобавлено: Вт фев 16, 2016 09:46:50 
Открыл глаза

Зарегистрирован: Чт фев 13, 2014 22:36:20
Сообщений: 48
Рейтинг сообщения: 0
bortnik27 писал(а):
Подойдет ли 27,145МГц?

Вам же уже ответили- дальнобойщики общаются на частоте 27.135 МГц. В Украине, в Белорусии, а также в Польше частота дальнобощиков смещена на 5 кГц, т.е. равна 27 130 МГц.


Вернуться наверх
 
Не в сети
 Заголовок сообщения: Re: AM 27МГц для общения с дальнобоями
СообщениеДобавлено: Вт фев 16, 2016 10:37:43 
Друг Кота
Аватар пользователя

Карма: 12
Рейтинг сообщений: 207
Зарегистрирован: Вс июл 23, 2006 01:32:05
Сообщений: 3268
Откуда: г.Москва
Рейтинг сообщения: 0
Медали: 1
Получил миской по аватаре (1)
bortnik27 писал(а):
Плюс вложение финансовых средств в некоторые детали делают ее не такой уж игрушкой

Но игрушкой она и останется. Советую поспрашивать таксистов, у них можно б.у. за символические деньги купить.
Мне местные таксисты несколько раз предлагали, кто за просто так а кто за пузырь...

_________________
R3Dio 73!


Вернуться наверх
 
Не в сети
 Заголовок сообщения: Re: AM 27МГц для общения с дальнобоями
СообщениеДобавлено: Вт фев 16, 2016 11:57:25 
Это не хвост, это антенна

Карма: 7
Рейтинг сообщений: 148
Зарегистрирован: Пт янв 01, 2016 13:00:20
Сообщений: 1453
Откуда: Москва
Рейтинг сообщения: 0
гетеродин приемника может работать не только на частотах с разницей 455, 465 кГц, 1,6 МГц но 10,7 МГц. Фильтров на 10,7 полно.


Вернуться наверх
 
Не в сети
 Заголовок сообщения: Re: AM 27МГц для общения с дальнобоями
СообщениеДобавлено: Вт фев 16, 2016 14:21:11 
Встал на лапы

Карма: 1
Рейтинг сообщений: 4
Зарегистрирован: Пт янв 02, 2009 19:28:44
Сообщений: 82
Откуда: Москва
Рейтинг сообщения: 0
aen писал(а):
bortnik27 писал(а):
для начала можно и радиус 100 метров
На 100 метров можно даже такую на основе сверхрегенератора можно.
СпойлерРадиостанция никаких особенностей не имеет. На первый взгляд в ней много транзисторов и в Интернете можно найти схемы подобных радиостанций имеющих более простую схему, но увеличение количества транзисторов связано с тем, что бы упростить настройку радиостанции. В данном случае каждый каскад выполняет одну определенную функцию и каждый каскад настраивается отдельно, а его настройка не влияет на другие каскады. Если посмотреть внимательнее, то видим, что радиостанция состоит из двух независимых частей, а именно приемника и передатчика. Общими для них является только динамик, который в режиме передачи является микрофоном. Переключение режима прием – передача осуществляется переключателем на четыре группы.

Изображение

Если при передаче применить отдельный микрофон, то количество переключений прием-передача уменьшиться до двух групп. В этом случае нужно только немного изменить схему модулятора, т.к. при подключении к данному модулятору электретного микрофона часто происходит самовозбуждение модулятора и с этим приходиться бороться. В этом случае вместо усилителя на VT4-VT5 лучше поставить такую схему.

Изображение

В данном случае, как писал выше, переключать нужно будет только питание и антенну.

Приемник.

Основой приемника является сверхрегенератор на транзисторе VT1 по классической схеме. Смещение устанавливается с помощью подстроечного резистора R2. Это сделано для облегчения настройки, т.к. оптимальный режим сверхрегенератора зависит и от смещения и антенны, да и вообще его желательно подобрать после окончательной сборки радиостанции. Можно конечно после этого вместо подстроечного резистора поставить постоянный резистор, но не вижу смысла.
Критерием работы сверхрегенератора является наличие пилообразных импульсов на резисторе R3. При этом, чем более линейна «пила» тем больше чувствительность сверхрегенератора. Смотреть это конечно лучше осциллографом, хотя можно подстроить примерно и на слух. Ниже напишу как. Реальная форма у меня получилась не совсем идеальная, но на «пилу» все таки похожа.

Изображение

Вид пилы в общем зависит от транзистора, во многом в правильном выборе смещения, а еще от качества дросселя Др.1
Во многих публикациях пишут, что этот дроссель можно намотать на резисторе, но к сожалению это не так. Часто из за этого приемник работает плохо. С таким дросселем не удается получить импульсы близкой по форме к пилообразным. Получаются просто остроконечные импульсы. Сверхрегенератор при этом работает, но чувствительность его получается очень маленькой. В качестве дросселя лучше всего подходят отечественные дроссели ДПМ-01 индуктивностью 20 – 50 мкгн. Как ведут себя другие дроссели я не пробовал. Просто не было таких под рукой. Пробовал еще дроссель намотанный на ферритовом кольце диаметром 10 мм. Количество витков 30. Провод диаметром 0,3 мм. Витки расположены по всему кольцу в один ряд. Получился хуже чем ДПМ-01, но в принципе форма импульсов довольно хорошая. Частота пилы берется в пределах 30 – 60 кгц. От частоты импульсов суперизации зависит чувствительность и избирательность приемника. Чем меньше эта частота, тем выше чувствительность приемника, но при этом сужается полоса пропускания приемника, что может привести к потере связи при изменении питания и температуры окружающей среды. Поэтому её выбирают обычно порядка 50 кгц. Нижний предел зависит от того, что она не должна быть слышима. Как известно, что выше 25 кгц человеческое ухо не слышит.

Второй каскад приемника, это ФНЧ. Как видим на выходе сверхрегенеративного детектора кроме полезного сигнала в десятки милливольт, присутствует еще пилообразное напряжение суперизации в несколько вольт с частотой больше 30 кгц. Прежде чем подавать сигнал с выхода сверхрегенератора на УНЧ, нам нужно избавиться от этих импульсов и оставить только полезный сигнал. Это делается с помощью фильтра нижних частот. В простейшем случае ФНЧ можно сделать на RС элементах, что часто и делают, но кроме того, что подавление частоты суперизации у подобного фильтра маленькое, так он еще и давит полезный сигнал, что снижает чувствительность приемника.
ФНЧ можно сделать на элементах LC. Катушку можно намотать на ферритовом кольце, но количество витков получается больше сотни и мотать его обычно не хочется.
В данном случае стоит активный ФНЧ на транзисторе VТ2. Подавление импульсов суперизации получается довольно хорошее и они не перегружают УНЧ.
Следующий каскад на транзисторе VТ3 просто усилитель и служит для полной раскачки микросхемы МС34119. Если большой громкости не нужно, то этот каскад можно не делать. Дальше идет УНЧ на микросхеме МС34119. Схема из даташита. Нужная чувствительность подбирается резистором R12. Можно поставить и другой УНЧ, вплоть до того, что сделать его на транзисторах. Со схемой приемника все. Окончательная настройка ниже. Как уже писал удобнее с осциллографом. При этом он может быть низкочастотным, но можно и на слух, принимая сигнал передатчика, но это потом.

Передатчик

Передатчик однокаскадный на транзисторе VТ6 с амплитудной модуляцией. Частота стабилизирована кварцем. Амплитудная модуляция производится изменением напряжения питания генератора. Напряжение питания меняется в такт со звуком.
Схема особенностей не имеет. Модулятор, это по сути УНЧ с мощным выходом. VT4 и VТ5 это предварительный усилитель. Как писал выше, если микрофон отдельный, то предварительный усилитель лучше сделать по схеме, что приводил там ниже. После предварительного усилителя стоит составной эмиттерный повторитель на транзисторах VТ6 и V7. Эмиттерный повторитель можно сделать и не составной, но в настройке он получается сложнее, да и модуляция получается хуже. На выход эмиттерного повторителя включен сам передатчик. Больше никаких особенностей передатчик не имеет. Конечно было бы лучше модулятор сделать с модуляционным трансформатором. При этом мощность передатчика можно увеличить раза в три-четыре, но готовый трансформатор найти трудно, а мотать миниатюрный трансформатор под тысячу витком вряд ли кому захочется.

Детали.

Транзисторы VТ 2 - VТ6 любые маломощные низкочастотные транзисторы. Транзистор в сверхрегенеративном детекторе пробовал КТ315Б, КТ3102Б, КТ368. Может просто так получилось, но мне больше понравился КТ315Б.
Транзистор VТ7 любой низкочастотный с рассеиваемой мощностью на коллекторе не меньше 300 мвт. Можно поставить такой же, что и в передатчике, т.е. КТ3117. В передатчике и в эмиттерном повторителе можно еще поставить КТ603, КТ608, КТ928 и даже два транзистора в параллель например КТ315. На плате КТ315 можно просто в одни отверстия запаять.
Катушки мотаются на цилиндрических сердечниках диаметром 5 – 6 мм с подстроечным сердечником из карбонильного железа или ВЧ феррита. Можно также применить сердечники из латуни или другого диамагнетика увеличив количество витков катушек на 20%
L1 и L2 наматываются проводом диаметром 0,4 – 0,5 мм. Катушка L3 мотается проводом 0,1 - 0,15 мм
L1 содержит 15 витков.
L2 тоже 15 витков, но с отводом от середины.
Количество витков катушки L3 зависит от длины антенны. У меня антенна длиной 45 см. Количество витков получилось 45. Намотка рядовая.
Катушки мотаются очень просто. Начало и конец обмотки закрепляются с помощью нитки смазанной клеем «Момент»

Настройка

Настройку лучше начать с передатчика и потом использовать его для настройки приемника. Сначала настраиваем модулятор. Для этого генератор на транзисторе VТ7 отключаем от эмиттера VТ6 и вместо него ставим резистор 100 ом мощностью порядка 0,5 вт между эмиттером и общим проводом. Его можно сделать из двух резисторов меньшей мощности и соответствующего сопротивления. Если резисторы включать параллельно, то они должны быть соответственно по 200 ом, если последовательно, то по 51 ом. Подбирая резистор R18 устанавливаем на эмиттере VТ7 напряжение 5 вольт. Затем подбираем резистор R23 и устанавливаем на коллекторе VТ5 напряжение порядка 4,5 вольта. Если теперь параллельно сопротивлению на выходе через конденсатор в несколько микрофарад подключить наушники и коснуться входа модулятора, то должны услышать гуд в наушниках.

Теперь настраиваем ВЧ часть передатчика.
Для настройки ВЧ части потребуется мультиметр, ВЧ головка и индикатор ВЧ поля.
ВЧ головку и индикатор ВЧ поля делаем самостоятельно.
В них желательно поставить ВЧ германиевые диоды, но они сейчас дефицитные и я поставил кремниевые КД522.
Схема ВЧ головки выглядит так.

Изображение

ВЧ головка делается на небольшой платке. Можно навесным монтажом.
Выводы должны быть короткими и подключаться непосредственно к схеме, а провода от головки к мультиметру могут быть любой длины. Мультиметр удобнее стрелочный, т.к. цифровой иногда неадекватно реагирует на ВЧ наводки. Можно взять просто головку с током отклонения 5- 200 мка и включить последовательно с ней резистор на 20 ком. Все это включается вместо резистора R2.
Схема индикатора поля.
По сути это детекторный приемник на частоту 27 мгц. Настройка на частоту производится сердечником катушки, хотя можно с помощью подстроечного конденсатора который поставить параллельно конденсатору С1
Катушка L1 15 витков проводом 0,4 – 0,45 мм на каркасе диаметром 5 – 6 мм.

Изображение

На выход ВЧ головки и индикатору поля подключают мультиметр в режиме измерения постоянного напряжения.
Сделать можно тоже навесным монтажом. В качестве антенны можно припаять кусок провода длиной 30 – 40 см толщиной 0,8 – 1 мм, что бы не гнулся.

Резистор 100 ом с выхода модулятора отпаиваем и вместо него подключаем сам передатчик. Проверяем напряжение на эмиттере VТ7. Оно по сути является питанием генератора в режиме молчания. Как выше писал оно должно быть 5 вольт. Генератор можно настраивать и без модулятора. Это даже удобнее, но для этого потребуется регулируемый БП. На выходе БП устанавливаем 5 вольт и подключаем к нему генератор.
Катушку L3 отключаем. В точку соединения конденсаторов С17, С18 и общим проводом включаем резистор 51 ом. Это будет наш эквивалент антенны. К этому резистору подключаем наш ВЧ пробник. Настраиваем на максимум крутя сердечник катушки L2. У меня получилось порядка 2 вольта. Контролируем ток через транзистор VT2. Как писал, он не должен превышать 50 ма и здорово нагреваться. Ток устанавливается резистором R16. Можно также подстраивать резистором R9. Ток можно контролировать измеряя постоянное напряжение на резисторе R16. Ток через транзистор равен напряжению на данном резисторе деленному на величину резистора. При 30 ом это напряжение не должно превышать 0,15 вольт.
Теперь самое главное. У нас не должна срываться генерация при изменении питания на генераторе в пределах 2,5 – 7,5 вольт. Если у вас генератор подключен к регулируемому БП, то меняем напряжение и контролируем по показанию ВЧ детектора, что напряжение не пропадает и меняется при изменении напряжения питания. Само собой при 2,5 вольта оно маленькое, а при 7,5 вольт увеличивается и становиться больше, чем при 5 вольт. Срыв генерации обычно происходить при напряжении 2,5 вольта. Если это так, то нужно подобрать резистор R14. Иногда помогает включение конденсатора в единицы пикофарад параллельно резистору R15. Если генератор подключен не к БП, а к модулятору, то менять на нем напряжение можно заменив резистор R18 переменным.
Теперь настройка антенны. У меня антенна длиной 45 см. Убираем резистор 51 ом и впаиваем в схему катушку L3. Индикатор поля ставим рядом. Подкручиваем катушку на индикаторе поля по максимуму и отодвигаем его подальше. Я на расстояние 0,5 м ставил. Теперь крутим катушку L3 и добиваемся максимум показаний индикатора поля. У меня получается почти 2 вольта. Потом можно немного подкрутить катушку L2 опять же добиваясь максимума показаний индикатора, но обычно это делать не приходится.

Теперь переходим к настройке приемника. Как выше писал, для настройки приемника используем передатчик второго комплекта радиостанции. Катушку L3 отключаем, как и при настройке, а на выход передатчика ставим эквивалент антенны, т.е. резистор 51 ом. Можно там еще антенну сделать из провода длиной порядка 5 см. Также нужно промодулировать сигнал с передатчика, подав на вход сигнал с частотой 0,5 – 1 кгц. Можно просто сделать мультивибратор на логических элементах или на транзисторах с этой частотой и подать на вход модулятора. Если у вас модулятор по основной схеме, то можно просто коллектор транзистора VT5 соединить с базой VT4 цепочкой последовательно соединенных резистора 10 ком и конденсатора 2000 – 10000 пф, т.е. по сути сделать мультивибратор из самого модулятора. Проверить его работу можно подключив наушник через конденсатор на выход эмиттерного повторителя модулятора.
Ставим все это на расстоянии 0,5 м от приемника, который собрались настраивать, но пока не включаем.
Как уже говорил, настраивать лучше с помощью осциллографа, но можно и без него. Вот я буду настраивать без него, но при этом контролировать, что бы убедиться, что методика настройки верная.
Подключаем к приемнику антенну и включаем приемник. Он может шипеть, а может и не шипеть, но будем стараться, что бы зашипел.
Для начала выкручиваем резистор R2 вниз, т.е. на базе нулевое смещение. Само собой в динамике ничего не слышим. Крутим его медленно до появления шума. Сначала шум может быть даже с писком. Это говорит, что частота суперизации находится в звуковом диапазоне. Если в этот момент смотреть осциллографом на резисторе R3, то видим такую картинку.

Изображение

Если крутить резистор R2 дальше, то шум сначала становиться немного тише, а потом резко снижается вплоть до пропадания. Если смотреть по осциллографу, то видим, что при этом увеличивается частота суперизации. Вот картинка перед резким снижением шума.

Изображение

Как видим частота суперизации увеличилась до 60 кгц. Это неоптимальный режим сверхрегенератора. Резистор R2 нужно отвернуть немного назад, что бы он стоял перед точкой резкого уменьшения шума. На осциллографе это выглядит так.

Изображение

Как видим частота суперизации при этом немного уменьшилась, а импульсы, хотя и примерно, но похожи на пилу.
Не следует забывать, что вся эта настройка зависит и от антенны, поэтому после окончательной сборки, все эти настройки нужно повторить.
Теперь включаем передатчик и крутя сердечник катушки L1 пытаемся поймать сигнал нашего генератора. Если кручением ферритового сердечника найти не найдется, то вывинтив его совсем, попробовать вставлять туда сердечник из меди. Можно медный пруток диаметром порядка 3 мм. Если принять удается только вставляя медный сердечник, то можно уменьшить емкость С5, но при этом придется повторить настройку приемника по новой. Так же этот конденсатор можно и увеличивать на несколько пикофарад, если частота настройки приемника слишком высока.
В принципе катушку можно поставить вообще без сердечника, а конденсатор С5 поставить подстроечный, хотя настройка в этом случае получается грубее.
После того, как поймаете сигнал передатчика нужно снова проверить настройку приемника, покрутив резистор R2.
Не отпаивая эквивалента нагрузки в передатчике, припаяйте на выход провод 10 см в качестве антенны и попробуйте отнести передатчик подальше. У меня в пределах комнаты приемник в данном случае принимает сигнал.
Для качественной работы радиостанции настройку удлиняющей катушки L3 в режиме передачи нужно будет подстроить в окончательном варианте держа радиостанцию в руке.
Приемник тоже нужно будет подстроить после окончательной сборки.
Как видим, настройка подобных вещей самое сложное, хотя многие выбирают схемы не по критерию простоты настройки, а по количеству транзисторов в ней считая, что чем проще схема, тем легче её сделать и при этом крупно ошибаются.

Теперь немного о катушках, которые многие боятся.
В данном случае каркас катушки самодельный выточенный из органического сверла. В нем нарезана резьба М4. Просто у меня такие ферритовые сердечники в наличии. Мотать удобно прямо на метчике даже в том случае, если каркас не самодельный.

Изображение

Начало провода наматываем на метчик снизу, наматываем нужное количество витков и наматываем конец провода на метчик сверху.

Изображение

Смазываем нитку клеем "Момент» и закрепляем выводы катушки.

Изображение

Обрезаем лишнее и получаем готовую, катушку.

Изображение

Катушка с отводом тоже делается просто. Наматываем половину катушки, делаем из провода «петельку» и наматываем вторую половину катушки. На картинке это видно.

Кварц в передатчике должен быть на частоту 27,135 МГц и при этом может быть гармониковый, как в моем случае, а может быть и на основную гармонику 27,135 МГц.
Гармониковый в данном случае даже лучше, т.к. с ним частота установится более точно.
Хотя понятно, что это несерьезно и является просто игрушкой.
Тем более, что дальше 100 метров я её и не проверял.



100 метров это врят ли даст.


Вернуться наверх
 
Показать сообщения за:  Сортировать по:  Вернуться наверх
Начать новую тему Ответить на тему  [ Сообщений: 312 ]    , , 3, , , ...  

Часовой пояс: UTC + 3 часа


Кто сейчас на форуме

Сейчас этот форум просматривают: нет зарегистрированных пользователей и гости: 15


Вы не можете начинать темы
Вы не можете отвечать на сообщения
Вы не можете редактировать свои сообщения
Вы не можете удалять свои сообщения
Вы не можете добавлять вложения

Найти:
Перейти:  


Powered by phpBB © 2000, 2002, 2005, 2007 phpBB Group
Русская поддержка phpBB
Extended by Karma MOD © 2007—2012 m157y
Extended by Topic Tags MOD © 2012 m157y