Например TDA7294

Форум РадиоКот • Просмотр темы - PICkit2 поломался.. почему ?
Форум РадиоКот
Здесь можно немножко помяукать :)

Текущее время: Чт дек 18, 2025 01:41:09

Часовой пояс: UTC + 3 часа


ПРЯМО СЕЙЧАС:



Форум закрыт Эта тема закрыта, Вы не можете редактировать и оставлять сообщения в ней.  [ Сообщений: 38 ]  1,  
Автор Сообщение
Не в сети
 Заголовок сообщения: PICkit2 поломался.. почему ?
СообщениеДобавлено: Вс апр 10, 2011 15:46:06 
Родился
Аватар пользователя

Зарегистрирован: Вс апр 10, 2011 15:09:26
Сообщений: 15
Рейтинг сообщения: 0
Добрый день!
Купил значит я на ebay клон pickit2, был радостный очень ибо все как ни странно работало первые две недели . И вдруг одним вечером балуясь с 16f84a, подключенным к pickit2 в режиме отладчика, я внезапно понижаю питание 16а84а с +5в до +3в, было интересно продолжит ли ПИК работать. Но увы, диодик подключенный к одной из его ног перестал мигать и я понял что нет. При попытке восстановить связь с ПИКом, программатор его отказался распознавать. Ну я отчаиваться не стал, думаю, а ничего страшного, это полетел микроконтроллер. Но увы и ах, на следующий день при попытке подключиться к 18f2550, я понял что полетел на самом деле мой горячо любимый программатор... :shock: Слефтест программатора выдал что напряжение VPP недостаточно (+10в вместо +12в), да и амплитуда сигналов PGD/PGC составляет всего 1в. Кто знает что могло случиться и в чем причина такого безобразия ? Осциллограф показывает что VPP изначально +12в, но потом прогрессивно падает. Скрины прилагаю
Вложение:
Комментарий к файлу: VPP
pk_vpp.png [41.45 KiB]
Скачиваний: 921

Вложение:
Комментарий к файлу: PGD/PGC
pk_pgd_pgc.png [48.26 KiB]
Скачиваний: 602

Вложение:
Комментарий к файлу: примерная схема 1
scheme1.png [76.53 KiB]
Скачиваний: 868

Вложение:
Комментарий к файлу: примерная схема 2
scheme2.png [57.87 KiB]
Скачиваний: 879


Вернуться наверх
 
Не в сети
 Заголовок сообщения: Re: PICkit2 поломался.. почему ?
СообщениеДобавлено: Вс апр 10, 2011 16:05:12 
Встал на лапы

Зарегистрирован: Пн янв 24, 2011 17:20:04
Сообщений: 90
Рейтинг сообщения: 0
kavea писал(а):
Добрый день!
Купил значит я на ebay клон pickit2, был радостный очень ибо все как ни странно работало первые две недели . И вдруг одним вечером балуясь с 16f84a, подключенным к pickit2 в режиме отладчика, я внезапно понижаю питание 16а84а с +5в до +3в, было интересно продолжит ли ПИК работать. Но увы, диодик подключенный к одной из его ног перестал мигать и я понял что нет. При попытке восстановить связь с ПИКом, программатор его отказался распознавать. Ну я отчаиваться не стал, думаю, а ничего страшного, это полетел микроконтроллер. Но увы и ах, на следующий день при попытке подключиться к 18f2550, я понял что полетел на самом деле мой горячо любимый программатор... :shock: Слефтест программатора выдал что напряжение VPP недостаточно (+10в вместо +12в), да и амплитуда сигналов PGD/PGC составляет всего 1в. Кто знает что могло случиться и в чем причина такого безобразия ? Осциллограф показывает что VPP изначально +12в, но потом прогрессивно падает. Скрины прилагаю
Вложение:
pk_vpp.png

Вложение:
pk_pgd_pgc.png


Если не секрет у какого продавца покупал на ebay?
Я тоже купил на ebay, но предпочитаю своими шаловливыми ручками не лазить куда не следует.

Кстати у тебя питания достаточно на usb шине?

Я лично подключил через usb хаб 7 портов с источником на 3 А, который шел в комплекте.


Вернуться наверх
 
Не в сети
 Заголовок сообщения: Re: PICkit2 поломался.. почему ?
СообщениеДобавлено: Вс апр 10, 2011 16:37:44 
Родился
Аватар пользователя

Зарегистрирован: Вс апр 10, 2011 15:09:26
Сообщений: 15
Рейтинг сообщения: 0
Robocop
Производитель SURE, у тебя VPP при тесте стабильно 12в держит ?
С usb все в порядке, пробовал на разных компьютерах, да и раньше ведь работало все


Вернуться наверх
 
Не в сети
 Заголовок сообщения: Re: PICkit2 поломался.. почему ?
СообщениеДобавлено: Вс апр 10, 2011 17:09:08 
Встал на лапы

Зарегистрирован: Пн янв 24, 2011 17:20:04
Сообщений: 90
Рейтинг сообщения: 0
kavea писал(а):
Robocop
Производитель SURE, у тебя VPP при тесте стабильно 12в держит ?
С usb все в порядке, пробовал на разных компьютерах, да и раньше ведь работало все


У меня был интересный казус c usb, например на стационарном компьютере не работал переносной usb hard, а на ноутбуке работал.

У SURE, я взял atmel програматор, и адапер под pickit2 (с ZIF-панелями), пока не прошивал atmel (но проверил в системе atmel програматор, успешно иницилизируется и опознается в системе), надо собрать atmel адаптер.
Програматор pickit2 взял из США.


Я не проверял, надо разбирать програматор, чтоб проверить VPP думаю, да, если бы не держал не програмировались бы pic чипы.

Ты прошивку в PICkit2 пробовал обновлять, обычно прошита старой прошивкой?
Кстати костраты лучше не брать, лучше брать полноценый, иначе проблем не оберешься.

Возможно это твой вариант кострата:

http://electronicsadvices.blogspot.com/ ... clone.html

Мой тебе совет, ничего сам не пояй (иначе гарантия пропадет), а свяжись с продавцом и обменяй на новый или верни деньги.

Воспользуйся стандартной программой защиты покупателя на ebay.

http://www.vxzone.com/purchase-protection.htm


Последний раз редактировалось Robocop Вс апр 10, 2011 17:42:12, всего редактировалось 2 раз(а).

Вернуться наверх
 
Эиком - электронные компоненты и радиодетали
Не в сети
 Заголовок сообщения: Re: PICkit2 поломался.. почему ?
СообщениеДобавлено: Вс апр 10, 2011 17:25:06 
Говорящий с текстолитом
Аватар пользователя

Карма: 1
Рейтинг сообщений: -1
Зарегистрирован: Сб окт 09, 2010 12:33:48
Сообщений: 1573
Откуда: Незалежная
Рейтинг сообщения: 0
Из этого следует только одно-надо всё собирать самому,а не покупать на ебае,там могут и на*бать и продать демо(какраз под 2 недели) по цене полноценного!

_________________
У кошки 4 ноги и хвост-плюс,минус,вход,выход,а хвост-земля.....Надо переходить с китайской бурды на канифоль.......Изображение


Вернуться наверх
 
Не в сети
 Заголовок сообщения: Re: PICkit2 поломался.. почему ?
СообщениеДобавлено: Вс апр 10, 2011 17:52:54 
Родился
Аватар пользователя

Зарегистрирован: Вс апр 10, 2011 15:09:26
Сообщений: 15
Рейтинг сообщения: 0
Robocop
вот он мой программатор
http://cgi.ebay.fr/Clone-Microchip-Development-Programmer-Mini-PICKIT-2-/220767339738?pt=LH_DefaultDomain_0&hash=item3366c244da

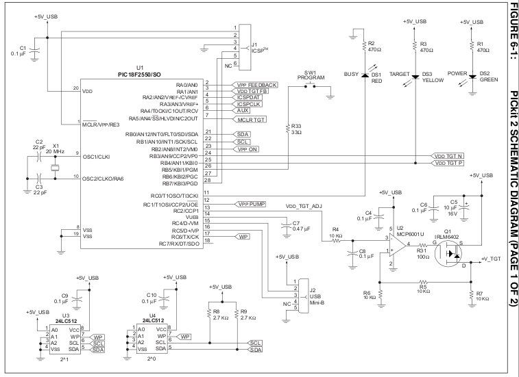
Не знаю кастрат он или нет, все функции микрочиповского пиккита работали. Когда открыл корпус был приятно удивлен качеством пайки и pcb, все на высшем уровне, все компоненты брендовые, хотя конечно схема и разводка отличается от оригинальной, к примеру FDC6420C отсутствует... Меня мучает вопрос, каким образом получается +12в ? Дублеров как на max232 нету, да и тут триплер скорее нужен.. , но ничего подобного не нашел.

С продавцом уже связался, отправил ему скриншоты результатов тестов, буду ждать. Хотя конечно сам бы исправил , знал бы в чем проблема
VPP это первая нога на выходе программатора, та что подключается к /MCLR


К@Т

15 евро с доставкой этот клон стоит, в то время как микрочиповский 40 с доставкой


Вернуться наверх
 
Не в сети
 Заголовок сообщения: Re: PICkit2 поломался.. почему ?
СообщениеДобавлено: Вс апр 10, 2011 18:01:15 
Встал на лапы

Зарегистрирован: Пн янв 24, 2011 17:20:04
Сообщений: 90
Рейтинг сообщения: 0
К@Т писал(а):
Из этого следует только одно-надо всё собирать самому,а не покупать на ебае,там могут и на*бать и продать демо(какраз под 2 недели) по цене полноценного!


Трудозатраты не окупаются самому собирать по цене.

http://www.sureelectronics.net/

Это серьезный продавец и магазин:

http://stores.ebay.com/Sure-Electronics

Когда покупаешь нужно оценивать по двум критериям, изучить историю отзывов (чтоб был высокий процент положительных оных) и второе чтоб это была специлизация продовца по реализуемым товарам (чем больше продано, тем лучше)

Мне кажется у тебя стабилизатор, накрылся медным тазом, возможно или слетела прошивка.


По поводу pickit2 - демо, там не может быть по определению, так как прошивка лежит в свободном доступе при инсталяции в директории оболочки MPLAB IDE, а так же автоматичеки скачивает с сайта microchip, а код самого бутлоадера лежит в папке самого PICKit.

Читай!!!!!


Изменение прошивки программатора PICkit2


http://www.pickit2.ru/doku.php/%D1%81%D ... B0.pickit2


Восстановление прошивки PICkit2.


http://www.pickit2.ru/doku.php/%D1%81%D ... B0.pickit2


Это в россии принцип такой кругом на*бывать


Я покупал свой pickit2 кирпич у double_e_electronics у меня больше вызвало доверия, реализация и элементная база програматора.

http://cgi.ebay.com/ws/eBayISAPI.dll?Vi ... 0122987173

Все шьется и все регулируется, шил пики через MCU Universal ZIF socket use with PICkit 2/PICkit3/ICD

http://cgi.ebay.com/MCU-Universal-ZIF-s ... 0673188157

Только для pic12f675 пришлось, собирать мини адаптер, он на фото, ниже после фото моей муськи.


Последний раз редактировалось Robocop Вс апр 10, 2011 23:11:22, всего редактировалось 4 раз(а).

Вернуться наверх
 
Не в сети
 Заголовок сообщения: Re: PICkit2 поломался.. почему ?
СообщениеДобавлено: Вс апр 10, 2011 18:18:09 
Друг Кота
Аватар пользователя

Карма: 30
Рейтинг сообщений: 156
Зарегистрирован: Пн июл 28, 2008 22:12:01
Сообщений: 3604
Рейтинг сообщения: 0
Robocop писал(а):
К@Т писал(а):
Мне кажется у тебя стабилизатор, накрылся медным тазом,


Интересно , откуда он там взялся ??? 8)


Вернуться наверх
 
Не в сети
 Заголовок сообщения: Re: PICkit2 поломался.. почему ?
СообщениеДобавлено: Вс апр 10, 2011 18:37:48 
Родился
Аватар пользователя

Зарегистрирован: Вс апр 10, 2011 15:09:26
Сообщений: 15
Рейтинг сообщения: 0
Проверил щас на стационарном компе, тоже самое, изначально vpp = 12в , но потом резко падает до 10в, на скрине осциллографа виден этот пик.
программатор перепрошивал, не помогло
Вот интересно а мог ли микроконтроллер приграмматора (18f2550) повредиться частично, странно то что он определяется компом, но напряжение на PGC/PGD всего 1в, хотя должно быть = vdd = 5в.
18f2550 не греется


Последний раз редактировалось kavea Вс апр 10, 2011 18:39:43, всего редактировалось 1 раз.

Вернуться наверх
 
Не в сети
 Заголовок сообщения: Re: PICkit2 поломался.. почему ?
СообщениеДобавлено: Вс апр 10, 2011 18:38:56 
Родился

Зарегистрирован: Вс апр 10, 2011 17:58:26
Сообщений: 14
Рейтинг сообщения: 0
Стабилизатор Vpp не формирует.для этого шим с дроселеми обратной связью наPIC18.
Схема отличается от оригинальной--что то похожее на правду см в аттаче.А теперь и мой вопрос-на селфчеке у меня на таком прогрмматоре в первом тесе вылязит ошибка
slow rise-маленькая скорость нарастания Vdd,я с этим связывал и 2 ошибку по Vpp.
Vpp со временем тоже падает как и у вас .Также замеил ВЧ возбуд на затворе Q9 по сх внизу.Основное отличие в сх-LM358 заместо ОУ R-R но на просторх интернета пишут должно работать


Вернуться наверх
 
Не в сети
 Заголовок сообщения: Re: PICkit2 поломался.. почему ?
СообщениеДобавлено: Вс апр 10, 2011 18:40:28 
Родился

Зарегистрирован: Вс апр 10, 2011 17:58:26
Сообщений: 14
Рейтинг сообщения: 0
СОРи


Вложения:
Sure-kit2.pdf [27.66 KiB]
Скачиваний: 616
Вернуться наверх
 
Не в сети
 Заголовок сообщения: Re: PICkit2 поломался.. почему ?
СообщениеДобавлено: Вс апр 10, 2011 18:43:06 
Родился
Аватар пользователя

Зарегистрирован: Вс апр 10, 2011 15:09:26
Сообщений: 15
Рейтинг сообщения: 0
alred
Интересно, если vpp тоже падает, то значит проблема в амплитуде pgc/pgd ? какая у вас амплитуда в селфчеке ?
Класс! спасибо за схему! никак не мог найти ее


Вернуться наверх
 
Не в сети
 Заголовок сообщения: Re: PICkit2 поломался.. почему ?
СообщениеДобавлено: Вс апр 10, 2011 19:03:41 
Родился

Зарегистрирован: Вс апр 10, 2011 17:58:26
Сообщений: 14
Рейтинг сообщения: 0
Vpp=12v,первый раз успеваю пройти тест потом падает до 10.4--10,2 дальше не падает

Проверил имп на 4 и5 выв у меня ои пропали остались LOW High -буду копать.

Я поменял дросель на больший по раэмеру 330--1000 мкГн пробовал каж стало лучше

в начале он не проходил теста по Vpp. Сопротивление родного дроселля было 26 ом


Вернуться наверх
 
Не в сети
 Заголовок сообщения: Re: PICkit2 поломался.. почему ?
СообщениеДобавлено: Вс апр 10, 2011 19:09:55 
Родился

Зарегистрирован: Вс апр 10, 2011 17:58:26
Сообщений: 14
Рейтинг сообщения: 0
Импульсы нашел они у менч 5 вольт.Посмотри Vdd у себя на выходе там сх ограничения


Вернуться наверх
 
Не в сети
 Заголовок сообщения: Re: PICkit2 поломался.. почему ?
СообщениеДобавлено: Вс апр 10, 2011 19:29:35 
Встал на лапы

Зарегистрирован: Пн янв 24, 2011 17:20:04
Сообщений: 90
Рейтинг сообщения: 0
alred писал(а):
СОРи


Вот главный программист:

Изображение

Изображение

Изображение

Это с чем работает программист:

Изображение


Вернуться наверх
 
Не в сети
 Заголовок сообщения: Re: PICkit2 поломался.. почему ?
СообщениеДобавлено: Вс апр 10, 2011 19:34:33 
Родился
Аватар пользователя

Зарегистрирован: Вс апр 10, 2011 15:09:26
Сообщений: 15
Рейтинг сообщения: 0
Robocop
У тебя тоже VPP падает ? Замерь мультиметром напряжения vpp, pgc и pgd пжлста при селфчеке


Вернуться наверх
 
Не в сети
 Заголовок сообщения: Re: PICkit2 поломался.. почему ?
СообщениеДобавлено: Вс апр 10, 2011 19:35:44 
Родился
Аватар пользователя

Зарегистрирован: Вс апр 10, 2011 15:09:26
Сообщений: 15
Рейтинг сообщения: 0
alred писал(а):
Импульсы нашел они у менч 5 вольт.Посмотри Vdd у себя на выходе там сх ограничения


значит у меня проблема с амплитудой pgd/pgc, она у меня лишь 1в.. По спецификации TTL, необходимый уровень напряжения воспринимаемый как единица это 2 вольта...
странно то что это напряжение у меня прям на ноге 18f2550 (VDD_TGT_N и VDD_TGT_P)



VDD_TGT стабильное, варьируется до 4,75в без проблем


Вернуться наверх
 
Не в сети
 Заголовок сообщения: Re: PICkit2 поломался.. почему ?
СообщениеДобавлено: Вс апр 10, 2011 19:48:01 
Родился

Зарегистрирован: Вс апр 10, 2011 17:58:26
Сообщений: 14
Рейтинг сообщения: 0
pgc и pgd по 4,5 вольта. На Vpp ругается -Shorf....Если ставлю ЕЕПРОМ то не ругается ПИК 32-24 тоже не руается-там Vpp-9 V . Тоесть 9 вольт он нормально делает .а 12 не хочет.


Вернуться наверх
 
Не в сети
 Заголовок сообщения: Re: PICkit2 поломался.. почему ?
СообщениеДобавлено: Вс апр 10, 2011 19:51:39 
Родился

Зарегистрирован: Вс апр 10, 2011 17:58:26
Сообщений: 14
Рейтинг сообщения: 0
УПС видел фото такого Sure с двумя дроселями по 680 паралельно-вот я и стал с ними играть.


Вернуться наверх
 
Не в сети
 Заголовок сообщения: Re: PICkit2 поломался.. почему ?
СообщениеДобавлено: Вс апр 10, 2011 20:02:29 
Друг Кота
Аватар пользователя

Карма: 30
Рейтинг сообщений: 156
Зарегистрирован: Пн июл 28, 2008 22:12:01
Сообщений: 3604
Рейтинг сообщения: 0
alred Там нормально дышит индуктивность 68 мкГн .
Чип&Дип прислали , а я и не проверил . зато уже 3й год работает. :)))


Вернуться наверх
 
Показать сообщения за:  Сортировать по:  Вернуться наверх
Форум закрыт Эта тема закрыта, Вы не можете редактировать и оставлять сообщения в ней.  [ Сообщений: 38 ]  1,  

Часовой пояс: UTC + 3 часа


Кто сейчас на форуме

Сейчас этот форум просматривают: нет зарегистрированных пользователей и гости: 10


Вы не можете начинать темы
Вы не можете отвечать на сообщения
Вы не можете редактировать свои сообщения
Вы не можете удалять свои сообщения
Вы не можете добавлять вложения

Найти:
Перейти:  


Powered by phpBB © 2000, 2002, 2005, 2007 phpBB Group
Русская поддержка phpBB
Extended by Karma MOD © 2007—2012 m157y
Extended by Topic Tags MOD © 2012 m157y