Например TDA7294

Форум РадиоКот • Просмотр темы - Часы на газоразрядных индикаторах
Форум РадиоКот
Здесь можно немножко помяукать :)

Текущее время: Вс ноя 23, 2025 22:20:07

Часовой пояс: UTC + 3 часа


ПРЯМО СЕЙЧАС:



Начать новую тему Ответить на тему  [ Сообщений: 48923 ]     ... , , , 439, , , ...  
Автор Сообщение
Не в сети
 Заголовок сообщения: Re: Часы на газоразрядных индикаторах
СообщениеДобавлено: Вс апр 03, 2011 18:53:15 
Вымогатель припоя

Зарегистрирован: Пт май 15, 2009 14:32:29
Сообщений: 552
Откуда: Москва
Рейтинг сообщения: 0
Я же говорил, что она была в одном из справочников. Только искать было лень. Вот, я был прав! :P


Вернуться наверх
 
Не в сети
 Заголовок сообщения: Re: Часы на газоразрядных индикаторах
СообщениеДобавлено: Вс апр 03, 2011 18:54:08 
Встал на лапы
Аватар пользователя

Зарегистрирован: Вт фев 10, 2009 15:32:34
Сообщений: 108
Рейтинг сообщения: 0
Привет всем. У моих часов (схема Rokl) один неприятный момент - при первом включении питания лампы отображают цифры в произвольном порядке, даже две (!!) цифры в одной лампе (при этом одна лампа не горит). В общем, вроде как срыв синхронизации, восстанавливается многократным сбросом питания или многократным кликом кнопки "сброс минут", далее часы работают без проблем. Интересно, что по этой схеме собирал уже 3 часов - одни по оригинальной, двое - с добавлением секунд (схему выкладывал выше), и все глючат одинаково. Сталкивался кто-нибудь с этим, и что посоветуете?


Вернуться наверх
 
Не в сети
 Заголовок сообщения: Re: Часы на газоразрядных индикаторах
СообщениеДобавлено: Вс апр 03, 2011 19:05:56 
Друг Кота
Аватар пользователя

Карма: 27
Рейтинг сообщений: 33
Зарегистрирован: Пн ноя 22, 2010 00:57:15
Сообщений: 6296
Откуда: Ukraine
Рейтинг сообщения: 0
огромная просьба....., может кто-то из многоуважаемых котов делая часики на ИН-18 и у него имеется печатка гнезда под данную лампу сделанная в Sprint-Layout...., помогите плиз..... :))

_________________
Tell Me The Truth


Вернуться наверх
 
Не в сети
 Заголовок сообщения: Re: Часы на газоразрядных индикаторах
СообщениеДобавлено: Вс апр 03, 2011 19:10:47 
Встал на лапы
Аватар пользователя

Зарегистрирован: Вт фев 10, 2009 15:32:34
Сообщений: 108
Рейтинг сообщения: 0
Прилагаю схему доработки.


Вложения:
41.jpg [69.39 KiB]
Скачиваний: 668
Вернуться наверх
 
Эиком - электронные компоненты и радиодетали
Не в сети
 Заголовок сообщения: Re: Часы на газоразрядных индикаторах
СообщениеДобавлено: Вс апр 03, 2011 19:18:39 
Друг Кота
Аватар пользователя

Карма: 27
Рейтинг сообщений: 33
Зарегистрирован: Пн ноя 22, 2010 00:57:15
Сообщений: 6296
Откуда: Ukraine
Рейтинг сообщения: 0
В смысле.....??? :o

_________________
Tell Me The Truth


Вернуться наверх
 
Не в сети
 Заголовок сообщения: Re: Часы на газоразрядных индикаторах
СообщениеДобавлено: Вс апр 03, 2011 19:26:13 
Друг Кота
Аватар пользователя

Карма: 50
Рейтинг сообщений: 1398
Зарегистрирован: Пт авг 28, 2009 21:34:30
Сообщений: 7316
Откуда: 845-й км.
Рейтинг сообщения: 0
Медали: 1
Получил миской по аватаре (1)
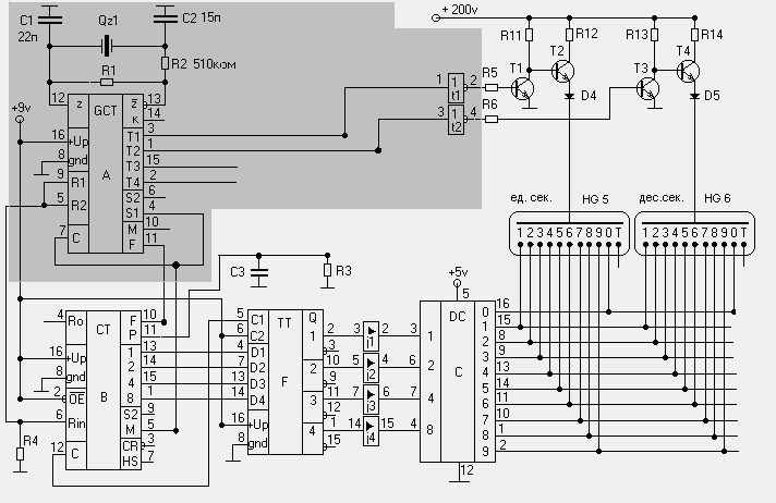
А сброс ИЕ12 делать не пробовали? потому как непонятно, как у вас "нет синхронизации" - разом активируются несколько анодов или ИД1 - активизирует несколько катодов разом? Кстати, на схеме ROKL'а эти входы висят в воздухе.

_________________
А люди посмотрят и скажут: "Собаки летят. Вот и осень."


Вернуться наверх
 
Не в сети
 Заголовок сообщения: Re: Часы на газоразрядных индикаторах
СообщениеДобавлено: Вс апр 03, 2011 19:33:50 
Встал на лапы
Аватар пользователя

Зарегистрирован: Вт фев 10, 2009 15:32:34
Сообщений: 108
Рейтинг сообщения: 0
uldemir писал(а):
А сброс ИЕ12 делать не пробовали? потому как непонятно, как у вас "нет синхронизации" - разом активируются несколько анодов или ИД1 - активизирует несколько катодов разом? Кстати, на схеме ROKL'а эти входы висят в воздухе.

Да, впечатление, что два анодных транзистора работают синфазно.
Это мое добавление к исходной схеме, а вот схема Rokl.


Вложения:
3.jpg [184.01 KiB]
Скачиваний: 599
Вернуться наверх
 
Не в сети
 Заголовок сообщения: Re: Часы на газоразрядных индикаторах
СообщениеДобавлено: Вс апр 03, 2011 19:51:52 
Открыл глаза
Аватар пользователя

Зарегистрирован: Вс мар 20, 2011 23:57:20
Сообщений: 53
Рейтинг сообщения: 0
Да, действительно, было проще подключить лампочку и проверить...красиво светит...
----
Кто подскажет, в качестве разделителя между минутами и часами, что можно задействовать????


Вернуться наверх
 
Не в сети
 Заголовок сообщения: Re: Часы на газоразрядных индикаторах
СообщениеДобавлено: Вс апр 03, 2011 19:59:25 
Встал на лапы
Аватар пользователя

Зарегистрирован: Вт фев 10, 2009 15:32:34
Сообщений: 108
Рейтинг сообщения: 0
Tza писал(а):
Кто подскажет, в качестве разделителя между минутами и часами, что можно задействовать????

ИН-19, например. Символ подобрать по вкусу. Маленький декатрон А107 (если на ИН4 или ИН12).


Вернуться наверх
 
Не в сети
 Заголовок сообщения: Re: Часы на газоразрядных индикаторах
СообщениеДобавлено: Вс апр 03, 2011 20:23:36 
Открыл глаза

Зарегистрирован: Чт мар 03, 2011 21:15:00
Сообщений: 55
Рейтинг сообщения: 0
suslogon писал(а):
Spring, подскажите,где вы взяли данную схему подключения полиатрона? я много искал (и не только я) и ничего не находил :cry:



http://www.istok2.com/data/4146/

Спасибо.
Я кстати там их и брал по 250р в том году.
Сейчас по напругам догадаюсь как что и куда.
Я не догадался на Истоке посмотреть, думал там нету.
:)


Вернуться наверх
 
Не в сети
 Заголовок сообщения: Re: Часы на газоразрядных индикаторах
СообщениеДобавлено: Вс апр 03, 2011 22:24:13 
Открыл глаза
Аватар пользователя

Зарегистрирован: Вс мар 20, 2011 23:57:20
Сообщений: 53
Рейтинг сообщения: 0
Sergey-T, к сожалению ин-19 нет у нас. А лампы я использую ин-14...
Вот нашёл пару вариантов тиратронов:
ТХ4Б или мтх-90
Я вот боюсь, что у них время наработки малое...будут ли они выгорать????


Вернуться наверх
 
Не в сети
 Заголовок сообщения: Re: Часы на газоразрядных индикаторах
СообщениеДобавлено: Вс апр 03, 2011 22:37:20 
Друг Кота
Аватар пользователя

Карма: 50
Рейтинг сообщений: 1398
Зарегистрирован: Пт авг 28, 2009 21:34:30
Сообщений: 7316
Откуда: 845-й км.
Рейтинг сообщения: 0
Медали: 1
Получил миской по аватаре (1)
А что именно в ИН-19 можно использовать как разделитель? знак минуса в ИН-19В? У меня больше идей нет.

_________________
А люди посмотрят и скажут: "Собаки летят. Вот и осень."


Вернуться наверх
 
Не в сети
 Заголовок сообщения: Re: Часы на газоразрядных индикаторах
СообщениеДобавлено: Вс апр 03, 2011 22:58:48 
Поставщик валерьянки для Кота
Аватар пользователя

Карма: 11
Рейтинг сообщений: 88
Зарегистрирован: Вт фев 09, 2010 02:04:53
Сообщений: 2018
Откуда: Санкт-Петербург
Рейтинг сообщения: 0
suslogon писал(а):
Spring, подскажите,где вы взяли данную схему подключения полиатрона? я много искал (и не только я) и ничего не находил :cry:
Я хоть и не Spring, но могу ответить, что нашёл эту схему в какой-то теме на форуме "Отечественная радиотехника 20 века" :)

uldemir писал(а):
А что именно в ИН-19 можно использовать как разделитель? знак минуса в ИН-19В? У меня больше идей нет.
Ну это дело вкуса. Можно, например, поочерёдно зажигать знаки < и >

Tza писал(а):
Sergey-T, к сожалению ин-19 нет у нас. А лампы я использую ин-14...
Вот нашёл пару вариантов тиратронов:
ТХ4Б или мтх-90
Я вот боюсь, что у них время наработки малое...будут ли они выгорать????
Можно использовать любую мелкую неонку с боковым свечением (например, ИН-3) или тиратрон. МТХ-90 светит преимущественно через торец, а вот ТХ4Б вроде как раз светит в стороны, так что он подойдёт. Что касается времени наработки- чему там выгорать? Люминофора нет, только неон. Через какое-то время возникнет потемнение баллона из-за распыления электродов, но думаю, что это произойдёт нескоро. Наработка для тиратронов указана для использования их по назначению, а если они используются просто как неонки, то срок службы гораздо больше.

_________________
Фак, кот грызёт провод! Сейчас его ударит либо током, либо тапком! ))


Вернуться наверх
 
Не в сети
 Заголовок сообщения: Re: Часы на газоразрядных индикаторах
СообщениеДобавлено: Вс апр 03, 2011 23:08:32 
Открыл глаза
Аватар пользователя

Зарегистрирован: Вс мар 20, 2011 23:57:20
Сообщений: 53
Рейтинг сообщения: 0
Ребята, у вас опыта больше в изобретении часов, чем у меня...
Если я тиратрон воткну, то он, как я понимаю будет моргать???
Я хочу развести плату, так называемо "всё на борту", чтобы было всё по фэн-шую было. :)))
Поэтому хочу узнать мнения гуру...
----
Не оставте без внимания, те кто делал разделитель...
Очень буду признателен...


Вернуться наверх
 
Не в сети
 Заголовок сообщения: Re: Часы на газоразрядных индикаторах
СообщениеДобавлено: Пн апр 04, 2011 00:05:09 
Поставщик валерьянки для Кота
Аватар пользователя

Карма: 11
Рейтинг сообщений: 88
Зарегистрирован: Вт фев 09, 2010 02:04:53
Сообщений: 2018
Откуда: Санкт-Петербург
Рейтинг сообщения: 0
С какой стати он будет моргать? Подключаете его как неонку и всё. Только я не помню, сетку надо на катод или на анод замкнуть. Вроде на анод. Если сеток две (у ТХ4Б), то их вместе.

_________________
Фак, кот грызёт провод! Сейчас его ударит либо током, либо тапком! ))


Вернуться наверх
 
Не в сети
 Заголовок сообщения: Re: Часы на газоразрядных индикаторах
СообщениеДобавлено: Пн апр 04, 2011 01:07:46 
Открыл глаза
Аватар пользователя

Зарегистрирован: Вс мар 20, 2011 23:57:20
Сообщений: 53
Рейтинг сообщения: 0
Гефестион, ноги 4 и 7 микры к176ие12 образуют счётчик секундных импульсов, правильно?
Должна же мигать по идее?
Или я не прав?
Сетки надо замыкать на катод, видел некоторую реализацию различных схем на мтх-90.


Вернуться наверх
 
Не в сети
 Заголовок сообщения: Re: Часы на газоразрядных индикаторах
СообщениеДобавлено: Пн апр 04, 2011 01:16:20 
Поставщик валерьянки для Кота
Аватар пользователя

Карма: 11
Рейтинг сообщений: 88
Зарегистрирован: Вт фев 09, 2010 02:04:53
Сообщений: 2018
Откуда: Санкт-Петербург
Рейтинг сообщения: 0
А, вы в этом смысле? Я-то думал, вы имеете ввиду, что тиратрон сам по себе будет мигать (как если бы на нём был собран релаксатор). Тогда да, будет мигать.

_________________
Фак, кот грызёт провод! Сейчас его ударит либо током, либо тапком! ))


Вернуться наверх
 
Не в сети
 Заголовок сообщения: Re: Часы на газоразрядных индикаторах
СообщениеДобавлено: Пн апр 04, 2011 07:22:15 
Друг Кота
Аватар пользователя

Карма: 38
Рейтинг сообщений: 549
Зарегистрирован: Пн июл 14, 2008 21:28:00
Сообщений: 10688
Откуда: Москва
Рейтинг сообщения: 0
Spring, удачи с запуском! ждем фоты и схемы)))

кстати интересно, зачем наши создали полиатрон? :)

_________________
Ищу тиратрон ТХИ1-2000/4, ГРИ ИН-23, ФЭУ-103; 134; 135, 138, 155, 157, лампу ИСШ-7.
Любые ГИС серий 203, 225, 233, 244, 250, 296, 801, 838 в любом состоянии. Компоненты и детали от миниатюрных твердотельных лазеров.


Вернуться наверх
 
Не в сети
 Заголовок сообщения: Re: Часы на газоразрядных индикаторах
СообщениеДобавлено: Пн апр 04, 2011 09:27:51 
Мучитель микросхем
Аватар пользователя

Карма: 3
Рейтинг сообщений: 12
Зарегистрирован: Вс мар 20, 2011 17:10:34
Сообщений: 457
Откуда: Эстония
Рейтинг сообщения: 0
MyxoMop писал(а):
Gur_man писал(а):
Я собираюсь адаптер использовать на 24В, 12В нужны что бы питать инвертор и светодиодные модули (будут как ночник иногда включаться) 5В на все остальное...


Ты собираешся 24 вольта чтобы питать инвертор и светодиодные модули уменьшать до 12вольт 7812-ой? У тебя же просто печка получица. Радиатор очень большой нужен будет. При таких параметрах только импульсный DC-DC.

Ок, так и сделаю. :beer: (точнее уже сделал)

Теперь другая проблема, спаял инвертор на МС34063 (Часы Sunny_Clock.)
Изображение

Море положительных эмоций, но длилось это не долго...
Подключил, замерил, на холостом ходу напряжение равномерно скачет, к примеру; с 140В до 155 и обратно, и так постоянно (один скачек в 2 секунды и по новой), кручу подстроечник, нет разницы, только напряжение чуть-чуть меняется и все, выкручиваю на максимум, напряжение становится стабильным 255В.
Решил проверить на "лампочке" (никси естественно))
Напряжение падает до 130В - 150В (150 на максимуме), но уже начинает пульсировать ИНка (примерно два раза в секунду) Резистор выбрал 47кОм.
Замерил напругу с током, напряжение почти не меняется (в пределах 1-2вольта), но уже скачет ток, разница в 2-3мА, к примеру, ставлю на минимум, стрелка прыгает 1-2.5мА, на середину 1.5-3мА, ставлю на максимум, становится на 150В 4мА и перестает пульсировать.
При этом транзистор сильно греется (обжечься можно) а дроссель холодный.
Что это может быть?

На всякий случай выкладываю печатку. (И если надо могу фото платы выложить)


Вложения:
Комментарий к файлу: Инвертор и стабилизатор.
12-170.rar [22.96 KiB]
Скачиваний: 247
Вернуться наверх
 
Не в сети
 Заголовок сообщения: Re: Часы на газоразрядных индикаторах
СообщениеДобавлено: Пн апр 04, 2011 09:31:22 
Открыл глаза

Зарегистрирован: Чт мар 03, 2011 21:15:00
Сообщений: 55
Рейтинг сообщения: 0
suslogon писал(а):
Spring, удачи с запуском! ждем фоты и схемы)))

Не уверен что получится, но постараюсь.
:)


Вернуться наверх
 
Показать сообщения за:  Сортировать по:  Вернуться наверх
Начать новую тему Ответить на тему  [ Сообщений: 48923 ]     ... , , , 439, , , ...  

Часовой пояс: UTC + 3 часа


Кто сейчас на форуме

Сейчас этот форум просматривают: нет зарегистрированных пользователей и гости: 56


Вы не можете начинать темы
Вы не можете отвечать на сообщения
Вы не можете редактировать свои сообщения
Вы не можете удалять свои сообщения
Вы не можете добавлять вложения

Найти:
Перейти:  


Powered by phpBB © 2000, 2002, 2005, 2007 phpBB Group
Русская поддержка phpBB
Extended by Karma MOD © 2007—2012 m157y
Extended by Topic Tags MOD © 2012 m157y