Например TDA7294

Форум РадиоКот • Просмотр темы - Дневные ходовые огни
Форум РадиоКот
Здесь можно немножко помяукать :)

Текущее время: Пт дек 19, 2025 04:58:15

Часовой пояс: UTC + 3 часа


ПРЯМО СЕЙЧАС:



Начать новую тему Ответить на тему  [ Сообщений: 356 ]    , , , , 5, , , ...  
Автор Сообщение
Не в сети
 Заголовок сообщения: Re: Дневные ходовые огни
СообщениеДобавлено: Пн дек 20, 2010 15:09:50 
Первый раз сказал Мяу!
Аватар пользователя

Зарегистрирован: Вс ноя 27, 2005 22:31:11
Сообщений: 38
Откуда: Воронежская область
Рейтинг сообщения: 0
Да, предложеная и муссируемая тема о "BM4511 - Регулятор яркости ламп накаливания 12 В/50 A." так же малопригодна. Оригинал управляет "минусом", а при тупой замене на Р-переходной, наступаем на те же грабли, так как на затворе НЕ БУДЕТ НИКОГДА ПРИ ТАКОМ ВКЛЮЧЕНИИ ПОЛНОГО ПЛЮСА (при отключении и работе) А остаточный заряд на затворе неминуемо приведет в уничтожению дорогого транзистора. Надо добавить что-то типа этого, в приложении.
С уважением, Бегемот


Вложения:
1.gif [7.58 KiB]
Скачиваний: 1761

_________________
...Какой-такой Nord-Ost?.. Хватит прикалываться, ты рукой покажи!...
Вернуться наверх
 
Не в сети
 Заголовок сообщения: Re: Дневные ходовые огни
СообщениеДобавлено: Пн дек 20, 2010 21:02:28 
Открыл глаза
Аватар пользователя

Зарегистрирован: Чт ноя 22, 2007 10:28:34
Сообщений: 66
Откуда: Гондурас
Рейтинг сообщения: 0
БЕГЕМОТ писал(а):
... Схема предложенная "управдомом", работать не будет (гореть будут полевики)

Не поверишь, работает и не первый день, испытания для наглядности на моей страничке в подписи.
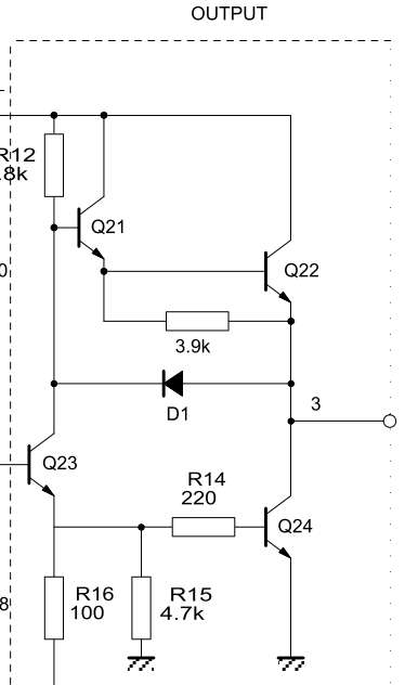
рекомендую посмотреть в даташите как устроен выходной каскад в 555-й:
Изображение
гореть полевики могут по 3-м причинам:
1. недооткрытие.
2. слишком большой ток и как следствие перегрев.
3. слишком "пологие" фронты.

По пунктам:
1. напряжение на затворе для полного открытия ключа -10В. размах 555-й при питании 12,6 в -> 11В
2. ток через открытый переход IRF4905 ~10А, выделяемая мощность ~2W, что легко снимается небольшим радиатором.
3. фронты на выходе "моей схемы"
Изображение
порядка 100нс, так чего гореть мосфету?

К слову, я пошёл дальше и применил вместо 4905 - BTS555 вместо реле дальнего света
Изображение
оставив исходную схему без изменений, кроме ключа, вместо 4905 -> IRFR5305.


БЕГЕМОТ писал(а):
Для Р-перехода, как на схеме, надо ваять дополнительно инвертор (на NPN) и с его коллектора снять сигнал в базу драйвера на NPN и PNP, соединенных эмиттерами.

Ой, зачем так сложно? Мощный выход таймера 555 ещё навешать транзисторами чтобы усложнить схему? А зачем?


БЕГЕМОТ писал(а):
Главное- ОБЕСПЕЧИТЬ ПРИ ЛЮБОМ РАСКЛАДЕ, НА ЗАТВОРЕ ТАКОГО ТРАНЗИСТОРА, КАК НА СХЕМЕ УПРАВДОМА, ПЛЮС!

А это зачем?
Изображение
плюс на затворе тут будет и так, даже если "вытащить" таймер за счёт резистора R6.

БЕГЕМОТ писал(а):
Да, предложеная и муссируемая тема о "BM4511 - Регулятор яркости ламп накаливания 12 В/50 A." так же малопригодна. Оригинал управляет "минусом"

И это замечательно! очень даже пригодна.
На Акцентах, Хондах и я так подозреваю на большинстве азиатских иномарок - фары управляются минусом.
Изображение - это акцент.

БЕГЕМОТ писал(а):
на затворе НЕ БУДЕТ НИКОГДА ПРИ ТАКОМ ВКЛЮЧЕНИИ ПОЛНОГО ПЛЮСА (при отключении и работе) А остаточный заряд на затворе неминуемо приведет в уничтожению дорогого транзистора.

А полного плюса или минуса и не надо, достаточно обеспечить 10 В. А это и на 4905 и на 1405 по "моей" схеме обеспечивается.
остаточный заряд замечательно убирается вторым ключом в NE555-й (в зависимости от того, какой ключ (верхний или нижний мы применяем) ну и "подтягивающим резистором".

А вот этого:
БЕГЕМОТ писал(а):
Надо добавить что-то типа этого, в приложении.
не надо - лишнее.

P.P.S. Сегодня снял осциллограммы в разных "ракурсах"
Изображение


Вложения:
all.jpg [34.44 KiB]
Скачиваний: 14558
Комментарий к файлу: Осциллограмма на выходе DRL
15%.jpg [24.86 KiB]
Скачиваний: 14736
Комментарий к файлу: Выходной каскад в NE555
out555.jpg [16.7 KiB]
Скачиваний: 22233


Последний раз редактировалось Управдом Ср дек 22, 2010 19:29:10, всего редактировалось 1 раз.
Вернуться наверх
 
Не в сети
 Заголовок сообщения: Re: Дневные ходовые огни
СообщениеДобавлено: Вт дек 21, 2010 22:56:00 
Друг Кота
Аватар пользователя

Карма: 17
Рейтинг сообщений: 467
Зарегистрирован: Ср ноя 11, 2009 17:19:30
Сообщений: 5562
Откуда: Воронеж
Рейтинг сообщения: 0
Поставил сегодня всё. Бахнул вместо габаритов, всего по 200 ма на диод. Штатная проводка полностью осталась, лампочка прямо в патроне лежит внутри фары и собой удерживает плюсовой провод питания. Немного колхозности и всё установлено, чуть упорства и всё может быть демонтировано. Питальник лежит там же, за отражателем. Фара закрывается и снаружи ничем не отличается от стандартной. Субьективно моё мнение: то, что надо! Сбоку заметно целое пятно, а если смотреть "в лоб", то видно суперяркий блик - прямое отражение диода. Но это в темноте, завтра постараюсь глянуть днём (учуть в среду до поздна, поэтому обещать ничего не могу).
лампа1
лампа2
лампа3
питальник
система в сборе
по сравнению с обычным
сбоку
прямо перед собой

_________________
"Привет!" - соврал он.


Вернуться наверх
 
Не в сети
 Заголовок сообщения: Re: Дневные ходовые огни
СообщениеДобавлено: Ср дек 22, 2010 06:54:26 
Открыл глаза
Аватар пользователя

Зарегистрирован: Чт ноя 22, 2007 10:28:34
Сообщений: 66
Откуда: Гондурас
Рейтинг сообщения: 0
>TEHb< Это ДХО? А зачем тогда фотографии делать ночью вплотную к машине? ДХО должен быть заметен с 50 и более метров днём и при ярком солнце.
И второе: при работе галогенных ламп - светодиод будет перегреваться и деградировать, через месяц яркость упадёт.


Вернуться наверх
 
Эиком - электронные компоненты и радиодетали
Не в сети
 Заголовок сообщения: Re: Дневные ходовые огни
СообщениеДобавлено: Ср дек 22, 2010 20:22:22 
Друг Кота
Аватар пользователя

Карма: 17
Рейтинг сообщений: 467
Зарегистрирован: Ср ноя 11, 2009 17:19:30
Сообщений: 5562
Откуда: Воронеж
Рейтинг сообщения: 0
Управдом писал(а):
>TEHb< Это ДХО?

Не совсем, но призвано выполнять их функцию. Сделал их только вчера вечером, а сегодня пришёл вот только что, потому днём и сам не видел. С температурным режимом всё предусмотрено: они отключаются при ближнем или дальнем. Фотографировал метров с 7-10, потом обрезал и ужал картинку. Возможно завтра доберусь до машины по светлоте.

_________________
"Привет!" - соврал он.


Вернуться наверх
 
Не в сети
 Заголовок сообщения: Re: Дневные ходовые огни
СообщениеДобавлено: Пт дек 24, 2010 18:50:06 
Первый раз сказал Мяу!
Аватар пользователя

Зарегистрирован: Вс ноя 27, 2005 22:31:11
Сообщений: 38
Откуда: Воронежская область
Рейтинг сообщения: 0
Уважаемый Управдом. Спасибо за ликбез... Весьма поучительно... У меня не иномарка, а ваз 2109.
Однако, прошу обратить внимание на следующую характеристику 555, повествующую о том, что ... Выходное напряжение меняется вместе с напряжением питания и равно Vпит-1,7В. То есть, согласитесь, что на выходе БУДЕТ присутствовать потенциал в 1,7 и выше относительно плюса В ЛЮБОМ случае.
Я знаю, что в 555 есть выходные транзисторы, правда, не комплиментарная пара, но есть, читать учили. И кажется,что этот потенциал (выходной каскад 555) гасить резистором на плюс не совсем гут, т. как мы сажаем и полезный сигнал, разрешающий открытие и вводим дополнительные резисторы в затвор, что препятствует скорости насыщения-рассасывания потенциалов на затворе. (кстати, в причинах вызывающих перегорание полевика вы недоупомянули наряду с "недооткрытием" и такой термин, как "недозакрытие", маскируя его "пологим фронтом". Вот с него Mosfetу и гореть.
Уже опробовано двумя незадачливыми знакомыми. У одного с радиатором (БОЛЬШИМ), а у другого- сразу 2шт 4905 вывалилось. Начитались фигни всякой и решили, что все очень просто, как всегда. Работала система 2 дня у одного и неделю о другого. Потом эффект один- постоянный дальний свет.
Далее, BTS555 мы как-то не обсуждали, т. как этот ключ действительно, управляет плюсом, и вы справедливо ввели в свою схему электронного реле инвертор на КТ3102. Так чем Вам инвертор в предложенном к 555 решении не понравился??? Я всего лишь, не умаляя ваши научные изыскания, указал на то, как правильно делать.
И если говорить о "лишнем", то в предложенной схеме (вместо реле) лишней является диодная сборка SBL2040, так как у нас в цепи значительной индуктивной нагрузки (у ламп фар) не наблюдается...
Я так же, как и вы изучал с осциллографом "прекрасно работающую схему" набора BM4511. Речь идет не о прямом использовании данной схемы, а о рекомендуемой некоторыми тупой замене его N-перходного выходного транзистора, Р-переходным транзистором с дополнительно навешенными резисторами в затвор...
Так вот, примерно до 11 вольт схема работает идеально (с резистором на плюс в базе, как у вас). Затем при повышении напряжения от 12 до 15 вольт наш меандр, оставаясь ровным и красивым, неуклонно сползает в сторону минуса, оставляя на затворе порядка 2...4 вольта, что , увы, уже не есть гут.
Я поэтому обратил внимание, что в предложенных осцилограммах не видно точки отсчета - нуля (или плюса- в данном случае), на каком расстоянии и от какого именно потенциала именно идет такой красивый меандр?
И последнее замечание BTS555 стоит примерно 600 тугриков...
ИМХО, если денег много, то драйвер с инвертором на BM4511 можно и не ставить... Лишнее.
Мое мнение. ДХО надо ставить потому, что габариты с ближним много жрут, изнашивая и генератор и аккумулятор. Забываешь часто так же то включить, то выключить. Это морозов больших не было еще... Изменять конструкцию автомобиля нельзя...А дальний свет- самое то. Но, хотелось бы схемку и попроще и подешевле... Так ведь? Не каждый не моргнув глазом выбросит на эксперементы пару штук рублей. Вот и заинтересовался. Ну, ладно, бывайте, ученые коты! Успехов в укрощении дорог и гаишников.
С уважением, БЕГЕМОТ.

_________________
...Какой-такой Nord-Ost?.. Хватит прикалываться, ты рукой покажи!...


Вернуться наверх
 
Не в сети
 Заголовок сообщения: Re: Дневные ходовые огни
СообщениеДобавлено: Пт дек 24, 2010 21:02:39 
Открыл глаза
Аватар пользователя

Зарегистрирован: Чт ноя 22, 2007 10:28:34
Сообщений: 66
Откуда: Гондурас
Рейтинг сообщения: 0
попробую по порядку. Цитировать слишком много, поэтому попробую обойтись без него.

1. Да, на выходе NE555 при питающем напряжении 12В напряжение меняется от 0,7В ... 11,3В, т.е. падение на ключах 0,7В, что вполне допустимо - транзистор начинает открываться при уровне на затворе 5В. (3-я картинка слева)
Изображение
При напряжении ниже 4,5 ключ гарантированно закрыт. так что Уважаемый БЕГЕМОТ, Ваши опасения напрасны.
2. Соотношение 2-х резисторов, включённых последовательно 22 ома и паралельно 1к, практически никак не сказывается на "сажании" полезного сигнала.
Кроме подавления эффекта Миллера включение параллельного резистора увеличивает надёжность запирания ключа.
3. По поводу скорости рассасывания/насыщения - рекомендую взглянуть на осциллограммы, если с осциллографом работали - проблем с чтением не возникнет. Так вот, время открытия (и закрытия) в пределах характеристик мосфета, ни больше ни меньше.
(в моей схеме). закрытие не фотографировал, там лучше, поверьте на слово. почти в 2 раза. по причине "недозакрытия" - не будет гореть. :)
4. IRF4905 реально не получилось пощупать, сегодня занимался с IRF1405 (для японской машинки), так вот они совсем не греются - радиатор не ставил. Изображение, 1405 и 4905 имеют близкие параметры, только у 4905 немного выше сопротивление открытого перехода, ну и проводимость конечно. А вот "незадачливым знакомым" я бы посоветовал заглянуть что на затворе транзистора для начала.
5. инвертор в схеме "электронного реле" нужен для совместимости со штатным электромеханическим реле. (чтобы не трогать штатную проводку, только поменять реле и накинуться на габариты, ручник, давление масла.)
6. а вот если убрать ТЗ совместимости, то можно подключать напрямую к NE555 - проверено - работает. фронт открытия 500мкс, закрытия 100мкс.
7. ""прекрасно работающую схему" набора BM4511" собрана на LM358, сравнивать операционный усилитель и цифровой таймер некорректно. NE555 в пределах номинальных напряжений работает отлично, а как себя ведёт ШИМ на ОУ - не знаю.
8. в осциллограммах "ноль" слева стрелочка с единичкой (осцил 4-х канальный). Всё видно на экране, деление шкалы, частота и прочее.
От нуля до 12, обычный меандр
9. BTS555 стоит 12$
10. для экономных, я на своём сайте предложил схему на 5-ти реле, полный функционал по требованиям к ДХО.
(нити дальних последовательно)
Изображение
11. Для экономии можно в реле поставить IRF4905, закрепив сверху радиатор, как это сделано в электронном реле Hella.
12. О каких "пару штук рублей"идёт речь? (в платане, например)
NE555N = 4.60 руб
IRF4905PBF Цена: от 1 шт - 33.00 руб.
KPC452 Цена: от 1 шт - 26.00 руб.


Вложения:
all2.jpg [44.53 KiB]
Скачиваний: 15930
Вернуться наверх
 
Не в сети
 Заголовок сообщения: Re: Дневные ходовые огни
СообщениеДобавлено: Пт дек 24, 2010 23:29:48 
Друг Кота
Аватар пользователя

Карма: 43
Рейтинг сообщений: 167
Зарегистрирован: Вс янв 25, 2009 21:16:04
Сообщений: 35639
Откуда: Москва
Рейтинг сообщения: 0
Управдом = ты Автор этой х...и? http://www.tavsar.com/day_running_lights.html Изобретатель ты наш! Нобель! Вот только ошибочка небольшая: 30% = ваще нить не накалиться.

_________________
А поболтать?


Вернуться наверх
 
Не в сети
 Заголовок сообщения: Re: Дневные ходовые огни
СообщениеДобавлено: Сб дек 25, 2010 09:22:39 
Открыл глаза
Аватар пользователя

Зарегистрирован: Чт ноя 22, 2007 10:28:34
Сообщений: 66
Откуда: Гондурас
Рейтинг сообщения: 0
Brigadir писал(а):
Управдом = ты Автор этой х...и? http://www.tavsar.com/day_running_lights.html Изобретатель ты наш! Нобель! Вот только ошибочка небольшая: 30% = ваще нить не накалиться.

Brigadir а ты пока ещё ничего дельного не осилил предложить, только утверждением своего аватара занимаешься для рейтинга. :)
Аргументы по поводу что "вАще нить не накалиться" есть? и какими 30% вы оперируете, уважаемый? :)

для тех кому интересно: 30% - это К.З.Ш, на экране осциллографа выглядит вот так:
Изображение
вот так это выглядит со 100м в машине с включёным дальним с "кзш 30".
Изображение


Вложения:
kzpwm30.jpg [19.52 KiB]
Скачиваний: 15275
Вернуться наверх
 
Не в сети
 Заголовок сообщения: Re: Дневные ходовые огни
СообщениеДобавлено: Сб дек 25, 2010 10:47:50 
Друг Кота
Аватар пользователя

Карма: 43
Рейтинг сообщений: 167
Зарегистрирован: Вс янв 25, 2009 21:16:04
Сообщений: 35639
Откуда: Москва
Рейтинг сообщения: 0
Управдом я оперирую тем, что прямо в глаза светить встречному водиле = преступление. Вам по русски написали в законе: включать ближний свет, а не дальний(дальний как раз и бьет по глазам хоть 100, хоть 30 процентов = всё равно хреново, когда глаз привык к полумраку и тут неожиданно слепит какой нибудь придурок = изобретатель) Другой изобретатель вешает синие слабенькие фонарики(а-ля красота) которые на грязном стекле уже не видно ни хрена. Так что давайте х...й не заниматься, а исполнять законы,которые пишуться кровью погибших от ослепления.
Фары должны светить ниже пояса человека и точка на этом(ближний свет и/или противотуманные фары). Дальний = только гонять по пустынному полю за зайцами или подавать предупреждения о засаде Гайцев!.

_________________
А поболтать?


Вернуться наверх
 
Не в сети
 Заголовок сообщения: Re: Дневные ходовые огни
СообщениеДобавлено: Сб дек 25, 2010 11:03:33 
Открыл глаза
Аватар пользователя

Зарегистрирован: Чт ноя 22, 2007 10:28:34
Сообщений: 66
Откуда: Гондурас
Рейтинг сообщения: 0
Brigadir писал(а):
...(дальний как раз и бьет по глазам хоть 100, хоть 30 процентов = всё равно хреново, когда глаз привык к полумраку

1. Brigadir Вы явно путаете день с ночью, ДХО с габаритами и ближним.
ДХО включают днём! (это когда солнышко светит в зените) да будет Вам известно и о каком полумраке идёт речь? :)
2. Да будет Вам известно, что световой поток ДХО по закону совпадает по световому распределению потока с дальним?

Brigadir писал(а):
... и тут неожиданно слепит какой нибудь придурок = изобретатель)...
... Фары должны светить ниже пояса человека и точка на этом(ближний свет и/или противотуманные фары)...

У Вас плохо с информированностью, рекомендую почитать: http://ru.wikipedia.org/wiki/DRL


Вернуться наверх
 
Не в сети
 Заголовок сообщения: Re: Дневные ходовые огни
СообщениеДобавлено: Сб дек 25, 2010 12:07:38 
Первый раз сказал Мяу!

Зарегистрирован: Пт июн 11, 2010 16:16:18
Сообщений: 34
Рейтинг сообщения: 0
Как ни странно но пару раз днем меня умудрились ослепить, причем галлогенками, стало интересно у них был просто дальний включен или 30-50%, но то что горел дальний это точно..... Было очень неприятно когда стоишь на светофоре а тебе в лицо дальним светят метров так с 10 (и это все в солнечную погоду).... Я даже фарами поморгал, потом жестами показал...... но там водитель так и не врубился чего я от него хотел....


Вернуться наверх
 
Не в сети
 Заголовок сообщения: Re: Дневные ходовые огни
СообщениеДобавлено: Сб дек 25, 2010 12:55:11 
Друг Кота
Аватар пользователя

Карма: 43
Рейтинг сообщений: 167
Зарегистрирован: Вс янв 25, 2009 21:16:04
Сообщений: 35639
Откуда: Москва
Рейтинг сообщения: 0
Я доказывать больше не намерен, Управдом когда нибудь налетит на встречку = может тогда и протрезвеет(а может и не успеет).

_________________
А поболтать?


Вернуться наверх
 
Не в сети
 Заголовок сообщения: Re: Дневные ходовые огни
СообщениеДобавлено: Сб дек 25, 2010 14:39:47 
Держит паяльник хвостом
Аватар пользователя

Карма: 18
Рейтинг сообщений: 50
Зарегистрирован: Ср авг 26, 2009 08:24:50
Сообщений: 965
Откуда: 1300км от Пупа
Рейтинг сообщения: 0
flash-v писал(а):
. Я даже фарами поморгал, потом жестами показал...... но там водитель так и не врубился чего я от него хотел....

Наверное подумал ,что Гаицы за углом стоят :))

_________________
Все делают ошибки, только мудрецы - новые, а дураки - старые.


Вернуться наверх
 
Не в сети
 Заголовок сообщения: Re: Дневные ходовые огни
СообщениеДобавлено: Вс дек 26, 2010 20:53:54 
Это не хвост, это антенна
Аватар пользователя

Зарегистрирован: Ср июн 09, 2010 16:44:54
Сообщений: 1335
Откуда: Пермь
Рейтинг сообщения: 0
По теме, сделал себе такую схемку, подключил к штатному рэле вкл. ПТФ,
прошел с ней ГосТО, юзаю уже 3 мес.:
Изображение
сигнал D+ это с доп. диодов генератора :)

1. Завёл ДВС - не горят (удобно для автозапуске и стоянке при запущенном ДВС)
2. Опустил ручник - включились (при запущеном ДВС и не вкл. габарит)
3. Вкл. габарит - выключились (при заведёном ДВС и можно включать штатно - т.е тёмное время суток)
4. Выкл. габарит - загорелись (при запущеном ДВС и не поднятом ручнике)
5. Заглушил ДВС - выключились (при любой комбинации).



видеоадчёд 11,0 МБ:

Изображение


Но можно просто с сигнала D+ генератора:
прямое подключение к лампе, видео, 3.26 МБ:

Изображение


А теперь про ШИМ-ы:
Цитата:
7. ""прекрасно работающую схему" набора BM4511" собрана на LM358, сравнивать операционный усилитель и цифровой таймер некорректно. NE555 в пределах номинальных напряжений работает отлично, а как себя ведёт ШИМ на ОУ - не знаю.

Зато я знаю:

Осцилограммы по схеме

Изображение

фото и видео см. shim2.zip
полевик сильно греется.

Изображение Изображение


ещё одну схемка:

Изображение

Она вот получше, той, выше, но тоже косячная. Транзистор заметно меньше греется.
фото/видео см. фотки shim3.zip

Изображение Изображение


А теперь МастерКИТ 4511 на ОУ:

Изображение

Так, вот, получается, что схема предложенная мастер китом на ОУ всётаки наилучшый вариат ...

Изображение Изображение Изображение

_________________
Фото постройки прототипов


Вернуться наверх
 
Не в сети
 Заголовок сообщения: Re: Дневные ходовые огни
СообщениеДобавлено: Вс дек 26, 2010 21:26:13 
Открыл глаза
Аватар пользователя

Зарегистрирован: Чт ноя 22, 2007 10:28:34
Сообщений: 66
Откуда: Гондурас
Рейтинг сообщения: 0
RomanT Видел я на ingineer.ru отчёт этого "самоделкина" :)
В обоих, запощенных схемах с 555-м таймером у него ошибки, да полевик в этих схемах греется, я проверял - не надо повторять - они для управления коллекторным двигателем больше подойдут, а не для активной нагрузки.
А остальные осциллограммы ни о чём - не видна частота развёртки, и щупы у него искажение в измеряемый сигнал похоже вносят.
Я же предлагал выше рабочие схемы - у меня транзистор без радиатора и еле тёплый, и осциллограммы информативнее в отличие от...


Вернуться наверх
 
Не в сети
 Заголовок сообщения: Re: Дневные ходовые огни
СообщениеДобавлено: Вс дек 26, 2010 21:49:08 
Друг Кота
Аватар пользователя

Карма: 43
Рейтинг сообщений: 167
Зарегистрирован: Вс янв 25, 2009 21:16:04
Сообщений: 35639
Откуда: Москва
Рейтинг сообщения: 0
Подключите лампы "Ближний свет" (который настроен светить по низу не ослепляя) = я соглашусь. Но только не лампы "Дальний свет". Это же две большие разницы. и Вы это должны понимать. И не обязательно применять схему для неполного накала нитей лампы. Если Вам жалко тратиться на частую замену ламп(лампы сгорают примерно раз в полгода), то сделайте схему плавного нарастания накала лампы и будете менять лампочки намного реже.

_________________
А поболтать?


Вернуться наверх
 
Не в сети
 Заголовок сообщения: Re: Дневные ходовые огни
СообщениеДобавлено: Вс дек 26, 2010 22:49:45 
Открыл глаза
Аватар пользователя

Зарегистрирован: Чт ноя 22, 2007 10:28:34
Сообщений: 66
Откуда: Гондурас
Рейтинг сообщения: 0
BrigadirОдин, последний аргумент в пользу здравого смысла: с 300м, при ярком солнце, на трассе - ближний свет не виден и не бросается в глаза, в отличие от дальнего, сниженного в 10! раз (К.З.Ш.=30%).
не подменяете цель: быть заметным на дороге - на "сказали с ближним, значит с ближним", мы 75 лет шли "как сказали", однако не туда... :)


Вернуться наверх
 
Не в сети
 Заголовок сообщения: Re: Дневные ходовые огни
СообщениеДобавлено: Пн дек 27, 2010 00:36:25 
Друг Кота
Аватар пользователя

Карма: 17
Рейтинг сообщений: 467
Зарегистрирован: Ср ноя 11, 2009 17:19:30
Сообщений: 5562
Откуда: Воронеж
Рейтинг сообщения: 0
Brigadir писал(а):
Подключите лампы "Ближний свет" (который настроен светить по низу не ослепляя)

Дневные ходовые светят в глаза! Это написано в законе, а чтобы не слепить светят они как дохлая корова (относительно дальнего). Идельные фары ближнего света нельзя увидеть со встречной полосы или стоя прямо перед автомобилем, только вот идеальных нет, и мы видим "паразитную" засветку.

_________________
"Привет!" - соврал он.


Вернуться наверх
 
Не в сети
 Заголовок сообщения: Re: Дневные ходовые огни
СообщениеДобавлено: Вт дек 28, 2010 15:40:12 
Первый раз сказал Мяу!

Зарегистрирован: Пт июн 11, 2010 16:16:18
Сообщений: 34
Рейтинг сообщения: 0
>TEHb< писал(а):
Дневные ходовые светят в глаза! Это написано в законе, а чтобы не слепить светят они как дохлая корова (относительно дальнего). Идельные фары ближнего света нельзя увидеть со встречной полосы или стоя прямо перед автомобилем, только вот идеальных нет, и мы видим "паразитную" засветку.


Хм..... я вот по роду профессии очень часто читаю законы, и часто удивляюсь как их читают другие, что смысл меняется кардинально, вроде мелочь, тут не заметил запятую, тут абзац до конца не дочитал.... Я просто призываю поосторожней с трактовками, Ваше мнение может основываться не на том что там написано, а на том что Вы хотите там прочитать..... Это часто бывает...


Вернуться наверх
 
Показать сообщения за:  Сортировать по:  Вернуться наверх
Начать новую тему Ответить на тему  [ Сообщений: 356 ]    , , , , 5, , , ...  

Часовой пояс: UTC + 3 часа


Кто сейчас на форуме

Сейчас этот форум просматривают: нет зарегистрированных пользователей и гости: 6


Вы не можете начинать темы
Вы не можете отвечать на сообщения
Вы не можете редактировать свои сообщения
Вы не можете удалять свои сообщения
Вы не можете добавлять вложения

Найти:
Перейти:  


Powered by phpBB © 2000, 2002, 2005, 2007 phpBB Group
Русская поддержка phpBB
Extended by Karma MOD © 2007—2012 m157y
Extended by Topic Tags MOD © 2012 m157y