Например TDA7294

Форум РадиоКот • Просмотр темы - Подключить светодиод к сети 220 вольт
Форум РадиоКот
Здесь можно немножко помяукать :)

Текущее время: Пн дек 29, 2025 15:41:31

Часовой пояс: UTC + 3 часа


ПРЯМО СЕЙЧАС:



Начать новую тему Ответить на тему  [ Сообщений: 4569 ]  1, , , , ...  
Автор Сообщение
Не в сети
 Заголовок сообщения: Подключить светодиод к сети 220 вольт
СообщениеДобавлено: Ср авг 18, 2010 18:48:17 
Первый раз сказал Мяу!

Зарегистрирован: Ср июн 23, 2010 12:49:59
Сообщений: 39
Рейтинг сообщения: 0
Всем привет.
подскажите как правильно подключить светодиод к сети . Задумал сделать для себя светодиодный светильник.??

_________________
в мире так много интересного !!!!!!


Вернуться наверх
 
Не в сети
 Заголовок сообщения: Re: подключить светодиод к сети 220 вольт
СообщениеДобавлено: Ср авг 18, 2010 19:01:35 
Грызет канифоль
Аватар пользователя

Карма: 1
Рейтинг сообщений: 20
Зарегистрирован: Ср мар 04, 2009 00:06:38
Сообщений: 256
Откуда: Черновцы
Рейтинг сообщения: 0
Когда-то делал по примерно такой схеме. Уроды ходили по подъезду и поджигали кнопки звонков. Вставил в кнопку мигающий светодиод. Работает уже лет 5, если не больше. Только нужно учесть, в мигающих СД встроенный стабилизатор, есть до 6 В, есть до 12 В. Если ставить простой - последовательно со светодиодом нужен резистор.
Номинал гасящего резистора указал очень приблизительно, не помню сколько, подбирал. При этом номинале получается болше 3 Вт, а уменя точно помню стоит полваттный. Знчит нужно больше, килоом на 18-20. Или кондер на пару тысяч пик.


Вложения:
11.JPG [8.16 KiB]
Скачиваний: 12512
Вернуться наверх
 
Не в сети
 Заголовок сообщения: Re: подключить светодиод к сети 220 вольт
СообщениеДобавлено: Ср авг 18, 2010 19:40:00 
Друг Кота

Карма: 33
Рейтинг сообщений: 213
Зарегистрирован: Ср окт 14, 2009 10:37:49
Сообщений: 3956
Откуда: Украина
Рейтинг сообщения: 0
balvik писал(а):
Всем привет.
подскажите как правильно подключить светодиод к сети . Задумал сделать для себя светодиодный светильник.??

Из одного светодиода? Дайте параметры. Если просто подключить, то можно вот так:
Изображение
Устанавливал в выключатели и розетки в качестве подсветки, чтобы в темноте не промахнуться. Светильником не назовешь, так, индикация.


Вложения:
LED.GIF [1.62 KiB]
Скачиваний: 130990
Вернуться наверх
 
Не в сети
 Заголовок сообщения: Re: подключить светодиод к сети 220 вольт
СообщениеДобавлено: Ср авг 18, 2010 20:28:35 
Модератор
Аватар пользователя

Карма: 162
Рейтинг сообщений: 2441
Зарегистрирован: Пн июл 07, 2008 10:46:09
Сообщений: 10736
Откуда: Россия
Рейтинг сообщения: 4
Лучше так...
Изображение


Вложения:
Светодиод в 220.GIF [996 байт]
Скачиваний: 89241

_________________
Если хотите, чтобы жизнь улыбалась вам, подарите ей своё хорошее настроение
Вернуться наверх
 
Эиком - электронные компоненты и радиодетали
Не в сети
 Заголовок сообщения: Re: подключить светодиод к сети 220 вольт
СообщениеДобавлено: Ср авг 18, 2010 20:39:14 
Друг Кота

Карма: 33
Рейтинг сообщений: 213
Зарегистрирован: Ср окт 14, 2009 10:37:49
Сообщений: 3956
Откуда: Украина
Рейтинг сообщения: 0
Света писал(а):
Лучше так...

На резисторе в этом случае будет выделяться энергия как во время положительной полуволны, так и во время отрицательной.


Вернуться наверх
 
Не в сети
 Заголовок сообщения: Re: подключить светодиод к сети 220 вольт
СообщениеДобавлено: Чт авг 19, 2010 11:28:34 
Друг Кота
Аватар пользователя

Карма: 67
Рейтинг сообщений: 1066
Зарегистрирован: Чт сен 18, 2008 12:27:21
Сообщений: 20013
Откуда: Столица Мира Санкт-Петербург
Рейтинг сообщения: 0
Медали: 1
Получил миской по аватаре (1)
А ещё лучше с гасящим кондёром и диодным мостом :)

_________________
[ Всё дело не столько в вашей глупости, сколько в моей гениальности ] [ Правильно заданный вопрос содержит в себе половину ответа ]
Измерить нннада?


Вернуться наверх
 
Не в сети
 Заголовок сообщения: Re: подключить светодиод к сети 220 вольт
СообщениеДобавлено: Чт авг 19, 2010 13:59:16 
Друг Кота
Аватар пользователя

Карма: 28
Рейтинг сообщений: 267
Зарегистрирован: Ср сен 27, 2006 16:18:57
Сообщений: 3459
Рейтинг сообщения: 0
Чтобы частота мерцания светодиода была не 50 Гц а 100 Гц, его надо включать в диагональ моста. 50 Гц лично мне действует на нервы...
Какую схему применить - зависит от тока светодиода. Я обычно включаю так, как показано в прикошаченном файле.


Вложения:
led220.gif [1.53 KiB]
Скачиваний: 18332
Вернуться наверх
 
Не в сети
 Заголовок сообщения: Re: подключить светодиод к сети 220 вольт
СообщениеДобавлено: Чт авг 19, 2010 14:23:16 
Друг Кота
Аватар пользователя

Карма: 67
Рейтинг сообщений: 1066
Зарегистрирован: Чт сен 18, 2008 12:27:21
Сообщений: 20013
Откуда: Столица Мира Санкт-Петербург
Рейтинг сообщения: 0
Медали: 1
Получил миской по аватаре (1)
Барсик писал(а):
Я обычно включаю так, как показано в прикошаченном файле.

Собственно, что я и имел в виду :)

_________________
[ Всё дело не столько в вашей глупости, сколько в моей гениальности ] [ Правильно заданный вопрос содержит в себе половину ответа ]
Измерить нннада?


Вернуться наверх
 
Не в сети
 Заголовок сообщения: Re: подключить светодиод к сети 220 вольт
СообщениеДобавлено: Пт авг 20, 2010 01:12:34 
Открыл глаза

Зарегистрирован: Вт май 05, 2009 10:28:38
Сообщений: 79
Рейтинг сообщения: 0
Единственное хочу добавить, что
-светодиод не терпит обратного напряжения и обратный ток у него намного меньше чем у силового диода. А следовательно в однополупериодном включении надо светодиод шунтировать либо резистором, либо обратным диодом, либо обратным светодиодом 8).В последнем случае естественно получается двухполупериодная лампа :idea: , выпрямляющий диод не нужен.
- светодиод не очень любит импульсные перегрузки, для некоторых предельный импульсный ток всего 2..3 поминального, поэтому при емкостном гасящем сопротивлении параллельно светодиоду желательно ставить стабилитрон для ограничения зарядного импульса тока через светодиод.


Вернуться наверх
 
Не в сети
 Заголовок сообщения: Re: подключить светодиод к сети 220 вольт
СообщениеДобавлено: Пт авг 20, 2010 10:06:39 
Друг Кота

Карма: 33
Рейтинг сообщений: 213
Зарегистрирован: Ср окт 14, 2009 10:37:49
Сообщений: 3956
Откуда: Украина
Рейтинг сообщения: 1
bravissimo писал(а):
...обратный ток у него намного меньше чем у силового диода.

Вы не ошиблись?
bravissimo писал(а):
...при емкостном гасящем сопротивлении параллельно светодиоду желательно ставить стабилитрон для ограничения зарядного импульса тока через светодиод.

Установка стабилитрона здесь не имеет абсолютно никакого смысла. Вольтамперная характеристика светодиода очень похожа на характеристику стабилитрона. Для того, чтобы такая защита работала, необходимо очень точно подобрать стабилитрон, который должен быть на грани открытия при нормальной работе, а в условиях непостоянства напряжение в сети, температуры и т.п. это вообще нереально.
В данной ситуации напряжение должно быть сначала застабилизировано (можно стабилитроном, который, конечно же, сам должен выдерживать импульсный ток заряда конденсатора), а затем через токоограничивающий резистор подключить светодиод.


Вернуться наверх
 
Не в сети
 Заголовок сообщения: Re: подключить светодиод к сети 220 вольт
СообщениеДобавлено: Сб авг 21, 2010 07:47:50 
Генеральный секретарь МЯУ
Аватар пользователя

Карма: 69
Рейтинг сообщений: 26
Зарегистрирован: Пн сен 03, 2007 18:24:27
Сообщений: 18824
Откуда: Россия. Омск.
Рейтинг сообщения: 3
bravissimo писал(а):
-светодиод не терпит обратного напряжения и обратный ток у него намного меньше чем у силового диода.

Светодиод в одну сторону проводит как обычный диод, а в другую светит как светодиод. Ему пофиг обратное напряжение, он сам себя шунтирует. Я для индикации всегда включал светодиод просто через резистор без всяких дополнительных деталей.


Вернуться наверх
 
Не в сети
 Заголовок сообщения: Re: подключить светодиод к сети 220 вольт
СообщениеДобавлено: Сб авг 21, 2010 08:07:04 
Друг Кота

Карма: 33
Рейтинг сообщений: 213
Зарегистрирован: Ср окт 14, 2009 10:37:49
Сообщений: 3956
Откуда: Украина
Рейтинг сообщения: 7
SeregaT писал(а):
Светодиод в одну сторону проводит как обычный диод, а в другую светит как светодиод. Ему пофиг обратное напряжение, он сам себя шунтирует.

Бред. :kill: :kill: :kill:


Вернуться наверх
 
Не в сети
 Заголовок сообщения: Re: подключить светодиод к сети 220 вольт
СообщениеДобавлено: Сб авг 21, 2010 08:45:57 
Модератор
Аватар пользователя

Карма: 162
Рейтинг сообщений: 2441
Зарегистрирован: Пн июл 07, 2008 10:46:09
Сообщений: 10736
Откуда: Россия
Рейтинг сообщения: 6
SeregaT писал(а):
Светодиод в одну сторону проводит как обычный диод, а в другую светит как светодиод. Ему пофиг обратное напряжение, он сам себя шунтирует

Светодиод горит при прямом напряжении. При обратном он заперт, как обычный диод. При этом, к нему прикладывается всё напряжение питания и он пробивается при питании большим напряжением (220 В). Но обратный ток ограничен прямым и после этого (лавинный) пробоя он восстанавливается и нормально горит при прямом напряжении. Вот только далеко не все светодиоды способны выдерживать такое насилие... :))

_________________
Если хотите, чтобы жизнь улыбалась вам, подарите ей своё хорошее настроение


Вернуться наверх
 
Не в сети
 Заголовок сообщения: Re: подключить светодиод к сети 220 вольт
СообщениеДобавлено: Вс авг 22, 2010 09:11:55 
Генеральный секретарь МЯУ
Аватар пользователя

Карма: 69
Рейтинг сообщений: 26
Зарегистрирован: Пн сен 03, 2007 18:24:27
Сообщений: 18824
Откуда: Россия. Омск.
Рейтинг сообщения: 0
Света писал(а):
При обратном он заперт, как обычный диод. При этом, к нему прикладывается всё напряжение питания и он пробивается при питании большим напряжением (220 В). Но обратный ток ограничен прямым и после этого (лавинный) пробоя он восстанавливается и нормально горит при прямом напряжении. Вот только далеко не все светодиоды способны выдерживать такое насилие... :))

Да, действительно, при низком напряжении в обратную сторону не проводит. Попробовал мегоомметром на 2500 вольт, проводит в обе стороны :))) а горит только в одну.
Но мне пока не попадались светодиоды, которые сдохли бы от обратного напряжения.


Вернуться наверх
 
Не в сети
 Заголовок сообщения: Re: подключить светодиод к сети 220 вольт
СообщениеДобавлено: Вс авг 22, 2010 10:49:13 
Опытный кот
Аватар пользователя

Карма: 2
Рейтинг сообщений: 5
Зарегистрирован: Пт фев 12, 2010 23:26:42
Сообщений: 766
Откуда: Россия
Рейтинг сообщения: 0
Светодиод АЛ307 с допустимым обратным напряжением 2В (по сравочнику) спокойно держит обратное напряжение 12В (практически), но в сети 220В бывают большие выбросы напряжения и там лучше не экономить на шунтирующем диоде. У меня в одной схеме с однополупериодным выпрямлением, подключенной непосредственно к сети 220В, однажды погиб выпрямительный диод с обратным напряжением 400В, проработавший нормально до этого около двух лет. Заменил его на диод с обратным напряжением 600В и схема работает уже больше 5 лет.

_________________
от подписи отказался


Вернуться наверх
 
Не в сети
 Заголовок сообщения: Re: подключить светодиод к сети 220 вольт
СообщениеДобавлено: Вс авг 22, 2010 16:53:17 
Друг Кота
Аватар пользователя

Карма: 28
Рейтинг сообщений: 267
Зарегистрирован: Ср сен 27, 2006 16:18:57
Сообщений: 3459
Рейтинг сообщения: 0
asgrisha писал(а):
лучше не экономить на шунтирующем диоде.
Если речь о диоде, который шунтирует светодиод, то он может быть любым, с обратным напряжением не менее прямого напряжения на светодиоде. Т.е. обратное напряжение у него должно быть больше, чем 1,5 - 4 вольта :)


Вернуться наверх
 
Не в сети
 Заголовок сообщения: Re: подключить светодиод к сети 220 вольт
СообщениеДобавлено: Вс авг 22, 2010 16:56:21 
Опытный кот
Аватар пользователя

Карма: 2
Рейтинг сообщений: 5
Зарегистрирован: Пт фев 12, 2010 23:26:42
Сообщений: 766
Откуда: Россия
Рейтинг сообщения: 0
Верно, но без него к светодиоду может и 400В приложиться в качестве обратного напряжения.

_________________
от подписи отказался


Вернуться наверх
 
Не в сети
 Заголовок сообщения: Re: подключить светодиод к сети 220 вольт
СообщениеДобавлено: Вс авг 22, 2010 17:59:28 
Друг Кота

Карма: 33
Рейтинг сообщений: 213
Зарегистрирован: Ср окт 14, 2009 10:37:49
Сообщений: 3956
Откуда: Украина
Рейтинг сообщения: 1
Барсик писал(а):
Если речь о диоде, который шунтирует светодиод, то он может быть любым, с обратным напряжением не менее прямого напряжения на светодиоде. Т.е. обратное напряжение у него должно быть больше, чем 1,5 - 4 вольта :)

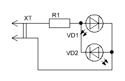
Да, можно и вот так.
Изображение
Только автор темы в лучших традициях ушел и не попрощался.


Вложения:
led.GIF [1.51 KiB]
Скачиваний: 91960
Вернуться наверх
 
Не в сети
 Заголовок сообщения: Re: подключить светодиод к сети 220 вольт
СообщениеДобавлено: Пн авг 23, 2010 16:38:58 
Первый раз сказал Мяу!

Зарегистрирован: Ср июн 23, 2010 12:49:59
Сообщений: 39
Рейтинг сообщения: 0
Soir писал(а):
balvik писал(а):
Всем привет.
подскажите как правильно подключить светодиод к сети . Задумал сделать для себя светодиодный светильник.??

Из одного светодиода? Дайте параметры. Если просто подключить, то можно вот так:
Изображение
Устанавливал в выключатели и розетки в качестве подсветки, чтобы в темноте не промахнуться. Светильником не назовешь, так, индикация.

Даю параметры.
20 светодиодов , ток каждого 20 милмампер. хочу из них составить светильник.
я один светодиод к батарейке 12 вольт подключаю через резистор 630 ом.

_________________
в мире так много интересного !!!!!!


Вернуться наверх
 
Не в сети
 Заголовок сообщения: Re: подключить светодиод к сети 220 вольт
СообщениеДобавлено: Пн авг 23, 2010 17:00:26 
Друг Кота
Аватар пользователя

Карма: 28
Рейтинг сообщений: 267
Зарегистрирован: Ср сен 27, 2006 16:18:57
Сообщений: 3459
Рейтинг сообщения: 0
balvik писал(а):
...к батарейке 12 вольт подключаю...
И сикока на нём падает вольтей при токе 20 миллиампер?


Вернуться наверх
 
Показать сообщения за:  Сортировать по:  Вернуться наверх
Начать новую тему Ответить на тему  [ Сообщений: 4569 ]  1, , , , ...  

Часовой пояс: UTC + 3 часа


Кто сейчас на форуме

Сейчас этот форум просматривают: Kapitoska, vech и гости: 54


Вы не можете начинать темы
Вы не можете отвечать на сообщения
Вы не можете редактировать свои сообщения
Вы не можете удалять свои сообщения
Вы не можете добавлять вложения

Найти:
Перейти:  


Powered by phpBB © 2000, 2002, 2005, 2007 phpBB Group
Русская поддержка phpBB
Extended by Karma MOD © 2007—2012 m157y
Extended by Topic Tags MOD © 2012 m157y