Например TDA7294

Форум РадиоКот • Просмотр темы - Универсальное зарядное устройство Uвых=5В (const)
Форум РадиоКот
Здесь можно немножко помяукать :)

Текущее время: Вт дек 16, 2025 22:13:52

Часовой пояс: UTC + 3 часа


ПРЯМО СЕЙЧАС:



Начать новую тему Ответить на тему  [ Сообщений: 61 ]  1, , ,  
Автор Сообщение
Не в сети
 Заголовок сообщения: Универсальное зарядное устройство Uвых=5В (const)
СообщениеДобавлено: Чт июл 22, 2010 10:32:10 
Встал на лапы

Зарегистрирован: Пн июл 12, 2010 16:03:11
Сообщений: 136
Рейтинг сообщения: 0
Вот хочу сделать устройство с выходом 5В (постоянное). Буду от него питать данную схему. Подскажите какую-нибудь схемку.
В частности, у меня есть зарядка для MP3-плеера Explay L70. У него на выходе как раз есть эти постоянные 5В. Может у кого есть киньте, пожалуйста, ссылку на схему данного устройства.


Вернуться наверх
 
Не в сети
 Заголовок сообщения: Re: Универсальное зарядное устройство Uвых=5В (const)
СообщениеДобавлено: Чт июл 22, 2010 11:55:03 
Открыл глаза
Аватар пользователя

Зарегистрирован: Чт июл 15, 2010 16:56:48
Сообщений: 73
Откуда: москва
Рейтинг сообщения: 0
http://radiokot.ru/start/analog/practice/01/

вот тут ты найдёшь всё что потребуется к зарядке!!ну единственое что те потребуется стабилизатор на 5вольт!! какойнибуть ka7805 или LM2940t чтонибуть в этом роде!!


Вернуться наверх
 
Не в сети
 Заголовок сообщения: Re: Универсальное зарядное устройство Uвых=5В (const)
СообщениеДобавлено: Чт июл 22, 2010 14:37:21 
Встал на лапы

Зарегистрирован: Пн июл 12, 2010 16:03:11
Сообщений: 136
Рейтинг сообщения: 0
Black_miti писал(а):
http://radiokot.ru/start/analog/practice/01/

вот тут ты найдёшь всё что потребуется к зарядке!!ну единственое что те потребуется стабилизатор на 5вольт!! какойнибуть ka7805 или LM2940t чтонибуть в этом роде!!

Начал я изучать и возникли у меня такие вопросы: какой же трансформатор брать? Какая марка там используется? Очень хорошо было бы, если бы посмотреть даташиты трансформаторов, кот. можно было бы применить. Можешь подсказать какой нибудь иностранный аналог, чтобы возможно было промоделировать? Какими зарубежными аналогами можно заменить транзисторы?


Вернуться наверх
 
Не в сети
 Заголовок сообщения: Re: Универсальное зарядное устройство Uвых=5В (const)
СообщениеДобавлено: Чт июл 22, 2010 14:57:37 
Открыл глаза
Аватар пользователя

Зарегистрирован: Чт июл 15, 2010 16:56:48
Сообщений: 73
Откуда: москва
Рейтинг сообщения: 0
трансформатор можно взять любой!!от любова старого магнитафона!!главное чтоб на выходе было не меньше 6 вольт и не больше 12 вольт!!посматри в чип и дипе там продаются всякие!! http://www.chip-dip.ru/product0/9000042799.aspx можно конечно какойнить другой посмареть!! всё зависит от стабилизатора!!


Вернуться наверх
 
Эиком - электронные компоненты и радиодетали
Не в сети
 Заголовок сообщения: Re: Универсальное зарядное устройство Uвых=5В (const)
СообщениеДобавлено: Чт июл 22, 2010 15:03:32 
Открыл глаза
Аватар пользователя

Зарегистрирован: Чт июл 15, 2010 16:56:48
Сообщений: 73
Откуда: москва
Рейтинг сообщения: 0
а насчёт транзисторов я с ними не гемароился!!проще стабилизатор поставить!! download/file.php?id=39060


Вернуться наверх
 
Не в сети
 Заголовок сообщения: Re: Универсальное зарядное устройство Uвых=5В (const)
СообщениеДобавлено: Чт июл 22, 2010 15:17:05 
Встал на лапы

Зарегистрирован: Пн июл 12, 2010 16:03:11
Сообщений: 136
Рейтинг сообщения: 0
Стабилизатор - LM317 будет.
Я правильно понимаю, что согласно схеме (если перейти по ссылке выше и согласно описанию) напряжение на входе МС КРЕН12А должно быть 17В?


Вернуться наверх
 
Не в сети
 Заголовок сообщения: Re: Универсальное зарядное устройство Uвых=5В (const)
СообщениеДобавлено: Чт июл 22, 2010 16:05:03 
Открыл глаза
Аватар пользователя

Зарегистрирован: Чт июл 15, 2010 16:56:48
Сообщений: 73
Откуда: москва
Рейтинг сообщения: 0
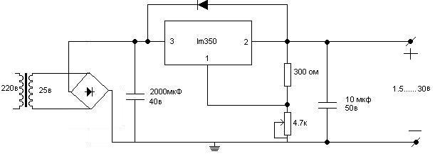
тебе нужно регулируемое напряжение или чёткие 5вольт?
есле чёткие 5 вольт то ганяй схему 1.gif
есле регулируемое от 1.5 до 30вольт то ганяй схему download/file.php?id=39060


в схеме 1.gif там входное напряжение 22 вольта!!впринцепе это максимальное напряжение!!туда можно воткнуть и 10 вольт и 6 вольт разници не будет!! на выходе всёравно будет 5 вольт.....а втарая схема я её сам ганяю очень надёжная единственое что на входе должнобыть на 2 вольта больше чем нужное напряжение на выходе!! и lm350 легко заменить на lm317!! у них распайка помоему одинаковая!!


Вложения:
1.GIF [14.68 KiB]
Скачиваний: 34575
Вернуться наверх
 
Не в сети
 Заголовок сообщения: Re: Универсальное зарядное устройство Uвых=5В (const)
СообщениеДобавлено: Чт июл 22, 2010 16:13:32 
Открыл глаза
Аватар пользователя

Зарегистрирован: Чт июл 15, 2010 16:56:48
Сообщений: 73
Откуда: москва
Рейтинг сообщения: 0
а есле конкретно отвечать на твой вапрос то у микросхемы КР142ЕН12А максимальное входное напряжение 40 вольт!! тебе как я понел нужно на выходе 5 вольт!!соотвецтвенно на вход нужно подавать от 6 вольт до 40 вольт!!на выходе всёравно будет нужное напряжение каторое регулируется переменым резистором!!но не больше входящего естественно!!


Вернуться наверх
 
Не в сети
 Заголовок сообщения: Re: Универсальное зарядное устройство Uвых=5В (const)
СообщениеДобавлено: Чт июл 22, 2010 16:27:36 
Встал на лапы

Зарегистрирован: Пн июл 12, 2010 16:03:11
Сообщений: 136
Рейтинг сообщения: 0
Вообщем мне надо на выходе постоянные 5 вольт, при этом ток нагрузки должен быть около ампера (мне нужно для запитки восьми цифр на индикаторе).


Вернуться наверх
 
Не в сети
 Заголовок сообщения: Re: Универсальное зарядное устройство Uвых=5В (const)
СообщениеДобавлено: Чт июл 22, 2010 18:43:24 
Открыл глаза
Аватар пользователя

Зарегистрирован: Чт июл 15, 2010 16:56:48
Сообщений: 73
Откуда: москва
Рейтинг сообщения: 0
ну тогда хавай схему 1!!)))) микруха lm7805 подойдёт к твоим требованиям!!))


Вернуться наверх
 
Не в сети
 Заголовок сообщения: Re: Универсальное зарядное устройство Uвых=5В (const)
СообщениеДобавлено: Пт июл 23, 2010 10:02:57 
Встал на лапы

Зарегистрирован: Пн июл 12, 2010 16:03:11
Сообщений: 136
Рейтинг сообщения: 0
Black_miti писал(а):
трансформатор можно взять любой!! посматри в чип и дипе там продаются всякие!! http://www.chip-dip.ru/product0/9000042799.aspx можно конечно какойнить другой посмареть!! всё зависит от стабилизатора!!

Если у меня общий ток потребления в цепи около 2 ампер, мне его хватит?
Можно ли использовать обычную зарядку, у которой рабочее напряжение 5 вольт (ток нагрузки больше необходимого)?


Вернуться наверх
 
Не в сети
 Заголовок сообщения: Re: Универсальное зарядное устройство Uвых=5В (const)
СообщениеДобавлено: Пт июл 23, 2010 16:42:26 
Сверлит текстолит когтями
Аватар пользователя

Карма: 1
Рейтинг сообщений: 18
Зарегистрирован: Вс май 16, 2010 15:56:54
Сообщений: 1223
Откуда: Москва
Рейтинг сообщения: 0
Для начала, определитесь: все-таки ампер или два потребляет ваш девайс )))
Если ампер, то 7805 - простейший случай (не рекомендую запитывать от напряжения после выпрямителя больше 7.5В (но и не меньше, т.к. не стабилизирует, если меньше), т.к. греется безбожно)
Чтобы сделать два ампера придется колдовать ))

Тот транс, про который писал Black_miti не подойдет: по напряжению перебор, по току - недобор.
Вот этот: http://www.chip-dip.ru/product0/39383.aspx пойдет для ампера
Вот этот: http://www.chip-dip.ru/product0/26043.aspx — для двух.

А почему не хотите запитаться от компьютерного БП?

Про «обычную» зарядку: зависит от того, что за зарядка )) Вам нужна стабилизированная, а бывают: переменного тока, нестабилизированные и стабилизированные. Как на зарядке (на шильдике) отмаркирован выход? прямая чёрточка, синусоида или прямая черточка и точки над ней?

Еще вариант: нестабилизированная зарядка на 7.5-9В (ток не меньше необходимого), а на вашей плате 7805 (если для ампера).


Последний раз редактировалось walkerru Пт июл 23, 2010 16:49:34, всего редактировалось 1 раз.

Вернуться наверх
 
Не в сети
 Заголовок сообщения: Re: Универсальное зарядное устройство Uвых=5В (const)
СообщениеДобавлено: Пт июл 23, 2010 16:43:46 
Открыл глаза
Аватар пользователя

Зарегистрирован: Чт июл 15, 2010 16:56:48
Сообщений: 73
Откуда: москва
Рейтинг сообщения: 0
ну.....протести зарятку подключи к ней чтонибуть этокое что не жалко и расчитоное на 5 вольт!! и измерь все параметры мультиметром!!есле напряжение не скачет то подключай напрямую!!просто на сколько мне извесно зарядки могут самостоятельно повысить напряжение до 7 вольт!!


Вернуться наверх
 
Не в сети
 Заголовок сообщения: Re: Универсальное зарядное устройство Uвых=5В (const)
СообщениеДобавлено: Пт июл 23, 2010 16:53:25 
Сверлит текстолит когтями
Аватар пользователя

Карма: 1
Рейтинг сообщений: 18
Зарегистрирован: Вс май 16, 2010 15:56:54
Сообщений: 1223
Откуда: Москва
Рейтинг сообщения: 0
Black_miti писал(а):
ну.....протести зарятку подключи к ней чтонибуть этокое что не жалко и расчитоное на 5 вольт!! и измерь все параметры мультиметром!!

Например, резистор, сопротивлением, рассчитанным по закону Ома, исходя из тока и напряжения. И соответствующей мощности.

Мультиметром не измерить пульсации так просто...


Вернуться наверх
 
Не в сети
 Заголовок сообщения: Re: Универсальное зарядное устройство Uвых=5В (const)
СообщениеДобавлено: Пт июл 23, 2010 16:55:44 
Открыл глаза
Аватар пользователя

Зарегистрирован: Чт июл 15, 2010 16:56:48
Сообщений: 73
Откуда: москва
Рейтинг сообщения: 0
у меня получалось измерить))) да какие 2 ампера? эти часы при 500мили амперах будут прекрасно работать..0_о


Вернуться наверх
 
Не в сети
 Заголовок сообщения: Re: Универсальное зарядное устройство Uвых=5В (const)
СообщениеДобавлено: Пт июл 23, 2010 17:02:05 
Открыл глаза
Аватар пользователя

Зарегистрирован: Чт июл 15, 2010 16:56:48
Сообщений: 73
Откуда: москва
Рейтинг сообщения: 0
помоему самая простая идея в этой ситуации!! это воткнуть в эти часы стабилизатор на 5 вольт с радиатором и воткуть уже эту зарядку!!помоему это самый оптимальный выход!


Вернуться наверх
 
Не в сети
 Заголовок сообщения: Re: Универсальное зарядное устройство Uвых=5В (const)
СообщениеДобавлено: Пт июл 23, 2010 17:05:19 
Сверлит текстолит когтями
Аватар пользователя

Карма: 1
Рейтинг сообщений: 18
Зарегистрирован: Вс май 16, 2010 15:56:54
Сообщений: 1223
Откуда: Москва
Рейтинг сообщения: 0
Black_miti писал(а):
у меня получалось измерить))) да какие 2 ампера? эти часы при 500мили амперах будут прекрасно работать..0_о

Тогда напишите для автора: как именно у вас получалось измерить именно пульсации ;)

Про 500мА: неизвестно же, какие там индикаторы у автора. Может, он на лампочках сегменты собрал.

Цитата:
воткнуть в эти часы стабилизатор на 5 вольт с радиатором и воткуть уже эту зарядку!!

Сработает, если напряжение зарядки (вернее внешнего источника питания) будет выше, чем 5В - не меньше 7-ми. И ток, который она может дать - не меньше тока, потребляемого устройством. См. мой пост выше.


Вернуться наверх
 
Не в сети
 Заголовок сообщения: Re: Универсальное зарядное устройство Uвых=5В (const)
СообщениеДобавлено: Пт июл 23, 2010 18:18:26 
Встал на лапы

Зарегистрирован: Пн июл 12, 2010 16:03:11
Сообщений: 136
Рейтинг сообщения: 0
У меня индикатор СС56-12SRWA. Я их планирую использовать 2 шт. (часы и термометр) Ввиду того, что один сегмент потребляет около 20мА, то полный ток двух индикаторов будет около 1,3А. Поэтому и хочу подобрать правильно трансформатор и др. комплектующие, чтобы правильно собрать БП и ничего не перепаивать и был запас.
Про зарядку спрашивал, чтобы узнать хватит ли у нее мощности для запитки, например, только часов.
walkerru писал(а):
А почему не хотите запитаться от компьютерного БП?

Хочется хочу постоянно устройство запитывать. А ввиду того, что комп я периодически полностью отключаю, то не получится.
walkerru писал(а):
Как на зарядке (на шильдике) отмаркирован выход? прямая чёрточка, синусоида или прямая черточка и точки над ней?

Естественно прямая черточка. В частности как я писал выше у меня есть от плеера зарядка, на которой написано 5В(здесь как раз прямая черта между ними)300 мА. Но как видно тока явно не хватает. А зарядки, чтоб ток был больше ампера не нашел. В интернет-магазине я видел на 700 мА. Я думаю, что ее хватит для подпитки чего-то одного.
walkerru писал(а):
Вам нужна стабилизированная, а бывают: переменного тока, нестабилизированные и стабилизированные.

Для этого можно как и поставить стабилизатор перед всей цепью.


Вернуться наверх
 
Не в сети
 Заголовок сообщения: Re: Универсальное зарядное устройство Uвых=5В (const)
СообщениеДобавлено: Пт июл 23, 2010 18:56:36 
Сверлит текстолит когтями
Аватар пользователя

Карма: 1
Рейтинг сообщений: 18
Зарегистрирован: Вс май 16, 2010 15:56:54
Сообщений: 1223
Откуда: Москва
Рейтинг сообщения: 0
Просто цена компьютерного БП б/у на данный момент ниже, чем собирать свой БП, да еще из чип-и-дипа. А запасы по токам там будут огромные. Но габарит подкачал.

На 2А есть такая версия 7805: http://www.chipdip.ru/product0/47412252.aspx

По поводу 1.3А вы ошибаетесь. У вашей схемы поразрядная динамическая индикация. И в самом плохом случае (где-то горит 8-ка с точкой) индикатор будет жрать 8*0,02=160мА Кстати, а как вы собираетесь туда приладить второй индикатор?

Универсальный внешний БП на 1.3А покупал в свое время в «Мире». Но стоил он около 1000р.


Вернуться наверх
 
Не в сети
 Заголовок сообщения: Re: Универсальное зарядное устройство Uвых=5В (const)
СообщениеДобавлено: Пт июл 23, 2010 19:37:41 
Встал на лапы

Зарегистрирован: Пн июл 12, 2010 16:03:11
Сообщений: 136
Рейтинг сообщения: 0
walkerru писал(а):
Кстати, а как вы собираетесь туда приладить второй индикатор?

2 МК: один - часы, другой - термометр.
walkerru писал(а):
У вашей схемы поразрядная динамическая индикация. И в самом плохом случае (где-то горит 8-ка с точкой) индикатор будет жрать 8*0,02=160мА Кстати, а как вы собираетесь туда приладить второй индикатор?

Но у меня же 4-х разрядный индикатор (четыре цифры выводятся). Следовательно, 4*160 мА = 640 мА. Это потребляет одно табло. И еще одно второе такое же.


Вернуться наверх
 
Показать сообщения за:  Сортировать по:  Вернуться наверх
Начать новую тему Ответить на тему  [ Сообщений: 61 ]  1, , ,  

Часовой пояс: UTC + 3 часа


Кто сейчас на форуме

Сейчас этот форум просматривают: нет зарегистрированных пользователей и гости: 25


Вы не можете начинать темы
Вы не можете отвечать на сообщения
Вы не можете редактировать свои сообщения
Вы не можете удалять свои сообщения
Вы не можете добавлять вложения

Найти:
Перейти:  


Powered by phpBB © 2000, 2002, 2005, 2007 phpBB Group
Русская поддержка phpBB
Extended by Karma MOD © 2007—2012 m157y
Extended by Topic Tags MOD © 2012 m157y