Например TDA7294

Форум РадиоКот • Просмотр темы - Параллельный программатор
Форум РадиоКот
Здесь можно немножко помяукать :)

Текущее время: Вс окт 19, 2025 22:42:04

Часовой пояс: UTC + 3 часа


ПРЯМО СЕЙЧАС:



Начать новую тему Ответить на тему  [ Сообщений: 3008 ]     ... , , , 6, , , ...  
Автор Сообщение
Не в сети
 Заголовок сообщения:
СообщениеДобавлено: Вс июн 03, 2007 14:31:45 
Друг Кота
Аватар пользователя

Карма: 6
Рейтинг сообщений: 32
Зарегистрирован: Чт сен 14, 2006 11:42:09
Сообщений: 3792
Откуда: Обитаю на чердаке
Рейтинг сообщения: 0
Делать надо так, чтобы не было потом мучительно больно за сожжённую аппаратуру и впустую "сэкономленные" деньги. 8)

_________________
Память очень интересная штука: бывает так, что запомнишь одно, а вспомнишь другое...


Вернуться наверх
 
Не в сети
 Заголовок сообщения:
СообщениеДобавлено: Вс июн 03, 2007 18:13:28 
Модератор
Аватар пользователя

Карма: 27
Рейтинг сообщений: 58
Зарегистрирован: Пн апр 03, 2006 11:43:25
Сообщений: 4517
Откуда: Санкт - Петербург
Рейтинг сообщения: 0
Медали: 3
Получил миской по аватаре (1) Мявтор 2-й степени (1) Мявтор 3-й степени (1)
Так, все, кончай базар-вокзал не по теме.
С разъемом разобрались, кабель - на совести автора.
Какие еще мысли есть ПО ТЕМЕ?

_________________
Оптимизм х (Опыт + Знания) = const


Вернуться наверх
 
Не в сети
 Заголовок сообщения:
СообщениеДобавлено: Пн июн 04, 2007 03:04:21 
Первый раз сказал Мяу!
Аватар пользователя

Зарегистрирован: Пт мар 23, 2007 19:51:45
Сообщений: 29
Откуда: Иркутск
Рейтинг сообщения: 0
Isil писал(а):
Схема рабочая, описание качественное......

Рабочая, говоришь? Но как работает - непонятно.
Непонятно преобразование TTL/RS-232. По стандарту RS-232 "единицы" передаются в линию отрицательным напряжением от -3 до -12v, а "нули" - таким же, но положительным напряжением. А здесь как? В линию уходят только однополярные положительные импульсы. По-моему, комп запросто может воспринимать такие импульсы как сплошной "ноль", т.к. +5v - это для него "ноль", а напряжение от минус трёх до плюс трёх - это "зона неопределённости". Один комп воспримет "неопределённость" как "единицу", а другой - как "ноль". Поэтому, если на чьём-то конкретном компе это работает, то на другом - запросто может не работать (компорт у него на другой микрухе сделан, к примеру...).
Если в программаторе нет отрицательного источника питания и не хочется делать, можно поставить MAX232 или сделать как в AVR910 (получить минусовое питание из принимаемых от компа сигналов).


Вернуться наверх
 
Не в сети
 Заголовок сообщения:
СообщениеДобавлено: Пн июн 04, 2007 07:06:57 
Друг Кота
Аватар пользователя

Карма: 6
Рейтинг сообщений: 32
Зарегистрирован: Чт сен 14, 2006 11:42:09
Сообщений: 3792
Откуда: Обитаю на чердаке
Рейтинг сообщения: 0
Тихоня, усё верно, усё справедливо! Только сейчас уж очень часто стали отступать от стандарта RS232 :cry: , я в какой-то теме об этом подробно писал. Основные моменты: сигнал передаётся только одной полярностью; уровни напряжений делают по минимуму: 3,3-5 В; линии используют только RxD, TxD и SG, вместо остальных сигналов - перемычки.

С этим очень часто связаны многие проблемы во многих компьютерах, выпущенных примерно после 1994-1996 г. (когда появилась шина PCI).

_________________
Память очень интересная штука: бывает так, что запомнишь одно, а вспомнишь другое...


Последний раз редактировалось Мышонок Пн июн 04, 2007 17:22:34, всего редактировалось 1 раз.

Вернуться наверх
 
Эиком - электронные компоненты и радиодетали
Не в сети
 Заголовок сообщения:
СообщениеДобавлено: Пн июн 04, 2007 07:40:18 
Первый раз сказал Мяу!
Аватар пользователя

Зарегистрирован: Пт мар 23, 2007 19:51:45
Сообщений: 29
Откуда: Иркутск
Рейтинг сообщения: 0
Ну, ограничить размах до 5 вольт ещё можно, в диапазон попадёшь всё равно, помехоустойчивость снижается, но для коротких линий потянет. А вот передача одной полярностью - это уже слишком! Как можно гарантировать, что все приёмники это нормально воспримут?
Упрощения тоже должны быть разумными и не выходить за те рамки, за которыми начинаются проблемы... А уж если все мыслимые упрощения применены одновременно, то и к гадалке ходить не надо, чтобы узнать, какой будет результат :)


Вернуться наверх
 
Не в сети
 Заголовок сообщения:
СообщениеДобавлено: Пн июн 04, 2007 11:36:57 
Друг Кота
Аватар пользователя

Карма: 39
Рейтинг сообщений: 717
Зарегистрирован: Ср фев 01, 2006 22:29:02
Сообщений: 3108
Откуда: г.Ростов-на-Дону
Рейтинг сообщения: 0
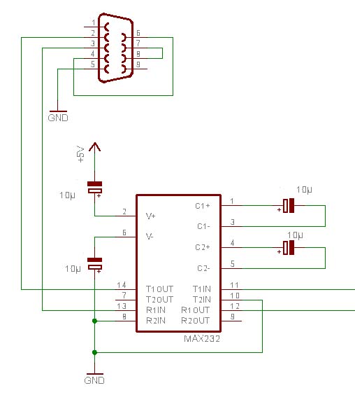
Вот еще думаю может вместо резюков и транзисторов для RS-232 прикрутить MAX232 по такой схеме :)) , да и вообще как бы его проверить на запросы и ответы без подключенного востанавливаемого микроконтроллера дабы проверить две вещи работает или не работает сам программатор убит или неубит востанавливаемый микроконтроллер?


Вложения:
Комментарий к файлу: Цепляем MAX232
232.jpg [45.96 KiB]
Скачиваний: 1784
Вернуться наверх
 
Не в сети
 Заголовок сообщения:
СообщениеДобавлено: Пн июн 04, 2007 17:26:45 
Друг Кота
Аватар пользователя

Карма: 6
Рейтинг сообщений: 32
Зарегистрирован: Чт сен 14, 2006 11:42:09
Сообщений: 3792
Откуда: Обитаю на чердаке
Рейтинг сообщения: 0
Тихоня, я с тобой полностью согласен, но ведь делают же! :) Совсем недавно подобная проблема у нас возникала: на старом компьютере программатор шёл, на новом - отказался работать. Причина: упрощённый RS-232 (COM-порт), т.е. НАРУШЕНИЕ СТАНДАРТА.

_________________
Память очень интересная штука: бывает так, что запомнишь одно, а вспомнишь другое...


Вернуться наверх
 
Не в сети
 Заголовок сообщения:
СообщениеДобавлено: Пн июн 04, 2007 17:33:50 
Друг Кота
Аватар пользователя

Карма: 39
Рейтинг сообщений: 717
Зарегистрирован: Ср фев 01, 2006 22:29:02
Сообщений: 3108
Откуда: г.Ростов-на-Дону
Рейтинг сообщения: 0
Хотя вот сегодня погонял интересная закономерность прослеживается, :) по умолчанию на подопытный микроконтроллер идет только +12V на Reset +5V нет жмем определить микроконтроллер по прежнему имеем только +12V. Хорошо берем принудительно выставляем подключенный микроконтроллер (в моем случае 8 мега) открываем любую прошивку и жмем записать, процесс пошел есть и +12V и +5V т по данной прогонке по крайенй мере могу судить что программатор хоть как то отзывается а вот далее темный лес не могу понять почему он себя так ведет.
Вопрос к тем кто может его собрал раньше меня можете поведение его описать по напряжениям где что появляется и где что изчезает при общении программатора с компом.


Вернуться наверх
 
Не в сети
 Заголовок сообщения:
СообщениеДобавлено: Вт июн 05, 2007 02:59:36 
Первый раз сказал Мяу!
Аватар пользователя

Зарегистрирован: Пт мар 23, 2007 19:51:45
Сообщений: 29
Откуда: Иркутск
Рейтинг сообщения: 0
Sailanser писал(а):
... по умолчанию на подопытный микроконтроллер идет только +12V на Reset +5V нет жмем определить микроконтроллер по прежнему имеем только +12V......

Я не собирал это изделие, но, судя по даташиту на ATmega8, +12v поданное без +5 - это аномалия, такого режима не предусмотрено. Проверь исправность ключа по 12 вольтам, не пробит ли он? Или же постоянно низкий уровень на 4-й ножке КР293КП9, по цепи управления ключом?


Вернуться наверх
 
Не в сети
 Заголовок сообщения:
СообщениеДобавлено: Вт июн 05, 2007 16:22:08 
Друг Кота
Аватар пользователя

Карма: 39
Рейтинг сообщений: 717
Зарегистрирован: Ср фев 01, 2006 22:29:02
Сообщений: 3108
Откуда: г.Ростов-на-Дону
Рейтинг сообщения: 0
Добил наконец этот программер (пересобрал его на макетке) выкинул нафиг преобразователь RS232 на транзисторах, и поставил на MAX232 по той схеме что приводил выше, и все, на ура заработало, :) и определяться стало и чип видеть кстати мега8 нормальная ни сигнатура ни чего прочее убито не было единственно что косяково работает это микруха ключа КР293КП9 напряжение по входам есть на выходе нифига такое впечатление что дохлая, пока просто +12 и +5 пустил в обход нее. Ни у кого случайно на ней (КР293КП9) нет инфы (в нете искал только распиновка везде и все) что бы можно было посмотреть этого зверя да и замену ему подыскать из забугорных деталей а то в последнее время смотрю что то отечетвенное все х****** стало.
Если кому интересно будет то выложу переработанную схему и плату.


Вернуться наверх
 
Не в сети
 Заголовок сообщения:
СообщениеДобавлено: Вт июн 05, 2007 18:32:43 
Друг Кота
Аватар пользователя

Карма: 6
Рейтинг сообщений: 32
Зарегистрирован: Чт сен 14, 2006 11:42:09
Сообщений: 3792
Откуда: Обитаю на чердаке
Рейтинг сообщения: 0
Про серию КР293 можно глянуть здесь (сайты всё время путаю - одно предприятие на два раскололось! :) ) :
http://www.proton-impuls.ru
http://www.proton-orel.ru
Там много чего интересного есть! :))

_________________
Память очень интересная штука: бывает так, что запомнишь одно, а вспомнишь другое...


Вернуться наверх
 
Не в сети
 Заголовок сообщения:
СообщениеДобавлено: Вт июн 05, 2007 18:52:15 
Друг Кота
Аватар пользователя

Карма: 39
Рейтинг сообщений: 717
Зарегистрирован: Ср фев 01, 2006 22:29:02
Сообщений: 3108
Откуда: г.Ростов-на-Дону
Рейтинг сообщения: 0
Спасибо!
Но у этих я был еще когда подыскивал эту са мую КР293КП9 там только основные параметры хотелосось бы где то надыбать более полные а тосмотрю по входам напрядение меняется от 0 до 4,45 в а на выходе нифига вот и думаю как ее проверить на "битость".


Вернуться наверх
 
Не в сети
 Заголовок сообщения:
СообщениеДобавлено: Вт июн 05, 2007 18:55:18 
Друг Кота
Аватар пользователя

Карма: 6
Рейтинг сообщений: 32
Зарегистрирован: Чт сен 14, 2006 11:42:09
Сообщений: 3792
Откуда: Обитаю на чердаке
Рейтинг сообщения: 0
Смотрите по ссылкам внимательнее! У них сейчас полно и справочной, и учебной документации - там есть что поискать! :wink:

_________________
Память очень интересная штука: бывает так, что запомнишь одно, а вспомнишь другое...


Вернуться наверх
 
Не в сети
 Заголовок сообщения:
СообщениеДобавлено: Ср июн 06, 2007 05:38:34 
Первый раз сказал Мяу!
Аватар пользователя

Зарегистрирован: Пт мар 23, 2007 19:51:45
Сообщений: 29
Откуда: Иркутск
Рейтинг сообщения: 0
Я недавно собрал HVProg по схеме, взятой на сайте у немцев. Как и многих других, меня привлекло поначалу то, что управляющая программа и firmware поставляются фирмой Atmel, то есть все возможные в будущем обновления у меня гарантированно будут.
Плату пришлось разводить самостоятельно, чтобы влезла в имеющийся у меня футлярчик (вместо корпуса). Сделал также пару переходников для подключения программируемых микроконтроллеров, пока только самых распространённых, в DIP-корпусах. Питание взял от IBM PC, т.к. комп у меня всё равно всегда стоит на столе без крышки. Для тех, кому интересно, прилагаю внешний вид получившейся конструкции.
Первое впечатление от работы - положительное, т.е. работает чётко, стабильно, никаких претензий нет.


Вложения:
Комментарий к файлу: Вариант реализации программатора HVProg (внешний вид конструкции)
HVProg_.jpg [190.89 KiB]
Скачиваний: 4042
Вернуться наверх
 
Не в сети
 Заголовок сообщения:
СообщениеДобавлено: Ср июн 06, 2007 08:29:08 
Модератор
Аватар пользователя

Карма: 27
Рейтинг сообщений: 58
Зарегистрирован: Пн апр 03, 2006 11:43:25
Сообщений: 4517
Откуда: Санкт - Петербург
Рейтинг сообщения: 0
Медали: 3
Получил миской по аватаре (1) Мявтор 2-й степени (1) Мявтор 3-й степени (1)
Вы бы лучше это, платкой поделились, а то внешний вид - это, конечно, здорово (кстати, действительно очень приятно и аккуратно выглядит), но хочется чего-то большего... :wink: :)

_________________
Оптимизм х (Опыт + Знания) = const


Вернуться наверх
 
Не в сети
 Заголовок сообщения:
СообщениеДобавлено: Чт июн 07, 2007 03:02:41 
Первый раз сказал Мяу!
Аватар пользователя

Зарегистрирован: Пт мар 23, 2007 19:51:45
Сообщений: 29
Откуда: Иркутск
Рейтинг сообщения: 0
Aheir писал(а):
Вы бы лучше это, платкой поделились, а то внешний вид - это, конечно, здорово (кстати, действительно очень приятно и аккуратно выглядит), но хочется чего-то большего... :wink: :)

Да, по-моему, смысла особого нет. На сайте-источнике всё имеется. Не подумайте, что я жадина :)) , но я переделывал под свои вкусы, возможности и детали. Например, разъёмы нашлись такие, как есть, кварц у меня маленький и я засунул его под микроконтроллер (а у кого-то, может быть, маленького нет). А общие размеры практически те же остались. Да и программу для разводки плат я скачал, как выяснилось, не самую нынче популярную: PCB Developer's Individual Assistant V2.2b, и всё теперь у меня в этом формате. Нужно такое кому-нибудь?


Вернуться наверх
 
Не в сети
 Заголовок сообщения:
СообщениеДобавлено: Чт июн 07, 2007 10:53:40 
Друг Кота
Аватар пользователя

Карма: 39
Рейтинг сообщений: 717
Зарегистрирован: Ср фев 01, 2006 22:29:02
Сообщений: 3108
Откуда: г.Ростов-на-Дону
Рейтинг сообщения: 0
Вобщем кому интересно вот переделанный вариант программатора схема и плата выкинуто транзисторы и резисторы а поставлено MAX232 и еще по мелочи например Reset подтянут к +5 для более стабильной работы.
Если кому этого недостаточно будет то положу родные игловские файлы.


Вложения:
Комментарий к файлу: Схемка и платка.
EaglePara_prog.rar [41.74 KiB]
Скачиваний: 1981
Вернуться наверх
 
Не в сети
 Заголовок сообщения:
СообщениеДобавлено: Чт июн 07, 2007 11:30:58 
Встал на лапы
Аватар пользователя

Зарегистрирован: Чт янв 11, 2007 12:14:33
Сообщений: 117
Рейтинг сообщения: 0
Всем привет.
Ну вот свершилось, собрал тоже этот программатор .
Ну а проблема такова надо прошить контролер тока как ?
Как я понял прошивка лежит в AVR studio и прошивается тоже через него так ли это?
Если так то где можно скачать AVR studio последнюю версию и если можно русскую :))
Заранее благодарен.


Вернуться наверх
 
Не в сети
 Заголовок сообщения:
СообщениеДобавлено: Чт июн 07, 2007 12:00:21 
Первый раз сказал Мяу!
Аватар пользователя

Зарегистрирован: Пт мар 23, 2007 19:51:45
Сообщений: 29
Откуда: Иркутск
Рейтинг сообщения: 0
Studio качается с сайта www.atmel.com, о русской версии не слыхал :)
А для прошивки МК я собирал на макетке отдельный программатор на ATtiny2313 по схеме http://www.mikrocontroller-projekte.de/ ... ammer.html. Может быть кто-то знает и другой способ...


Вернуться наверх
 
Не в сети
 Заголовок сообщения:
СообщениеДобавлено: Чт июн 07, 2007 12:11:57 
Встал на лапы
Аватар пользователя

Зарегистрирован: Чт янв 11, 2007 12:14:33
Сообщений: 117
Рейтинг сообщения: 0
А вы немогли дать более точную ссылку на сайт AVR Studio я зашел найти так и не нашел ,англиский надо было учить :))
А что простым програматором без тиньки нельзя ATmega прошить yапример который на 74HC244?


Вернуться наверх
 
Показать сообщения за:  Сортировать по:  Вернуться наверх
Начать новую тему Ответить на тему  [ Сообщений: 3008 ]     ... , , , 6, , , ...  

Часовой пояс: UTC + 3 часа


Кто сейчас на форуме

Сейчас этот форум просматривают: Moto_v3x и гости: 42


Вы не можете начинать темы
Вы не можете отвечать на сообщения
Вы не можете редактировать свои сообщения
Вы не можете удалять свои сообщения
Вы не можете добавлять вложения

Найти:
Перейти:  


Powered by phpBB © 2000, 2002, 2005, 2007 phpBB Group
Русская поддержка phpBB
Extended by Karma MOD © 2007—2012 m157y
Extended by Topic Tags MOD © 2012 m157y