Например TDA7294

Форум РадиоКот • Просмотр темы - Юзаем дисплеи от сотовых и других потаскунчиков.
Форум РадиоКот
Здесь можно немножко помяукать :)

Текущее время: Сб дек 06, 2025 22:47:52

Часовой пояс: UTC + 3 часа


ПРЯМО СЕЙЧАС:



Начать новую тему Ответить на тему  [ Сообщений: 1458 ]     ... , , , , 73
Автор Сообщение
 Заголовок сообщения: Re: Юзаем дисплеи от сотовых и других потаскунчиков.
СообщениеДобавлено: Пт июн 04, 2021 23:42:01 
del


Вернуться наверх
   
 
В сети
 Заголовок сообщения: Re: Юзаем дисплеи от сотовых и других потаскунчиков.
СообщениеДобавлено: Пт июн 25, 2021 11:44:19 
Собутыльник Кота
Аватар пользователя

Карма: 21
Рейтинг сообщений: 252
Зарегистрирован: Ср янв 16, 2008 08:34:04
Сообщений: 2555
Откуда: KMV
Рейтинг сообщения: 0
Попался дисплей с маркировкой HP97510NG-DYP0.
Ищу на него документацию и схему включения. Дисплей монохромный.
Видимо не очень распространенный или контроллер там специфический. Ибо в интернете запросы на него есть, но более подробную информацию я пока не нашел


Вернуться наверх
 
Не в сети
 Заголовок сообщения: Re: Юзаем дисплеи от сотовых и других потаскунчиков.
СообщениеДобавлено: Пн июн 28, 2021 23:35:00 
Родился

Зарегистрирован: Пн июн 28, 2021 22:35:24
Сообщений: 1
Рейтинг сообщения: 0
Дисплей от Fly MC120/MP600, контроллер SPFD54124B, в 8-битном 8080 режиме запустил без проблем.
Интересует режим SPI 4-line, есть возможность на шлейфе перекоммутировать линии IM2 для режима SPI 4-line.
А дальше непонятки:
SDA - DB0 (In SPI I/F, D0 is used as Serial input/ output signal)
SCL - D/CX (In SPI I/F, this is used as SCL pin)
То есть в режиме SPI 4-line линия D/CX становиться SCL, а где же взять D/CX необходимый для 4-line?
Пересмотрел даташит на 100500 раз, в описании режима SPI 4-line 8-bit красивые картинки, с использованием сигнала D/CX, но куда его подключить????


Вернуться наверх
 
Не в сети
 Заголовок сообщения: Re: Юзаем дисплеи от сотовых и других потаскунчиков.
СообщениеДобавлено: Чт июл 29, 2021 22:22:58 
Опытный кот
Аватар пользователя

Карма: 13
Рейтинг сообщений: 163
Зарегистрирован: Сб дек 22, 2012 08:17:42
Сообщений: 744
Откуда: Караганда, Казахстан
Рейтинг сообщения: 0
Дисплей, правда, не от "потаскунчика", но тем не менее...

Купил я его на Али, довольно давно. Недавно попробовал разобраться - изба фигвам, на нём ни один пин не подписан! Все, что удалось найти по нему - это ВОТ ЭТО. Мне это ничего не дало (не знаю я Ардуин), зато фотографии там прекрасные.

Может кто подскажет что? Где взять цоколёвку? Какой там чип контроллера? И вообще, что еще о нем известно?

_________________
Кто мешает тебе выдумать порох непромокаемый? (К. Прутков, мысль № 133)


Вернуться наверх
 
Эиком - электронные компоненты и радиодетали
В сети
 Заголовок сообщения: Re: Юзаем дисплеи от сотовых и других потаскунчиков.
СообщениеДобавлено: Пт июл 30, 2021 10:15:13 
Собутыльник Кота
Аватар пользователя

Карма: 21
Рейтинг сообщений: 252
Зарегистрирован: Ср янв 16, 2008 08:34:04
Сообщений: 2555
Откуда: KMV
Рейтинг сообщения: 0
afz, мои логические рассуждения таковы.
Если на плате дисплея написано Mega2560, то это скорее всего шилд имено под плату ARDUINO Mega2560, и у нее как раз есть подходящий разъем и известна распиновка платы http://wiki.amperka.ru/%D0%BF%D1%80%D0% ... -mega-2560.
Далее, недолгим поиском был обнаружен немного похожий дисплей на Алиэкспресс https://aliexpress.ru/item/4001226270961.html. Он не 100% близнец, но, думаю, распиновка будет схаожая.
Также, попалась эта статья https://istarik.ru/blog/stm32/149.html
Контроллер дисплея может быть что-то из ILI9341/ILI9486/ILI9488.
Может попробовать отклеить дисплей от платы и посмотреть что под ним?


Вернуться наверх
 
Не в сети
 Заголовок сообщения: Re: Юзаем дисплеи от сотовых и других потаскунчиков.
СообщениеДобавлено: Вс авг 01, 2021 16:41:56 
Опытный кот
Аватар пользователя

Карма: 13
Рейтинг сообщений: 163
Зарегистрирован: Сб дек 22, 2012 08:17:42
Сообщений: 744
Откуда: Караганда, Казахстан
Рейтинг сообщения: 0
serg_svd писал(а):
ARDUINO Mega2560, и у нее как раз есть подходящий разъем и известна распиновка платы
Да, других вариантов нет.
serg_svd писал(а):
Может попробовать отклеить дисплей от платы и посмотреть что под ним?
Бесполезно. Там ленточка, идущая от дисплея, припаяна к ряду контактов на плате, и все. В общем, придется вникать в ардуинку...

Спасибо!

_________________
Кто мешает тебе выдумать порох непромокаемый? (К. Прутков, мысль № 133)


Вернуться наверх
 
Не в сети
 Заголовок сообщения: Re: Юзаем дисплеи от сотовых и других потаскунчиков.
СообщениеДобавлено: Сб ноя 06, 2021 17:49:54 
Родился

Зарегистрирован: Сб ноя 06, 2021 17:47:59
Сообщений: 13
Рейтинг сообщения: 0
Всем привет! Есть дисплей от Nokia 6100, с крошечным разъемом и шлейфом, как их вообще лучше паять? Опытные коты, подкиньте советов как паять такие шлейфа. Есть просто старые кнопочники, и если с мобилами типа C350 все просто и понятно(контакты "бутербродом" прижимаются как на старых нокиях"), то с нокиевскими дисплеями все сильно сложнее.


Вернуться наверх
 
Не в сети
 Заголовок сообщения: Re: Юзаем дисплеи от сотовых и других потаскунчиков.
СообщениеДобавлено: Сб ноя 06, 2021 21:17:39 
Опытный кот
Аватар пользователя

Карма: 7
Рейтинг сообщений: 84
Зарегистрирован: Чт окт 22, 2009 14:23:03
Сообщений: 781
Откуда: Тростянец
Рейтинг сообщения: 0
Давно продают платы переходники ..под ДИП и делай с ней что хош!
тут дешево
https://voron.ua/uk/catalog/development ... qfn-boards
На Али китаезы прихуели и подняли цены ...

В вашем конкретном случае - зайти в ремонтную мастерскую попросить убитый шлейф от 1200 или тело 6100 что с него сдули ответную часть и припаять проводочками - даже без микроскопа


Вернуться наверх
 
Не в сети
 Заголовок сообщения: Re: Юзаем дисплеи от сотовых и других потаскунчиков.
СообщениеДобавлено: Чт апр 28, 2022 20:39:51 
Родился

Зарегистрирован: Сб ноя 06, 2021 17:47:59
Сообщений: 13
Рейтинг сообщения: 0
Всем привет! Досталось несколько старых китайских подделок под sgs на джаве, решил применить здоровые почти 5 дюймовые дисплеи в своей консоли. Шлейф удобный и паябельный, распиновка стандартная судя по всему, подсветка 5в обычная. Юзаю esp32, ног там не оч много и там spi работает на частоте всей шины(~80мгц, хватит на 120гц этому дисплею :D) и умеет хардварный dma. Подскажите кто более опытный, нераспаянная мелочь на задней стороне не отвечает за IM случайно(из вашего опыта?). А то хардварной 8080 шины у мк нет, будет медленнее, придется параллелить на второе ядро :)

СпойлерИзображение


Вернуться наверх
 
Не в сети
 Заголовок сообщения: Re: Юзаем дисплеи от сотовых и других потаскунчиков.
СообщениеДобавлено: Ср май 11, 2022 06:22:35 
Прорезались зубы
Аватар пользователя

Карма: 5
Рейтинг сообщений: 30
Зарегистрирован: Пн июл 04, 2016 16:51:22
Сообщений: 232
Откуда: Россия, Омск
Рейтинг сообщения: 0
Юзаю esp32, ног там не оч много и там spi работает на частоте всей шины(~80мгц, хватит на 120гц этому дисплею :D) и умеет хардварный dma.

Про хардварный DMA - просто уморили. Так-то он да, аппаратный. Но работает с передачей данных блоками НЕ БОЛЕЕ 4кБ за раз. Плюс, нельзя просто так взять и собрать большую цепочку задач по передаче данных и запустить её. На какой-то записи свободное место в списке закончится и задача будет ждать, пока DMA пропихнёт данные в периферию... у меня так экран 128*160 вешал ядро и оно перезапускалось. Это раз.
Второе. DMA умеет только RAM и периферию. Всё. Внешняя память для него недоступна вообще никак. Как так? Кто бы знал. Хотя QSPI-RAM имеет аппаратную поддержку, но читать из неё может только ядро. Почему так? Хочется спросить у авторов чипа.

По дисплею. Шлейф похож на 16-битный... вероятно IM выведен наружу, но не могу разглядеть, какие пины. Чаще всего этот пин выводят ближе к первым пинам, как раз рядом с пинами питания.


Вернуться наверх
 
Не в сети
 Заголовок сообщения: Re: Юзаем дисплеи от сотовых и других потаскунчиков.
СообщениеДобавлено: Вс май 15, 2022 15:44:11 
Встал на лапы
Аватар пользователя

Зарегистрирован: Вс ноя 15, 2009 22:27:17
Сообщений: 106
Рейтинг сообщения: 0
Всем добра.
После ремонтов для знакомых появилось у меня пара модулей от Xiaomi Redmi 7. Сенсор битый, матрица не пострадала. Реально их применить где-нибудь в поделиях своих?

_________________
...Дык...


Вернуться наверх
 
Не в сети
 Заголовок сообщения: Re: Юзаем дисплеи от сотовых и других потаскунчиков.
СообщениеДобавлено: Ср май 18, 2022 16:06:11 
Поставщик валерьянки для Кота
Аватар пользователя

Карма: 66
Рейтинг сообщений: 536
Зарегистрирован: Чт июл 28, 2016 07:58:37
Сообщений: 1925
Откуда: Kyiv, UA
Рейтинг сообщения: 0
Приветствую.
Попался в руки дисплей от дохлого видеорегистратора. 2.4".
Увы, платы регика нет, мне "сдули" дисплей, остальное выкинули.
Может кто встречался или может подсказать, куда копать.
На задней стороне дисплея - SH-7004-240-01 - гугл такое не знает...
На шлейфе - SJ24N-367V3F и 6.14HSD9341 - по этому гугл находит только очки для плавания в Японии..
Я так понимаю, что это дисплей с контроллером ILI9341... Но распиновку где искать? При том, что используются из 36 контактов только 16+2 на подсветку....
Может кто сталкивался с чем то похожим и подскажет куда копать?

Картинки крупным планом
СпойлерИзображение
Изображение
Изображение


Вложения:
side2.jpg [190.39 KiB]
Скачиваний: 1172
side1.jpg [190.4 KiB]
Скачиваний: 1185
mark.jpg [12.92 KiB]
Скачиваний: 1164

_________________
ИзображениеИзображение
Изображение
 
Telegram               Лучшая благодарность ->
[+]
Вернуться наверх
 
Не в сети
 Заголовок сообщения: Re: Юзаем дисплеи от сотовых и других потаскунчиков.
СообщениеДобавлено: Ср апр 26, 2023 09:41:23 
Родился

Зарегистрирован: Ср фев 12, 2020 21:24:04
Сообщений: 5
Рейтинг сообщения: 0
зы... архив, что ли большой? сюдой не лезет...
http://rghost.ru/download/59453091/3b27 ... A7551G.rar

Изображение

Ни у кого не остался архивчик их этого поста?


Вернуться наверх
 
Не в сети
 Заголовок сообщения: Re: Юзаем дисплеи от сотовых и других потаскунчиков.
СообщениеДобавлено: Чт июл 25, 2024 11:53:50 
Родился

Зарегистрирован: Ср апр 20, 2022 13:43:59
Сообщений: 12
Рейтинг сообщения: 0
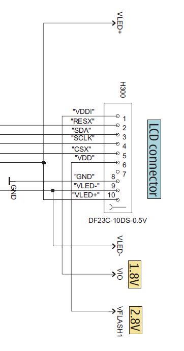
Пытаюсь разобраться , ка подключить дисплей от nokia rh-59 к esp8266. Сам дисплей имеет номер 4850835. В правильном ли направлении двигаюсь?


Вложения:
Комментарий к файлу: План подключения
Безымянный.png [3.42 KiB]
Скачиваний: 119
Комментарий к файлу: Распиновка дисплея
Lcd.png [23.07 KiB]
Скачиваний: 123
Вернуться наверх
 
Не в сети
 Заголовок сообщения: Re: Юзаем дисплеи от сотовых и других потаскунчиков.
СообщениеДобавлено: Вс янв 12, 2025 21:36:58 
Мучитель микросхем
Аватар пользователя

Карма: 7
Рейтинг сообщений: 101
Зарегистрирован: Ср сен 16, 2020 20:38:41
Сообщений: 435
Откуда: Краснодарский край, г.Абинск
Рейтинг сообщения: 2
Под очередной Arduino проект решил дисплейчик побольшЕе разрешением замутить :) .
Под руку попался старенький сотовый Explay Q231 с дисплеем 2,3'' 320х240, вот его и прикрутим. Озадачил интернет, он подсказал, что контроллер тут ILI9342C и посоветовал библиотечку TFTLCD-Library_ILI9342.
Взял, прикрутил к UNO дисплейчик ...
Изображение
залил Graphics_Test что с библиотечкой ... а оно без танцев с бубном и заработало :wink: .
Но не на проводах же это всё таскать ;-). Получилась у меня в итоге такая платка ...
Изображение
и готовый модуль на UNO красиво приземлился :wink: .
Изображение

N.B. В сотовых Explay Q230 / Q231 / Q232 и Q233 дисплеи взаимозаменяемые.

В ZIP архиве проект KiCad со схемой и платой (KiCad 8.0.7)


Вложения:
2,3'' 320x240 ILI9342 Module.zip [282.2 KiB]
Скачиваний: 69

_________________
Лучше сделать и жалеть, чем жалеть, что не сделал ...
Вернуться наверх
 
Не в сети
 Заголовок сообщения: Re: Юзаем дисплеи от сотовых и других потаскунчиков.
СообщениеДобавлено: Сб ноя 01, 2025 16:09:13 
Родился

Зарегистрирован: Пн мар 04, 2019 16:44:49
Сообщений: 18
Рейтинг сообщения: 0
Добрый вечер! Может кому попадался такой девайс Изображение
Серия дисплейных модулей Easy TFT китайской компании Easttop Display
Микроконтроллер DSP M7-M01 может кто знает что за МК


Вернуться наверх
 
Не в сети
 Заголовок сообщения: Re: Юзаем дисплеи от сотовых и других потаскунчиков.
СообщениеДобавлено: Сб ноя 01, 2025 21:12:11 
Друг Кота
Аватар пользователя

Карма: 62
Рейтинг сообщений: 885
Зарегистрирован: Вт апр 24, 2007 07:45:40
Сообщений: 6186
Откуда: Minsk
Рейтинг сообщения: 0
Скорее всего, заказной МК однократка. Вряд ли на него будет в сети дока.

_________________
Изображение


Вернуться наверх
 
Не в сети
 Заголовок сообщения: Re: Юзаем дисплеи от сотовых и других потаскунчиков.
СообщениеДобавлено: Чт дек 04, 2025 21:04:41 
Родился

Зарегистрирован: Сб ноя 29, 2025 16:13:12
Сообщений: 7
Рейтинг сообщения: 0
Здравствуйте всем,
Такой вопрос. Подружил плату stm32f407zgt6 с дисплеем ili9488, Vers. 1.0. Но картинка на дисплее что то не очень. Может кто то имеет опыт с этими дисплеями?
Дружил через СубеМХ, ТоучGFX и субеИДЕ.

Изображение


Вернуться наверх
 
Показать сообщения за:  Сортировать по:  Вернуться наверх
Начать новую тему Ответить на тему  [ Сообщений: 1458 ]     ... , , , , 73

Часовой пояс: UTC + 3 часа


Кто сейчас на форуме

Сейчас этот форум просматривают: нет зарегистрированных пользователей и гости: 8


Вы не можете начинать темы
Вы не можете отвечать на сообщения
Вы не можете редактировать свои сообщения
Вы не можете удалять свои сообщения
Вы не можете добавлять вложения

Найти:
Перейти:  


Powered by phpBB © 2000, 2002, 2005, 2007 phpBB Group
Русская поддержка phpBB
Extended by Karma MOD © 2007—2012 m157y
Extended by Topic Tags MOD © 2012 m157y