Например TDA7294

Форум РадиоКот • Просмотр темы - Цифровая паяльная станция (от михи-псков)
Форум РадиоКот
Здесь можно немножко помяукать :)

Текущее время: Пт окт 17, 2025 22:12:20

Часовой пояс: UTC + 3 часа


ПРЯМО СЕЙЧАС:



Начать новую тему Ответить на тему  [ Сообщений: 10601 ]     ... , , , 530,  
Автор Сообщение
Не в сети
 Заголовок сообщения: Re: Цифровая паяльная станция (от михи-псков)
СообщениеДобавлено: Ср янв 10, 2024 14:46:08 
Друг Кота
Аватар пользователя

Карма: 55
Рейтинг сообщений: 1637
Зарегистрирован: Чт июн 09, 2011 17:17:47
Сообщений: 5725
Рейтинг сообщения: 0
Да, выход из сна есть, но нет активности паяльника. В сон уходит просто по таймеру, даже когда паяльник используется. Останусь на SI_Mikha_VP_v1.4, спасибо.


Вернуться наверх
 
Не в сети
 Заголовок сообщения: Re: Цифровая паяльная станция (от михи-псков)
СообщениеДобавлено: Ср янв 10, 2024 15:21:32 
Потрогал лапой паяльник
Аватар пользователя

Карма: 12
Рейтинг сообщений: 72
Зарегистрирован: Пт ноя 20, 2015 18:49:43
Сообщений: 348
Рейтинг сообщения: 0
Когда паяльник используется, то достаточно чуть встряхнуть его, если датчик не чувствительный. А так дело привычки :)


Вернуться наверх
 
Не в сети
 Заголовок сообщения: Re: Цифровая паяльная станция (от михи-псков)
СообщениеДобавлено: Ср янв 17, 2024 14:31:06 
Родился

Зарегистрирован: Вс мар 06, 2016 09:02:01
Сообщений: 7
Рейтинг сообщения: 0
Подскажите пож. по Lukey 868.
Обхватываю большими плоскогубцами жало паяльника
в надежде увидеть импульсы подкачки температуры на 13 ножке (Atmega8A-AU tqfp32),
но ничего не меняется. Соответственно при пайке больших элементов вязнет. Прошивка от завода.
Термопара 50 Ом, нагрев 3 Ом. При 260 градусах какой перид и длительность должны быть?
На 937D поставил подстроечник для подгонки соответствия циф. инд. и темпер. на конце жала,
измеряю отдельн. термометром. Термопара сопротивление при нагреве и остывании меняет.
Миливольты на выходе операционника не меняются при эксперименте.
Что смотреть, как исправить?


Вернуться наверх
 
Не в сети
 Заголовок сообщения: Re: Цифровая паяльная станция (от михи-псков)
СообщениеДобавлено: Пн янв 22, 2024 15:19:29 
Родился

Зарегистрирован: Вс мар 06, 2016 09:02:01
Сообщений: 7
Рейтинг сообщения: 0
Где можно скачать прошивку для Lukey 868 Atmega8A-AU TQFP-32 ?


Вернуться наверх
 
Эиком - электронные компоненты и радиодетали
Не в сети
 Заголовок сообщения: Re: Цифровая паяльная станция (от михи-псков)
СообщениеДобавлено: Ср янв 24, 2024 18:26:12 
Потрогал лапой паяльник

Зарегистрирован: Сб май 03, 2014 20:01:51
Сообщений: 361
Откуда: Ижевск
Рейтинг сообщения: 0
Подскажите пож. по Lukey 868.
Термопара сопротивление при нагреве и остывании меняет.

Что смотреть, как исправить?


начать с того, что термопара не меняет сопротивление, она вырабатывает напряжение.

_________________
Электроника -очень точная наука, бубен необходимо держать в левой руке!!!


Вернуться наверх
 
Не в сети
 Заголовок сообщения: Re: Цифровая паяльная станция (от михи-псков)
СообщениеДобавлено: Чт янв 25, 2024 04:09:00 
Друг Кота
Аватар пользователя

Карма: 196
Рейтинг сообщений: 8555
Зарегистрирован: Пн ноя 30, 2009 03:00:01
Сообщений: 42715
Откуда: Нерезиновая
Рейтинг сообщения: 0
vint717 писал(а):
Термопара 50 Ом, нагрев 3 Ом.
Скорее всего, вы ошиблись- если у вас термопара, то она может показать 3 Ом, а вот для нагревателя 3 Ом- МАЛО, а 50 Ом- МНОГО- при питании 24 вольта, 50 Ом это всего ~2,5 ватта, 3Ом при питании 24 вольта- это почти 200 ватт.

ZyaK писал(а):
термопара не меняет сопротивление, она вырабатывает напряжение.
Да, но, если попробовать измерять её сопротивление, то оно тоже будет меняться.


Вернуться наверх
 
Не в сети
 Заголовок сообщения: Re: Цифровая паяльная станция (от михи-псков)
СообщениеДобавлено: Чт янв 25, 2024 14:47:38 
Родился

Зарегистрирован: Вс мар 06, 2016 09:02:01
Сообщений: 7
Рейтинг сообщения: 0
конечно, теморезистор, а не термопара.

нагреватель HAKKO 003 вот с такими параметрами:
Сопротивление нагревательного провода: 2,5-3,5 Ом, сопротивление датчика: 43-58 Ом.

я так понимаю, что этот нагреватель не поддерживает оперативной подкачки температуры
при понижении ее на кончике жала. т.е. датчик не чуствует такие процессы. надо тупо
выставлять на табло 300 град.


Вернуться наверх
 
Не в сети
 Заголовок сообщения: Re: Цифровая паяльная станция (от михи-псков)
СообщениеДобавлено: Вс май 19, 2024 22:40:09 
Родился

Зарегистрирован: Вс май 19, 2024 22:24:34
Сообщений: 1
Рейтинг сообщения: 0
Имеется Lukey 852D+FAN плата второй ревизии. Проблема с феном. К примеру, при заданной температуре в 300 градусов, фен набирает +-400 и после этого остывает до 300 и держит стабильно, если добавлять немного температуры, то скачков нет , а если с 300 выкрутить до 400, то опять скаканет сначала до 450+ и потом понизится до заданного значения. Проверил визуально плату, перепаял практически все контакты, без изменений. Термопара и нагреватель по сопротивлению в норме. Из странного (возможно), это при нагреве фена на плате есть стрекощущий звук как будто от симистора. И ещё фен при наборе температуры раскаляется до красна, пока не достигнет заданного значения, после достижения температуры нагреватель тухнет, а температура продолжает расти дальше.
Работать с этим можно, но подвешивает сидеть ждать, когда наберёт "правильную" температуру.


Вернуться наверх
 
Не в сети
 Заголовок сообщения: Re: Цифровая паяльная станция (от михи-псков)
СообщениеДобавлено: Пн мар 17, 2025 16:48:40 
Родился
Аватар пользователя

Зарегистрирован: Вт дек 19, 2017 17:27:19
Сообщений: 8
Рейтинг сообщения: 0
Народ помогите с прошивкой какую выбрать для Lukey702 (старая версия с зелеными кнопками, на атмега 8L)
Нужна прошивка на фен, скачал с https://mega.nz/folder/tAlDSSRS#LrGdHOq8Uih2p2OFyHsqcQ
прошивку Volly какую выбрать что бы работало? Еще надо ставить диод?
СпойлерИзображение


Вернуться наверх
 
Не в сети
 Заголовок сообщения: Re: Цифровая паяльная станция (от михи-псков)
СообщениеДобавлено: Пн мар 17, 2025 17:02:21 
Вымогатель припоя
Аватар пользователя

Зарегистрирован: Ср фев 09, 2011 02:33:14
Сообщений: 536
Рейтинг сообщения: 0
Диод обязателен.

_________________
Помни: изменить свое мнение для того, чтобы исправить ошибку, - это подлинная свобода; в отличие от настойчивого упорствования в своей ошибке.(Марк Аврелий)


Вернуться наверх
 
Не в сети
 Заголовок сообщения: Re: Цифровая паяльная станция (от михи-псков)
СообщениеДобавлено: Пн мар 17, 2025 20:43:53 
Родился
Аватар пользователя

Зарегистрирован: Вт дек 19, 2017 17:27:19
Сообщений: 8
Рейтинг сообщения: 0
Диод обязателен.

Прошил Luk702_fan_SE-3.rar находиться на странице 137, для индикатора с общим анодом, в данной прошивке диод для среза полуволны не нужен, диод не ставил
Вроде работает, атмегу взял от канала паяльника его нет у меня.

Nimnul писал(а):
Spruts80 А где эта прошивка Luk702_fan_SE-3.rar или она неудачная?...только обратил внимание.

Не удачная, автор сам удалил

Поздно увидел это сообщение :o


Вернуться наверх
 
Не в сети
 Заголовок сообщения: Re: Цифровая паяльная станция (от михи-псков)
СообщениеДобавлено: Пт мар 21, 2025 00:10:59 
Родился
Аватар пользователя

Зарегистрирован: Вт дек 19, 2017 17:27:19
Сообщений: 8
Рейтинг сообщения: 0
Как думаете стоит ли на Люкей 702 ставить фильтр? А то многие пишут то лампочки мигают то помехи от люкея. На Али efi filter с выключателем и предохранителем.

Фильтр не ставят, ставят диод в канале фена.

Спойлер
Вложение:
Диод2.png [205.5 KiB]
Скачиваний: 59

Правильно я поставил диод?


Вернуться наверх
 
Не в сети
 Заголовок сообщения: Re: Цифровая паяльная станция (от михи-псков)
СообщениеДобавлено: Пт мар 21, 2025 08:27:22 
Потрогал лапой паяльник
Аватар пользователя

Карма: 4
Рейтинг сообщений: 105
Зарегистрирован: Вс окт 25, 2020 22:13:25
Сообщений: 354
Откуда: Смоленск
Рейтинг сообщения: 0
Стесняюсь спросить, а почему этот диод программно не "поставлен" ?


Вернуться наверх
 
Не в сети
 Заголовок сообщения: Re: Цифровая паяльная станция (от михи-псков)
СообщениеДобавлено: Пт мар 21, 2025 09:00:13 
Потрогал лапой паяльник

Карма: 2
Рейтинг сообщений: 21
Зарегистрирован: Пн май 04, 2009 14:39:47
Сообщений: 302
Откуда: Россия г. Москва
Рейтинг сообщения: 0
Потому что фены попадаются разные. Есть которые нормально работают на полное напряжение, есть которым это много и приходится срезать пол периода.


Вернуться наверх
 
Не в сети
 Заголовок сообщения: Re: Цифровая паяльная станция (от михи-псков)
СообщениеДобавлено: Пт мар 21, 2025 09:10:45 
Потрогал лапой паяльник
Аватар пользователя

Карма: 4
Рейтинг сообщений: 105
Зарегистрирован: Вс окт 25, 2020 22:13:25
Сообщений: 354
Откуда: Смоленск
Рейтинг сообщения: 0
Понятно, что фены разные, но ИМХО проще в настройках параметр менять, чем диод ставить снимать.


Вернуться наверх
 
Не в сети
 Заголовок сообщения: Re: Цифровая паяльная станция (от михи-псков)
СообщениеДобавлено: Пт мар 21, 2025 13:10:54 
Родился
Аватар пользователя

Зарегистрирован: Вт дек 19, 2017 17:27:19
Сообщений: 8
Рейтинг сообщения: 0
Понятно, что фены разные, но ИМХО проще в настройках параметр менять, чем диод ставить снимать.

А где это ставится в настройках?


Вернуться наверх
 
Не в сети
 Заголовок сообщения: Re: Цифровая паяльная станция (от михи-псков)
СообщениеДобавлено: Пт мар 21, 2025 14:21:59 
Потрогал лапой паяльник
Аватар пользователя

Карма: 4
Рейтинг сообщений: 105
Зарегистрирован: Вс окт 25, 2020 22:13:25
Сообщений: 354
Откуда: Смоленск
Рейтинг сообщения: 0
Я не в курсе. Предположил, хорошо, если бы это было в настройках, чем диод допаивать.


Вернуться наверх
 
Не в сети
 Заголовок сообщения: Re: Цифровая паяльная станция (от михи-псков)
СообщениеДобавлено: Сб сен 27, 2025 11:05:16 
Грызет канифоль

Карма: 4
Рейтинг сообщений: -4
Зарегистрирован: Сб июл 10, 2010 19:33:15
Сообщений: 272
Рейтинг сообщения: 0
Ребята, валяется фен, хочу запилить станцию чисто под фен. Но люблю браться за прожекты с исходниками чтоб если что можно править. Вообще есть исходники этой самой прошивки от Михи, ещё хвалят какую-то Volly-225-Lukey_rework_b5, но тоже исходники не нашел.

ПС
Я пока только выезжаю в тему, пока что все форумы не перекурил


Вернуться наверх
 
Не в сети
 Заголовок сообщения: Re: Цифровая паяльная станция (от михи-псков)
СообщениеДобавлено: Сб сен 27, 2025 17:15:34 
Потрогал лапой паяльник
Аватар пользователя

Карма: 4
Рейтинг сообщений: 105
Зарегистрирован: Вс окт 25, 2020 22:13:25
Сообщений: 354
Откуда: Смоленск
Рейтинг сообщения: 0
fsmoke писал(а):
если что можно править

Чтобы править нужно свой исходник писать.


Вернуться наверх
 
Не в сети
 Заголовок сообщения: Re: Цифровая паяльная станция (от михи-псков)
СообщениеДобавлено: Пн окт 13, 2025 10:48:25 
Родился

Карма: -2
Рейтинг сообщений: 0
Зарегистрирован: Чт май 17, 2018 08:00:07
Сообщений: 8
Рейтинг сообщения: 0
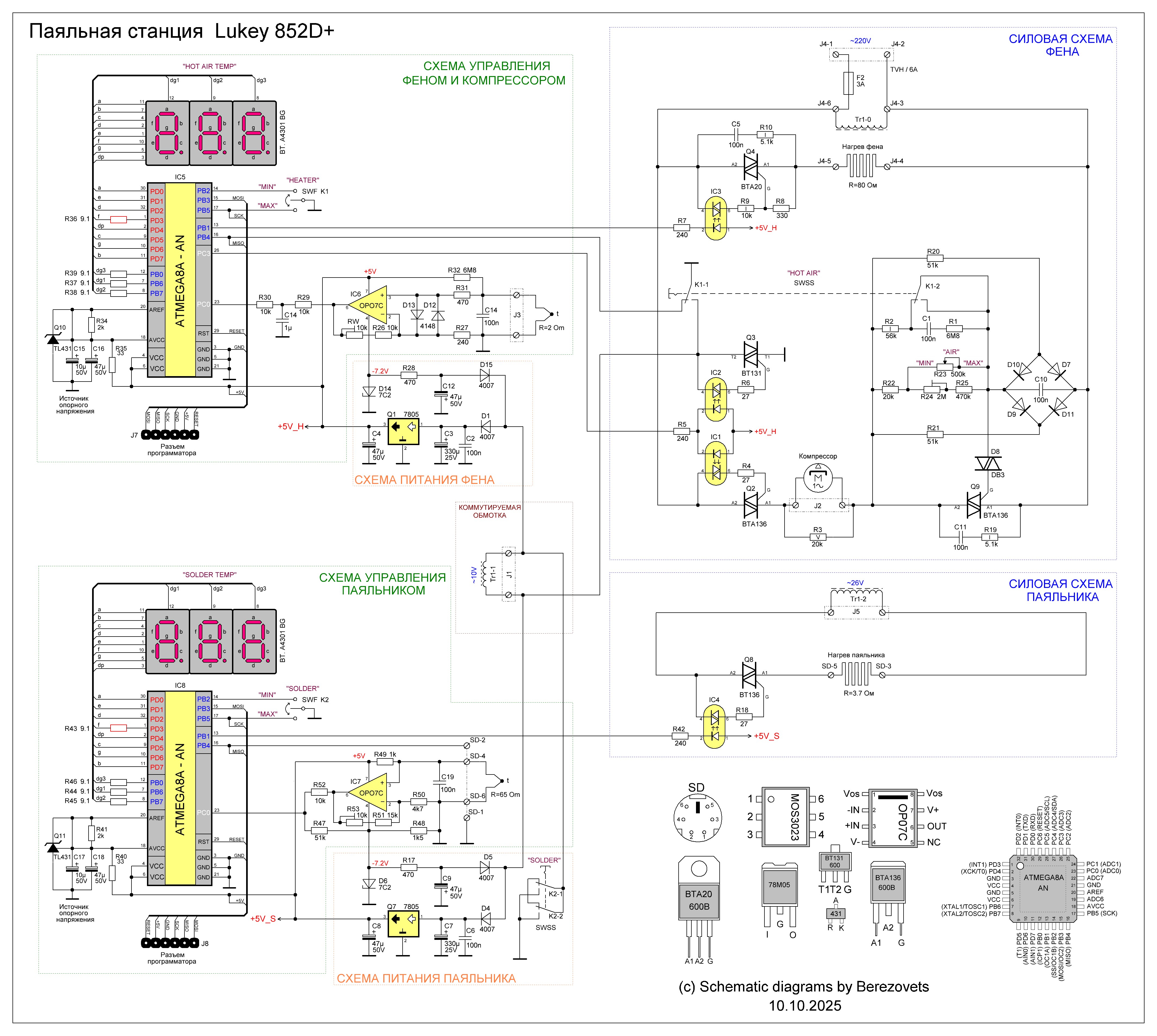
Lukey 852D+. В работе с 2017 года. Чистокровный китаец в красивой синенькой коробочке (коробочка, на удивление, сохранилась, в ней разные провода хранились). Оставила «разочаровательные» впечатления. Ну, может, двоякие... Сделана с абсолютным равнодушием к радиоэлектронике, но зато с большой любовью к деньгам.
СпойлерИзображение

С одной стороны, станция исправно трудилась почти 9 лет под пломбами. Трудилась не слишком интенсивно, примерно, раз в неделю. Временами компрессор заводился сам собой от включения в сеть на той же линии серьезной нагрузки (тэн, чайник и т.п.). В принципе, удивляло, но не настолько чтобы лезть внутрь и разбираться с причинами, потому как работы много, инструмент как-то работает, температуру держит и хорошо. Мог тут же отключиться, а мог тарабанить минут тридцать, пока не выключишь из розетки. По окончании работы просто выдергивали станцию из сети. Года три назад сгорел элемент в паяльнике, поставили новый Хако, забыли. С подпиливанием жал, калибровкой термопар (ха-ха!), фильтрами и прочими народными модификациями никто не заморачивался. В общем, как тупой «ЭСПН» двадцать первого века пойдет.
В один момент клацнуло-зашипело-«белый дым». Компрессор стал, индикация потухла, фен раскалился и расплавился (продува-то нет). Попала на ремонтный стол.
СпойлерИзображение

Началась «другая сторона». Плата сделана так себе, детали не топ, но и не самый мусор, пайка ручная, кое-где наблюдается непропай, особых косяков нет. Но схемотехника просто мрак, сборка механистическая без понимания - что, куда и зачем. В первую очередь бросился в глаза симистор Q2 BTА136, который «с завода» был запаян обратной стороной, радиатором вверх. То есть плата изначально разведена с ошибками. Он то как раз и умер в паре с таким же симистором Q9 BT136. Однако это вызвало обоснованные подозрения, что другие элементы также запаяны с ошибками и точно, Q3 BT131 запаян наоборот! Причем, если в первом случае симистор Q2 хотя бы перевернули (фен не работал вообще), то Q3 так и оставили (работает и ладно). Объяснение очевидно – в схеме подразумевался корпус Q3 TO-92, а у китайца было много SOT-89, а где там анод-катод-уэ, никто особо не заморачивался.
Мощный резистор R3 отсутствует, хотя по плате видно, что сидит параллельно двигателю компрессора.
Разъемы под программатор разведены зеркально!
Беглый осмотр «интернетов» на предмет схемы дает интересную картину – Lukey 852D+ это не прибор, это «бренд». Она воистину «народная», сколько народу, столько и схем. Плюнул, снял сам. Пусть будет еще одна, мы же тоже «народ» или где?
СпойлерИзображение

Схемотехника убила. Что-то из раннего пионерского прошлого, только с Атмегами. Ну, ладно, симисторные регуляторы из журнала «Радио» 80-ых годов. Я такие делал в благословенные застойные времена в спичечном коробке для регулирования яркости гирлянды на елке. Потом она сгорела, конечно... Вместе с елкой. Ну, в конце-концов, эти регуляторы работают. Хотя если вылетает цепь компрессора, фен умирает – защиты нет.
Но апофеоз – это коммутация вторичной обмотки 10В для питания управления либо фена с компрессором, либо паяльника. «Гениальное» решение! Причем на плате (неожиданно!) питание-земля фена и питание-земля паяльника раздельны. Что будет, когда включить паяльник и фен одновременно? Риторический вопрос, только трансформатор недовольно гудит…
Тяжелую травму собственной компетентности нанесли резисторы R36 и R43 в цепи сегмента f индикаторов, так и не понял зачем они нужны. Выбросил в реале, но на схеме оставил, они на всех «интернетовских» схемах есть, никто таким вопросом не задается, чем я хуже?
И ведь работает!? Предчувствую, что фанаты «народных» станций сейчас отправят меня «делать свою, а не критиковать чужие». Тоже верно.

В сухом остатке:
1.Заменен фен под компрессор
2. Заменен предохранитель F2.
2. Заменены симисторы Q2 , Q9 – BTA136-600, Q3 – BT131-600.
3. Установлен резистор R3 5W-20к
4. Удалены резисторы R36 и R43.

Добавлено after 12 minutes 13 seconds:
Ежели кто какие ошибки на схеме углядит, напишите, пожалуйста, исправлю.


Вернуться наверх
 
Показать сообщения за:  Сортировать по:  Вернуться наверх
Начать новую тему Ответить на тему  [ Сообщений: 10601 ]     ... , , , 530,  

Часовой пояс: UTC + 3 часа


Кто сейчас на форуме

Сейчас этот форум просматривают: нет зарегистрированных пользователей и гости: 21


Вы не можете начинать темы
Вы не можете отвечать на сообщения
Вы не можете редактировать свои сообщения
Вы не можете удалять свои сообщения
Вы не можете добавлять вложения

Найти:
Перейти:  


Powered by phpBB © 2000, 2002, 2005, 2007 phpBB Group
Русская поддержка phpBB
Extended by Karma MOD © 2007—2012 m157y
Extended by Topic Tags MOD © 2012 m157y