Например TDA7294

Форум РадиоКот • Просмотр темы - УМЗЧ на TDA2020 (2050)
Форум РадиоКот
Здесь можно немножко помяукать :)

Текущее время: Пн дек 01, 2025 21:30:24

Часовой пояс: UTC + 3 часа


ПРЯМО СЕЙЧАС:



Начать новую тему Ответить на тему  [ Сообщений: 75 ]  1, , ,  
Автор Сообщение
Не в сети
 Заголовок сообщения: УМЗЧ на TDA2020 (2050)
СообщениеДобавлено: Пн дек 30, 2024 20:01:35 
Потрогал лапой паяльник
Аватар пользователя

Зарегистрирован: Пн май 27, 2019 07:28:50
Сообщений: 344
Рейтинг сообщения: 0
Колонки в процессе изготовки,присматриваю варианты УМЗЧ.Помнится в юности пробовал собрать на TDA2020,корпус неудобный... они у меня заработали,но теплоотвод был не ахти спалил нафиг.Звучание мне их очень понравилось ,2030 почему-то ни одна не пошли из 6-ти штук.Сейчас опыта побольше,а пара 2020 остались с тех времен еще.Хотел спросить стоит с ними возиться,хар-ки у нее получше чем у 2030 будут.Заказал еще с 10-к TDA2050,мощность нужна в пределах 20-ти Вт на канал,думаю их хватит вполне без навески транзисторов по выходу и мостового включения.Схемка для 20-х планируется во вложении,еще-б знать,чем транзисторы применить на нашей базе?На выходе я понял подойдут и КТ818(819),в железе нету будут в пластике,а вот с BDW23(24) что-то не нашел подходящих комплементарных пар из наших,у меня есть КТ972(973) мне кажется хиловаты будут,возможно TIP41(42)C если пороюсь в запасах и найду.И еще по этой схемке приемлемо будет раскачать 2050,если уж приспичит?
BDW23(24) как выяснилось можно заменить нашими КТ829(853).


Вложения:
изображение_2024-12-30_220127023.png [93.06 KiB]
Скачиваний: 854

_________________
Пока на свете есть идиоты,жить намного интересней
Вернуться наверх
 
Не в сети
 Заголовок сообщения: Re: УМЗЧ на TDA2020 (2050)
СообщениеДобавлено: Чт янв 02, 2025 19:35:07 
Друг Кота
Аватар пользователя

Карма: 20
Рейтинг сообщений: 488
Зарегистрирован: Сб ноя 20, 2010 21:54:31
Сообщений: 3954
Рейтинг сообщения: 0
Не хватает там резисторов кое-где, не уверен, что не кипятильник получится.
Ссылка на сайт внизу, покапайтесь, вторая схема или нижняя. Текст у меня на страницах квадратиками, - последняя запись датируется 2013 годом, - были там и монтажки


https://alex-jet.narod.ru/audio/amps/Am ... 2030A.html


Вернуться наверх
 
Не в сети
 Заголовок сообщения: Re: УМЗЧ на TDA2020 (2050)
СообщениеДобавлено: Чт янв 02, 2025 23:22:09 
Потрогал лапой паяльник
Аватар пользователя

Зарегистрирован: Пн май 27, 2019 07:28:50
Сообщений: 344
Рейтинг сообщения: 0
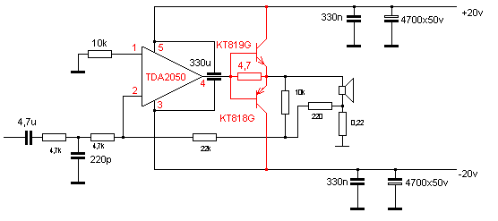
Это схемка для 2020(TDA2010),она отличается да-же типовой схемой.Ток покоя немного по другому тут реализован,для этого и стоят транзисторы в цепи питания микросхемы.Балластников тут нет.
Вот типовая для 2020,на 2050 к стати то-ж возможно такое включение.
нижняя покрасивее нарисовано

Добавлено after 10 minutes 39 seconds:
http://rcl-radio.ru/?p=15467


Вложения:
изображение_2025-01-03_011745131.png [77.31 KiB]
Скачиваний: 793
изображение_2025-01-03_011513574.png [3.69 KiB]
Скачиваний: 764
изображение_2025-01-03_011359851.png [249.42 KiB]
Скачиваний: 771

_________________
Пока на свете есть идиоты,жить намного интересней
Вернуться наверх
 
Не в сети
 Заголовок сообщения: Re: УМЗЧ на TDA2020 (2050)
СообщениеДобавлено: Сб янв 04, 2025 01:43:34 
Вымогатель припоя

Зарегистрирован: Пт май 20, 2022 12:28:46
Сообщений: 598
Рейтинг сообщения: 0
Сначала надо задаться вопросом, для чего это всё собирается?
Если "дома послушать", то начинать надо с типовой схемы включения 2050. Играет она лучше чем 2030, а главное не такой утюг уже изначально. К тому же будет референс для сравнения на будущее.
До 25 Ватт, (если не китайская подделка конечно) 2050 раскачивается легко. При вполне сносных искажениях.

Если пользовать 2050 как высоковольтный операционник, то лучше купить высоковольтный операционник.


Вернуться наверх
 
Эиком - электронные компоненты и радиодетали
Не в сети
 Заголовок сообщения: Re: УМЗЧ на TDA2020 (2050)
СообщениеДобавлено: Сб янв 04, 2025 02:55:27 
Друг Кота
Аватар пользователя

Карма: 197
Рейтинг сообщений: 8583
Зарегистрирован: Пн ноя 30, 2009 03:00:01
Сообщений: 43027
Откуда: Нерезиновая
Рейтинг сообщения: 0
:facepalm:
Не понимаю..
Есть огромное количество микросхем УНЧ:
https://sunduk.radiokot.ru/view/?id=1287727696
Зачем к TDA2030 прилеплять костыли для её умощнения, если есть готовые мощные микросхемы с минимальной обвязкой? Те же TDA7293 или TDA7294?

зы.. Если уж хочется "на транзисторах", так и делайте полностью на транзисторах..


Вернуться наверх
 
Не в сети
 Заголовок сообщения: Re: УМЗЧ на TDA2020 (2050)
СообщениеДобавлено: Сб янв 04, 2025 10:16:38 
Друг Кота
Аватар пользователя

Карма: 107
Рейтинг сообщений: 3801
Зарегистрирован: Пн фев 09, 2009 22:19:49
Сообщений: 24209
Откуда: Когда-то был прекрасный город для людей
Рейтинг сообщения: 3
Знаете, но ведь против чистой прагматики радиолюбитель отличается тем, что у него есть желание - А попробовать вот так сделать, что получится ?

И знаете, с половины новых идей и последующих схемотехнических массовых внедрений родилось именно таким путем...

Как нынче выражовываються - креатинизм двигатель инталлянизма !


Вернуться наверх
 
Не в сети
 Заголовок сообщения: Re: УМЗЧ на TDA2020 (2050)
СообщениеДобавлено: Сб янв 04, 2025 12:20:30 
Вымогатель припоя

Зарегистрирован: Пт май 20, 2022 12:28:46
Сообщений: 598
Рейтинг сообщения: 4
Муркиз писал(а):
Знаете, но ведь против чистой прагматики радиолюбитель отличается тем, что у него есть желание

Опыт подсказывает, что прежде чем начинать дорабатывать что-либо Надо сначала собрать оригинал, привести его в стабильное рабочее состояние, посмотреть что в нем не устраивает именно вас, а потом начинать допиливать.
Тут логика простая, не имея референса нельзя понять что дорабатывать (и нужно ли вообще дорабатывать)


Вернуться наверх
 
Не в сети
 Заголовок сообщения: Re: УМЗЧ на TDA2020 (2050)
СообщениеДобавлено: Вс янв 05, 2025 14:30:04 
Потрогал лапой паяльник
Аватар пользователя

Зарегистрирован: Пн май 27, 2019 07:28:50
Сообщений: 344
Рейтинг сообщения: 0
АлександрЛ, Да проще все,из того,что есть в наличии.

Добавлено after 52 minutes 25 seconds:
как пример для повторения... очень не плохо.


Вложения:
УМЗЧ.PNG [193.52 KiB]
Скачиваний: 799

_________________
Пока на свете есть идиоты,жить намного интересней
Вернуться наверх
 
Не в сети
 Заголовок сообщения: Re: УМЗЧ на TDA2020 (2050)
СообщениеДобавлено: Пн янв 06, 2025 15:23:17 
Потрогал лапой паяльник
Аватар пользователя

Зарегистрирован: Пн май 27, 2019 07:28:50
Сообщений: 344
Рейтинг сообщения: 0
Тут еще один вопрос возник,на плейсах есть TDA2020 но в копрусе ТО-220.Может кто встречал такое и какая распиновка у нее?
Давно лежат обломки от Aiwa NSX-sz702,плата целая полностью,поищу по сколь обрезать и айда пшел.Она на Санкенах наверно громко играет :))
Не понял,у него оконечники со стабилизированным питанием?


Вложения:
Снимок.PNG [242 KiB]
Скачиваний: 772
IMG_20250106_170748.jpg [150.36 KiB]
Скачиваний: 770

_________________
Пока на свете есть идиоты,жить намного интересней
Вернуться наверх
 
Не в сети
 Заголовок сообщения: Re: УМЗЧ на TDA2020 (2050)
СообщениеДобавлено: Сб янв 11, 2025 10:51:29 
Друг Кота
Аватар пользователя

Карма: 20
Рейтинг сообщений: 488
Зарегистрирован: Сб ноя 20, 2010 21:54:31
Сообщений: 3954
Рейтинг сообщения: 0
remontitor, прояснитесь сами для себя - что именно вы хотите запустить в виде амплифиера? Древний развал плюс последующее схождение, или что-то ещё? Других корпусов TDA2020 особо не наблюдалось, есть не сформованные выводы, есть под другим углом изготовленные. Топикстартер, решите для себя, что ИМЕННО вам нужно. Если древность - то сочиняйте следующую тему.

На том древнем сайте были размещены материалы РАБОТАЮЩИХ усилителей, а все приводимые с импортной периодики - так ими и остаются, замена входного ОУ на что-то более мощное попадалась, но насчёт её стабильности кое-кому надо сначала её обсчёт сделать в симуле, собрать, погонять без дыма и пламени, сваять для друзей, при их желании холявы - а после настаивать именно на этом варианте.


Вернуться наверх
 
Не в сети
 Заголовок сообщения: Re: УМЗЧ на TDA2020 (2050)
СообщениеДобавлено: Сб янв 11, 2025 11:40:04 
Друг Кота
Аватар пользователя

Карма: 107
Рейтинг сообщений: 3801
Зарегистрирован: Пн фев 09, 2009 22:19:49
Сообщений: 24209
Откуда: Когда-то был прекрасный город для людей
Рейтинг сообщения: 0
Цитата:
Тут еще один вопрос возник,на плейсах есть TDA2020 но в копрусе ТО-220.Может кто встречал такое и какая распиновка у нее?


Похоже, это перепутаница манагеров этих пейсов.
Где-то когда-то ляпнул, что это микросхема стабилизатора напряжения, ну и это плдхватили неграмотные манагнры.
Бывает такое.

А вот TDA2050 - она действительно в корпусе ТО220-5 выпускается всю жизнь. Но она не аналог 2020


Вернуться наверх
 
Не в сети
 Заголовок сообщения: Re: УМЗЧ на TDA2020 (2050)
СообщениеДобавлено: Сб янв 11, 2025 22:24:41 
Потрогал лапой паяльник
Аватар пользователя

Зарегистрирован: Пн май 27, 2019 07:28:50
Сообщений: 344
Рейтинг сообщения: 0
[quote]
А вот TDA2050 - она действительно в корпусе ТО220-5 выпускается всю жизнь. Но она не аналог 2020

Да они совсем не родня,только по специфике схожи,то что обеи УМЗЧ,2020 по хар-кам лучше и корпус DIP-14 и навески побольше немного.

Добавлено after 43 minutes 23 seconds:
mikes357, Как скажете,я не разбираюсь в формулировках какие вы написали.Если устроит 2020 без раскачки,то пусть так,если не хватит добавлю транзисторы... В 2050 не уверен... приносили много взорванные,но я допускаю что использовали усилитель в стрессовом режиме,2020 видел единственный раз в фабричном усилителе,звук впечатлил... они были в роли драйвера,нагруженные транзисторами в ТО-3 корпусе... не наши.Сейчас конечно не помню марку их и догадываюсь,что схема как раз была которую я показал в первых постах,с 4-мя транзисторами...Единственный усь который мне понравился и удачно собрал и до сих пор работает,по схеме корифея этой темы Акулиничева из журнала "Радио"Очень простая и удачная схемка,собирал еще пару штук на продажу потом,не знаю что с ними сейчас,но который собирал первый для себя до сих пор живой...

_________________
Пока на свете есть идиоты,жить намного интересней


Вернуться наверх
 
Не в сети
 Заголовок сообщения: Re: УМЗЧ на TDA2020 (2050)
СообщениеДобавлено: Пт янв 17, 2025 11:09:42 
Вымогатель припоя

Зарегистрирован: Пт май 20, 2022 12:28:46
Сообщений: 598
Рейтинг сообщения: 0
remontitor писал(а):
Да они совсем не родня,только по специфике схожи,то что обеи УМЗЧ,2020 по хар-кам лучше и корпус DIP-14 и навески побольше немного.

Я может что-то в этой жизни не понимаю, но где 2020 лучше то ?

Номинальная выходная мощность @thd=1% (0.5 для 2050 ) у 2020 - 20W у 2050 - 28W
Максимальная выходная мощность @thd=10% 2020 - 24W, 2050 - 35W
THD На 4х Омах 1кГц в диапазоне номинальной мощности 0.2 и 0.03 соответственно
Рассеиваемая мощность максимальная у 2020 - 15Вт у 2050 - 16, при том, что 2050 в полтора раза мощнее

единственный недостаток 2050 в сравнении с 2020 в том, что "горизонтальные" микросхемы (с индексом "H") не продают, а вертикалки не всегда удобно компоновать. Приходится танцевать с бубном, прежде чем всё сооружение в корпус влезет. Но это глобальная проблема на рынке. со свистом куда угодно влетает только D класс, но не все его любят.

upd.
Дип корпус при рассеиваемых 15 ваттах, это больно. Даже "ушастый" больше 7Вт нормально не переваривает.
Так что лучше на напряжениях больше ±12В ее не гонять. (10-12Вт номинальной будет)

Добавлено after 37 minutes 56 seconds:
upd2
теперь я допер, для чего весь этот бубенный танец вокруг оконечника 2020.
Это для того, чтоб микруха не дохла как таракан под дихлофосом при большой мощности из-за перегрева.
:facepalm:


Вернуться наверх
 
Не в сети
 Заголовок сообщения: Re: УМЗЧ на TDA2020 (2050)
СообщениеДобавлено: Пт янв 17, 2025 11:22:19 
Друг Кота
Аватар пользователя

Карма: 107
Рейтинг сообщений: 3801
Зарегистрирован: Пн фев 09, 2009 22:19:49
Сообщений: 24209
Откуда: Когда-то был прекрасный город для людей
Рейтинг сообщения: 0
Вы знаете что - вы эти максимальные мощности на два делите, чтобы в реальные цифры перевести.

Максимальные - это те, которые микросхема ещё переживет с вероятностью не выше 95% , а хорошо работать она будет лишь при более низких мощностях. А корпуса у них одинаковые, материалы и технологии одинаковые, и нагрев будет одинаковый. Так что более горячая жить будет меньше и функционировать хуже.

Форсаж, как вы знаете, всегда губит ресурс...


Вернуться наверх
 
Не в сети
 Заголовок сообщения: Re: УМЗЧ на TDA2020 (2050)
СообщениеДобавлено: Пт янв 17, 2025 12:46:59 
Вымогатель припоя

Зарегистрирован: Пт май 20, 2022 12:28:46
Сообщений: 598
Рейтинг сообщения: 0
Муркиз писал(а):
А корпуса у них одинаковые

Если мы сравниваем 2020 и 2050 то корпуса-то как раз у них разные DIP14 и TO220
у дип корпуса площадь контакта с радиатором 12х4мм у ТО220 - 14х10 или почти в 3 раза больше, если по площади.
А рассеивать приходится одинаковую мощность


в остальном согласен. Лучше до предела не догонять
для 2050 предел - 50Вт. В принципе, при хорошем охлаждении она некоторое время (несколько минут) на такой мощности проживет. Но это уже совсем опасно.
для нее в 20-25Вт на корпус вполне рабочая величина. Разумеется, при условии, что это белая 2050, а не перемаркированная китайцами 2030


Вернуться наверх
 
Не в сети
 Заголовок сообщения: Re: УМЗЧ на TDA2020 (2050)
СообщениеДобавлено: Пт янв 17, 2025 12:58:02 
Друг Кота
Аватар пользователя

Карма: 107
Рейтинг сообщений: 3801
Зарегистрирован: Пн фев 09, 2009 22:19:49
Сообщений: 24209
Откуда: Когда-то был прекрасный город для людей
Рейтинг сообщения: 0
Прошу прощения, я 2030 почему то имел в виду.


Вернуться наверх
 
Не в сети
 Заголовок сообщения: Re: УМЗЧ на TDA2020 (2050)
СообщениеДобавлено: Пт янв 17, 2025 17:44:20 
Потрогал лапой паяльник
Аватар пользователя

Зарегистрирован: Пн май 27, 2019 07:28:50
Сообщений: 344
Рейтинг сообщения: 0
Silicoid,Так давай сравним... при том,что защита на 2020 работает,а не создает только вид и с отводом тепла у нее прилягание к радиатору получше и площать площадки 5х15,не надо приверать..Конечно... усилители,как и колонки(динамики),любят работать не выше трети от полной мощности,дальше гармоники и искажения поползут.


Вложения:
Снимок2.PNG [139.44 KiB]
Скачиваний: 737
Снимок1.PNG [223.15 KiB]
Скачиваний: 724

_________________
Пока на свете есть идиоты,жить намного интересней
Вернуться наверх
 
Не в сети
 Заголовок сообщения: Re: УМЗЧ на TDA2020 (2050)
СообщениеДобавлено: Пт янв 17, 2025 21:56:59 
Вымогатель припоя

Зарегистрирован: Пт май 20, 2022 12:28:46
Сообщений: 598
Рейтинг сообщения: 0
remontitor писал(а):
Так давай сравним... при том,что защита на 2020 работает,а не создает только вид и с отводом тепла у нее прилягание к радиатору получше и площать площадки 5х15,не надо приверать..Конечно... усилители,как и колонки(динамики),любят работать не выше трети от полной мощности,дальше гармоники и искажения поползут.


Пожалуйста, изучите тот мануал, который вы сейчас наскриншотили.
Особенно внимательно изучите страницу 1.(559) раздел mechanical data, где есть чертеж микросхемы и размера контактной площадки под радиатор на ней,

Чтобы было понятно. площадь контакта DIP корпуса равняется размеру металлической вставки, а она 12х4
Изображение
Остальной пластик знаете ли тепло вообще плохо проводит

для оценки искажений в зависимости от выходной мощности и частоты, надо пользоваться не эмпирическими "любят работать" а датащитом на странице 4 (он же 563) fig 4


для TDA2050 аналогичные данные указаны на страницах 16 (габаритные размеры корпуса) и 8 - диаграмма зависимости thd от выходной мощности и частоты.
Документ 1461 Rev 3 STM


Вернуться наверх
 
Не в сети
 Заголовок сообщения: Re: УМЗЧ на TDA2020 (2050)
СообщениеДобавлено: Сб янв 18, 2025 16:50:00 
Потрогал лапой паяльник
Аватар пользователя

Зарегистрирован: Пн май 27, 2019 07:28:50
Сообщений: 344
Рейтинг сообщения: 0
Silicoid, Я линейкой померял если что,зачем мне даташит,только площадку,к стати... у ТО-220 площадь написали вместе с пластиком,на самом деле меньше,примерно одинаковая площать теплоотвода у них.Вообще теплоотвод напрямую на качество звука не особо влияет... я-б сказал никак.Полоса частот не смутила,в которой гармоники измерялись,ровно вдвое?

_________________
Пока на свете есть идиоты,жить намного интересней


Вернуться наверх
 
Не в сети
 Заголовок сообщения: Re: УМЗЧ на TDA2020 (2050)
СообщениеДобавлено: Сб янв 18, 2025 23:12:33 
Вымогатель припоя

Зарегистрирован: Пт май 20, 2022 12:28:46
Сообщений: 598
Рейтинг сообщения: 0
:facepalm: Ну конечно, линейка,это гораздо более точный инструмент, чем официальный документ разработчика.
Что касается полосы частот, то таки да не смутило, так как эта величина вообще ни о чем не говорит.

Начнем с того, что полоса частот для 2020 задается емкостью коррекции. C4 (см мануал fig 10). Тут или к. передачи с полосой или крайне высокий риск влететь в возбуд.
Если вы используете коррекцию в 68пФ как рекомендует производитель на схеме, то на 20кГц коэффициент передачи микросхемы будет равен 7.
соответственно, при рабочем коэффициенте передачи 30дБ (это примерно в 31 раз. То-есть нормальный коэффициент передачи по напряжению для УМЗЧ) и указанной емкостью коррекции, ваш усилитель начнет зарезать усиление уже на 3 кГц
Вот вам и полоса по уровню -3дб из таблички. Эта полоса указывается для усилителя с коэффициентом усиления = 1


в современных микросхемах этот параметр особо не нормируют, но я могу привести один интересный факт.
При официально задокументированной полосе 20-20000Гц, микросхема TDA7294 из-за неправильной разводки земли, у меня, завелась на 360кГц очень красивым синусом.
А это говорит о том, что к. усиления на этой частоте был гораздо больше 1.

Добавлено after 33 minutes 12 seconds:
добавлю.
Я вообще всем этим спитчем что хочу сказать. TDA2020 старая микросхема ста-ра-я. Она разработана в начале 80х.
для своего времени это был прорыв. Сейчас же и технологии и схемотехника ушли далеко вперед.
TDA2050 появилась в продаже почти через 20 лет после выхода 2020. Она не может быть хуже, иначе она просто не найдет себе места на рынке.

Я не пытаюсь спорить или что-то доказывать.
Мы в свободном обществе и каждый волен делать что он хочет, если это не противоречит УК.

Просто хочется предостеречь от возможного разочарования после постройки усилителя на данной микросхеме, как я разочаровался после прослушивания TDA2030 пару лет назад, несмотря на то, что еще будучи студентом делал усилки на них в далеком 1995м. И тогда они мне казались хорошо играющими.

Что интересно 2050 мне на фоне 2030 понравилась. А звучанием 7293/4 после 5й итерации pcb я вообще максимально доволен.


Вернуться наверх
 
Показать сообщения за:  Сортировать по:  Вернуться наверх
Начать новую тему Ответить на тему  [ Сообщений: 75 ]  1, , ,  

Часовой пояс: UTC + 3 часа


Кто сейчас на форуме

Сейчас этот форум просматривают: нет зарегистрированных пользователей и гости: 40


Вы не можете начинать темы
Вы не можете отвечать на сообщения
Вы не можете редактировать свои сообщения
Вы не можете удалять свои сообщения
Вы не можете добавлять вложения

Найти:
Перейти:  


Powered by phpBB © 2000, 2002, 2005, 2007 phpBB Group
Русская поддержка phpBB
Extended by Karma MOD © 2007—2012 m157y
Extended by Topic Tags MOD © 2012 m157y