Например TDA7294

Форум РадиоКот • Просмотр темы - Рассчет цепи коррекции RIAA
Форум РадиоКот
Здесь можно немножко помяукать :)

Текущее время: Пт мар 06, 2026 11:51:09

Часовой пояс: UTC + 3 часа


ПРЯМО СЕЙЧАС:



Начать новую тему Эта тема закрыта, Вы не можете редактировать и оставлять сообщения в ней.  [ Сообщений: 376 ]    , 2, , , ...  
Автор Сообщение
 Заголовок сообщения: Re: Рассчет цепи коррекции RIAA
СообщениеДобавлено: Вс июн 09, 2024 06:35:05 
Нашел транзистор. Понюхал.

Зарегистрирован: Сб сен 01, 2018 06:23:58
Сообщений: 184
Рейтинг сообщения: 0
Ну наконец то, хоть кто то, кроме модератора со мной общается. Отвечу всем.
Ответ -Serg- если вы такой знаток звучания корректоров, приведите пример, кокой корректор самый лучший. Не будьте голословным. Меня может удовлетворить только тот, кто хоть что то сделал своими руками и показал всем.

А теперь SSC - про маркировку современную я спорить не буду, я применяю микросхемы, купленные у одного товарища, который их приобретал именно 20 лет назад.
А теперь про тестер микросхем - вы то сами его пробовали? Я думаю, что нет. Он хорош тем, что позволяет отличить фирму от подделок и в этом он очень хорош. А по максимальной частоте его самогенерации, при определенной емкости и стремлению к меандру сразу определяется качество. И вот после этого отбора, можно применить ваши генераторы синуса и не синуса, для дальнейшей проверки.

И господа, давайте договоримся не устраивать голословных повествований. Все должно быть с фактами и доказательно. Высказался за или против - предоставь фото. Так будет лучше.
Я видел на форумах, у людей по несколько тысяч сообщений, такое ощущение, что они не едят и не спят, а только пишут.
ТОлько сейчас посмотрел - а SSC то , вы тоже из этой кагорты? Завсегдатай или просто не равнодушный или прошедший огонь и воду ученый? поясните мне , я ваших заслуг не знаю.


Вернуться наверх
 
 Заголовок сообщения: Re: Рассчет цепи коррекции RIAA
СообщениеДобавлено: Вс июн 09, 2024 13:18:00 
Друг Кота
Аватар пользователя

Карма: 127
Рейтинг сообщений: 6124
Зарегистрирован: Вс дек 25, 2011 18:43:00
Сообщений: 24333
Откуда: г.Москва
Рейтинг сообщения: 0
sergejka9 писал(а):
А теперь SSC - про маркировку современную я спорить не буду

..и не надо.. :)
sergejka9 писал(а):
я применяю микросхемы, купленные у одного товарища, который их приобретал именно 20 лет назад.

..вот именно - но за 20 лет появилось много нового и вкусного..например, LT1115, LT1010 - как раз самое то для всяких корректоров..
sergejka9 писал(а):
А теперь про тестер микросхем - вы то сами его пробовали?

..да я вроде здоров на голову.. :)
sergejka9 писал(а):
Он хорош тем..

..он ничем не хорош - мне попадались перебитые 5532, которые плохи лишь тем, что у них ступенька на выходе, которая увеличивается с ростом частоты - все остальное - скорость, и т.п - в норме..

..самый лутший "тестер ОУ" - генератор синуса/меандра, осциллограф и приспособа для измерения входных токов..

..так что эта фуфлыжность - перевод стеклотекстолита ни на что.. :)

sergejka9 писал(а):
И вот после этого отбора, можно применить ваши генераторы синуса и не синуса, для дальнейшей проверки.

..см. написанное выше..

sergejka9 писал(а):
И господа, давайте...

..а давайте без "давайте"..?.. :)

sergejka9 писал(а):
ТОлько сейчас посмотрел - а SSC то , вы тоже из этой кагорты?


..два по русскому - идешь учить с понеделдьника - кОгорты..

..посмотри мои посты, фотки, картинки и пр. - очень много их даже в мяве..

..там же были и фотки фейковых 5532 с осциллограммами - в теме про германиевый усилитель - жаль, As снес их..


Вернуться наверх
 
 Заголовок сообщения: Re: Рассчет цепи коррекции RIAA
СообщениеДобавлено: Вс июн 09, 2024 17:27:42 
Нашел транзистор. Понюхал.

Зарегистрирован: Сб сен 01, 2018 06:23:58
Сообщений: 184
Рейтинг сообщения: 0
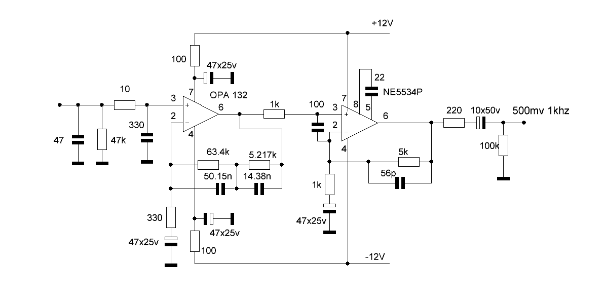
Ну SSC я обязательно отвечу, это подождет. Главное в другом. Прочитав статьи в инете я пришел к выводу, что надо попробовать применить частотно зависимую коррекцию непосредственно на первой микросхеме. И что бы вы думали - звук реально развернулся, стал более ближе , по ощущениям.Я не знаю, как это объяснить, но именно эту конструкцию я себе оставляю как идеал. Опять же, повторю, это идеал для меня - сколько людей , столько и мнений. Хотя на Multisim выглядит все почти одинаково.Этот файл вдогонку "фоно 1 modify".

Добавлено after 23 minutes 3 seconds:
Ну а теперь для SSC. Спасибо, что напомнили испытать LT1115. Может в скором времени попробую.
Теперь Про тестер микросхем - он нужен на первом этапе отбора качественных микросхем и про это все, повторять не буду.
А насчет давайте без давайте, не принимаю- вас таких полно оппонентов, многотысячников, я имею ввиду количество ваших сообщений.
А насчет того, кто грамотнее пишет, я вам не Фокс. И я привык говорить по русски и ваши - мяве- смотреть не буду. и попрошу в моей теме больше не высказываться. Я пишу для любителей винила и практически для начинающих. Потому, что я с азов все это по новой начал и если вы не в теме, просто втирайте мозги другим, в другой теме. Я думаю модератор меня поймет. Эта тема актуальна, судя по числу скачиваний. А кому не нравиться, перейдите на другую тему.
Я почему так пишу, судя по высказываниям SSC, он завсегдатай всех, поторю, всех форумов. Видали мы таких.


Вложения:
фоноVincent для +-12в.GIF [13.92 KiB]
Скачиваний: 194
Вернуться наверх
 
 Заголовок сообщения: Re: Рассчет цепи коррекции RIAA
СообщениеДобавлено: Вс июн 09, 2024 22:01:01 
Поставщик валерьянки для Кота
Аватар пользователя

Карма: 61
Рейтинг сообщений: 952
Зарегистрирован: Чт июн 26, 2014 17:05:10
Сообщений: 1969
Откуда: -Моск-
Рейтинг сообщения: 0
sergejka9 писал(а):
если вы такой знаток звучания корректоров
скорее беспристрастный инквизитор.
Располагаю Арктур-004, Арктур-006, Вега ЭП-122С, Audio-Technica AT LP-120.
Собрал дюжину преампов, на основе чего имею личное суждение.

Корректоры на одном ОУ, простейшие устройства базового уровня.
Впрочем годные и даже рекомендуемые, потому как на них ориентировались производители LP в массовом сегменте.

Я аккуратно пересобрал корректор Арктура-006, на вменяемой плате с точно подобранными номиналами.
Изображение
Несколько вариантов на К548УН1А, из Радио, ВРЛ и реплика УП-32.
Изображение Изображение
Корректор Бокарева с пассивной коррекцией.
Изображение
Удачный вариант Сухов - Байло в редакции уважаемого ssc, на импорте.
Изображение
Лично мне зашёл, имеющий широкое хождение, корректор OBH-8SE Алексея Никитина.
Изображение
Высокую оценку получил корректор Н. Галахова из публикации в Радио №11 1986г. В конструктиве блока для У101, публиковался на форуме в редакции ssc.

Полагаю так: материал отпечатанный Апрелевской мануфактурой надо слушать на оборудовании согласно году выпуска.
Импортный первопресс, новоделы и эксклюзив следует воспроизводить на том, что требуется для пафоса, в рамках демонстративного потребления.


Вернуться наверх
 
Эиком - электронные компоненты и радиодетали
 Заголовок сообщения: Re: Рассчет цепи коррекции RIAA
СообщениеДобавлено: Вс июн 09, 2024 23:42:17 
Электрический кот
Аватар пользователя

Карма: 13
Рейтинг сообщений: 313
Зарегистрирован: Сб мар 27, 2010 13:19:45
Сообщений: 1023
Откуда: Moskau
Рейтинг сообщения: 7
Не разделяю восторгов по поводу "Предусилителя корректора с рокот фильтром".
Он мало отличим от стандартных, имеющих широкое хождение преампов на ОУ с частонозависимой ОС.
Да ещё как отличим... аффтор букварь по теме ниасилел, устройство для искажения звука впендюрил на выход...

Добавлено after 2 minutes 48 seconds:
..с али экспресс и прочих подобных площадок ты будешь "отправлять продавцу" практически 100% купленного - особенно сейчас - транзисторы, микросхемы и т.д.. :) [/b]

..даже резисторы - гавно..
Поцоны в эньтюрьнетах правдаправда пейсале?
Милота какая.

Добавлено after 3 minutes 18 seconds:
Располагаю Арктур-004, Арктур-006, Вега ЭП-122С, Audio-Technica AT LP-120.
И родные бошки?
Он оно чо, Мяхалычь...
Про то, какие у вас ыдевяносто - даже не спрашиваю.

_________________
У кошки четыре ноги - вход, выход, земля и питание.


Вернуться наверх
 
 Заголовок сообщения: Re: Рассчет цепи коррекции RIAA
СообщениеДобавлено: Пн июн 10, 2024 00:52:51 
Поставщик валерьянки для Кота
Аватар пользователя

Карма: 61
Рейтинг сообщений: 952
Зарегистрирован: Чт июн 26, 2014 17:05:10
Сообщений: 1969
Откуда: -Моск-
Рейтинг сообщения: 0
Для Апрелевской продукции - Арктур-004, Арктур-006, Вега ЭП-122С норм. Картриджи вестимо Unitra, для винила 1960 - 90 годов уместно.
Контент - копившийся годами, килограмм 40. (Не я это начал, есть диски которые моя бабушка покупала моей маменьке).
Никаких Ы90, люди мы современные, тяготами быта не обременённые. В разное время в разных местах собираются подходящие к обстановке "сетапы".
Ресиверы кинотеатров, музыкальные центры, к новому девайсу старый источник.
Для материала посвежее AT-95E.

Я последний кому это хоть сколь ни будь интересно (ностальгический уклон и эмоциональная привязанность).
Дети лет через 30, на барахолках будут искать Nintendo Switch, для "вспомнить молодость".


Вернуться наверх
 
 Заголовок сообщения: Re: Рассчет цепи коррекции RIAA
СообщениеДобавлено: Пн июн 10, 2024 01:39:00 
Друг Кота
Аватар пользователя

Карма: 127
Рейтинг сообщений: 6124
Зарегистрирован: Вс дек 25, 2011 18:43:00
Сообщений: 24333
Откуда: г.Москва
Рейтинг сообщения: 0
-serg- писал(а):
Высокую оценку получил корректор Н. Галахова из публикации в Радио №11 1986г. В конструктиве блока для У101, публиковался на форуме в редакции ssc.

..очень сильно с ним я намельчил - задача стояла засунуть в штатный экран от модуля УПЗ-15

Изображение

..разводил плату так же в экран под СКМ-24

Изображение

..и даже сделал пару штук..

..все - щазз интерес к винилу и корректорам остыл...

************************************

..хотя, в прынципе, должен сказать, что УПЗ-15 на буржуйской LM381 на свои деньги очень даже ничего, шипит поменьше, чем К548УН1, правда, коррекция там RIAA-53, мне больше была 78-я по душе..


Вернуться наверх
 
 Заголовок сообщения: Re: Рассчет цепи коррекции RIAA
СообщениеДобавлено: Пн июн 10, 2024 02:19:58 
Грызет канифоль

Карма: -4
Рейтинг сообщений: -44
Зарегистрирован: Вт май 14, 2024 18:39:25
Сообщений: 297
Рейтинг сообщения: 0
...Постоянные времени конкретного корректора могут учитывать особенности АЧХ примененной магнитной головки, а так же ёмкость соединительного кабеля. Поэтому ориентироваться лучше не на соотношения резисторов и конденсаторов, а на измеренную АЧХ, желательно - с использованием измерительной пластинки...


Согласен. Конечная АЧХ зависит от АЧХ головки. Тут можно сделать дополнительную коррекцию примерно так.

Изображение

Схема отработана и отлично работает (ушами разницу не услышите) на микросхемах 4562,4560,4580,4556, 833, 5532, 5534, 2134 и др.

Вот так можно менять АЧХ фонокорректора с помощью добавленной на схеме RC цепочки и с учетом АЧХ разных головок.

Изображение, Изображение, Изображение, Изображение, Изображение

Эти RC цепочки можно подключать с помощью аналогового мультиплексора. Он практически не вносит искажений на таких уровнях сигнала. Для снижения уровня сетевых помех нужно применять по цепям питания электронные фильтры и тщательно экранировать плату фонокорректора. Это позволит снизить уровень сетевых гармоник примерно до -90-105 дБ.

А так будет выглядеть АЧХ через обратный RIAA фильтр в максимально плоском варианте АЧХ головки и с RIAA коррекцией.

Изображение

Обратный RIAA фильтр легко сделать на специально подобранных RC элементах. Его описание есть в интернете.

https://www.youtube.com/watch?v=hd7bx-wFdS8

Уровень искажения зависит от качества конденсаторов и наличия мультиплексора в сигнальной цепи. THD может составлять порядка 0,01-0,002%. Керамические конденсаторы ставить нельзя - только металлопленку, а в корректирующей ВЧ цепи можно поставить и NPO.


Вернуться наверх
 
 Заголовок сообщения: Re: Рассчет цепи коррекции RIAA
СообщениеДобавлено: Пн июн 10, 2024 10:32:48 
Друг Кота
Аватар пользователя

Карма: 127
Рейтинг сообщений: 6124
Зарегистрирован: Вс дек 25, 2011 18:43:00
Сообщений: 24333
Откуда: г.Москва
Рейтинг сообщения: 0
stoun писал(а):
Согласен. Конечная АЧХ зависит от АЧХ головки.

..в подавляющем большинстве случаев (практически 100%) нагрузочный импеданс головки декларируется в ДШ (нагрузочное сопротивление и ёмкость)

..а конечная АЧХ зависит от соотношения импедансов головки и корректора - дело в том, что эквивалентное сопротивление головки растет с увеличением частоты, а что там происходит с импедансом корректора - вообще никто не знает, и хорошо, если входной импеданс самого корректора не частотозависимый - чего я не могу сказать о большинстве простых корректоров..

..добавим сюда емкость соединительного кабеля (менее 50 пикофарад у лучших образцов) и собственную емкость монтажа (30..50 пикофарад) и сделаем однозначный вывод о том, что для половины mm головок требуемый нагрузочный импеданс по части входной емкости реализовать не удастся, если только не встраивать корректор в вертушку, где практически исключается емкость соединительного кабеля..

stoun писал(а):
Тут можно сделать дополнительную коррекцию примерно так.

..с увеличением емкости кабеля и монтажа электрический резонанс смещается в область более низких частот, предложенный способ будет эффективен только до частоты ниже электрического резонанса..поскольку за частотой резонанса LC контура однозначно следует спад, то подъем АЧХ в точке выше резонанса будет формировать еще один горб на АЧХ, что неправильно..

stoun писал(а):
Эти RC цепочки можно подключать с помощью аналогового мультиплексора.

..а можно поподробнее про "аналоговый мультиплексор"..?.. :)

..сцуко.. :roll: ..реле - это тоже эмм..в каком-то роде "аналоговый мультиплексор".. :)))


Вернуться наверх
 
 Заголовок сообщения: Re: Рассчет цепи коррекции RIAA
СообщениеДобавлено: Пн июн 10, 2024 16:21:54 
Грызет канифоль

Карма: -4
Рейтинг сообщений: -44
Зарегистрирован: Вт май 14, 2024 18:39:25
Сообщений: 297
Рейтинг сообщения: 0
stoun писал(а):
Согласен. Конечная АЧХ зависит от АЧХ головки.

..в подавляющем большинстве случаев (практически 100%) нагрузочный импеданс головки декларируется в ДШ (нагрузочное сопротивление и ёмкость)

..а конечная АЧХ зависит от соотношения импедансов головки и корректора - дело в том, что эквивалентное сопротивление головки растет с увеличением частоты, а что там происходит с импедансом корректора - вообще никто не знает, и хорошо, если входной импеданс самого корректора не частотозависимый - чего я не могу сказать о большинстве простых корректоров..

..добавим сюда емкость соединительного кабеля (менее 50 пикофарад у лучших образцов) и собственную емкость монтажа (30..50 пикофарад) и сделаем однозначный вывод о том, что для половины mm головок требуемый нагрузочный импеданс по части входной емкости реализовать не удастся, если только не встраивать корректор в вертушку, где практически исключается емкость соединительного кабеля..


Безусловно, что и емкость кабеля определяет конечный вид АЧХ всех элементов фонокорректора.

По этому вопросу есть в ютубе информация, например от Сухова. 13 мин. https://www.youtube.com/watch?v=YVEPz9KrtCQ&t=1s

В моем варианте фонокорректора, входную емкость можно вообще не ставить или, если совсем короткий кабель то её величину можно выбрать порядка 10-47 пФ. Тут главное не формировать за счет суммарной входной емкости и собственной индуктивности головки горб АЧХ в районе 8-15 кГц, за которым следует более резкий спад АЧХ, чем с небольшой емкостью, когда спад имеет практически вид ФНЧ с частотой среза порядка 8-12 кГц или резонанс с головкой возникает на частотах порядка 20-30 кГц, резкий спад после которых уже не влияет на звуковое восприятие.

Как вы уже поняли смысл всех этих коррекций заключается в том, чтобы подобрать обратно зеркальную АЧХ в фонокорректоре по отношению ко всем элементам фонокорректора, включая конкретную головку и кабель.

Изображение


[/quote]
..а можно поподробнее про "аналоговый мультиплексор"..?.. :)

..сцуко.. :roll: ..реле - это тоже эмм..в каком-то роде "аналоговый мультиплексор".. :)))[/uquote]

Он ставится общим входом, например к резисторам R (47к-300к. Меньше 43-36 к ставить резистор не желательно, поскольку может возникнуть возбуждение на ВЧ. Оно наступает при подъеме АЧХ порядка 10-12 дБ на 20 кГц). А выходы разных С (47-270 пФ) подключаются ко входу второго каскада фонокорректора через ключи мультиплексора.

Изображение, Изображение


Простейший программатор для управления мультиплексора можно сделать на двух - трех кнопочных выключателях с фиксацией положения. Желательно на каждый канал ставить отдельный мультиплексор.

Можно сделать однокнопочный переключатель, последовательно переключающий ключи мультиплексора как бы по кругу.

Изображение

Желательно монтаж такого переключателя делать предельно компактным. Вот тут показан макетный вариант комбинированного монтажа на печатной плате и навесного монтажа RC цепочек прямо на корпусе мультиплексора.

Изображение


Переключателем можно менять усиление второго каскада фонокорректора и менять общее усиление фонокорректора от 36 до 46 дБ. Дополнительными переключателями можно включать дополнительный подьем на НЧ, рокотфильтр или подключать разные по номиналу емкости по входу фонокрректора.

Блок управления мультиплексора с корректирующими элементами можно сделать на счетчике и дешефраторе - мультиплексоре. Для наглядности можно сделать светодиодное табло со светодиодами.

На фото, если удастся раглядеть, реализованы два таких варианта переключения 8 корректирущих АЧХ фильтров и переход в режим линейной АЧХ по RIAA - либо одной кнопкой либо трехкнопочным программатором мультиплексора - корректора АЧХ.


Изображение

Возможен вариант дешифратора со светодиодным цифровым табло.

С реле лучше не связываться. Нужны хорошие, дорогие, компактные, малоточные реле и монтаж получится объемистым так, что уровень фона и наводок может быть выше.


Последний раз редактировалось stoun Пн июн 10, 2024 17:15:59, всего редактировалось 2 раз(а).

Вернуться наверх
 
 Заголовок сообщения: Re: Рассчет цепи коррекции RIAA
СообщениеДобавлено: Пн июн 10, 2024 17:03:01 
Друг Кота
Аватар пользователя

Карма: 127
Рейтинг сообщений: 6124
Зарегистрирован: Вс дек 25, 2011 18:43:00
Сообщений: 24333
Откуда: г.Москва
Рейтинг сообщения: 0
stoun писал(а):
С реле лучше не связываться.

..правдаштоле..?.. :))) :))) :)))..это с твоим К561КП1 - лучше не связываться.. :)

..а так же с К561КП1, К561КП3, К190КТ2П, К190КН1, 2,3, и с К547КП1, за исключением группы "В".. :)

..если хочешь "блеснуть эрудицией" - посоветуй что-нибудь нормальное, а не этот мусор..ну, например, TL601 или же есть поприкольней - ssm2404..

..а эти - сразу в ведро.. :)

stoun писал(а):
Нужны хорошие, дорогие, компактные, малоточные реле и монтаж получится объемистым так, что уровень фона и наводок может быть выше.

..ну вот совсем с тобой все плохо - пора тебя в поликлинику, для опытов.. :)))

..отстал ты от жЫзни.. :)

..давно уже есть....ну, например...вуаля - встречаем - AXICOM IM06 - это 12-и вольтовое, или же - если угодно - есть и на 5 вольт - IM03..размеры - 10/6мм, т.е, меньше чем у корпуса DIP-14, максимальное сопротивление контактов - 5 миллиом..!!!..и не зависит ни от частоты сигнала, ни от амплитуды..

..есть его клон, чуть дешевле - HONGFA HFD 4/12 , ну, и соответственно 4/5 - как ты понимаешь, с обмоткой на 5 вольт..ток срабатывания 12-и вольтового реле - 26 мА по ДШ, но по факту меньше - т.е, управляться могут мощными буферами MOSFET - для того они и были сделаны..

..цена аксикома в митьке - примерно 150р за штуку..

Изображение

..вот они у меня в селекторе входов на У101 стоят - рядом с корректором, лет 5 наверно уже фотке.. :)


Вернуться наверх
 
 Заголовок сообщения: Re: Рассчет цепи коррекции RIAA
СообщениеДобавлено: Пн июн 10, 2024 17:21:31 
Поставщик валерьянки для Кота
Аватар пользователя

Карма: 61
Рейтинг сообщений: 952
Зарегистрирован: Чт июн 26, 2014 17:05:10
Сообщений: 1969
Откуда: -Моск-
Рейтинг сообщения: 4
В коммерческих предложениях, входное сопротивление и ёмкость, устанавливаются джамперами.
Изображение
Но объективно верное решение по настройке можно выставить только по анализу АЧХ сигналов измерительной пластинки.


Вернуться наверх
 
 Заголовок сообщения: Re: Рассчет цепи коррекции RIAA
СообщениеДобавлено: Пн июн 10, 2024 17:34:03 
Друг Кота
Аватар пользователя

Карма: 127
Рейтинг сообщений: 6124
Зарегистрирован: Вс дек 25, 2011 18:43:00
Сообщений: 24333
Откуда: г.Москва
Рейтинг сообщения: 0
-serg- писал(а):
Но объективно верное решение по настройке можно выставить только по анализу АЧХ сигналов измерительной пластинки.

..ну, вопщем-то, так и есть..тока надо еще еще найтить, пластинку-то.. :dont_know:


Вернуться наверх
 
 Заголовок сообщения: Re: Рассчет цепи коррекции RIAA
СообщениеДобавлено: Пн июн 10, 2024 17:46:53 
Грызет канифоль

Карма: -4
Рейтинг сообщений: -44
Зарегистрирован: Вт май 14, 2024 18:39:25
Сообщений: 297
Рейтинг сообщения: 0
stoun писал(а):
С реле лучше не связываться.

..правдаштоле..?.. )



Если посчитаешь цену своих реле то получишь 8х2х150=2400 руб. :shock: А два мультиплексора стоят порядка 100 р. на Митьке. :tea:

И потреблять они будут ток порядка 8х2х 0,026А=0,416А вокруг усилительных элементов фонокооректора. Замучаешься пульсации фильтровать, эрудит. :tea:

По микросхемам обсуждать пока нечего - покажи графики своего винил корректора в режиме его работы с УНЧ под нагрузкой, хотя бы на 20 Вт. А мы рассмотрим.

Разницу по искажениям в мультиплексорах между отечественными и импортными аналогами я не заметил. Если есть достоверные данные в их различиях, покажи графики. Только не говори, что ты разницу у микросхем слышишь на слух, не смеши людей в 21 веке.

Добавлено after 4 minutes 39 seconds:
-serg- писал(а):
Но объективно верное решение по настройке можно выставить только по анализу АЧХ сигналов измерительной пластинки.

..ну, вопщем-то, так и есть..тока надо еще еще найтить, пластинку-то.. :dont_know:


Только еще надо быть уверенным, что в ней сигнал записан строго по стандарту RIAA.

Добавлено after 3 minutes 37 seconds:
В коммерческих предложениях, входное сопротивление и ёмкость, устанавливаются джамперами.
.


А они не будут ловцами фона для входных сигналов низкого уровня? Они же незаэкранированые.


Вернуться наверх
 
 Заголовок сообщения: Re: Рассчет цепи коррекции RIAA
СообщениеДобавлено: Пн июн 10, 2024 18:29:25 
Поставщик валерьянки для Кота
Аватар пользователя

Карма: 61
Рейтинг сообщений: 952
Зарегистрирован: Чт июн 26, 2014 17:05:10
Сообщений: 1969
Откуда: -Моск-
Рейтинг сообщения: 0
Интересно, можно ли навести на картридж сигнал свипа внешней катушкой? Будет ли такой эрзац вариант, приемлем для анализа АЧХ?

Какой ни будь LP диск «Брюль и Къер»с тестами будет напечатан по всем канонам метрологии (но где ж его взять, без потери связи с рассудком).

Во всяком преампе, соискателе на претенциозность, случается видеть джамперы пресетов. Прижимают они обычно к земле, наверно наводки через это не самая проблема.


Вернуться наверх
 
 Заголовок сообщения: Re: Рассчет цепи коррекции RIAA
СообщениеДобавлено: Пн июн 10, 2024 18:33:21 
Нашел транзистор. Понюхал.

Зарегистрирован: Сб сен 01, 2018 06:23:58
Сообщений: 184
Рейтинг сообщения: 0
Добрый день господа! Как хорошо развивается тема, приятно видеть. Но во первых, я при всех прошу прощенья у SSC, не за того принял, я не принимал участия раньше в НЧ темах. Но пошерстив сегодня этот сайт, на интересующие меня темы, я понял кого обидел. Ещё раз прошу прощенья за своё невежество. Лучше поздно, чем никогда. Спасибо - serg-. Обязательно попробую всё версии корректоров, в редакции SSC. Уже начал. Ещё раз простите.


Вернуться наверх
 
 Заголовок сообщения: Re: Рассчет цепи коррекции RIAA
СообщениеДобавлено: Пн июн 10, 2024 19:12:17 
Грызет канифоль

Карма: -4
Рейтинг сообщений: -44
Зарегистрирован: Вт май 14, 2024 18:39:25
Сообщений: 297
Рейтинг сообщения: 0
Прижимают они обычно к земле, наверно наводки через это не самая проблема.


Ну, не знаю. При коэффициенте усиления больше 100, фон от руки, лампы или сетевого провода соседнего девайса будет ловить с 0,3-0,5 м. Мне так кажется... :dont_know:

А покупать измерительную пластинку за 12500 руб., это, конечно, уже перебор - вне зоны доступа для простого радиолюбителя. В пределах 1-2 тыс. можно было бы разориться.

Шустрые китайцы еще эту тему не пронюхали... а пока, что будем пользоваться зеркальным фильтром (анти RIAA) с тщательно подобранными номиналами элементов. Другого пути современная наука еще не придумала. :)

Но вообще-то, помимо RIAA стандарта есть еще с десяток стандартов, которые в 50-70 годы по на придумывали себе с дюжину стран и звукозаписывающих компаний мира. :shock:

Естественно в те времена они не догадались в начале диска ставить короткий трек - код своего стандарта, чтобы умные винил корректоры будущего с ИИ :))) смогли, потом, автоматически переключаться на этот стандарт. :tea: Могли бы и белый шум (негромко) включить хотя бы на 1 сек... умный винил корректор бы его просто не подключал на выход :roll:

А говорите, ИИ - это фигня типа зла, эрудиты! :facepalm:


Вернуться наверх
 
 Заголовок сообщения: Re: Рассчет цепи коррекции RIAA
СообщениеДобавлено: Пн июн 10, 2024 20:05:39 
Модератор
Аватар пользователя

Карма: 159
Рейтинг сообщений: 4081
Зарегистрирован: Пт янв 23, 2009 19:20:05
Сообщений: 45735
Рейтинг сообщения: 0
Медали: 1
Получил миской по аватаре (1)
...в те времена они не догадались в начале диска ставить короткий трек - код своего стандарта, чтобы умные винил корректоры будущего с ИИ :))) смогли, потом, автоматически переключаться на этот стандарт. :tea: Могли бы и белый шум (негромко) включить хотя бы на 1 сек... умный винил корректор бы его просто не подключал на выход :roll:

А говорите, ИИ - это фигня типа зла, эрудиты! :facepalm:
...В самом начале 90-х была у нас местная "студия звукозаписи", оригиналы для которой писала студия в г. Киров... Так вот, на тех оригиналах был и участок с суммарным шумом ленты, и сигнал тестового уровня, перед началом собственно фонограммы... На каждой ленте! После, когда цифровал фонограммы для себя, это было очень удобно: в редакторе Неро выделяешь кусок с шумом, "скармливаешь" этот участок для анализа шумоподавителю из комплекта того же редактора, а потом уже обрабатываешь шумоподавлением с максимальным уровнем... В паузах - мертвая тишина, и "хвосты" не режет, как "Маяк"... Напомню - начало девяностых! И фонограммы для профессионального использования имели всё Вами желаемое... А грампластинка - она не для профи, она для бытового использования. :)


Вернуться наверх
 
 Заголовок сообщения: Re: Рассчет цепи коррекции RIAA
СообщениеДобавлено: Пн июн 10, 2024 20:36:59 
Грызет канифоль

Карма: -4
Рейтинг сообщений: -44
Зарегистрирован: Вт май 14, 2024 18:39:25
Сообщений: 297
Рейтинг сообщения: 0
Понятно. У вас тут элитный подход со стороны супер профессионалов - из местной "студии звукозаписи" с возможностью записей в студии г. Кирова. :beer:

А я оказался, автоматически, как бы на стороне простых радиолюбителей всего мира! :facepalm:

Хорошо.

Я не возражаю.

Будем мериться IQ и только по существу вопроса! :kill:

Так, что там и как вы скармливали в виде шумов зв. редактору? Схемы и комментарии будут или нет? :roll:


Вернуться наверх
 
 Заголовок сообщения: Re: Рассчет цепи коррекции RIAA
СообщениеДобавлено: Пн июн 10, 2024 20:54:02 
Модератор
Аватар пользователя

Карма: 159
Рейтинг сообщений: 4081
Зарегистрирован: Пт янв 23, 2009 19:20:05
Сообщений: 45735
Рейтинг сообщения: 0
Медали: 1
Получил миской по аватаре (1)
Схемы-то зачем?! :))) Это не про схемы, а про разницу между профессиональным подходом - и бытовухой. И никакого ИИ, оказывается, не нужно, все нужные алгоритмы созданы уже много лет тому назад... Зачем в бытовом формате фонограммы все эти излишества? Зачем "допиливать" морально устаревший формат, если есть возможность писать с более высоким гарантированным качеством?


Вернуться наверх
 
Показать сообщения за:  Сортировать по:  Вернуться наверх
Начать новую тему Эта тема закрыта, Вы не можете редактировать и оставлять сообщения в ней.  [ Сообщений: 376 ]    , 2, , , ...  

Часовой пояс: UTC + 3 часа


Вы не можете начинать темы
Вы не можете отвечать на сообщения
Вы не можете редактировать свои сообщения
Вы не можете удалять свои сообщения
Вы не можете добавлять вложения

Найти:
Перейти:  


Powered by phpBB © 2000, 2002, 2005, 2007 phpBB Group
Русская поддержка phpBB
Extended by Karma MOD © 2007—2012 m157y
Extended by Topic Tags MOD © 2012 m157y