Например TDA7294

Форум РадиоКот • Просмотр темы - Цифровая паяльная станция (от михи-псков)
Форум РадиоКот
Здесь можно немножко помяукать :)

Текущее время: Сб ноя 22, 2025 08:19:23

Часовой пояс: UTC + 3 часа


ПРЯМО СЕЙЧАС:



Начать новую тему Ответить на тему  [ Сообщений: 10601 ]     ... , , , 528, , ,  
Автор Сообщение
Не в сети
 Заголовок сообщения: Re: Цифровая паяльная станция (от михи-псков)
СообщениеДобавлено: Чт фев 03, 2022 00:33:52 
Первый раз сказал Мяу!

Карма: 3
Рейтинг сообщений: 20
Зарегистрирован: Ср июн 15, 2011 20:02:07
Сообщений: 37
Рейтинг сообщения: 0
Предлагаю вариант, адаптированный для JBC картриджей (жал)


Спасибо большое, а можно увидеть схему с более читабельными (мелкими) номиналами? Не разобрать ничего...JPEG


Смотри личку. Редко заглядываю, сорри...

Закинул еще вариант для JBC C245 на Ардуино с исходником (отлично фурычет с минимальным дополнением: 24В->12В; БП 24В х 5А)


Вернуться наверх
 
Не в сети
 Заголовок сообщения: Re: Цифровая паяльная станция (от михи-псков)
СообщениеДобавлено: Чт сен 29, 2022 13:23:17 
Родился

Зарегистрирован: Чт сен 29, 2022 13:16:55
Сообщений: 1
Рейтинг сообщения: 0
Здравствуйте. В прошивках не силен, модификаций никаких мне не нужно. Прошу помочь найти мне оригинальную/адекватную/стабильную прошивку для паяльника lukey 702. Возможно, я не туда копаю, поэтому было бы неплохо, если кто из знающих подсказал.
Изначально проблемы начались с того, что паяльник нагревался не стабильно. Грешил на грездо пс/2 т.к сам нагреватель исправен/подкидывал другой паяльник в сборе. Сейчас же спустя какое-то время простоя обнаружил, что фен работает отлично, но на включение паяльника никакой реакции нет. По схеме посмотрел - все на месте, все целое. Грешу на прошивку контроллера. Ну и естественно, из программаторов у меня только ch341a. Нашел модифицированную версию софтины, где сказано, что альмегу прошить по isp получится


Вернуться наверх
 
Не в сети
 Заголовок сообщения: Re: Цифровая паяльная станция (от михи-псков)
СообщениеДобавлено: Пт ноя 18, 2022 14:43:13 
Потрогал лапой паяльник
Аватар пользователя

Карма: 3
Рейтинг сообщений: 61
Зарегистрирован: Пн авг 16, 2010 14:09:28
Сообщений: 351
Рейтинг сообщения: 0
Товарищи, подскажите. Захотел использовать прошивку от михи псков для нагревательного столика для пайки смд. Все работает, но изза большой инерционности нагревателей, температура скачет на +30 от установленной. Например установил 100гр. Пошел нагрев, и так аж до 130, потом остывание до 100 и опять до 130. Может есть прошивка с регулировкой гистерезиса или ПИД ? Схему использовал для фена.

_________________
В жизни не бывает случайностей, есть только неизбежность.


Вернуться наверх
 
Не в сети
 Заголовок сообщения: Re: Цифровая паяльная станция (от михи-псков)
СообщениеДобавлено: Пт ноя 18, 2022 16:27:27 
Родился
Аватар пользователя

Зарегистрирован: Сб фев 16, 2019 16:00:21
Сообщений: 13
Рейтинг сообщения: 0
Подскажите можно ли в схеме станции применить
вместо lm358- lm2904


Добавлено after 3 minutes 44 seconds:
358 можно


Вернуться наверх
 
Эиком - электронные компоненты и радиодетали
Не в сети
 Заголовок сообщения: Re: Цифровая паяльная станция (от михи-псков)
СообщениеДобавлено: Вс дек 18, 2022 12:03:56 
Вымогатель припоя
Аватар пользователя

Зарегистрирован: Ср мар 21, 2007 18:51:58
Сообщений: 574
Откуда: Пермский край, город Лысьва
Рейтинг сообщения: 0
Товарищи, помогите советом. Собрал паяльник во схеме и прошивке от От Михи псков (SI_Mikha_VP_v1.4 (Паяльник)). Прошил его прошивкой. Фьюзы выставил как на его скриншоте. Но у меня что то работает не верно. Буквы светятся не все сразу, а сначала одна потом другая. Можеть я не правильно выставил фьюзы проверьте пожалуйста все ли я сделал верно.
Видео, как горят индикаторы:
Спойлер

Фьюзы от Михи псков:
СпойлерИзображение

Фьюзы которые выставил я:
СпойлерИзображение

Это паяльник не подключен, сперва с этим разбираюсь. При подключенном паяльнике надпись Err нет, там температура, но она так же не верная. Но это после как исправлю эту ошибку.


Вернуться наверх
 
Не в сети
 Заголовок сообщения: Re: Цифровая паяльная станция (от михи-псков)
СообщениеДобавлено: Вс дек 18, 2022 13:02:59 
Друг Кота
Аватар пользователя

Карма: 197
Рейтинг сообщений: 8571
Зарегистрирован: Пн ноя 30, 2009 03:00:01
Сообщений: 42975
Откуда: Нерезиновая
Рейтинг сообщения: 0
такая медленная развёртка будет, если вместо 8 МГц тактовой частоты у вас выставлена частота "по умолчанию"- 1 МГц, хотя, судя по вашим фьюзам у вас стоит 8 МГц..
Правда, мне однажды попалась Мега8, у которой не выставлялась тактовая частота- фьюзы менялись, а частота оставалась "по умолчанию".. :dont_know:
Попробуйте заменить МК.. :dont_know:


Вернуться наверх
 
Не в сети
 Заголовок сообщения: Re: Цифровая паяльная станция (от михи-псков)
СообщениеДобавлено: Вс дек 18, 2022 20:40:38 
Вымогатель припоя
Аватар пользователя

Зарегистрирован: Ср мар 21, 2007 18:51:58
Сообщений: 574
Откуда: Пермский край, город Лысьва
Рейтинг сообщения: 0
Попробуйте заменить МК.. :dont_know:

Получилось исправить ситуацию (прошивал сначала TL866 II, потом USBASP, ни чего не работало, а потом я прошил фьюзы с помощью TL866 II, а саму программу пошил USBASP и все заработало. Такого у меня ещё не было).

Подскажите, на этих схемах:
СпойлерИзображение

СпойлерИзображение

имеется Компенсатор стабилизатор холодного спая термопары/терморезистора? В faq про него упоминается, а тут их вроде как нет или оно тут и не надо?
download/file.php?id=30913


Вернуться наверх
 
Не в сети
 Заголовок сообщения: Re: Цифровая паяльная станция (от михи-псков)
СообщениеДобавлено: Пн дек 19, 2022 12:41:15 
Друг Кота
Аватар пользователя

Карма: 197
Рейтинг сообщений: 8571
Зарегистрирован: Пн ноя 30, 2009 03:00:01
Сообщений: 42975
Откуда: Нерезиновая
Рейтинг сообщения: 0
Attenyuator писал(а):
имеется Компенсатор стабилизатор холодного спая термопары/терморезистора?
Реально он не нужен- (имхо) это "заморочки снобов" - всё равно рабочая температура паяльника- от 150 до 350 градусов, а "компенсация холодного спая" это при измерении околонулевых температур с высокой точностью. Для паяльника достаточно точности +- 5 градусов "за глаза"..


Вернуться наверх
 
Не в сети
 Заголовок сообщения: Re: Цифровая паяльная станция (от михи-псков)
СообщениеДобавлено: Ср мар 29, 2023 00:12:02 
Открыл глаза

Зарегистрирован: Сб дек 19, 2020 17:17:59
Сообщений: 60
Рейтинг сообщения: 0
Подскажите пожалуста развел печатну плату под паяльник, нужно изменить чтобы подключить паяльник с терморезистором в плате и не нужно менять что-то в прошивке. прошивка 3.9b4


Вложения:
паяльник.lay6 [205.27 KiB]
Скачиваний: 210
Вернуться наверх
 
Не в сети
 Заголовок сообщения: Re: Цифровая паяльная станция (от михи-псков)
СообщениеДобавлено: Ср мар 29, 2023 18:41:50 
Открыл глаза

Зарегистрирован: Сб дек 19, 2020 17:17:59
Сообщений: 60
Рейтинг сообщения: 0
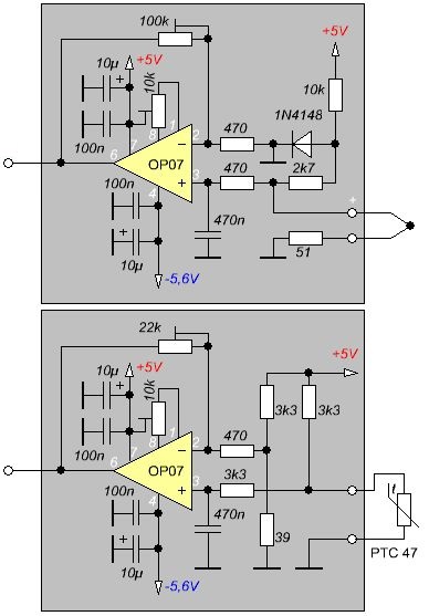
Привет всем нашёл схему обвязки опереционика на LM358 И НА OP07 какой оперецеоник стабильнее держит температуру, и какая схема рабочая


Вложения:
opamp-tc-ptc.jpg [49.54 KiB]
Скачиваний: 1512
Вернуться наверх
 
Не в сети
 Заголовок сообщения: Re: Цифровая паяльная станция (от михи-псков)
СообщениеДобавлено: Чт мар 30, 2023 07:27:04 
Собутыльник Кота
Аватар пользователя

Карма: 6
Рейтинг сообщений: 234
Зарегистрирован: Сб окт 16, 2010 12:20:55
Сообщений: 2606
Откуда: Саратовская обл.
Рейтинг сообщения: 0
Я делал на терморезисторе для люкей,работала нормально

_________________
Если кажется, что работу сделать легко, это непременно будет трудно.


Вернуться наверх
 
Не в сети
 Заголовок сообщения: Re: Цифровая паяльная станция (от михи-псков)
СообщениеДобавлено: Сб апр 15, 2023 19:10:01 
Мучитель микросхем

Зарегистрирован: Ср июн 29, 2011 14:30:41
Сообщений: 477
Рейтинг сообщения: 0
...


Последний раз редактировалось blazer Сб апр 15, 2023 22:01:40, всего редактировалось 1 раз.

Вернуться наверх
 
Не в сети
 Заголовок сообщения: Re: Цифровая паяльная станция (от михи-псков)
СообщениеДобавлено: Сб апр 15, 2023 21:36:51 
Друг Кота
Аватар пользователя

Карма: 197
Рейтинг сообщений: 8571
Зарегистрирован: Пн ноя 30, 2009 03:00:01
Сообщений: 42975
Откуда: Нерезиновая
Рейтинг сообщения: 0
нашёл схему обвязки опереционика на LM358 И НА OP07 какой оперецеоник стабильнее держит температуру

А не поуху, какой там ОУ? Тут ни фон, ни помехи, ни шумы особо рояля не играют.. :)))
А что у вас означает "стабильнее"?

, и какая схема рабочая

СпойлерИзображение

Вот здесь? Одна схема под термопару, вторая- под терморезистор.. Правильно соберёте и настроите- обе рабочие, всё зависит от того, какой у вас датчик.


Вернуться наверх
 
Не в сети
 Заголовок сообщения: Re: Цифровая паяльная станция (от михи-псков)
СообщениеДобавлено: Вс апр 16, 2023 10:52:16 
Грызет канифоль
Аватар пользователя

Карма: 1
Рейтинг сообщений: 15
Зарегистрирован: Ср ноя 03, 2010 20:29:24
Сообщений: 252
Рейтинг сообщения: 0
Я делал по схеме автора, все работает замечательно по сей день, блок питания у меня трансформаторный, намотан на торе, никаких помех от него нет.


Вернуться наверх
 
Не в сети
 Заголовок сообщения: Re: Цифровая паяльная станция (от михи-псков)
СообщениеДобавлено: Чт май 11, 2023 14:55:18 
Родился

Зарегистрирован: Чт окт 22, 2009 17:41:38
Сообщений: 4
Рейтинг сообщения: 0
Приветствую форумчан.
Есть вопрос по блоку питания.
Собрал станцию на 1321, керамика, терморезистор. Блок питания импульсник 24в 4а.
При старте холодного паяльника блок уходит в защиту, затем запускается и снова уходит в защиту, после этого стартует и работает хорошо.
Запитал схему от лабораторника, на старте уходит в режим ограничения тока 5а, напряжение падает до 17.9в, через 2 секунды выходит на режим стабильного напряжения, ток падает до 4.5а.
Спустя 6 секунд жало уже прогревается до установленной температуры.

Какой импульсный блок питания рекомендуется для данного нагревателя?


Вернуться наверх
 
Не в сети
 Заголовок сообщения: Re: Цифровая паяльная станция (от михи-псков)
СообщениеДобавлено: Пн июн 05, 2023 23:31:31 
Первый раз сказал Мяу!
Аватар пользователя

Зарегистрирован: Вт июл 12, 2011 18:37:43
Сообщений: 32
Откуда: Україна, Львів
Рейтинг сообщения: 0
Давненько не читал эту тему.
Подскажите есть ли в теме схемы и прошивки для использования паяльников с жалами T12?


Вернуться наверх
 
Не в сети
 Заголовок сообщения: Re: Цифровая паяльная станция (от михи-псков)
СообщениеДобавлено: Вт июн 06, 2023 00:44:05 
Первый раз сказал Мяу!

Зарегистрирован: Сб мар 30, 2013 22:45:18
Сообщений: 25
Откуда: Воронеж
Рейтинг сообщения: 1
Спасибо Михе, Виктору и всем котам за полезную вещь. Сваял себе по схеме №9 контроллер для грелки на 2 термопары. Супер!
Изображение Изображение Изображение Изображение


Вернуться наверх
 
Не в сети
 Заголовок сообщения: Re: Цифровая паяльная станция (от михи-псков)
СообщениеДобавлено: Вт июн 06, 2023 18:25:05 
Вымогатель припоя

Карма: 8
Рейтинг сообщений: 57
Зарегистрирован: Ср май 26, 2010 16:24:33
Сообщений: 512
Рейтинг сообщения: 0
SIV писал(а):
схемы и прошивки для использования паяльников с жалами T12


Прошивки использую от Victor_P. Смотри у него в подписи. Там же были и схемы.
Все подробности тут:
https://www.radiokot.ru/forum/viewtopic ... 2&t=101844
https://www.radiokot.ru/forum/viewtopic.php?f=25&t=2016


Вернуться наверх
 
Не в сети
 Заголовок сообщения: Re: Цифровая паяльная станция (от михи-псков)
СообщениеДобавлено: Пн сен 18, 2023 09:13:48 
Родился

Зарегистрирован: Ср сен 06, 2023 17:45:42
Сообщений: 3
Рейтинг сообщения: 0
Предлагаю вариант, адаптированный для JBC картриджей (жал)


добрый день @Amigo60

могу ли я запросить схему для этого?
Я открыл его, но при увеличении картинка была размытой...
и прошивка не работает, когда заливаю ее в МК Atmega8-PU
Если вы не возражаете, вы можете отправить его мне по адресу komarudineuis@gmail.com/bulan7x@gmail.com.
Спасибо, сэр :)) :))


Вернуться наверх
 
Не в сети
 Заголовок сообщения: Re: Цифровая паяльная станция (от михи-псков)
СообщениеДобавлено: Пн сен 25, 2023 13:50:35 
Родился

Зарегистрирован: Вс сен 24, 2023 18:07:30
Сообщений: 2
Рейтинг сообщения: 0
Здравствуйте. Помогите пожалуйста с паяльной станцией lukey 852d + fun. Сгорел паяльник, вылетела атмега 8. Купил паяльник и микруху. Может есть у кого прошивка и фюзы для паяльника?


Вернуться наверх
 
Показать сообщения за:  Сортировать по:  Вернуться наверх
Начать новую тему Ответить на тему  [ Сообщений: 10601 ]     ... , , , 528, , ,  

Часовой пояс: UTC + 3 часа


Кто сейчас на форуме

Сейчас этот форум просматривают: нет зарегистрированных пользователей и гости: 25


Вы не можете начинать темы
Вы не можете отвечать на сообщения
Вы не можете редактировать свои сообщения
Вы не можете удалять свои сообщения
Вы не можете добавлять вложения

Найти:
Перейти:  


Powered by phpBB © 2000, 2002, 2005, 2007 phpBB Group
Русская поддержка phpBB
Extended by Karma MOD © 2007—2012 m157y
Extended by Topic Tags MOD © 2012 m157y