Например TDA7294

Форум РадиоКот • Просмотр темы - Интернет на AVR
Форум РадиоКот
Здесь можно немножко помяукать :)

Текущее время: Пн ноя 24, 2025 10:40:56

Часовой пояс: UTC + 3 часа


ПРЯМО СЕЙЧАС:



Начать новую тему Ответить на тему  [ Сообщений: 80 ]    , , , 4
Автор Сообщение
Не в сети
 Заголовок сообщения: Re: Интернет на AVR
СообщениеДобавлено: Вт фев 07, 2023 11:33:12 
Друг Кота
Аватар пользователя

Карма: 52
Рейтинг сообщений: 2114
Зарегистрирован: Пт ноя 11, 2016 05:48:09
Сообщений: 7053
Откуда: Сердце Пармы
Рейтинг сообщения: 0
Медали: 2
Получил миской по аватаре (2)
заменил XOR 2мя транзисторами...
надо пересчитать временные задержки под реальные микросхемы...
roman.com, напиши перечень имеющихся микросхем время прохождения сигнала по ним, а я попробую под них схему нарисовать.

_________________
Для тех, кто не учил магию мир полон физики :)
Безграмотно вопрошающим про силовую или высоковольтную электронику я не отвечаю, а то ещё посадят за участие в (само)убиении оболтуса...


Вернуться наверх
 
Не в сети
 Заголовок сообщения: Re: Интернет на AVR
СообщениеДобавлено: Вт фев 07, 2023 12:49:53 
Друг Кота

Карма: -1
Рейтинг сообщений: 71
Зарегистрирован: Вт мар 13, 2012 12:16:13
Сообщений: 8832
Откуда: .ru
Рейтинг сообщения: 0
перечень имеющихся микросхем... большой))
разные логические элементы... регистры... счётчики... мультиплексоры... и т.д.

время прохождения сигнала по ним я не знаю... только примерно))
если бы я знал точное время прохождения сигнала... то эта схема уже давно бы работала))
проще придумать по моему уже невозможно))
Вложение:
RX_идеальный)).jpg [109.04 KiB]
Скачиваний: 403

для измерения точного время прохождения сигнала нужен прибор...
Вложение:
прибор.jpg [76.4 KiB]
Скачиваний: 75

которого у меня сейчас под рукой нет...
в этом вся проблема...
:tea:

Добавлено after 8 minutes 39 seconds:
вот тут чувак сделал на ATtiny85...

https://www.youtube.com/watch?v=mwcvElQS-hM
https://www.youtube.com/watch?v=m4f4OzEyueg

собственно именно этот чувак и натолкнул меня на идею сделать всё на ардуино.))
:tea:

только у него в приёмнике используется семплирование... 31 мгц...
по признаниям самого чувака у него большая потеря пакетов... ATtiny85 плохо справляется с приёмом пакетов...
нам такой вариант не подходит.
надо делать как положено - с отдельным блоком синхронизации и т.д.
Тогда всё будет работать идеально))
:tea:


Вернуться наверх
 
Не в сети
 Заголовок сообщения: Re: Интернет на AVR
СообщениеДобавлено: Вт фев 07, 2023 14:10:42 
Друг Кота
Аватар пользователя

Карма: 52
Рейтинг сообщений: 2114
Зарегистрирован: Пт ноя 11, 2016 05:48:09
Сообщений: 7053
Откуда: Сердце Пармы
Рейтинг сообщения: 0
Медали: 2
Получил миской по аватаре (2)
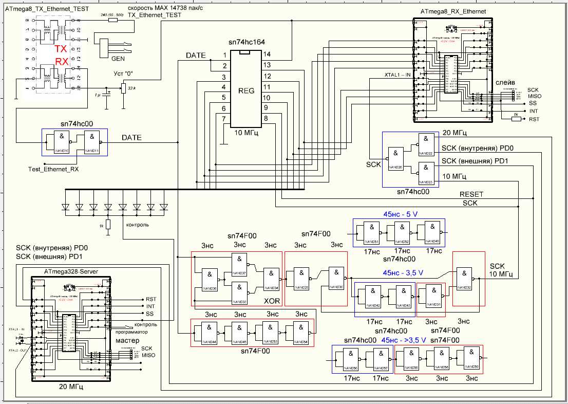
У тебя задержка на 1 элементе 17мс, а на 3 - 45мс... 17*3 != 45

Добавлено after 59 minutes 49 seconds:
Дописал время распространения сигнала по логическому элементу (установил 15нс), XOR сделал на транзисторах, вписал приём в 4 корпуса... но по времени получилось впритирочку... как у тебя такие длинные цепи успевают :dont_know:
СпойлерИзображение


Добавлено after 2 minutes 33 seconds:
сдвиговый регистр с защелкой применил для тог, чтобы можно было во время приёма следующего байта обработать пришедший... хотя, наверно это излишнее


Вложения:
2023-02-07_15-51-25.png [71.47 KiB]
Скачиваний: 109

_________________
Для тех, кто не учил магию мир полон физики :)
Безграмотно вопрошающим про силовую или высоковольтную электронику я не отвечаю, а то ещё посадят за участие в (само)убиении оболтуса...
Вернуться наверх
 
Не в сети
 Заголовок сообщения: Re: Интернет на AVR
СообщениеДобавлено: Вт фев 07, 2023 16:06:05 
Друг Кота

Карма: -1
Рейтинг сообщений: 71
Зарегистрирован: Вт мар 13, 2012 12:16:13
Сообщений: 8832
Откуда: .ru
Рейтинг сообщения: 0
регистр с защелкой не нужен... поиск и захват сигнала будет делать ардуина))
всё что нужно - выделить синхро сигнал и подать на XTAL ардуины...

на 1 элементе 17мс, а на 3 - 45мс... 17*3 != 45
это примерно)) так показал тестер...
тестер показал скважность сигнала одновибратора на 3-х элементах ~15...17 нс
сколько точно я не знаю))
протеус показал 11 нс...
даташит говорит 8...9 нс
Вложение:
Screenshot_8.jpg [29.22 KiB]
Скачиваний: 59

а сколько точно - знает только прибор))
:tea:

Добавлено after 7 minutes 35 seconds:
всё это напоминает настройку блока синхронизации... телевизора))
Вложение:
Screenshot_4.jpg [75.27 KiB]
Скачиваний: 52

или сведения лучей...
через строчная развертка ))
Вложение:
Screenshot_2.jpg [64.56 KiB]
Скачиваний: 59

:)))
приборы нужны...
:tea:

Добавлено after 3 minutes 10 seconds:
а что если посмотреть сигнал на... телевизоре ?))
:)))
частоты до ~30 мгц телевизор показывает...
примерно так выглядит частота 30 мгц на телевизоре))
Вложение:
Screenshot_6.jpg [72.18 KiB]
Скачиваний: 63

только не акая красивая... но видно чётко))
:tea:
приплыли))
:)))

Добавлено after 17 minutes 20 seconds:
Вложение:
Screenshot_6.jpg [75.24 KiB]
Скачиваний: 58

импульс ~5 мкс...
Вложение:
Screenshot_5.jpg [53.2 KiB]
Скачиваний: 65

в принципе... можно разлядеть и наш манчестер...))
но это уже извращение...

короче... нужны приборы... хотя бы показометры))


Вернуться наверх
 
Эиком - электронные компоненты и радиодетали
Не в сети
 Заголовок сообщения: Re: Интернет на AVR
СообщениеДобавлено: Чт мар 02, 2023 10:19:44 
Друг Кота

Карма: -1
Рейтинг сообщений: 71
Зарегистрирован: Вт мар 13, 2012 12:16:13
Сообщений: 8832
Откуда: .ru
Рейтинг сообщения: 0
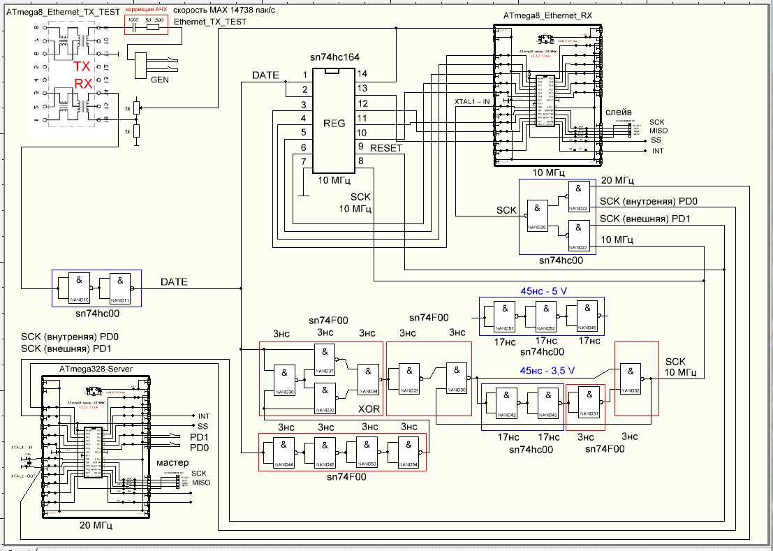
ещё один вариант схемы...
Вложение:
ХОР.jpg [109.89 KiB]
Скачиваний: 76

:roll:


Вернуться наверх
 
Не в сети
 Заголовок сообщения: Re: Интернет на AVR
СообщениеДобавлено: Вс мар 12, 2023 16:48:10 
Друг Кота

Карма: -1
Рейтинг сообщений: 71
Зарегистрирован: Вт мар 13, 2012 12:16:13
Сообщений: 8832
Откуда: .ru
Рейтинг сообщения: 0
далее...
Вложение:
схема.jpg [115.17 KiB]
Скачиваний: 65

уже лучше))
Вложение:
схема_осцил.jpg [99.48 KiB]
Скачиваний: 379

время включения - выключения логических элементов сильно зависит от напряжения питания...
:roll:
но в целом синхронизатор уже работает стабильно)) если можно так сказать))
:tea:


Вернуться наверх
 
Не в сети
 Заголовок сообщения: Re: Интернет на AVR
СообщениеДобавлено: Сб мар 18, 2023 15:53:18 
Друг Кота

Карма: -1
Рейтинг сообщений: 71
Зарегистрирован: Вт мар 13, 2012 12:16:13
Сообщений: 8832
Откуда: .ru
Рейтинг сообщения: 0
далее...
подкрутили схемку))
Вложение:
схема_RX.jpg [116.64 KiB]
Скачиваний: 57

улучшили синхронизацию...
Вложение:
схема_RX_осцил.jpg [111.97 KiB]
Скачиваний: 377

на самом деле там сигнал синхронизации уже близок к меандру... просто в протеусе не могу воспроизвести...))

далее...
пакетики уже побежали))
:)
Вложение:
схема_RX_монитор.jpg [126.2 KiB]
Скачиваний: 377

на осциллограммах и анализаторе видно что первый и последний бит Ethernet пакета теряется...
в принципе это не столь критично... работает и так))
хотя надо подумать как ещё улучшить...
:tea:


Вернуться наверх
 
Не в сети
 Заголовок сообщения: Re: Интернет на AVR
СообщениеДобавлено: Пн мар 20, 2023 18:08:25 
Друг Кота

Карма: -1
Рейтинг сообщений: 71
Зарегистрирован: Вт мар 13, 2012 12:16:13
Сообщений: 8832
Откуда: .ru
Рейтинг сообщения: 0
далее...
ещё подкрутили схемку))
Вложение:
схема.jpg [120.04 KiB]
Скачиваний: 59

пакетики побежали ещё быстрей))
Вложение:
схема_тест.jpg [129.72 KiB]
Скачиваний: 55

:tea:

Добавлено after 6 minutes 23 seconds:
синхронизация работает по первому биту...
Вложение:
Ethernet_RX.jpg [122.77 KiB]
Скачиваний: 54

пока эта схема работает стабильней чем другие...))
потом надо ещё подумать...
:roll:

а вот усилитель пока не работает... совсем)) просто тупо возбуждается и всё... ))
:?
в первоисточнике использовали ОУ...
Вложение:
ОУ.jpg [72.15 KiB]
Скачиваний: 59

у меня нет такого...
значит... нужна другая схема))
:tea:


Вернуться наверх
 
Не в сети
 Заголовок сообщения: Re: Интернет на AVR
СообщениеДобавлено: Чт мар 23, 2023 18:02:05 
Друг Кота

Карма: -1
Рейтинг сообщений: 71
Зарегистрирован: Вт мар 13, 2012 12:16:13
Сообщений: 8832
Откуда: .ru
Рейтинг сообщения: 0
далее...
ещё подкрутили схемку))
Вложение:
без усилителя.jpg [115.86 KiB]
Скачиваний: 58

работает))
Вложение:
RX.jpg [128.76 KiB]
Скачиваний: 71

надо ещё подумать... что подкрутит))
:tea:


Вернуться наверх
 
Не в сети
 Заголовок сообщения: Re: Интернет на AVR
СообщениеДобавлено: Вс апр 02, 2023 15:51:20 
Друг Кота

Карма: -1
Рейтинг сообщений: 71
Зарегистрирован: Вт мар 13, 2012 12:16:13
Сообщений: 8832
Откуда: .ru
Рейтинг сообщения: 0
далее...
подкрутили схемку)) и программку ))
Вложение:
RX.jpg [119.85 KiB]
Скачиваний: 50

работает))
Вложение:
отчёт.jpg [221.62 KiB]
Скачиваний: 50

только иногда наблюдаются потери пакетов...
Вложение:
отчёт_потеря.jpg [184.55 KiB]
Скачиваний: 54

это связано с тем что скорость обработки пакетов пока не высока...
если в локалке работает куча устройств с широковещательными пакетами... то МК просто не успевает их обрабатывать...
связка ATmega8 + ATmega328 слишком медленно работают))

мда...
от DDOS-атак наша схема пока защищена слабо))
:))
надо ещё что-нибудь подкрутить))
:tea:


Вернуться наверх
 
Не в сети
 Заголовок сообщения: Re: Интернет на AVR
СообщениеДобавлено: Вт апр 04, 2023 22:27:25 
Друг Кота

Карма: -1
Рейтинг сообщений: 71
Зарегистрирован: Вт мар 13, 2012 12:16:13
Сообщений: 8832
Откуда: .ru
Рейтинг сообщения: 0
Вложение:
схема.jpg [121.85 KiB]
Скачиваний: 49

работает... работает... 5 минут))
потом бах ! ATmega8 зависла...
:o

Добавлено after 7 minutes 8 seconds:
тактировать мегу от сети не совсем правильно т.к. возможен джиттер да и с внутренними коммуникациями она может плохо подружиться...

угу ))
мы об этом догадывались))
теперь надо думать как с этим бороться...
:tea:


Вложения:
RX_Ethernet.asm [15.58 KiB]
Скачиваний: 42
Вернуться наверх
 
Не в сети
 Заголовок сообщения: Re: Интернет на AVR
СообщениеДобавлено: Пт апр 14, 2023 22:10:50 
Друг Кота

Карма: -1
Рейтинг сообщений: 71
Зарегистрирован: Вт мар 13, 2012 12:16:13
Сообщений: 8832
Откуда: .ru
Рейтинг сообщения: 0
Вложение:
схема.jpg [122.71 KiB]
Скачиваний: 46

добавили RESET... теперь мега8 сама перезапускается в случае зависания...
осталось доделать кадровую синхронизацию... чтоб мега8 не зависала...
:tea:


Вернуться наверх
 
Не в сети
 Заголовок сообщения: Re: Интернет на AVR
СообщениеДобавлено: Пн апр 17, 2023 19:38:12 
Друг Кота

Карма: -1
Рейтинг сообщений: 71
Зарегистрирован: Вт мар 13, 2012 12:16:13
Сообщений: 8832
Откуда: .ru
Рейтинг сообщения: 0
добавили пакетную синхронизацию...
Вложение:
схема_RX.jpg [124.56 KiB]
Скачиваний: 50

идею взяли из радиоуправления...
Вложение:
синхро.jpg [33.71 KiB]
Скачиваний: 51

в целом приёмник уже работает достаточно стабильно.
глюков ATmega8 почти нет))
:tea:
надо ещё что подкрутить))


Вернуться наверх
 
Не в сети
 Заголовок сообщения: Re: Интернет на AVR
СообщениеДобавлено: Ср апр 19, 2023 21:24:54 
Друг Кота

Карма: -1
Рейтинг сообщений: 71
Зарегистрирован: Вт мар 13, 2012 12:16:13
Сообщений: 8832
Откуда: .ru
Рейтинг сообщения: 0
добавили пакетную синхронизацию...

фигня это всё)) глюки остались...
похоже тактировать мегу8 прямо из сети - не лучшая идея))
в сети много помех... мега8 зависает от помех...
:roll:
остаётся только RESET...
усилим контроль))
Вложение:
схема.jpg [129.51 KiB]
Скачиваний: 50

:tea:

Добавлено after 4 minutes 56 seconds:
вот идеальная схема))
Вложение:
Screenshot_1.jpg [90.77 KiB]
Скачиваний: 50

только для нормальной работы нужна тактовая частота 40 мгц...
мега8 такую не потянет)) жаль...
:tea:


Вернуться наверх
 
Не в сети
 Заголовок сообщения: Re: Интернет на AVR
СообщениеДобавлено: Чт апр 20, 2023 17:44:55 
Друг Кота

Карма: -1
Рейтинг сообщений: 71
Зарегистрирован: Вт мар 13, 2012 12:16:13
Сообщений: 8832
Откуда: .ru
Рейтинг сообщения: 0
тесты продолжаются))
Вложение:
схема.jpg [131.95 KiB]
Скачиваний: 48

:tea:


Вернуться наверх
 
Не в сети
 Заголовок сообщения: Re: Интернет на AVR
СообщениеДобавлено: Сб апр 22, 2023 10:52:52 
Друг Кота

Карма: -1
Рейтинг сообщений: 71
Зарегистрирован: Вт мар 13, 2012 12:16:13
Сообщений: 8832
Откуда: .ru
Рейтинг сообщения: 0
похоже тактировать мегу8 прямо из сети - не лучшая идея))
в сети много помех... мега8 зависает от помех...

ошибка программы...
нормально мега8 тактируется из сети ))
:tea:
roman.com писал(а):
только для нормальной работы нужна тактовая частота 40 мгц...
мега8 такую не потянет)) жаль...

этого никто не знает))

максимальная частота кварца меги8 = 25 мгц. Проверенно))

максимальная частота внешнего тактирования меги8 = ... никто не проверял))
:tea:


Вложения:
RX_Ethernet.asm [15.01 KiB]
Скачиваний: 38
Вернуться наверх
 
Не в сети
 Заголовок сообщения: Re: Интернет на AVR
СообщениеДобавлено: Пн апр 24, 2023 13:10:48 
Друг Кота

Карма: -1
Рейтинг сообщений: 71
Зарегистрирован: Вт мар 13, 2012 12:16:13
Сообщений: 8832
Откуда: .ru
Рейтинг сообщения: 0
Вложение:
схема.jpg [145.57 KiB]
Скачиваний: 935

всё работает))
:tea:


Вернуться наверх
 
Не в сети
 Заголовок сообщения: Re: Интернет на AVR
СообщениеДобавлено: Вт апр 25, 2023 05:59:26 
Сверлит текстолит когтями

Зарегистрирован: Вт ноя 19, 2019 06:10:18
Сообщений: 1258
Рейтинг сообщения: 0
roman.com писал(а):
практический смысл:
-простота схемы

Да уж, получилась "простая" схема, особенно в сравнении с W5500 за 220 рублей.


Вернуться наверх
 
Не в сети
 Заголовок сообщения: Re: Интернет на AVR
СообщениеДобавлено: Вт апр 25, 2023 15:27:53 
Друг Кота

Карма: -1
Рейтинг сообщений: 71
Зарегистрирован: Вт мар 13, 2012 12:16:13
Сообщений: 8832
Откуда: .ru
Рейтинг сообщения: 0
1.
Я свидетель импортозамещения ! ))
:)))

2.
- интернет на W5500 - ток 80 mA
- интернет на AVR - ток 30 mA

3.
универсальность ))

и т.д.
:tea:


Вернуться наверх
 
Не в сети
 Заголовок сообщения: Re: Интернет на AVR
СообщениеДобавлено: Чт апр 27, 2023 23:46:22 
Друг Кота

Карма: -1
Рейтинг сообщений: 71
Зарегистрирован: Вт мар 13, 2012 12:16:13
Сообщений: 8832
Откуда: .ru
Рейтинг сообщения: 0
roman.com писал(а):
практический смысл:
-простота схемы

ну это на AVR получилась большая схема)) просто AVR медленно работают...

а если взять что-нить побыстрей... типа STM32 или ESP32... то схема будет попроще...

схема будет примерно такая
Вложение:
ESP32.jpg [60.64 KiB]
Скачиваний: 57

но это уже совсем другая история))
:tea:


Вернуться наверх
 
Показать сообщения за:  Сортировать по:  Вернуться наверх
Начать новую тему Ответить на тему  [ Сообщений: 80 ]    , , , 4

Часовой пояс: UTC + 3 часа


Кто сейчас на форуме

Сейчас этот форум просматривают: нет зарегистрированных пользователей и гости: 23


Вы не можете начинать темы
Вы не можете отвечать на сообщения
Вы не можете редактировать свои сообщения
Вы не можете удалять свои сообщения
Вы не можете добавлять вложения

Найти:
Перейти:  


Powered by phpBB © 2000, 2002, 2005, 2007 phpBB Group
Русская поддержка phpBB
Extended by Karma MOD © 2007—2012 m157y
Extended by Topic Tags MOD © 2012 m157y