Например TDA7294

Форум РадиоКот • Просмотр темы - Интернет на AVR
Форум РадиоКот
Здесь можно немножко помяукать :)

Текущее время: Чт ноя 27, 2025 14:00:35

Часовой пояс: UTC + 3 часа


ПРЯМО СЕЙЧАС:



Начать новую тему Ответить на тему  [ Сообщений: 80 ]    , , 3,  
Автор Сообщение
Не в сети
 Заголовок сообщения: Re: Интернет на AVR
СообщениеДобавлено: Пн янв 30, 2023 06:24:15 
Сверлит текстолит когтями

Зарегистрирован: Вт ноя 19, 2019 06:10:18
Сообщений: 1259
Рейтинг сообщения: 0
roman.com писал(а):
нужна простая схема из доступных деталей которые есть у всех

Палюбас проще и надёжнее этих приблуд на Дуне:
https://www.promelec.ru/product/362071/
https://aliexpress.ru/item/32901601162. ... 8643989637
https://aliexpress.ru/item/100500467928 ... 4aa6SAMsrb


Вернуться наверх
 
Не в сети
 Заголовок сообщения: Re: Интернет на AVR
СообщениеДобавлено: Пн янв 30, 2023 07:06:09 
Друг Кота
Аватар пользователя

Карма: 52
Рейтинг сообщений: 2114
Зарегистрирован: Пт ноя 11, 2016 05:48:09
Сообщений: 7053
Откуда: Сердце Пармы
Рейтинг сообщения: 2
Медали: 2
Получил миской по аватаре (2)
Думаю, манчестер можно расшифровать при помощи быстротактируемого счетчика (порядка 100 МГц) замеряем длительность сигнала от фронта до фронта если счетчик насчитал 4-6, значит это повторился предыдущий бит (была 1 и пришла 1 или была 0 и пришла 0 ), если счетчик насчитал 8-12, смотрим текущее состояние линии, ексли высокое, значит после 0 (можно использовать для проверки корректности) пришла 1, если низкое, значит после 1 пришел 0.

Добавлено after 3 minutes 51 second:
можно быстротактируемый (около 30-39 МГц) сдвиговый регистр типа 595, его выходы на входы порта и написать карту состояний порта, по которой определять что там пришло... (эту версию я пока не до конца продумал).
Но мне кажется что мега не успеет это обработать...

_________________
Для тех, кто не учил магию мир полон физики :)
Безграмотно вопрошающим про силовую или высоковольтную электронику я не отвечаю, а то ещё посадят за участие в (само)убиении оболтуса...


Вернуться наверх
 
Не в сети
 Заголовок сообщения: Re: Интернет на AVR
СообщениеДобавлено: Пн янв 30, 2023 16:56:05 
Друг Кота

Карма: -1
Рейтинг сообщений: 73
Зарегистрирован: Вт мар 13, 2012 12:16:13
Сообщений: 8836
Откуда: .ru
Рейтинг сообщения: 0
roman.com писал(а):
нужна простая схема из доступных деталей которые есть у всех

Палюбас проще и надёжнее этих приблуд на Дуне:
https://www.promelec.ru/product/362071/
https://aliexpress.ru/item/32901601162. ... 8643989637
https://aliexpress.ru/item/100500467928 ... 4aa6SAMsrb

спасибо но W5500 у меня уже есть.
Думаю, манчестер можно расшифровать при помощи быстротактируемого счетчика (порядка 100 МГц )замеряем длительность сигнала от фронта до фронта...

отдельный ТТЛШ счётчик на 100 мгц... допустим))
Ivanoff-iv писал(а):
можно быстротактируемый (около 30-39 МГц) сдвиговый регистр типа 595, его выходы на входы порта и написать карту состояний порта, по которой определять что там пришло...

отдельный ТТЛШ сдвиговый регистр на 100 мгц... допустим))

пока плохо представляю себе схему этого чуда...
:roll:

Добавлено after 31 minute 8 seconds:
когда делали радиоуправление https://www.radiokot.ru/forum/viewtopic ... 8&t=148087
мы тоже использовали манчестер...
ардуина цифровала сигнал с частотой в 16 раз больше с помощью таймера и прерывания...
практика показала что 16 семплов на бит достаточно для надёжной синхронизации и восстановления исходного сигнала.... даже в условиях сильных помех и шумов...
Вложение:
Обработка сигнала.jpg [230.18 KiB]
Скачиваний: 58

ардуина прекрасно с этим справляется))
во только там частота синала была всего 1 килогерц))
а нам нужно принять сигнал частотой 10 мгц... в 10.000 раз быстрей !))
:tea:

Добавлено after 5 minutes 53 seconds:
при помощи быстротактируемого счетчика (порядка 100 МГц) замеряем длительность сигнала от фронта до фронта

в другом варианте мы измеряли длительность от фронта до фронта с помощью всё того же таймера... в прерывании...
ардуина с этим прекрасно справляется))
частота сигнала была уже 100 килогерц...
Вложение:
PING_100кбит.jpg [105.19 KiB]
Скачиваний: 50

уже лучше))
но нам нужно принять сигнал частотой 10 мгц... 100 раз быстрей !))
:tea:

Добавлено after 25 minutes 19 seconds:
да, если в схему добавить быстродействующий счётчик... то частоту семплов можно поднять и до 160 мгц... и болше...))
тогда да, ардуина может оцифровывать входящий сигнал 10 мгц...
Вложение:
Обработка сигнала 160 мгц.jpg [222.73 KiB]
Скачиваний: 61

такой вариант тоже рассматривается))
:tea:

Добавлено after 1 hour 4 minutes 35 seconds:
какие могут быть проблемы и как с ними бороться ? ))

1. во-первых быстротактируемый счетчик много жрёт электичества))
хотя можно сделать что быстротактируемый счетчик будет отключаться при отсутствии сигнала.
допустим))
:roll:
2. во-вторых если писать семплы в память МК то SRАM быстро закончится))
хотя можно сделать обработку сигнала "на лету"
допустим))
:roll:
3. счётчики... умножители... делители... промежуточный буфер... логика обнаружения сигнала...
слишком ного деталей))
это решить будет сложнее...
:roll:

я уже примерно представляю как это сделать...
:tea:
есть только одна проблема - слишком много будет деталей))

а может всё таки лучше метод прямой синхронизации ? там деталей совсем мало))
:tea:
там главная проблема - блок синхронизации))

к стати... можно сделать и на транзисторах... для любителей всё делать на транзисторах))
Вложение:
Интернет приёмника вариант 2)).jpg [116.33 KiB]
Скачиваний: 54

:))
но это так... к слову))


Вернуться наверх
 
Не в сети
 Заголовок сообщения: Re: Интернет на AVR
СообщениеДобавлено: Вт янв 31, 2023 07:25:15 
Друг Кота
Аватар пользователя

Карма: 52
Рейтинг сообщений: 2114
Зарегистрирован: Пт ноя 11, 2016 05:48:09
Сообщений: 7053
Откуда: Сердце Пармы
Рейтинг сообщения: 2
Медали: 2
Получил миской по аватаре (2)
Так в ПЛЛ тоже большая частота...

Но можно принимать и на медленных частотах, понадобится асимметричный (заполнение около 5%) мультвибратор на 19,98МГц, детектор фронтов, сдвиговый регистр и делитель частоты на 8 и немного логики.
если сигнал чистый, то можно и без мультвибратора обойтись с простым одновибратором.

Сигнал идёт на 2 RC фильтра, один (более высокочастотный) фильтрует сигнал для детектора фронтов, второй - для записи в сдвиговый регистр.
если сигнал не шумный, то по фронту ведется запись в регистр, а также производится сброс одновибратора, настроенного на задержку чуть длиннее половины периода сигнала, каждые 8 записей вызывается прерывание для чтения содержимого регистра.
/Запись производится сразу после прихода фронта пока более медленный фильтр ещё не успел переключиться (на вход регистра желателен триггер Шмидта).
Если сигнал шумный, то используемый вместо одновибратора мультвибратор будет блокировать сигнал детектора фронта, пока тот не попадает во временнОе окно, а также дает импульс записи при отсутствии фронта в сигнале.

каждый бит информации оказывается записанным в 2 ячейки сдвигового регистра, либо ровно, либо со смещением в 1 бит, различать эти состояния будет логика принимающей стороны. У неё на это есть 8 тактов (при тактировании 20 МГц) 8) :twisted:

Добавлено after 30 minutes 18 seconds:
или добавить D триггер для деления частоты пополам...
Тогда выход детектора фронта идёт на триггер, выход одновибратора на сброс триггера, переход триггера 1->0 (в т.ч. и по сбросу) вызывает запись в регистр...
всё! остается только прочитать содержимое регистра, там будет 8 бит полезной информации

_________________
Для тех, кто не учил магию мир полон физики :)
Безграмотно вопрошающим про силовую или высоковольтную электронику я не отвечаю, а то ещё посадят за участие в (само)убиении оболтуса...


Вернуться наверх
 
Эиком - электронные компоненты и радиодетали
Не в сети
 Заголовок сообщения: Re: Интернет на AVR
СообщениеДобавлено: Вт янв 31, 2023 16:54:16 
Друг Кота

Карма: -1
Рейтинг сообщений: 73
Зарегистрирован: Вт мар 13, 2012 12:16:13
Сообщений: 8836
Откуда: .ru
Рейтинг сообщения: 0
во-первых...
-когда мы делали радиоуправление мы использовали простую рацию... на выходе получили много шумов...
-сейчас мы делаем интернет приёмник... сигнал идёт по экранированной паре... поэтому условимся что у нас сигнал чистый без шумов)) поэтому RC фильтры и триггеры Шмидта нам не нужны...
осталось его только принять...))
:tea:

Добавлено after 6 minutes 37 seconds:
Сигнал идёт на 2 RC фильтра, один (более высокочастотный) фильтрует сигнал для детектора фронтов, второй - для записи в сдвиговый регистр.

как в реальной жизни будут выглядеть эти 2 RC фильтра ? ))

Добавлено after 3 minutes 34 seconds:
или добавить D триггер для деления частоты пополам...
Тогда выход детектора фронта идёт на триггер, выход одновибратора на сброс триггера, переход триггера 1->0 (в т.ч. и по сбросу) вызывает запись в регистр...

а это как будет выглядеть в реальной жизни ? ))

Добавлено after 34 minutes 13 seconds:
технологию оцифровки на 160 мгц... пока оставим в покое))
вернемся к простой технологии прямой синхронизации...
Вложение:
прямая синхронизация.jpg [49.11 KiB]
Скачиваний: 45

первые биты нас не интересуют)) там преамбула... 8 байт...

//Ethernet preamble/SFD (synchronizer): 55 55 55 55 55 55 55 D5

с слову...
Wi-Fi роутер использует PLL для синхронизации...
что интересно, если уменьшить длину преамбулы до 4 байт то Wi-Fi роутер прекрасно работает))

//Ethernet preamble/SFD (synchronizer): 55 55 55 D5

а если уменьшить длину преамбулы до 3 байт то Wi-Fi роутер уже не работает))

//Ethernet preamble/SFD (synchronizer): 55 55 D5

таким образом мы вычислили минимальное время (постоянная времени петли ФАПЧ) необходимое для синхронизации PLL... ))

вот такие занимательные эксперименты можно делать на простой ардуине))
:)))


значит будем синхронизироваться по фронту первого импульса преамбулы... 8 байт... ...
затем отчитывать 3/4 периода... и записывать в сдвиговый регистр уже готовые биты...
Вложение:
прямая синхронизация в реале.jpg [29.59 KiB]
Скачиваний: 48

:tea:

Добавлено after 43 minutes 9 seconds:
сначала попробуем на транзисторах... ))
берём три ждущих мультивибратора...
-первый запускается по фронту...
-второй запускается по спаду...
-третий отчитывает 3/4 периода...
Вложение:
на транзисторах)).jpg [114.61 KiB]
Скачиваний: 42

закидываем в протеус... всё работает))
на выходе регистра преамбула - //Ethernet preamble/SFD (synchronizer): 55...
Вложение:
преамбула.jpg [193.47 KiB]
Скачиваний: 363

на схеме:
битовая синхронизация...
Вложение:
блок синхронизации.jpg [75.3 KiB]
Скачиваний: 45

пакетная синхронизация...
Вложение:
схема.jpg [54.62 KiB]
Скачиваний: 50

в протеусе на 1 мгц все работает.
в железе не знаю)) думаю тоже будет нормально...
протеус всего не покажет.

а нам нужно принять сигнал частотой 10 мгц... в 10 раз быстрей !))

боюсь транзисторы 10 мгц... не потянут))
хотя есть СВЧ транзисторы... или транзисторы Шотки... то возможно))
:tea:

но лучше сделать на логике...
:roll:

Добавлено after 2 minutes 42 seconds:
на логике принцип тот же... только вместо ждущих мультивибраторов поставим типа формирователи...
Вложение:
схема на логике.jpg [115.73 KiB]
Скачиваний: 54

:roll:
Ivanoff-iv писал(а):
Сигнал идёт на 2 RC фильтра, один (более высокочастотный) фильтрует сигнал для детектора фронтов, второй - для записи в сдвиговый регистр.

как это будет на схеме ?
:roll:


Вернуться наверх
 
Не в сети
 Заголовок сообщения: Re: Интернет на AVR
СообщениеДобавлено: Ср фев 01, 2023 09:52:23 
Друг Кота
Аватар пользователя

Карма: 52
Рейтинг сообщений: 2114
Зарегистрирован: Пт ноя 11, 2016 05:48:09
Сообщений: 7053
Откуда: Сердце Пармы
Рейтинг сообщения: 0
Медали: 2
Получил миской по аватаре (2)
Часть схемы, отвечающую за синхронизацию и выделение информации из Манчестерского кода разрисовал и немного оптимизировал:
СпойлерИзображение

если сигнал чистый, то первый фильтр не нужен, а второй кроме фильтрации выполняет функцию задержки сигнала... хотя... тут можно просто инвертор поставить, а необходимые задержки при этом сформируются прохождением сигнала по линиям фазовой детекции (т.к. этот фронт всегда меняет полярность сигнала, то первая часть всегда инверсна второй... но рисунок перерисовывать уже лень... :sleep: :))) )

блок a находит все фронты в сигнале этими фронтами он переключает триггер и сбрасывает таймер одновибратора b, если на входе сменилось передаваемое значение, то фронта между битами не будет, и его дорисует (хоть и с небольшим запаздыванием) блок b он отправит сигнал сброса на триггер, чем принудительно синхронизирует его с передатчиком.
фронт сигнала триггера вызывает запись в сдвиговый регистр и счет делителя частоты на 8 (счетчика заполнения сдвигового регистра)
хотя, /8 не нужен, если будет выделение байтов временными промежутками или ещё каким-то образом (по Вашему рисунку я этого не понял, разве что кадр равен байту...)

Добавлено after 52 minutes 34 seconds:
Попробовал создать схему в протеусе - работает хорошо.
(Вложение)
Правда частоты сделал низкие и задержки на конденсаторах, но я и не планировал всю схему рассчитать, а только мысль донести...

roman.com, возможно мы об одном и том-же думаем, но немного разными путями...


Вложения:
Manchester.zip [24.5 KiB]
Скачиваний: 79
2023-02-01_08-01-41.png [27.89 KiB]
Скачиваний: 81

_________________
Для тех, кто не учил магию мир полон физики :)
Безграмотно вопрошающим про силовую или высоковольтную электронику я не отвечаю, а то ещё посадят за участие в (само)убиении оболтуса...
Вернуться наверх
 
Не в сети
 Заголовок сообщения: Re: Интернет на AVR
СообщениеДобавлено: Ср фев 01, 2023 14:04:59 
Друг Кота

Карма: -1
Рейтинг сообщений: 73
Зарегистрирован: Вт мар 13, 2012 12:16:13
Сообщений: 8836
Откуда: .ru
Рейтинг сообщения: 0
мой старый протеус 8.6 не открывает)) просит протеус 8.8
Ivanoff-iv писал(а):
roman.com, возможно мы об одном и том-же думаем, но немного разными путями...

да))
Ivanoff-iv писал(а):
по Вашему рисунку я этого не понял, разве что кадр равен байту...

кадры - это синхронизация пакетов Ethernet...
по кадрам ардуина определяет где заканчивается предыдущий пакет и начинается следующий пакет...
всё это мы подробно разбирали в другой теме...

на чём мы остановились... тесты уже делали...
осциллограммы Ethernet (согласно спецификации 10BASE-T).
https://www.radiokot.ru/forum/download/ ... ?id=360224
https://www.radiokot.ru/forum/download/ ... ?id=360225
подключаем по схеме...
https://www.radiokot.ru/forum/download/ ... ?id=360228
смотрим...
https://www.radiokot.ru/forum/download/ ... ?id=360212
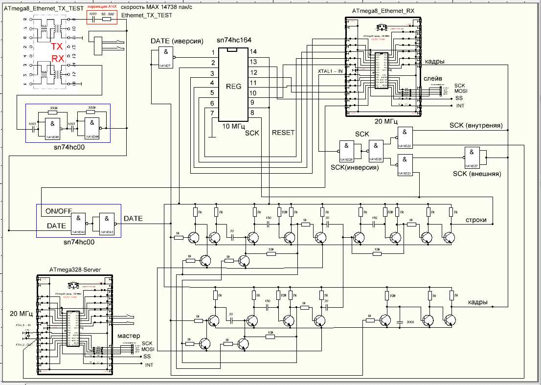
Расчётная скорость передачи пакетов у нас должна быть 17.000 пакетов/c. Но на анализаторе мы видим 8.630 пакетов/c.
Половина пектов теряется...
Почему так происходит ? :roll: Потому что мы нарушили требования спецификации https://ru.wikipedia.org/wiki/10BASE-T
У нас ATmega8 передаёт пакеты непрерывно... А согласно спецификации межпакетный интервал должен составлять 9,6 мкс.
https://en.wikipedia.org/wiki/Interpacket_gap
Переделаем всё по стандарту.
https://www.radiokot.ru/forum/download/ ... ?id=360214
https://www.radiokot.ru/forum/download/ ... ?id=360215
https://www.radiokot.ru/forum/download/ ... ?id=360216
Расчётная скорость передачи пакетов у нас должна быть около 14.000 пакетов/c. На анализаторе видим 14.431 пакетов/c.
ещё...
Когда ATmega8 не передаёт пакеты, ATmega8 передаёт импульсы NLP (согласно спецификации 10BASE-T).
https://www.radiokot.ru/forum/download/ ... ?id=360213
работает ))
https://www.radiokot.ru/forum/download/ ... ?id=360283
https://www.radiokot.ru/forum/download/ ... ?id=360260
:tea:
и т.д.

но сейчас не об этом...))

в Ethernet
-1 это переход с низкого на высокий... 1>01,
-0 это переход с высокого на низкий... 0>10.

но сейчас не об этом...))

Добавлено after 12 minutes 42 seconds:
счет делителя частоты на 8 (счетчика заполнения сдвигового регистра)
хотя, /8 не нужен, если будет выделение байтов временными промежутками или ещё каким-то образом...

ардуина будет синхронизирована со сдвиговым регистром...

каждый 8-й такт ардуина записывает содержимое регистра в свою память...

Код:
NOP // 1 такт
NOP // 2 такт
NOP // 3 такт
NOP // 4 такт
NOP // 5 такт
NOP // 6 такт
NOP // 7 такт
REG >> SRAM // 8 такт
NOP // 1 такт
NOP // 2 такт
NOP // 3 такт
NOP // 4 такт
NOP // 5 такт
NOP // 6 такт
NOP // 7 такт
REG >> SRAM // 8 такт
NOP // 1 такт
NOP // 2 такт
NOP // 3 такт
NOP // 4 такт
NOP // 5 такт
NOP // 6 такт
NOP // 7 такт
REG >> SRAM // 8 такт


поэтому /8 не нужен.

но сейчас не об этом...))

Добавлено after 2 minutes 3 seconds:
сейчас об этом...
блок a находит все фронты в сигнале этими фронтами он переключает триггер и сбрасывает таймер одновибратора b, если на входе сменилось передаваемое значение, то фронта между битами не будет, и его дорисует (хоть и с небольшим запаздыванием) блок b он отправит сигнал сброса на триггер, чем принудительно синхронизирует его с передатчиком...


Вернуться наверх
 
Не в сети
 Заголовок сообщения: Re: Интернет на AVR
СообщениеДобавлено: Ср фев 01, 2023 14:17:58 
Друг Кота
Аватар пользователя

Карма: 52
Рейтинг сообщений: 2114
Зарегистрирован: Пт ноя 11, 2016 05:48:09
Сообщений: 7053
Откуда: Сердце Пармы
Рейтинг сообщения: 0
Медали: 2
Получил миской по аватаре (2)
Это потому, что у тебя ... а! у тебя сдвиговый регистр это тот, что в меге... а я то думал внешний на порт повесить...
а что, она за такт вот это вот может делать? не знал.... :oops: ну, да сейчас не об этом...
смотри ЛС.
____________
хотя, нет... регистр внешний... тогда тем более не совсем понятно, как она из порта в ОЗУ за такт утрамбует? ладно бы из рабочего регистра...
ИМХО тактировать мегу от сети не совсем правильно т.к. возможен джиттер да и с внутренними коммуникациями она может плохо подружиться...

_________________
Для тех, кто не учил магию мир полон физики :)
Безграмотно вопрошающим про силовую или высоковольтную электронику я не отвечаю, а то ещё посадят за участие в (само)убиении оболтуса...


Вернуться наверх
 
Не в сети
 Заголовок сообщения: Re: Интернет на AVR
СообщениеДобавлено: Ср фев 01, 2023 14:42:56 
Друг Кота

Карма: -1
Рейтинг сообщений: 73
Зарегистрирован: Вт мар 13, 2012 12:16:13
Сообщений: 8836
Откуда: .ru
Рейтинг сообщения: 0
Ivanoff-iv писал(а):
а что, она за такт вот это вот может делать?

умеет !! ардуина всё умеет ! просто не все об этом знают))
:)))
Код:
//1
IN  R22, PIND          // IN Port     -1 такт
STS FIFO+1, R22        // Запись SRAM -2 такт
NOP NOP NOP NOP NOP
//2
IN  R22, PIND          // IN Port   -1 такт
STS FIFO+2, R22        // Запись SRAM -2 такт
NOP NOP NOP NOP NOP
//3
IN  R22, PIND          // IN Port   -1 такт
STS FIFO+3, R22        // Запись SRAM -2 такт
NOP NOP NOP NOP NOP
...

но сейчас не об этом...))
Ivanoff-iv писал(а):
ИМХО тактировать мегу от сети совсем не правильно т.к. возможен джиттер да и с внутренними коммуникациями она может плохо подружиться...

нормально она дружит))
Вложение:
SCK.jpg [50.63 KiB]
Скачиваний: 49

:tea:
но сейчас не об этом...))

Добавлено after 4 minutes 40 seconds:
блок a находит все фронты в сигнале этими фронтами он переключает триггер и сбрасывает таймер одновибратора b, если на входе сменилось передаваемое значение, то фронта между битами не будет, и его дорисует (хоть и с небольшим запаздыванием) блок b он отправит сигнал сброса на триггер, чем принудительно синхронизирует его с передатчиком...

одновибратор (он же ждущий мультивибратор) работает просто...
Вложение:
одновибратор.jpg [67.96 KiB]
Скачиваний: 41

-есть импульс на входе - есть импульс на выходе.
-нет импульса на входе - нет импульса на выходе.
одновибратор не может дорисовывать импульсы...

если одновибратор будет дорисовывать импульсы то это уже будет не одновибратор, а генератор...
в этом вся проблема...
:tea:

Добавлено after 5 minutes 6 seconds:
выше кидал ссылку ethernet на PLL - http://www.aholme.co.uk/Ethernet/EthernetRx.htm

вот блок а
Вложение:
блок а.jpg [65.75 KiB]
Скачиваний: 54

вот импульсы после блока а
Вложение:
импульсы.jpg [80.5 KiB]
Скачиваний: 49

в той схеме импульсы дорисовывал RC генератор ))
Вложение:
RC генератор.jpg [25.4 KiB]
Скачиваний: 48

дальше мелочи))

мне не нравится делать на RC генераторе...
поэтому будем делать по другому))
:tea:


Вернуться наверх
 
Не в сети
 Заголовок сообщения: Re: Интернет на AVR
СообщениеДобавлено: Ср фев 01, 2023 14:59:17 
Друг Кота
Аватар пользователя

Карма: 52
Рейтинг сообщений: 2114
Зарегистрирован: Пт ноя 11, 2016 05:48:09
Сообщений: 7053
Откуда: Сердце Пармы
Рейтинг сообщения: 0
Медали: 2
Получил миской по аватаре (2)
ну, всё таки это одновибратор: 1 импульс на входе вызовет 1 импульс на выходе, хотя... по сути это скорее 2 одновибратора:
первый формирует задержку, которая длится чуть больше 50нс, эта задержка может обнуляться приходящими импульсами,
второй срабатывает при окончании работы первого - его задача отпустить сброс триггера до прихода следующего счетного импульса (ограничить длительность лог 1 на выходе первого одновибратора).
[какой-то замкнутой цикличности тут нет, значит это не генератор.]
если второй легко собирается только на логике, то как организовать первый без RC (хоть он мне тут тоже не нравится) я не знаю... (на логике то если волна пошла, то волна пошла... разве что на финише её ловить и нейтрализовать - время её прихода нам известно... тогда можно и без RC обойтись).

_________________
Для тех, кто не учил магию мир полон физики :)
Безграмотно вопрошающим про силовую или высоковольтную электронику я не отвечаю, а то ещё посадят за участие в (само)убиении оболтуса...


Вернуться наверх
 
Не в сети
 Заголовок сообщения: Re: Интернет на AVR
СообщениеДобавлено: Ср фев 01, 2023 15:19:13 
Друг Кота

Карма: -1
Рейтинг сообщений: 73
Зарегистрирован: Вт мар 13, 2012 12:16:13
Сообщений: 8836
Откуда: .ru
Рейтинг сообщения: 0
Ivanoff-iv писал(а):
ну, всё таки это одновибратор: 1 импульс на входе вызовет 1 импульс на выходе, хотя... по сути это скорее 2 одновибратора:

это два одновибратора
а и б
одновибратор а генерирует стробы...
одновибратор б генерирует задержки...

если одновибратор а не генерирует стробы то одновибратор б не генерирует задержки...
Вложение:
2023-02-01_08-01-41.jpg [28.09 KiB]
Скачиваний: 59

поэтому эта схема работает не будет...


Вернуться наверх
 
Не в сети
 Заголовок сообщения: Re: Интернет на AVR
СообщениеДобавлено: Ср фев 01, 2023 18:07:19 
Друг Кота
Аватар пользователя

Карма: 52
Рейтинг сообщений: 2114
Зарегистрирован: Пт ноя 11, 2016 05:48:09
Сообщений: 7053
Откуда: Сердце Пармы
Рейтинг сообщения: 0
Медали: 2
Получил миской по аватаре (2)
Ну, да, одновибратор б генерирует 1 импульс с задержкой... а больше и не надо.
Так достигается синхронизация с входным сигналом без применения дополнительных источников опорной частоты.

Добавлено after 3 minutes 13 seconds:
всё верно, там где пропущен импульс на входе С, приходит импульс на вход R. (он показан в следующей строке).
а ещё в следующей - переключения триггера (красным выделено переключение именно от одновибратора б.

Добавлено after 3 minutes 11 seconds:
если одновибратор а не генерирует стробы то одновибратор б не генерирует задержки...
Вложение:
2023-02-01_08-01-41.jpg

поэтому эта схема работает не будет...

Не думал, что когда-нибудь напишу это: "но в Протеусе то работает" 8) :))) :))) :)))
значит по крайней мере концепция правильная.

Добавлено after 3 minutes 45 seconds:
ещё раз обращаю внимание - источник импульса "б" является по сути двумя одновибраторами: первый даёт задержку начала импульса, второй формирует конец импульса.

_________________
Для тех, кто не учил магию мир полон физики :)
Безграмотно вопрошающим про силовую или высоковольтную электронику я не отвечаю, а то ещё посадят за участие в (само)убиении оболтуса...


Вернуться наверх
 
Не в сети
 Заголовок сообщения: Re: Интернет на AVR
СообщениеДобавлено: Ср фев 01, 2023 22:34:28 
Друг Кота

Карма: -1
Рейтинг сообщений: 73
Зарегистрирован: Вт мар 13, 2012 12:16:13
Сообщений: 8836
Откуда: .ru
Рейтинг сообщения: 0
угу... осталось подробней нарисовать а и б...
вместо RC - лучше логические элементы с постоянной времени переключения...
три элемента логики дают задержку ~50 nc...
Вложение:
Screenshot_1.jpg [108.34 KiB]
Скачиваний: 44


Вернуться наверх
 
Не в сети
 Заголовок сообщения: Re: Интернет на AVR
СообщениеДобавлено: Чт фев 02, 2023 11:23:13 
Друг Кота

Карма: -1
Рейтинг сообщений: 73
Зарегистрирован: Вт мар 13, 2012 12:16:13
Сообщений: 8836
Откуда: .ru
Рейтинг сообщения: 0
протеус не фурычит))
кинь скриншот...


Вернуться наверх
 
Не в сети
 Заголовок сообщения: Re: Интернет на AVR
СообщениеДобавлено: Чт фев 02, 2023 13:42:45 
Друг Кота
Аватар пользователя

Карма: 52
Рейтинг сообщений: 2114
Зарегистрирован: Пт ноя 11, 2016 05:48:09
Сообщений: 7053
Откуда: Сердце Пармы
Рейтинг сообщения: 0
Медали: 2
Получил миской по аватаре (2)
перестроил на 10 МГц, но от конденсатора избавиться не удалось...
СпойлерИзображение
по линии Q идет очищеенный от информации тактовый сигнал.
Пока мне не очень понятно, как происходит начало синхронизации? (это важно для синхронизации заполнения байта в регистре) каждый кадр с 0х55 начинается?

ПС: В ЛС послал скрины с осциллограммами работы.


Вложения:
2023-02-02_15-40-42.png [10.11 KiB]
Скачиваний: 85

_________________
Для тех, кто не учил магию мир полон физики :)
Безграмотно вопрошающим про силовую или высоковольтную электронику я не отвечаю, а то ещё посадят за участие в (само)убиении оболтуса...
Вернуться наверх
 
Не в сети
 Заголовок сообщения: Re: Интернет на AVR
СообщениеДобавлено: Чт фев 02, 2023 17:04:22 
Друг Кота

Карма: -1
Рейтинг сообщений: 73
Зарегистрирован: Вт мар 13, 2012 12:16:13
Сообщений: 8836
Откуда: .ru
Рейтинг сообщения: 0
блин... зачем в личку... мы не делаем ничего военного))
:)))
Вложение:
2023-02-02_15-06-09.png [73.53 KiB]
Скачиваний: 49

Вложение:
2023-02-02_15-06-45.png [74.07 KiB]
Скачиваний: 46

:roll:
схема требует доработки...
конденсаторы не желательно...
разношерстные детали... желательно минимальный список деталей))
и т.д.
:roll:

Добавлено after 5 minutes 57 seconds:
правильней не кадры и строки а биты и пакеты))
Вложение:
Screenshot_1.jpg [115.84 KiB]
Скачиваний: 48

кадры и строки это в телевизоре))

каждый пакет Ethernet начинается с преамбула... 8 байт...

//Ethernet preamble/SFD (synchronizer): 55 55 55 55 55 55 55 D5

Добавлено after 15 minutes 19 seconds:
Пока мне не очень понятно, как происходит начало синхронизации? (это важно для синхронизации заполнения байта в регистре) каждый кадр с 0х55 начинается?

угу...

прилетает пакет...
синхронизатор запускается по первому фронту первого импульса... и погнали))
пока пакет не закончится))
Вложение:
Ethernet_TX.jpg [122.77 KiB]
Скачиваний: 377

а это я пытался запустить сдвиговый регистр в передатчике...
Вложение:
4-Proteus_ATmega8_Ethernet_TX_REG.jpg [135.49 KiB]
Скачиваний: 57

нифига не заработало как надо... ну и ладно))
:tea:


Вернуться наверх
 
Не в сети
 Заголовок сообщения: Re: Интернет на AVR
СообщениеДобавлено: Пт фев 03, 2023 13:48:10 
Друг Кота
Аватар пользователя

Карма: 52
Рейтинг сообщений: 2114
Зарегистрирован: Пт ноя 11, 2016 05:48:09
Сообщений: 7053
Откуда: Сердце Пармы
Рейтинг сообщения: 0
Медали: 2
Получил миской по аватаре (2)
Поправил схему (по невнимательности манчестер на 2 МГц был - теперь правильно, емкость в приемнике пересчитал), ещё нарисовал вариант без емкости, вписал в 5 корпусов, но без XOR, к сожалению, так и не обошелся. Приемники не путаются при заполнении нерабочего времени как 0, так и 1.
определения конца пакета не делал.
Привожу обе схемы:
СпойлерИзображение
Тут схема работающего передатчика:
СпойлерИзображение

В архиве клип схемы для протеуса (открывается через экспорт в версиях и ниже 8.8 ).

Добавлено after 35 minutes 5 seconds:
roman.com, на таких частотах осциллограф протеуса бесполезен, используй логический анализатор.

Добавлено after 3 hours 21 minute 14 seconds:
Ещё немного поправил схему - добился стабильной работы при отклонении несущей частоты на 25% в обе стороны (схему не выкладывал, т.к. глобальных изменений нет, да и один фиг это в железе проверять надо)


Вложения:
manch.zip [10.43 KiB]
Скачиваний: 62
2023-02-03_11-40-15.png [11.55 KiB]
Скачиваний: 75
2023-02-03_11-30-34.png [24.14 KiB]
Скачиваний: 76

_________________
Для тех, кто не учил магию мир полон физики :)
Безграмотно вопрошающим про силовую или высоковольтную электронику я не отвечаю, а то ещё посадят за участие в (само)убиении оболтуса...
Вернуться наверх
 
Не в сети
 Заголовок сообщения: Re: Интернет на AVR
СообщениеДобавлено: Пт фев 03, 2023 19:10:14 
Друг Кота

Карма: -1
Рейтинг сообщений: 73
Зарегистрирован: Вт мар 13, 2012 12:16:13
Сообщений: 8836
Откуда: .ru
Рейтинг сообщения: 0
протеус тупой... всё врёт)) даже элементы XOR показывать не хочет... ошибка библиотеки))
другой нужен... искать надо))
в железе пока посмотреть нечем... иначе бы давно уже всё настроил))
:)))
передатчик пока оставим в покое)) работает и ладно... потом переделаем))
Вложение:
TX-синхрофазотрон))).jpg [104.66 KiB]
Скачиваний: 805

Вложение:
TX-тест.jpg [126.11 KiB]
Скачиваний: 48

вернёмся к приёмнику...
уже лучше...
Вложение:
RX.jpg [37.47 KiB]
Скачиваний: 53

но надо ещё доработать...
:roll:
а пока вернёмся к моему.. мой проще...))
Вложение:
RX.jpg [116.16 KiB]
Скачиваний: 42

в теории работает))
Вложение:
RX-схема.jpg [105.53 KiB]
Скачиваний: 369

в железе нет...
а почему ?
а патамуша...)) тайминги не правильно посчитали...
:tea:

Добавлено after 2 hours 21 minute 33 seconds:
далее... спаяли на макетке... проводами)) чтоб исключить ёмкость монтажа))
светодиоды к регистру подключили...
Вложение:
типа макетка)).jpg [62.29 KiB]
Скачиваний: 44

подаём на вход преамбулу... 1 байт...
//Ethernet preamble/SFD (synchronizer): 55...
работает))
Вложение:
RX_тест_1.jpg [97.15 KiB]
Скачиваний: 47

подаём на вход data... 1 байт...
//data: 00...
НЕ работает... ОШИБКА....
Вложение:
RX_тест_2.jpg [95.98 KiB]
Скачиваний: 372

ещё раз...
подаём на вход data... 1 байт...
//data: 00...
работает))
Вложение:
RX_тест_3.jpg [96.83 KiB]
Скачиваний: 367

ещё раз...
НЕ работает... ОШИБКА....
и т.д.
:shock:
то работает... то не работает... ))
где-то мы накосячили... в расчётах))
:roll:

Добавлено after 3 minutes 24 seconds:
а как должно быть ?
вот так должно быть))
Вложение:
RX_идеальный)).jpg [109.04 KiB]
Скачиваний: 820

ошибка в расчётах... несколько наносекунд...))
:roll:

Добавлено after 8 minutes 28 seconds:
roman.com, на таких частотах осциллограф протеуса бесполезен, используй логический анализатор.

можно и анализатор...
:tea:
проверим... на примере sn74hc00...

протеус показывает время включения 11 нс...
Вложение:
01.jpg [24 KiB]
Скачиваний: 806

протеус показывает время выключения 7 нс...
Вложение:
10.jpg [23.17 KiB]
Скачиваний: 798

:roll:
есть подозрение... что протеус нас обманывает))
Вложение:
sn74hc00.jpg [30.02 KiB]
Скачиваний: 361

и т.д. и т.п. ))
:tea:


Вернуться наверх
 
Не в сети
 Заголовок сообщения: Re: Интернет на AVR
СообщениеДобавлено: Сб фев 04, 2023 07:57:20 
Друг Кота
Аватар пользователя

Карма: 52
Рейтинг сообщений: 2114
Зарегистрирован: Пт ноя 11, 2016 05:48:09
Сообщений: 7053
Откуда: Сердце Пармы
Рейтинг сообщения: 0
Медали: 2
Получил миской по аватаре (2)
есть подозрение... что протеус нас обманывает)) :tea:
ну, можно что-то другое использовать... а можно своих библиотек напилить - правильных 8)

_________________
Для тех, кто не учил магию мир полон физики :)
Безграмотно вопрошающим про силовую или высоковольтную электронику я не отвечаю, а то ещё посадят за участие в (само)убиении оболтуса...


Вернуться наверх
 
Не в сети
 Заголовок сообщения: Re: Интернет на AVR
СообщениеДобавлено: Сб фев 04, 2023 17:32:30 
Друг Кота

Карма: -1
Рейтинг сообщений: 73
Зарегистрирован: Вт мар 13, 2012 12:16:13
Сообщений: 8836
Откуда: .ru
Рейтинг сообщения: 0
не работает как надо... приборами смотреть надо...
:tea:


Вернуться наверх
 
Показать сообщения за:  Сортировать по:  Вернуться наверх
Начать новую тему Ответить на тему  [ Сообщений: 80 ]    , , 3,  

Часовой пояс: UTC + 3 часа


Кто сейчас на форуме

Сейчас этот форум просматривают: нет зарегистрированных пользователей и гости: 31


Вы не можете начинать темы
Вы не можете отвечать на сообщения
Вы не можете редактировать свои сообщения
Вы не можете удалять свои сообщения
Вы не можете добавлять вложения

Найти:
Перейти:  


Powered by phpBB © 2000, 2002, 2005, 2007 phpBB Group
Русская поддержка phpBB
Extended by Karma MOD © 2007—2012 m157y
Extended by Topic Tags MOD © 2012 m157y