Например TDA7294

Форум РадиоКот • Просмотр темы - Вопросы про измерительный генератор Л31
Форум РадиоКот
Здесь можно немножко помяукать :)

Текущее время: Чт дек 11, 2025 10:11:28

Часовой пояс: UTC + 3 часа


ПРЯМО СЕЙЧАС:



Начать новую тему Ответить на тему  [ Сообщений: 29 ]    , 2
Автор Сообщение
Не в сети
 Заголовок сообщения: Re: Вопросы про измерительный генератор Л31
СообщениеДобавлено: Вт ноя 08, 2022 12:39:54 
Друг Кота
Аватар пользователя

Карма: 123
Рейтинг сообщений: 7959
Зарегистрирован: Сб сен 13, 2014 16:27:32
Сообщений: 39199
Откуда: СпиртоГонск созвездия Омега
Рейтинг сообщения: 0
да ЦШ там к месту но может потреболватся экранирофка и отвязка по питанию..

_________________
ZМудрость(Опыт и выдержка) приходит с годами.
Все Ваши беды и проблемы, от недостатка знаний.
Умный и у дурака научится, а дураку и ..
Алберт Ейнштейн не поможет и ВВП не спасет.и МЧС опаздает


Вернуться наверх
 
Не в сети
 Заголовок сообщения: Re: Вопросы про измерительный генератор Л31
СообщениеДобавлено: Вт ноя 08, 2022 12:47:16 
Друг Кота
Аватар пользователя

Карма: 197
Рейтинг сообщений: 8593
Зарегистрирован: Пн ноя 30, 2009 03:00:01
Сообщений: 43073
Откуда: Нерезиновая
Рейтинг сообщения: 0
Экранировки не потребовалось, а питание ЦШ там и так получилось отдельным.
Изображение


Вернуться наверх
 
Не в сети
 Заголовок сообщения: Re: Вопросы про измерительный генератор Л31
СообщениеДобавлено: Вт ноя 08, 2022 15:47:49 
Первый раз сказал Мяу!

Зарегистрирован: Вс ноя 06, 2022 16:31:08
Сообщений: 22
Рейтинг сообщения: 0
спасибо большое за подробные диаграммы напряжений. Проверил их, практически все совпадают, кроме напряжения питания : вместо +10,13В, у меня +11,5 Вольт. Выпаял из схемы транзисторы VT16 и VT17, проверил их на приборе для проверки транзисторов, показывает рисунок транзистора, и коэффициент усиления одного 260, другого 413. Проверил конденсаторы С40,С41, С43 они в норме, там стоят типа пленочные NUD. крутил R48 от и до ничего. Проверил кнопку ГФЧ.
Заменил транзисторы на новые, все равно синуса нет. Отсоединил резистор R47 от эмиттера, генератор не запускается. что еще может ему не хватать?


Добавлено after 4 minutes 41 second:
Экранировки не потребовалось, а питание ЦШ там и так получилось отдельным.
Изображение

Вы знаете, оно конечно удобнее цифровой индикатор частоты, но вот как по мне, мне больше нравиться индикаторная трубка. Как то она стильно смотрится. А частоту все равно проверять приходится на осциллографе.


Вернуться наверх
 
Не в сети
 Заголовок сообщения: Re: Вопросы про измерительный генератор Л31
СообщениеДобавлено: Ср ноя 09, 2022 17:57:43 
Первый раз сказал Мяу!

Зарегистрирован: Вс ноя 06, 2022 16:31:08
Сообщений: 22
Рейтинг сообщения: 0
Как вообще можно проверить, что работает девиация? В инструкции написано что это можно видеть на индикаторе. Каким образом? Может ли проблемы с девиацией и модулятором отражаться на внутреннем генераторе 1000 герц? Если я подаю внешний сигнал и кручу ручку модуляции или девиации то никаких изменений нет. При сигнале с внешнего генератора глубина модуляции меняется только уровнем сигнала на внешнем генераторе.

Добавлено after 5 hours 28 minutes 56 seconds:
Проверьте наличие синуса 1000 Гц в генераторе фиксированной частоты. Если синус есть – проверьте работу модулятора (VT18, VT19, VT20). Выкладываю немного информации по ГФЧ и модулятору. Диапазон 10 МГц (нажата кнопка Множитель 100) практически вообще не работает – форма любого сигнала искажена до неузнаваемости, а амплитуда уменьшена в 2 раза. Мой друг пытался довести прибор до ума, взялся активно за это дело, но примерно через полтора месяца угомонился, так и не получив положительных результатов.


добрый вечер друг! Спасибо за диаграммы напряжений. Все понятно. Измерил все напряжения. У меня повышенное напряжение питания +11,4 В. вместо 10 В. Остальные напряжения на транзисторах в норме. Но на коллекторе VT18+4,4В (вместо +3,23 В), а на затворе VT 19 напряжение -1,6 В, и оно не меняется, если крутить ручку модуляция.


Вернуться наверх
 
Эиком - электронные компоненты и радиодетали
Не в сети
 Заголовок сообщения: Re: Вопросы про измерительный генератор Л31
СообщениеДобавлено: Чт ноя 10, 2022 12:43:41 
Прорезались зубы

Карма: 3
Рейтинг сообщений: 77
Зарегистрирован: Вс апр 24, 2011 10:40:38
Сообщений: 209
Рейтинг сообщения: 0
Измерил напряжение на коллекторе VT18 повторно. Мультиметр показал +3,46V.
Проверьте, правильно ли впаян электролитический конденсатор С44 и его емкость, а также номиналы резисторов в цепях генератора 1000 Гц без выпайки, надежность пайки элементов. Прозвоните целостность дорожек мультиметром.
Синусоиду 1000 Гц я смотрел на выводах резистора R47 10К.
Подстроечник R48 влияет на амплитуду синусоиды, при большой амплитуде вершины синусоиды начинают срезаться.
Разность в напряжениях блока питания – это болезнь генератора. У стабилитронов разное напряжение стабилизации (10..11V) и при изготовлении их никто не подбирал по параметрам.
АлександрЛ, вопрос к вам. Действительно ли ваш генератор способен выдавать сигналы прямоугольной и треугольной формы частотой более 1 МГц без искажений? Мой генератор выдает сигналы не только с искажениями, но и с выбросами как по фронтам, так и по вершинам синусоиды. Эти помехи с генератора попадают в цепь блока питания и их можно видеть цифровым осциллографом.


Вернуться наверх
 
Не в сети
 Заголовок сообщения: Re: Вопросы про измерительный генератор Л31
СообщениеДобавлено: Чт ноя 10, 2022 14:13:33 
Друг Кота
Аватар пользователя

Карма: 123
Рейтинг сообщений: 7959
Зарегистрирован: Сб сен 13, 2014 16:27:32
Сообщений: 39199
Откуда: СпиртоГонск созвездия Омега
Рейтинг сообщения: 0
Вы знаете, оно конечно удобнее цифровой индикатор частоты, но вот как по мне, мне больше нравиться индикаторная трубка. Как то она стильно смотрится. А частоту все равно проверять приходится на осциллографе.

хозяин барин конешно но надо помнить что метрологической ползы даже у выпушеного нового генератора с шкалой на ИН13 практически =0 это лиш понты... завод не мог позволить себе ЦШ а делать качественыйц мех верьньер с шкалой было явно им не под силу...
так что хотите глядеть на розовую полосочку ктож запретит особено е6сли есть отделны2цйцастотомер или осел правилно мерит частоту

Добавлено after 9 minutes 53 seconds:
Мой генератор выдает сигналы не только с искажениями, но и с выбросами как по фронтам, так и по вершинам синусоиды. Эти помехи с генератора попадают в цепь блока питания и их можно видеть цифровым осциллографом.
сжема
гены настока дебилная что ждат от не чтото на частотах выше 200к просто наивно хорошо что ваше чето генерит...если потрахатся можно наверно сделать чут лучше...НО НЕ БОЛЕ
но то что помехи от гены у вас лезут цепи питания дает вопрорсы по исправности узлоф БП
ппрежде всго банки и керкапы
но и сами активные компоненты могут влиять то что питани завышено видимо иза устанофки НЕ ТЕХ зенероф в опору тамшник "стабилизатороф" но там важно не абсолютное значени(если оно в допуске10-15%) а симетрия плеч +и -в питании

_________________
ZМудрость(Опыт и выдержка) приходит с годами.
Все Ваши беды и проблемы, от недостатка знаний.
Умный и у дурака научится, а дураку и ..
Алберт Ейнштейн не поможет и ВВП не спасет.и МЧС опаздает


Вернуться наверх
 
Не в сети
 Заголовок сообщения: Re: Вопросы про измерительный генератор Л31
СообщениеДобавлено: Чт ноя 10, 2022 19:09:06 
Прорезались зубы

Карма: 3
Рейтинг сообщений: 77
Зарегистрирован: Вс апр 24, 2011 10:40:38
Сообщений: 209
Рейтинг сообщения: 0
Вдогонку к своему последнему посту. Генератор фиксированной частоты 1000 Гц может не работать из-за изменения напряжения питания. Подробнее во вложении.
Musor, согласен. может быть когда-нибудь соберу внешний блок питания и поэкспериментирую.


Вложения:
Напряжения на VT16 VT17.pdf [61.74 KiB]
Скачиваний: 214
Вернуться наверх
 
Не в сети
 Заголовок сообщения: Re: Вопросы про измерительный генератор Л31
СообщениеДобавлено: Пт ноя 11, 2022 12:05:10 
Друг Кота
Аватар пользователя

Карма: 197
Рейтинг сообщений: 8593
Зарегистрирован: Пн ноя 30, 2009 03:00:01
Сообщений: 43073
Откуда: Нерезиновая
Рейтинг сообщения: 0
Sbor2511 писал(а):
АлександрЛ, вопрос к вам. Действительно ли ваш генератор способен выдавать сигналы прямоугольной и треугольной формы частотой более 1 МГц без искажений?

Это не мой генератор, я туда только частотомер встроил.. :dont_know:


Вернуться наверх
 
Не в сети
 Заголовок сообщения: Re: Вопросы про измерительный генератор Л31
СообщениеДобавлено: Вт ноя 15, 2022 18:43:47 
Первый раз сказал Мяу!

Зарегистрирован: Вс ноя 06, 2022 16:31:08
Сообщений: 22
Рейтинг сообщения: 0
Вдогонку к своему последнему посту. Генератор фиксированной частоты 1000 Гц может не работать из-за изменения напряжения питания. Подробнее во вложении.
Musor, согласен. может быть когда-нибудь соберу внешний блок питания и поэкспериментирую.

Спасибо большое за ваш совет относительно резистора R48. Когда я выставил сопротивления согласно вашего рисунка, генератор запустился!!! чуть влево или вправо крутнул резистор и колебания исчезают. Очень небольшой диапазон регулировки оказывается.
Частота генератора 865 гц.

Добавлено after 8 minutes 58 seconds:
так что хотите глядеть на розовую полосочку ктож запретит особено е6сли есть отделны2цйцастотомер или осел правилно мерит частоту

Понимаете, в данном случае все надо рассматривать относительно целесообразности. Генератор Л31 стоит дешево, характеристики посредственные, и ставить вы него частотомер стоимостью в 2-3 раза выше .... Не вижу смысла...

Добавлено after 1 hour 42 minutes 51 second:
Проверьте наличие синуса 1000 Гц в генераторе фиксированной частоты. Если синус есть – проверьте работу модулятора (VT18, VT19, VT20). Выкладываю немного информации по ГФЧ и модулятору. Диапазон 10 МГц (нажата кнопка Множитель 100) практически вообще не работает – форма любого сигнала искажена до неузнаваемости, а амплитуда уменьшена в 2 раза. Мой друг пытался довести прибор до ума, взялся активно за это дело, но примерно через полтора месяца угомонился, так и не получив положительных результатов.


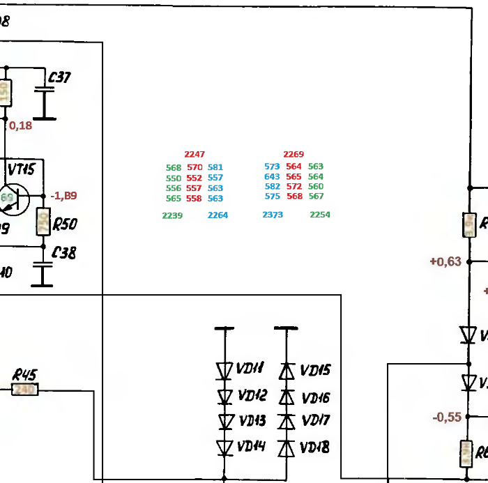
У меня к вам вопрос по схеме, которую вы выложили. Что означают эти цифры?


Вложения:
1.jpg [82.81 KiB]
Скачиваний: 263
Вернуться наверх
 
Показать сообщения за:  Сортировать по:  Вернуться наверх
Начать новую тему Ответить на тему  [ Сообщений: 29 ]    , 2

Часовой пояс: UTC + 3 часа


Кто сейчас на форуме

Сейчас этот форум просматривают: нет зарегистрированных пользователей и гости: 18


Вы не можете начинать темы
Вы не можете отвечать на сообщения
Вы не можете редактировать свои сообщения
Вы не можете удалять свои сообщения
Вы не можете добавлять вложения

Найти:
Перейти:  


Powered by phpBB © 2000, 2002, 2005, 2007 phpBB Group
Русская поддержка phpBB
Extended by Karma MOD © 2007—2012 m157y
Extended by Topic Tags MOD © 2012 m157y