Например TDA7294

Форум РадиоКот • Просмотр темы - Блок питания iso-480pp 4s переделка в зарядное для акб
Форум РадиоКот
Здесь можно немножко помяукать :)

Текущее время: Вс фев 01, 2026 17:38:43

Часовой пояс: UTC + 3 часа


ПРЯМО СЕЙЧАС:



Начать новую тему Ответить на тему  [ Сообщений: 439 ]     ... , , , , 22
Автор Сообщение
Не в сети
 Заголовок сообщения: Re: Блок питания iso-480pp 4s переделка в зарядное для акб
СообщениеДобавлено: Пт окт 28, 2022 21:31:38 
Открыл глаза

Зарегистрирован: Пт июн 29, 2012 09:15:24
Сообщений: 44
Рейтинг сообщения: 0
Приветствую всех. может ли вылететь TPS3510P после пробоя ключей и быть причиной не запуска бп после ремонта?


Вернуться наверх
 
Не в сети
 Заголовок сообщения: Re: Блок питания iso-480pp 4s переделка в зарядное для акб
СообщениеДобавлено: Пт окт 28, 2022 21:45:14 
Друг Кота
Аватар пользователя

Карма: 146
Рейтинг сообщений: 6067
Зарегистрирован: Чт июн 04, 2009 21:06:49
Сообщений: 36293
Откуда: г.Мариинск
Рейтинг сообщения: 0
Медали: 1
Лучший человек Форума 2017 (1)
Может и может просто так вылететь.
Проверь, после сигнала включения (зелёный на массу) на 3 ноге должно появится 0в.

_________________
Тем кого не устаревает наличия ошибок в моем тексте, оставляю права не пользоваться моими советами или просто не читать мои сообщения.


Последний раз редактировалось Телекот Сб окт 29, 2022 05:50:38, всего редактировалось 1 раз.

Вернуться наверх
 
Не в сети
 Заголовок сообщения: Re: Блок питания iso-480pp 4s переделка в зарядное для акб
СообщениеДобавлено: Сб окт 29, 2022 13:31:00 
Открыл глаза

Зарегистрирован: Пт июн 29, 2012 09:15:24
Сообщений: 44
Рейтинг сообщения: 0
Спасибо.заменил TPS,на 3 ноге 0,18в 1 нога 2,9в 4 нога 0,14в.схема https://imageup.ru/img262/3505421/iso-450ppz7.gif

Добавлено after 11 minutes 29 seconds:
на 4 ноге думаю должно быть 5в?

Добавлено after 10 minutes 58 seconds:
не подумал.на 4 логический 0

Добавлено after 7 hours 57 minutes 41 second:
вопрос снимается,нашел свой косяк.


Вернуться наверх
 
Не в сети
 Заголовок сообщения: Re: Блок питания iso-480pp 4s переделка в зарядное для акб
СообщениеДобавлено: Чт май 04, 2023 17:20:10 
Родился

Зарегистрирован: Чт апр 05, 2018 14:01:10
Сообщений: 8
Рейтинг сообщения: 0
Привет, можно как-нибудь внедрить cc/cv индикатор по этой схеме?
Вложение:
2020-05-03_20-32-21.png

апну топик :)
только некропостером не обзывайте :)

индикация ограничения по току

Изображение


Вернуться наверх
 
Эиком - электронные компоненты и радиодетали
Не в сети
 Заголовок сообщения: Re: Блок питания iso-480pp 4s переделка в зарядное для акб
СообщениеДобавлено: Пт май 05, 2023 00:58:19 
Прорезались зубы

Карма: 2
Рейтинг сообщений: 26
Зарегистрирован: Чт май 19, 2022 04:12:01
Сообщений: 238
Рейтинг сообщения: 0
Есть недостаток. У операционников есть недостаток, они состоят не из идеальных транзисторов, в результате есть напряжение смещения. То есть если подать на входы одинаковое напряжение один ОУ выдаст единицу, другой нолик и это предсказать нельзя. Так что для такого индикатора может потребоваться подбор экземпляра ОУ.


Вернуться наверх
 
Не в сети
 Заголовок сообщения: Re: Блок питания iso-480pp 4s переделка в зарядное для акб
СообщениеДобавлено: Пт май 05, 2023 04:52:05 
Опытный кот

Карма: -9
Рейтинг сообщений: 28
Зарегистрирован: Пт янв 27, 2012 20:07:54
Сообщений: 859
Откуда: Томск
Рейтинг сообщения: 0
Вместо подбора экземпляра ОУ можно добавить в схему пару резисторов для организации компенсации напряжения смещения.


Вернуться наверх
 
Не в сети
 Заголовок сообщения: Re: Блок питания iso-480pp 4s переделка в зарядное для акб
СообщениеДобавлено: Сб май 06, 2023 18:09:28 
Родился

Зарегистрирован: Чт апр 05, 2018 14:01:10
Сообщений: 8
Рейтинг сообщения: 0
Нууу, блин... Это ж не хирургия и собираем мы тут даже не лабораторник :)
Можно ведь и без этой индикации обходиться.
Всего лишь чуток удобства, абсолютно необязательное :)

Подсмотрено в известном топике на drive2.
А там уж автор знатно заморочился. Если он посчитал такую точность достаточной, то нам тоже хватит :)


Вернуться наверх
 
Не в сети
 Заголовок сообщения: Re: Блок питания iso-480pp 4s переделка в зарядное для акб
СообщениеДобавлено: Сб май 06, 2023 18:33:13 
Прорезались зубы

Карма: 2
Рейтинг сообщений: 26
Зарегистрирован: Чт май 19, 2022 04:12:01
Сообщений: 238
Рейтинг сообщения: 0
О какой точности разговор? Может просто так случится что индикация перегрузки будет светит постоянно, если смещение ОУ внешнего и внутреннего будет с разным знаком. :))
Нужно добавлять резисторы как сказали выше. но опять же индикация не будет точно соответствовать переход в режим ограничения тока. Проще ограничение тока реализовать на внешнем ОУ вместе с индикацией, а внутрений ОУ заглушить.


Вернуться наверх
 
Не в сети
 Заголовок сообщения: Re: Блок питания iso-480pp 4s переделка в зарядное для акб
СообщениеДобавлено: Ср май 10, 2023 12:53:53 
Родился

Зарегистрирован: Чт апр 05, 2018 14:01:10
Сообщений: 8
Рейтинг сообщения: 0
Брррр...
Запутали совсем.

Непосредственно ограничением тока занимается шимка tl494 со всеми нужными резисторами в обвязке.
А вот индикацию перехода в этот самый режим вешаем на внешний ОУ lm358.


Вернуться наверх
 
Не в сети
 Заголовок сообщения: Re: Блок питания iso-480pp 4s переделка в зарядное для акб
СообщениеДобавлено: Чт май 11, 2023 22:41:58 
Прорезались зубы

Карма: 2
Рейтинг сообщений: 26
Зарегистрирован: Чт май 19, 2022 04:12:01
Сообщений: 238
Рейтинг сообщения: 0
Бареттор писал(а):
Может просто так случится что индикация перегрузки будет светит постоянно, если смещение ОУ внешнего и внутреннего будет с разным знаком.
То есть с некоторыми ОУ индикация может не правильно работать.


Вернуться наверх
 
Не в сети
 Заголовок сообщения: Re: Блок питания iso-480pp 4s переделка в зарядное для акб
СообщениеДобавлено: Пт май 12, 2023 15:38:20 
Родился

Зарегистрирован: Чт апр 05, 2018 14:01:10
Сообщений: 8
Рейтинг сообщения: 0
Короче, пофиг.
А то такими темпами мы еще и 494 уберем и будем собирать заново из отдельных компонентов.
Встроенные ОУ нам не нравятся же...

Метод рабочий, опробован в реальности - все ок.
Кому интересно - пользуемся, не интересно - копаемся в теориии и придумываем себе сложности.
Dixi.


Вернуться наверх
 
Не в сети
 Заголовок сообщения: Re: Блок питания iso-480pp 4s переделка в зарядное для акб
СообщениеДобавлено: Сб май 13, 2023 09:35:32 
Прорезались зубы

Карма: 2
Рейтинг сообщений: 26
Зарегистрирован: Чт май 19, 2022 04:12:01
Сообщений: 238
Рейтинг сообщения: 0
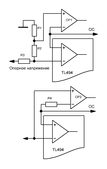
Думаешь один такой гениальный? Такую индикацию не ты первый предложил и её не однократно обсуждали. Есть куча уже исправленных схем где на один из входов подаётся небольшое напряжение которое заведомо больше напряжения смещения ОУ.
Поищи если не лень, я просто думал что сам догадаешся, решение то простое.
Вот один вариант решения. Есть ещё решение этой проблемы, включить в цепь одного из входов резистор, Из за вытекающего тока создаётся небольшое смещение.


Вложения:
01.GIF [7.06 KiB]
Скачиваний: 235
Вернуться наверх
 
Не в сети
 Заголовок сообщения: Re: Блок питания iso-480pp 4s переделка в зарядное для акб
СообщениеДобавлено: Вс май 14, 2023 11:35:37 
Родился

Зарегистрирован: Чт апр 05, 2018 14:01:10
Сообщений: 8
Рейтинг сообщения: 0
Я где-то говорил о своей гениальности? Нет? Тогда пук в лужу.

"Куча схем" может быть где-то и есть, но конкретно в данном топике есть только вопрос Kokorom без ответа.
Предлагаю закончить толочь воду в ступе.


Вернуться наверх
 
Не в сети
 Заголовок сообщения: Re: Блок питания iso-480pp 4s переделка в зарядное для акб
СообщениеДобавлено: Вс май 14, 2023 11:58:35 
Прорезались зубы

Карма: 2
Рейтинг сообщений: 26
Зарегистрирован: Чт май 19, 2022 04:12:01
Сообщений: 238
Рейтинг сообщения: 0
Ну тогда и сейчас и здесь есть исправленная схема.


Вернуться наверх
 
Не в сети
 Заголовок сообщения: Re: Блок питания iso-480pp 4s переделка в зарядное для акб
СообщениеДобавлено: Пн июн 24, 2024 14:02:24 
Нашел транзистор. Понюхал.

Карма: 2
Рейтинг сообщений: 11
Зарегистрирован: Пн фев 08, 2016 22:46:08
Сообщений: 152
Рейтинг сообщения: 0
Подобрал RC цепочки ОС.
Добился минимума пульсаций в режимах регулировки напряжения и тока до 10- 25 мВ при нагрузке 20 В-10А.

Какие у вас получились номиналы rc цепочек?


Вернуться наверх
 
Не в сети
 Заголовок сообщения: Re: Блок питания iso-480pp 4s переделка в зарядное для акб
СообщениеДобавлено: Пн июн 24, 2024 14:07:16 
Друг Кота
Аватар пользователя

Карма: 146
Рейтинг сообщений: 6067
Зарегистрирован: Чт июн 04, 2009 21:06:49
Сообщений: 36293
Откуда: г.Мариинск
Рейтинг сообщения: 0
Медали: 1
Лучший человек Форума 2017 (1)
А тебе они зачем? эти номиналы индивидуальны, зависят от конкретного блока питания. И даже от разводки платы.

_________________
Тем кого не устаревает наличия ошибок в моем тексте, оставляю права не пользоваться моими советами или просто не читать мои сообщения.


Вернуться наверх
 
Не в сети
 Заголовок сообщения: Re: Блок питания iso-480pp 4s переделка в зарядное для акб
СообщениеДобавлено: Вт июн 25, 2024 10:19:02 
Прорезались зубы

Карма: 5
Рейтинг сообщений: 25
Зарегистрирован: Сб фев 18, 2017 00:36:02
Сообщений: 211
Рейтинг сообщения: 1
Блок переделывал 6 лет назад. Сейчас его уже давно у меня нет. Точные номиналы RC цепочек не помню.
После переделки на 20 В, сделал на 30 В по схеме псевдомост. Пришлось заново подбирать RC цепочки.
Переделку описывал на стр.7.
Начинал с больших емкостей, постепенно уменьшал до получения минимальных пульсаций и стабильной работы.

Конденсатор С11 получился 1500 pF (152).
Вместо R22 ставил подстроечник на 500 кОм, какой был. Подкрутил до получения нужных параметров, так и оставил, не выпаивая и не измеряя его сопротивление.
Хотя можно оставить родные детали в этой цепочке.

Конденсатор С70 подобрал на 15000 pF (153).
Вместо резистора R70 установил подстроечник на 10 кОм. Также подкрутил и оставил на месте.

Если с такими конденсаторами не получается добиться стабильной работы блока во всем диапазоне регулировки тока и напряжения, то надо увеличить емкость конденсаторов и заново подкрутить подстроечники.

Такая настройка требует особого внимания. Надо не спеша подстраивать резисторы, наблюдая по осциллографу за пульсациями на клеммах блока, не доводя до самовозбуждения.
Лучше сразу настроить защиту.

В каждом блоке будут разные номиналы RC цепочек, надо подбирать индивидуально, о чём писал Телекот.


Вернуться наверх
 
Не в сети
 Заголовок сообщения: Re: Блок питания iso-480pp 4s переделка в зарядное для акб
СообщениеДобавлено: Пн июн 09, 2025 10:08:35 
Опытный кот

Карма: 3
Рейтинг сообщений: 143
Зарегистрирован: Пн июн 07, 2010 22:56:01
Сообщений: 881
Откуда: SU
Рейтинг сообщения: 0
кто нибудь разбирал трансформатор от БП ISO-450..
интересует как сделаны обмотки 5В ? намотаны одной обмоткой или несколько обмоток соединены в паралель


Вернуться наверх
 
Не в сети
 Заголовок сообщения: Re: Блок питания iso-480pp 4s переделка в зарядное для акб
СообщениеДобавлено: Сб окт 25, 2025 11:38:11 
Родился

Зарегистрирован: Пт авг 29, 2025 08:41:49
Сообщений: 4
Рейтинг сообщения: 0
Если ваше зарядное устройство перегревается или срабатывает защита, рассмотрите возможность интеграции Battery Management System.
Она обеспечивает контроль температуры, напряжения и тока, а также балансировку и связь по интерфейсам CAN/485/TTL — идеальное решение для превращения модифицированного ISO-480PP в безопасное и «умное» зарядное устройство, которое автоматически регулирует нагрев и предотвращает перегрузку.


Вернуться наверх
 
Показать сообщения за:  Сортировать по:  Вернуться наверх
Начать новую тему Ответить на тему  [ Сообщений: 439 ]     ... , , , , 22

Часовой пояс: UTC + 3 часа


Кто сейчас на форуме

Сейчас этот форум просматривают: eugen_, Levsha32 и гости: 53


Вы не можете начинать темы
Вы не можете отвечать на сообщения
Вы не можете редактировать свои сообщения
Вы не можете удалять свои сообщения
Вы не можете добавлять вложения

Найти:
Перейти:  


Powered by phpBB © 2000, 2002, 2005, 2007 phpBB Group
Русская поддержка phpBB
Extended by Karma MOD © 2007—2012 m157y
Extended by Topic Tags MOD © 2012 m157y