Приёмник УКВ на RDA5807
-
Gena_p
- Первый раз сказал Мяу!
- Сообщения: 30
- Зарегистрирован: Пн мар 25, 2013 12:27:25
- Откуда: Киев :)
- Контактная информация:
Re: Приёмник УКВ на RDA5807
[uquote="WiseLord",url="/forum/viewtopic.php?p=3492549#p3492549"]А вот RDA5807FP можно использовать самостоятельно, как сканирующий приёмник (4 кнопки - громкость вверх/вниз, поиск вверх/вниз). "В контексте изначального стремления сваять "наушное радио"", как Вы выразились, без дисплея и МК, это идеальный вариант.[/uquote]
Друзья, кто-то пробовал без микроконтроллера запустить RDA5807FP?
Вот здесь http://radiopraktikum.blogspot.com/p/blog-page_66.html срисовано с игрушки детской, есть фото платы и вот здесь архивчик лежит, третий сверху пост: https://forum.cxem.net/index.php?/topic ... 2/page/67/
Друзья, кто-то пробовал без микроконтроллера запустить RDA5807FP?
Вот здесь http://radiopraktikum.blogspot.com/p/blog-page_66.html срисовано с игрушки детской, есть фото платы и вот здесь архивчик лежит, третий сверху пост: https://forum.cxem.net/index.php?/topic ... 2/page/67/
- Реклама
-
dantist3
- Потрогал лапой паяльник
- Сообщения: 303
- Зарегистрирован: Пн май 04, 2009 14:39:47
- Откуда: Россия г. Москва
- Контактная информация:
Re: Приёмник УКВ на RDA5807
Проверено, работает нормально.
Re: Приёмник УКВ на RDA5807
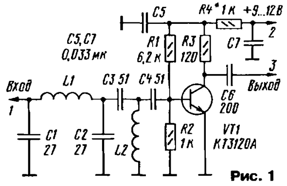
Всем местным рабочих схем и побольше. Кто знает рабочую схему усилителя радиосигнала для RDA5807M? Вынес антенну на балкон, ловит что надо, но хочется лучше, поскольку разные станции по разному звучат по помехам.
Re: Приёмник УКВ на RDA5807
Нашел схему усилителя на s9018, с фильтром входящих частот разобрался, как усиление происходит тоже, но вот с входными/выходными волновыми сопротивлениями нет. Как подключить данный усилитель к RDA5807M и какую антенну надо?
.........
Нашел как согласовывать через индуктивность и емкость, а так же, что если длина проводника меньше 1/4 длины волны, то согласовывать не надо.
.........
Нашел как согласовывать через индуктивность и емкость, а так же, что если длина проводника меньше 1/4 длины волны, то согласовывать не надо.
- Вложения
-
- 1.gif
- (20.81 КБ) 514 скачиваний
Последний раз редактировалось PavelPic Вт ноя 02, 2021 19:56:00, всего редактировалось 1 раз.
- samand587
- Поставщик валерьянки для Кота
- Сообщения: 2312
- Зарегистрирован: Вт фев 21, 2017 18:59:21
- Откуда: Седой Урал
Re: Приёмник УКВ на RDA5807
[uquote="Gena_p",url="/forum/viewtopic.php?p=3900819#p3900819"]... кто-то пробовал без микроконтроллера запустить RDA5807FP? ...[/uquote]
Собирал отсюда https://forum.cxem.net/index.php?/topic ... в/page/67/ Работает без проблем!
Собирал отсюда https://forum.cxem.net/index.php?/topic ... в/page/67/ Работает без проблем!
- Реклама
Re: Приёмник УКВ на RDA5807
[uquote="PavelPic",url="/forum/viewtopic.php?p=4115330#p4115330"]Нашел схему усилителя на s9018, с фильтром входящих частот разобрался, как усиление происходит тоже, но вот с входными/выходными волновыми сопротивлениями нет. Как подключить данный усилитель к RDA5807M и какую антенну надо?
.........
Нашел как согласовывать через индуктивность и емкость, а так же, что если длина проводника меньше 1/4 длины волны, то согласовывать не надо.[/uquote]
Поймал, наконец-то, все 19 станций моей "деревни".
Собрал вертикальный диполь из алюминиевых трубок диаметром 12 мм (738 мм 24 мм 738 мм) и расположил его на балконе возле рамы. Длина провода от антенны (включая проход через нижнюю трубку) до RDA5807M около 12 метров. Все соединения кабелей не превышают 65 см. Разъемы металлические RCA и TV.
Еще меня удивило, что все станции вещают с разной мощностью, на мой взгляд.
.........
Нашел как согласовывать через индуктивность и емкость, а так же, что если длина проводника меньше 1/4 длины волны, то согласовывать не надо.[/uquote]
Поймал, наконец-то, все 19 станций моей "деревни".
Еще меня удивило, что все станции вещают с разной мощностью, на мой взгляд.
Re: Приёмник УКВ на RDA5807
Ребят привет! Собрал 3 приемника с OLED дисплеями и не наодном дисплей ничего не показывает. Прошивки пробовал и с дисплеем и без. Само радио работает прекрасно все ловит. Дисплеи перепробовал разные и синий и белый и желто синий, не один из 8 штук которые у меня есть не работает. В чем может быть проблема?
Re: Приёмник УКВ на RDA5807
Как и что у вас напаяно видно только вам.
Как вариант проверить эти дисплеи в другой схеме.
Как вариант проверить эти дисплеи в другой схеме.
Re: Приёмник УКВ на RDA5807
Дисплеи абсолютно рабочие, проверенны по 100 раз на разных проектах. Напаяно все четко на печатной плате от автора.
Re: Приёмник УКВ на RDA5807
Тогда остается два варианта - дисплей "не той системы" или всё таки не так собрано.
Говорят чудес не бывает.
Говорят чудес не бывает.
Re: Приёмник УКВ на RDA5807
[uquote="pcb432",url="/forum/viewtopic.php?p=4225220#p4225220"]Тогда остается два варианта - дисплей "не той системы" или всё таки не так собрано.
Говорят чудес не бывает.
[/uquote]
Пришлите пожалуйста фото вашего дисплея с которым приемник собран.
Говорят чудес не бывает.
Пришлите пожалуйста фото вашего дисплея с которым приемник собран.
Re: Приёмник УКВ на RDA5807
Собрал схемку EQKIT RD5807 (набор 100р. Алиэкспресс). Управление кнопочное - результат впечатляет, чистое звучание на наушники, поиск каналов уверенный. Прилагаемая на сайте схема не совсем соответствует реалиям (pin.6 =+3v, pin.10 неясно что). Захотелось дисплей, управление диапазонами, то есть примерно такую же схемку, с которой началось обсуждение. Выше все время говорилось про прошивки, просьбы их поменять под свои проблемы. Может, уважаемые авторы, выложите код на ассемблере или Си, тогда замена PiCa и т.д. перестанут быть проблемами ?
Re: Приёмник УКВ на RDA5807
djdron, На олед не удосужился собирать, хоть и купил, макетировал на ч/б дисплеях.
Но 5 страниц обсуждений, вроде никто не жаловался на проблемы с работой олед дисплея.
Но 5 страниц обсуждений, вроде никто не жаловался на проблемы с работой олед дисплея.
Re: Приёмник УКВ на RDA5807
Где бы узнать рекомендуемую скорость обмена по i2c для RDA5807 ?
Re: Приёмник УКВ на RDA5807
Извините за нарушение протокола обсуждений. В datasheet RDA5807FP указано 400кГц, но в отличие от рекомендуемых i2c=4,7кОм стоят 47кОм (по физике, с учетом паразитных емкостей эта скорость не получится), в исходной схеме ничего не добавлено. Если доступ к программе закрыт (коммерция), то хоть скажите реальную скорость обмена. Или все есть секрет ?
Re: Приёмник УКВ на RDA5807
Вопрос мне явно не удался, ну и ладно, что поделаешь. Есть другой вопрос - работает ли для RDA5807FP произвольная запись в регистры (адрес Н`22`с учетом бита записи) ?
-
Alex Freemen
- Родился
- Сообщения: 1
- Зарегистрирован: Сб ноя 12, 2022 12:06:48
Re: Приёмник УКВ на RDA5807
[uquote="djdron",url="/forum/viewtopic.php?p=4222415#p4222415"]Ребят привет! Собрал 3 приемника с OLED дисплеями и не наодном дисплей ничего не показывает. Прошивки пробовал и с дисплеем и без. Само радио работает прекрасно все ловит. Дисплеи перепробовал разные и синий и белый и желто синий, не один из 8 штук которые у меня есть не работает. В чем может быть проблема?[/uquote]
Тоже и у меня, дисплей рабочий проверено, может адрес не совпадает? Кто знает какой адрес I2C.
Тоже и у меня, дисплей рабочий проверено, может адрес не совпадает? Кто знает какой адрес I2C.
- Вложения
-
- oled-IIC-128X64-I2C-SSD1306-0.jpg
- (158.23 КБ) 226 скачиваний
- samand587
- Поставщик валерьянки для Кота
- Сообщения: 2312
- Зарегистрирован: Вт фев 21, 2017 18:59:21
- Откуда: Седой Урал
Re: Приёмник УКВ на RDA5807
Собрал радио как здесь https://radiokot.ru/forum/viewtopic.php ... 6#p4351786 Заливаю прошивку - радио работает, на дисплее какие то квадратики, изображения нет. Пробовал залить родную прошивку Носова, то же самое - радио работает, дисплей темный. Дисплеи оба проверил, исправны, у обеих дисплеев ( один с белым, другой сине-желтым шрифтом) адрес 0Х3С. Дисплей вот такой
В параллельной ветке писали из-за чего это може быть. Как это можно исправить? Спасибо!
Re: Приёмник УКВ на RDA5807
Все проблемы в отсутствии исходной программы. Что можно понять включая "черный ящик" ? В свое время, меня так достала "чужая" прошивка, что пришлось ее расшифровывать - нашел кучу глюков, но такое удовольствие отнимает кучу времени.
- samand587
- Поставщик валерьянки для Кота
- Сообщения: 2312
- Зарегистрирован: Вт фев 21, 2017 18:59:21
- Откуда: Седой Урал
Re: Приёмник УКВ на RDA5807
[uquote="Бобочек",url="/forum/viewtopic.php?p=4351884#p4351884"]Все проблемы в отсутствии исходной программы. ...[/uquote]
А вот это не то что нужно?
А вот это не то что нужно?
- Вложения
-
- Программа .zip
- (6.27 КБ) 206 скачиваний


