Например TDA7294

Форум РадиоКот • Просмотр темы - Цифровая паяльная станция (от михи-псков)
Форум РадиоКот
Здесь можно немножко помяукать :)

Текущее время: Вс ноя 09, 2025 20:06:30

Часовой пояс: UTC + 3 часа


ПРЯМО СЕЙЧАС:



Начать новую тему Ответить на тему  [ Сообщений: 10601 ]     ... , , , 93, , , ...  
Автор Сообщение
Не в сети
 Заголовок сообщения:
СообщениеДобавлено: Ср фев 17, 2010 16:21:25 
Открыл глаза

Зарегистрирован: Чт дек 03, 2009 14:58:38
Сообщений: 77
Откуда: Молдова
Рейтинг сообщения: 0
dimarad писал(а):
r134a писал(а):
Доброго времени.
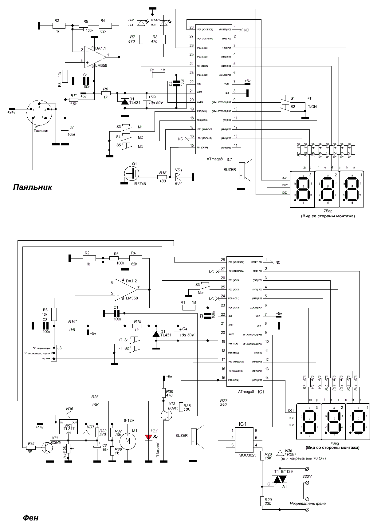
Я тут немного поколдовал с схемой по которой собирал станцию.
Вот попробовал реализовать отключение питания после остывания фена как в китайце. Чтоб при отключении тумблера питания фен остывал а затем питание полностью снималось. В китайце это реализовано на 2-х оптопарах и 2-х семисторов. По мне так лишние расходы. Посмотрите мой вариант, любые советы и указы на ошибки приму с радостью. Проверил, вроде работает.
И ещё у меня вопрос: на будет ли как то пагубно влиять на эл.двигатель фена остаточное 1.25в напряжение на выходе LM317 ? Оно присутствует после остановки вентилятора.


ты собрал по твоей схеме? Работает ? У тебя питание опера -однополярное, у Люкея двухполярное. Однопольрное будет работать?

Это не моя схема, я только немного под себя её переделал. Оригинал есть в этой ветке. Да, питание однополярное всё вроде работает, термофен пробовал только в имитации, но все режимы отробатывает. Да, питание, никаких импульсников, трансформатор. А у лукей 702 однополярное питание


Вернуться наверх
 
Не в сети
 Заголовок сообщения:
СообщениеДобавлено: Ср фев 17, 2010 18:21:38 
Вымогатель припоя
Аватар пользователя

Карма: 4
Рейтинг сообщений: 102
Зарегистрирован: Чт фев 19, 2009 23:41:27
Сообщений: 615
Откуда: Беларусь, Барановичи
Рейтинг сообщения: 0
aquarius26 писал(а):

Да вот cрисовал.Сделал типа Service manual,
возможны ошибки.
http://upload.com.ua/get/901382473/


Большое Спасибо :beer: за ваш сервис мануал.

Fighter писал(а):
у меня не железный разъем.. у меня 1 на моторчик (2 контакта), 1 на термопару и геркон (3 контактный)... и 2 провода на нагреватель.... и зеленный с клемой под болт - типа масса...
разобрать фен не смог :(.. 2 винта выкрутил - а он не располовинивается - боюсь сломать корпус...

а от 12 вольт действительно дует не сильно - вчера проверил... (провода коричневый + и черный -)


скрути горловину (там резьба) и осторожно располовинь, на вентиляторе должна быть надпись в моём случае с вентилятора выходит чёрный (gnd) и красный провод (+) ну и небольшая плата


r134a Очень хорошая доработка, и весьма нужная.


Вложения:
Комментарий к файлу: Схема 2
Cxema_2.pdf [123.83 KiB]
Скачиваний: 46535
Комментарий к файлу: вентилятор и плата вблизи
fen1.jpg [106.04 KiB]
Скачиваний: 1574
Комментарий к файлу: Фен с вентилятором в ручке (разборка)
fen.jpg [108.03 KiB]
Скачиваний: 11464


Последний раз редактировалось Spruts80 Пн июл 12, 2010 22:29:14, всего редактировалось 1 раз.
Вернуться наверх
 
Не в сети
 Заголовок сообщения:
СообщениеДобавлено: Ср фев 17, 2010 19:43:43 
Первый раз сказал Мяу!

Зарегистрирован: Пн окт 26, 2009 21:10:25
Сообщений: 22
Рейтинг сообщения: 0
r134a писал(а):
dimarad писал(а):
r134a писал(а):
Доброго времени.
Я тут немного поколдовал с схемой по которой собирал станцию.
Вот попробовал реализовать отключение питания после остывания фена как в китайце. Чтоб при отключении тумблера питания фен остывал а затем питание полностью снималось. В китайце это реализовано на 2-х оптопарах и 2-х семисторов. По мне так лишние расходы. Посмотрите мой вариант, любые советы и указы на ошибки приму с радостью. Проверил, вроде работает.
И ещё у меня вопрос: на будет ли как то пагубно влиять на эл.двигатель фена остаточное 1.25в напряжение на выходе LM317 ? Оно присутствует после остановки вентилятора.


ты собрал по твоей схеме? Работает ? У тебя питание опера -однополярное, у Люкея двухполярное. Однопольрное будет работать?



Это не моя схема, я только немного под себя её переделал. Оригинал есть в этой ветке. Да, питание однополярное всё вроде работает, термофен пробовал только в имитации, но все режимы отробатывает. Да, питание, никаких импульсников, трансформатор. А у лукей 702 однополярное питание


Какую прошивку для фена использовал? версию ?


Вернуться наверх
 
Не в сети
 Заголовок сообщения:
СообщениеДобавлено: Ср фев 17, 2010 20:24:05 
Открыл глаза

Зарегистрирован: Чт дек 03, 2009 14:58:38
Сообщений: 77
Откуда: Молдова
Рейтинг сообщения: 0
dimarad писал(а):
r134a писал(а):
dimarad писал(а):
r134a писал(а):
Доброго времени.
Я тут немного поколдовал с схемой по которой собирал станцию.
Вот попробовал реализовать отключение питания после остывания фена как в китайце. Чтоб при отключении тумблера питания фен остывал а затем питание полностью снималось. В китайце это реализовано на 2-х оптопарах и 2-х семисторов. По мне так лишние расходы. Посмотрите мой вариант, любые советы и указы на ошибки приму с радостью. Проверил, вроде работает.
И ещё у меня вопрос: на будет ли как то пагубно влиять на эл.двигатель фена остаточное 1.25в напряжение на выходе LM317 ? Оно присутствует после остановки вентилятора.


ты собрал по твоей схеме? Работает ? У тебя питание опера -однополярное, у Люкея двухполярное. Однопольрное будет работать?

Спасибо

Это не моя схема, я только немного под себя её переделал. Оригинал есть в этой ветке. Да, питание однополярное всё вроде работает, термофен пробовал только в имитации, но все режимы отробатывает. Да, питание, никаких импульсников, трансформатор. А у лукей 702 однополярное питание


Какую прошивку для фена использовал? версию ?

Спасибо Volly это его прошивка. Выложу её, надеюсь он не против.


Вложения:
Luk702_fan_SE-2.rar [4.18 KiB]
Скачиваний: 814
Вернуться наверх
 
Эиком - электронные компоненты и радиодетали
Не в сети
 Заголовок сообщения:
СообщениеДобавлено: Ср фев 17, 2010 20:29:34 
Вымогатель припоя
Аватар пользователя

Карма: 4
Рейтинг сообщений: 102
Зарегистрирован: Чт фев 19, 2009 23:41:27
Сообщений: 615
Откуда: Беларусь, Барановичи
Рейтинг сообщения: 0
r134a прошивка (Luk702_fan_SE-2.rar) она для индикатора с общим анодом как я понял ? Заранее спасибо.


Вложения:
Комментарий к файлу: Схема вариант 4
83439745.gif [72.35 KiB]
Скачиваний: 4416


Последний раз редактировалось Spruts80 Пн апр 12, 2010 11:44:38, всего редактировалось 1 раз.
Вернуться наверх
 
Не в сети
 Заголовок сообщения:
СообщениеДобавлено: Ср фев 17, 2010 20:40:56 
Открыл глаза

Зарегистрирован: Чт дек 03, 2009 14:58:38
Сообщений: 77
Откуда: Молдова
Рейтинг сообщения: 0
Spruts80 писал(а):
aquarius26 писал(а):

Да вот cрисовал.Сделал типа Service manual,
возможны ошибки.
http://upload.com.ua/get/901382473/


Большое Спасибо :beer: за ваш сервис мануал.

Fighter писал(а):
у меня не железный разъем.. у меня 1 на моторчик (2 контакта), 1 на термопару и геркон (3 контактный)... и 2 провода на нагреватель.... и зеленный с клемой под болт - типа масса...
разобрать фен не смог :(.. 2 винта выкрутил - а он не располовинивается - боюсь сломать корпус...

а от 12 вольт действительно дует не сильно - вчера проверил... (провода коричневый + и черный -)


скрути горловину (там резьба) и осторожно располовинь, на вентиляторе должна быть надпись в моём случае с вентилятора выходит чёрный (gnd) и красный провод (+) ну и небольшая плата


r134a Очень хорошая доработка, и весьма нужная.

Спасибо за оценку. Если есть какие предложения, с удовольствием выслушаю.
Посмотрел ваши фото разобранного фена.....ой чувствую я что не смогу я приобрести этот китайский шедевр, цена фена и цена на наши услуги за доставку (примерно столько же)....ну его. Да и глядя внутрь, уже не особо хочется. Махну я наверное ещё разок напильником, молотком и отвёрткой за 23 американских рубля. Единственная просьба к вам померить сопротивление холодной спирали фена, вроде должна быть около 70 Ом.


Вернуться наверх
 
Не в сети
 Заголовок сообщения:
СообщениеДобавлено: Ср фев 17, 2010 20:44:58 
Открыл глаза

Зарегистрирован: Чт дек 03, 2009 14:58:38
Сообщений: 77
Откуда: Молдова
Рейтинг сообщения: 0
Spruts80 писал(а):
r134a прошивка (Luk702_fan_SE-2.rar) она для индикатора с общим анодом как я понял ? Заранее спасибо.

Да. Luk702_fan_SE-2.rar это для общего анода. Но есть (правда мною не проверена) и с общим катодом. Если надо, не вопрос. Называется Luk_fan_CC.rar


Вернуться наверх
 
Не в сети
 Заголовок сообщения:
СообщениеДобавлено: Ср фев 17, 2010 20:48:40 
Вымогатель припоя
Аватар пользователя

Карма: 4
Рейтинг сообщений: 102
Зарегистрирован: Чт фев 19, 2009 23:41:27
Сообщений: 615
Откуда: Беларусь, Барановичи
Рейтинг сообщения: 0
r134a писал(а):
Spruts80 писал(а):
r134a прошивка (Luk702_fan_SE-2.rar) она для индикатора с общим анодом как я понял ? Заранее спасибо.

Да. Luk702_fan_SE-2.rar это для общего анода. Но есть (правда мною не проверена) и с общим катодом. Если надо, не вопрос. Называется Luk_fan_CC.rar


Спасибо не нужно, пойду поищу в закромах индикаторы и отрисую плату дисплейчиков :))

_________________
FAQ по паяльной станции "от михи-псков" и доработке Lykey 702/852D+,схемы,платы, прошивки


Вернуться наверх
 
Не в сети
 Заголовок сообщения:
СообщениеДобавлено: Ср фев 17, 2010 22:09:31 
Встал на лапы

Зарегистрирован: Ср авг 01, 2007 13:32:33
Сообщений: 94
Рейтинг сообщения: 0
разобрал фен.. платки нету, на турбинке ничего не написано :)... китай е-мае.
вообщем ограничу пока 15 вольтами - там посмотрим... если будет поток слабый - значит поднимем!


Вернуться наверх
 
Не в сети
 Заголовок сообщения:
СообщениеДобавлено: Ср фев 17, 2010 23:44:23 
Друг Кота
Аватар пользователя

Карма: 18
Рейтинг сообщений: 1121
Зарегистрирован: Пт ноя 27, 2009 18:12:27
Сообщений: 4625
Откуда: Черкассы, UA
Рейтинг сообщения: 0
r134a писал(а):
Доброго времени.
Я тут немного поколдовал с схемой по которой собирал станцию.

Там, похоже, с герконом не все в порядке - в рабочем режиме он получается отключен от общего провода, то есть не работает. ИМХО.
Я пока фен не делал, так что может не совсем вник в логику работы.

_________________
Изображение

В мире нет вредных веществ, в мире есть вредные количества © Д.И.Менделеев
Когда на форуме переходят на "Вы", в реальной жизни уже давно бьют морду © автор неизвестен.


Вернуться наверх
 
Не в сети
 Заголовок сообщения:
СообщениеДобавлено: Чт фев 18, 2010 01:20:51 
Вымогатель припоя
Аватар пользователя

Карма: 4
Рейтинг сообщений: 102
Зарегистрирован: Чт фев 19, 2009 23:41:27
Сообщений: 615
Откуда: Беларусь, Барановичи
Рейтинг сообщения: 0
mr_kot писал(а):
r134a писал(а):
Доброго времени.
Я тут немного поколдовал с схемой по которой собирал станцию.

Там, похоже, с герконом не все в порядке - в рабочем режиме он получается отключен от общего провода, то есть не работает. ИМХО.
Я пока фен не делал, так что может не совсем вник в логику работы.


С герконом по приведённой выше схеме всё в порядке ( при сработке геркона он садит 18 выход микроконтролёра на землю, тем самым запрещает старт нагревателю). При выключении также садиться вывод на землю.

При уложении термофена на подставку также срабатывает геркон и 18 вывод микроконтролёра садиться на землю.

Сравнил схемы включения с реализованным в Lykeu. (геркон на землю садиться в самом корпусе термофена (экономия китайцами провода на ещё одну землю)

_________________
FAQ по паяльной станции "от михи-псков" и доработке Lykey 702/852D+,схемы,платы, прошивки


Последний раз редактировалось Spruts80 Чт фев 18, 2010 01:26:32, всего редактировалось 1 раз.

Вернуться наверх
 
Не в сети
 Заголовок сообщения:
СообщениеДобавлено: Чт фев 18, 2010 01:26:19 
Открыл глаза

Зарегистрирован: Чт дек 03, 2009 14:58:38
Сообщений: 77
Откуда: Молдова
Рейтинг сообщения: 0
mr_kot писал(а):
r134a писал(а):
Доброго времени.
Я тут немного поколдовал с схемой по которой собирал станцию.

Там, похоже, с герконом не все в порядке - в рабочем режиме он получается отключен от общего провода, то есть не работает. ИМХО.
Я пока фен не делал, так что может не совсем вник в логику работы.

Вывод "геркон" с выключателя питания подключается на 18 ногу меги, тоесть туда же подключается геркон фена. При включённом ON состоянии при замыкании геркона фена, фен остывает и станция переходит в ждущий режим....так как контакты выключателя замкнуты. Так же контакты выключателя дублирует контакт реле до тех пор пока вращается турбина фена. Отключая выключатель в положение OFF вторая группа контактов выключателя садит 18 ногу на корпус, тоесть нагрев прекращается. Фен остывает а реле до остановки кулера держит питание схемы. После отключается.


Вернуться наверх
 
Не в сети
 Заголовок сообщения:
СообщениеДобавлено: Чт фев 18, 2010 01:34:37 
Вымогатель припоя
Аватар пользователя

Карма: 4
Рейтинг сообщений: 102
Зарегистрирован: Чт фев 19, 2009 23:41:27
Сообщений: 615
Откуда: Беларусь, Барановичи
Рейтинг сообщения: 0
r134a писал(а):
mr_kot писал(а):
r134a писал(а):
Доброго времени.
Я тут немного поколдовал с схемой по которой собирал станцию.

Там, похоже, с герконом не все в порядке - в рабочем режиме он получается отключен от общего провода, то есть не работает. ИМХО.
Я пока фен не делал, так что может не совсем вник в логику работы.

Вывод "геркон" с выключателя питания подключается на 18 ногу меги, тоесть туда же подключается геркон фена. При включённом ON состоянии при замыкании геркона фена, фен остывает и станция переходит в ждущий режим....так как контакты выключателя замкнуты. Так же контакты выключателя дублирует контакт реле до тех пор пока вращается турбина фена. Отключая выключатель в положение OFF вторая группа контактов выключателя садит 18 ногу на корпус, тоесть нагрев прекращается. Фен остывает а реле до остановки кулера держит питание схемы. После отключается.


я бы контакты реле не в ту бы цепочку бы включил бы.

в не которых китайских станциях реализован продув на максимально возможной скорости потока, подав максимальное напряжение напрямую на вентилятор/компрессор.

_________________
FAQ по паяльной станции "от михи-псков" и доработке Lykey 702/852D+,схемы,платы, прошивки


Вернуться наверх
 
Не в сети
 Заголовок сообщения:
СообщениеДобавлено: Чт фев 18, 2010 03:20:58 
Открыл глаза

Зарегистрирован: Чт дек 03, 2009 14:58:38
Сообщений: 77
Откуда: Молдова
Рейтинг сообщения: 0
Spruts80 писал(а):
r134a писал(а):
mr_kot писал(а):
r134a писал(а):
Доброго времени.
Я тут немного поколдовал с схемой по которой собирал станцию.

Там, похоже, с герконом не все в порядке - в рабочем режиме он получается отключен от общего провода, то есть не работает. ИМХО.
Я пока фен не делал, так что может не совсем вник в логику работы.



я бы контакты реле не в ту бы цепочку бы включил бы.

в не которых китайских станциях реализован продув на максимально возможной скорости потока, подав максимальное напряжение напрямую на вентилятор/компрессор.

Если не трудно подрисуйте в схеме. Но я думаю это не особо важно, единственный плюс который я в этом вижу это только то что фен быстрее остынет, станция отключится. А как защита нагревателя эта функция не особо нужна, так как при работе, скажем на низком продуве шим поддерживает менее интенсивный нагрев, и если отключение произойдёт нагрев будет отключён и фен медленно остынет. Другой пример, скажем работаем на высоком продуве, к нагревателю прикладывается большая мощность....и вдруг мы резко выкручиваем скорость в минимум, те же грабли, тэн горячий продув слабый. Ничего вечного нет :)
У меня вот другая проблема, корпус очень мал и некуда впихнуть радиатор BT139 фенной части станции с питанием 220v. Семистор паяльника едва тёплый, потому и прикручен прямо на плату, а как поведёт себя семистор под сетевым напряжением (я даже не знаю какой мощности фен люкея)?


Вернуться наверх
 
Не в сети
 Заголовок сообщения:
СообщениеДобавлено: Чт фев 18, 2010 11:23:48 
Нашел транзистор. Понюхал.
Аватар пользователя

Карма: 4
Рейтинг сообщений: 52
Зарегистрирован: Вс окт 18, 2009 22:34:12
Сообщений: 163
Откуда: Минск
Рейтинг сообщения: 0
r134a писал(а):
У меня вот другая проблема, корпус очень мал и некуда впихнуть радиатор BT139 фенной части станции с питанием 220v. Семистор паяльника едва тёплый, потому и прикручен прямо на плату, а как поведёт себя семистор под сетевым напряжением (я даже не знаю какой мощности фен люкея)?

Нормально поведет, не нужен ему радиатор...


Вернуться наверх
 
Не в сети
 Заголовок сообщения:
СообщениеДобавлено: Чт фев 18, 2010 12:33:18 
Друг Кота
Аватар пользователя

Карма: 18
Рейтинг сообщений: 1121
Зарегистрирован: Пт ноя 27, 2009 18:12:27
Сообщений: 4625
Откуда: Черкассы, UA
Рейтинг сообщения: 0
r134a писал(а):
Вывод "геркон" с выключателя питания подключается на 18 ногу меги

Прошу прощения - сразу что-то не врубился. С первого взгляда показалось, что общий провод к геркону подключается через выключатель питания.

_________________
Изображение

В мире нет вредных веществ, в мире есть вредные количества © Д.И.Менделеев
Когда на форуме переходят на "Вы", в реальной жизни уже давно бьют морду © автор неизвестен.


Вернуться наверх
 
Не в сети
 Заголовок сообщения:
СообщениеДобавлено: Чт фев 18, 2010 16:08:18 
Родился

Зарегистрирован: Пт авг 08, 2008 09:13:11
Сообщений: 7
Откуда: Украина
Рейтинг сообщения: 0
Помогите разобраться. В теме все время упоминается фен с сопротивлением 70 Ом и для него необходим диод (его назначение понятно). У меня же сопротивление 90 Ом - как быть в моем случае?
И вообще - какое сопротивление у фена на 220В?


Вернуться наверх
 
Не в сети
 Заголовок сообщения:
СообщениеДобавлено: Чт фев 18, 2010 19:13:58 
Вымогатель припоя
Аватар пользователя

Карма: 4
Рейтинг сообщений: 102
Зарегистрирован: Чт фев 19, 2009 23:41:27
Сообщений: 615
Откуда: Беларусь, Барановичи
Рейтинг сообщения: 0
r134a писал(а):
Если не трудно подрисуйте в схеме. Но я думаю это не особо важно, единственный плюс который я в этом вижу это только то что фен быстрее остынет, станция отключится. А как защита нагревателя эта функция не особо нужна, так как при работе, скажем на низком продуве шим поддерживает менее интенсивный нагрев, и если отключение произойдёт нагрев будет отключён и фен медленно остынет. Другой пример, скажем работаем на высоком продуве, к нагревателю прикладывается большая мощность....и вдруг мы резко выкручиваем скорость в минимум, те же грабли, тэн горячий продув слабый. Ничего вечного нет :)
У меня вот другая проблема, корпус очень мал и некуда впихнуть радиатор BT139 фенной части станции с питанием 220v. Семистор паяльника едва тёплый, потому и прикручен прямо на плату, а как поведёт себя семистор под сетевым напряжением (я даже не знаю какой мощности фен люкея)?


симистор в термоусадку люди засовывали и не чего работало нормально

на счёт реле: нужно реле с нормально замкнутым и розамкнутыми контактам.
включить нормально замкнутый контакт в цепь питания двигателя.
при выключении включаеться реле и размыкает цепочка К1.2 замыкаеться цепочка К1.3

что бы ограничивать напряжение при продуве можно поставить обычный стабилитрон до цепочки К1.3.

Продувать будет на максимальной скорости только тогда когда кнопка в положении Off и фен находиться в нагретом состоянии.


Вложения:
Комментарий к файлу: Моя задумка по поводу продува
2.rar [25.14 KiB]
Скачиваний: 662

_________________
FAQ по паяльной станции "от михи-псков" и доработке Lykey 702/852D+,схемы,платы, прошивки


Последний раз редактировалось Spruts80 Чт фев 18, 2010 22:46:24, всего редактировалось 1 раз.
Вернуться наверх
 
Не в сети
 Заголовок сообщения:
СообщениеДобавлено: Чт фев 18, 2010 19:38:31 
Открыл глаза

Зарегистрирован: Чт дек 03, 2009 14:58:38
Сообщений: 77
Откуда: Молдова
Рейтинг сообщения: 0
Продувать будет на максимальной скорости только тогда когда кнопка в положении Off и фен находиться в нагретом состоянии.[/quote]
Не получится в этом варианте. Обмотка реле запитывается сразу при включении питания Транзистор VT2 открывается а VT3 закрывается только по остыванию до 50г


Последний раз редактировалось r134a Пт фев 19, 2010 02:06:08, всего редактировалось 1 раз.

Вернуться наверх
 
Не в сети
 Заголовок сообщения:
СообщениеДобавлено: Чт фев 18, 2010 20:08:59 
Вымогатель припоя
Аватар пользователя

Карма: 4
Рейтинг сообщений: 102
Зарегистрирован: Чт фев 19, 2009 23:41:27
Сообщений: 615
Откуда: Беларусь, Барановичи
Рейтинг сообщения: 0
r134a писал(а):
Не получится в этом варианте. Обмотка реле запитывается сразу при включении питания Транзистор VT2 открывается а VT3 закрывается только по остыванию до 50г


ну тогда остаёться только доработать цепочку включения самого реле + 14 вольт подать через выключатель в положении Off 14 вольт идёт на обмотку реле, если фен нагрет то транзистор комутирует реле если не нагрет то реле не включенно. Не даром сегодня в руках кнопки П2К крутил, присматривался к ним.

и доработать цепь питания реле

хотя и так и так ваша правда на самопитание реле не поставить ну если только не использовать 2 реле для продува и комутировать 1 реле обмотку 2 реле (но без выключателя с дополнительными кантактной групой не обойтись так как комутировать обмотку 2 реле нужно только в положении Off) а вторым реле уже комутировать продув .

совдеповских реле у меня валом под пайку (маленьких).


Вложения:
Комментарий к файлу: 3 вариант
3.rar [25.54 KiB]
Скачиваний: 596

_________________
FAQ по паяльной станции "от михи-псков" и доработке Lykey 702/852D+,схемы,платы, прошивки


Последний раз редактировалось Spruts80 Чт фев 18, 2010 22:45:21, всего редактировалось 1 раз.
Вернуться наверх
 
Показать сообщения за:  Сортировать по:  Вернуться наверх
Начать новую тему Ответить на тему  [ Сообщений: 10601 ]     ... , , , 93, , , ...  

Часовой пояс: UTC + 3 часа


Кто сейчас на форуме

Сейчас этот форум просматривают: нет зарегистрированных пользователей и гости: 34


Вы не можете начинать темы
Вы не можете отвечать на сообщения
Вы не можете редактировать свои сообщения
Вы не можете удалять свои сообщения
Вы не можете добавлять вложения

Найти:
Перейти:  


Powered by phpBB © 2000, 2002, 2005, 2007 phpBB Group
Русская поддержка phpBB
Extended by Karma MOD © 2007—2012 m157y
Extended by Topic Tags MOD © 2012 m157y