Например TDA7294

Форум РадиоКот • Просмотр темы - Десульфатор и зарядка
Форум РадиоКот
Здесь можно немножко помяукать :)

Текущее время: Сб ноя 15, 2025 21:48:13

Часовой пояс: UTC + 3 часа


ПРЯМО СЕЙЧАС:



Начать новую тему Ответить на тему  [ Сообщений: 98 ]    , 2, , ,  
Автор Сообщение
Не в сети
 Заголовок сообщения: Re: Десульфатор и зарядка
СообщениеДобавлено: Сб сен 24, 2016 04:37:29 
Встал на лапы
Аватар пользователя

Карма: 3
Рейтинг сообщений: 4
Зарегистрирован: Вт янв 01, 2013 10:59:50
Сообщений: 125
Откуда: Сибирские афины
Рейтинг сообщения: 0
ELcat писал(а):
... Ну чем вам не измерительная часть десульфатора? Знать бы зависимость амплитуды всплеска напряжения от остаточной ёмкости - всё остальное не проблема.
Заинтересовала мысль. Нужно измерять внутреннее сопротивление, и тогда, мы сможем оценить емкость.
У меня знакомый получил патент на способ измерения внутреннего сопротивления химических источников тока. Смысл такой: К аккумулятору подключается нагрузочный резистор с определенной частотой и измеряют напряжение на резисторе и аккумуляторе. Из полученных данных определяют комплексное внутреннее сопротивление и его составляющие.


Вернуться наверх
 
Не в сети
 Заголовок сообщения: Re: Десульфатор и зарядка
СообщениеДобавлено: Пн сен 26, 2016 19:34:14 
Открыл глаза
Аватар пользователя

Зарегистрирован: Вс ноя 04, 2007 21:03:06
Сообщений: 66
Рейтинг сообщения: 0
не дает мне спокоя эта схемка :))
хоть и рабочая(стоит аккум на балконе и "чухается" импульсами) но все-таки предварительно откалибровал индикатор(компаратор)
при 20...30 и выше вольт горят желтый и красный почему-то.
так и не понял :facepalm:
до 15 вольт зеленый,15...20 -желтый,20..30 и выше -желтый и красный
но вот я о чем к слову...
LM339 "бытовушка"- микруха судя по всему(да и лень гуглить даташит)
при комнатной температуре желтый светился
вынес на балкон при 10 тепла.засветился зеленый
.отнес обратно в комнату..через небольшео время снова засветился желтый
имейте ввиду-нужно калибровать ,т.к я например буду ставить под капот авто! осень-зима-весна-лето


Вернуться наверх
 
Не в сети
 Заголовок сообщения: Re: Десульфатор и зарядка
СообщениеДобавлено: Чт сен 29, 2016 19:19:50 
Друг Кота
Аватар пользователя

Карма: 46
Рейтинг сообщений: 590
Зарегистрирован: Вт май 19, 2009 09:27:30
Сообщений: 3258
Откуда: Украина
Рейтинг сообщения: 0
s1292oia писал(а):
Смысл такой: К аккумулятору подключается нагрузочный резистор с определенной частотой и измеряют напряжение на резисторе и аккумуляторе. Из полученных данных определяют комплексное внутреннее сопротивление и его составляющие.
С химическими источниками не всё так просто. Их внутреннее сопротивление зависит от множества факторов. Есть так же взаимосвязь между внутренним сопротивлением и ёмкостью батареи. Но и она не прямая, её скорее можно назвать корреляцией.
andreyka73 писал(а):
LM339 "бытовушка"- микруха судя по всему(да и лень гуглить даташит)
Обычный счетверённый компаратор. Схема сравнивает два подаваемых на её входы напряжения. Если на неинвертирующем входе напряжение выше чем на инвертирующем, то на выходе высокий уровень (лог. единица), в противном случае - низкий (лог. ноль). И таких идентичных схем в корпусе 4шт.
andreyka73 писал(а):
при 20...30 и выше вольт горят желтый и красный почему-то.
так и не понял :facepalm:
Рекомендую увеличить С4 до 1мкФ. D2 (BAT85) так же можно зашунтировать эл-литом на 47-100мкФ. Да и не плохо было бы поставить вместо него что-нибудь более термостабильное - тот же TL431 с делителем до 0,4В.


Вернуться наверх
 
Не в сети
 Заголовок сообщения: Re: Десульфатор и зарядка
СообщениеДобавлено: Пн дек 05, 2016 11:09:06 
Открыл глаза
Аватар пользователя

Карма: 2
Рейтинг сообщений: 5
Зарегистрирован: Пн янв 13, 2014 16:01:04
Сообщений: 68
Откуда: Украина Днепр
Рейтинг сообщения: 0
Вообще то один далеко не глупый человек сказал что схема работать не будет... второй дроссель мешает работать повышалке... так что вот...
И как быть дальше хз... я собирал когда то и на 555 и на 4047... на 555 можно доиграться и лишиться полевика, а 4047 за этим следит, а что касательно имитации херовой батареи... последовательно с ней включите резистор на 100 ом +- или лампочку на 3-5 вт и смотрите что будет...
Но я пытался осликом увидеть иглы... толи ослик был хреновый толи что то не так было, но в общем не увидел.
Но на мой взгляд сухие гелиевые АКБ, даже если их смочить при подключении к обычному зарядному ток не берут или слишком малый ток берут, так вот с этой схемой их раздупляло минуты за 2-3 и начинали они ток брать и заряжаться... Без схем, до этого повышал напругу примерно вольт до 30-50 до появления тока в 1-2 ампера, а потом удерживая ток в заданном значении понижал напругу до 14-15В но процесс долгий, мог растянуться на час... так что как то так...


Вернуться наверх
 
Эиком - электронные компоненты и радиодетали
Не в сети
 Заголовок сообщения: Re: Десульфатор и зарядка
СообщениеДобавлено: Пн фев 20, 2017 09:24:21 
Первый раз сказал Мяу!

Зарегистрирован: Ср дек 04, 2013 18:31:34
Сообщений: 38
Рейтинг сообщения: 0
Тоже собрал десульфатор, с индикацией. И даже заработал. :)
Иголки на аккумуляторе есть, но очень тонкие и даже изменение яркости не позволяет их четко увидеть.
вышел из положения, подключив осциллограф на кондер С4. По пику пилы, можно определить примерный пик иглы.
Играясь с прибором imax B6 mini, заметил, что зависимости индикации от внутреннего сопротивления аккумулятора - никакой.
Один аккумулятор, десульфатором на кондере в 10 мкФ, убил сопротивление до бесконечности, а этот десульфатор показал вообще идеальный аккумулятор, даже зеленый не светился. Пики были всего 0.2 В. Так что играться и играться. Но что то не один десульфатор, не дает восстановить емкость хотябы на чуть чуть. :( Ну, буду играться дальше. Поставил аккумулятор на разряд десульфатором. Потом сравним что будет.
ЗЫ. Аккумулятор от бесперебойника 12В 7Ач. Сейчас показывает емкость около 800 мАч.


Вернуться наверх
 
Не в сети
 Заголовок сообщения: Re: Десульфатор и зарядка
СообщениеДобавлено: Пн фев 20, 2017 20:14:24 
Поставщик валерьянки для Кота
Аватар пользователя

Карма: 40
Рейтинг сообщений: 495
Зарегистрирован: Ср июл 15, 2015 19:03:17
Сообщений: 1910
Откуда: Могилев
Рейтинг сообщения: 0
самый лучший десульфататор-зарядка с которым я сталкивался - это две лампочки,включенные последовательно...одна-100Вт,вторая-15Вт....в параллель 15Вт-диод(1А/600в) катодом-на "+"......вся гирлянда-в плюс(направление диода-прямое) АКК...вход(лампочки на 100Вт)-фаза.....минус АКК-на ноль розетки...оставляем на неделю(предварительно АКК небольшим током(оставляем магнитолку включенной в авто на минимальной громкости в режиме-радио)-разряжается до напряжения 11,5-11,8в)-АКК как новый....шуршит-просто песня.....единственный недостаток-это расход электричества (порядка 15-18 кВт)....за то зимой-теплее :)

Показал знакомому,покрутил пальцем у виска,сказал что я-дэбил.....заставил его протестить свой убитый АКК ,который в -8 не крутил уже стартер....полторы недели "маслал" этой приблудой(общага,свет-"бесплатный")....закинул в авто(еще теплый)-с первого тыка завелась,постоял ночь и в -10 с двух "тычков" крутанул.....огорчился что сдал два таких-же АКК на пункт приема цветного лома за гроши :facepalm:

_________________
Ом намо Бха га ва-тэ,Васу дэва -йа.


Вернуться наверх
 
Не в сети
 Заголовок сообщения: Re: Десульфатор и зарядка
СообщениеДобавлено: Пн фев 20, 2017 21:05:39 
Первый раз сказал Мяу!

Зарегистрирован: Ср дек 04, 2013 18:31:34
Сообщений: 38
Рейтинг сообщения: 0
Serj66610 писал(а):
самый лучший десульфататор-зарядка с которым я сталкивался - это две лампочки,включенные последовательно...одна-100Вт,вторая-15Вт....в параллель 15Вт-диод(1А/600в) катодом-на "+"......

Я так понимаю, схема работает по принципу этой.
Изображение
Я тут вместо тиристора со стабилитроном, поставил динистор. Вот какраз ей, я убил внутреннее сопротивление аккумулятора.
Гдето читал, что кондер, не позволяет сделать нужный-короткий импульс, как катушка. И менее подходит для десульфации.


Вложения:
зарядка.JPG [41.18 KiB]
Скачиваний: 24051
Вернуться наверх
 
Не в сети
 Заголовок сообщения: Re: Десульфатор и зарядка
СообщениеДобавлено: Пн фев 20, 2017 22:01:42 
Поставщик валерьянки для Кота
Аватар пользователя

Карма: 40
Рейтинг сообщений: 495
Зарегистрирован: Ср июл 15, 2015 19:03:17
Сообщений: 1910
Откуда: Могилев
Рейтинг сообщения: 0
нет,там-асимметричная зарядка+восстановление.
у вас-просто ВВ ударные импульсы......подобная зарядка-лежит дома...кондеры набирал из пленки-12 шт по 1мкФ*250в....напряжение заряда-160в.....импульсы на АКК-около 60В....при проводаж сечением порядка 10мм*2....около 80 в импульса(смотрел по ослику)-"виснет на двух проводах по 30см длиной.

так-что...импульсные схемы требуют проводов ооочень приличного сечения и малой длины :wink:

_________________
Ом намо Бха га ва-тэ,Васу дэва -йа.


Вернуться наверх
 
Не в сети
 Заголовок сообщения: Re: Десульфатор и зарядка
СообщениеДобавлено: Пт мар 03, 2017 01:24:40 
Открыл глаза
Аватар пользователя

Карма: 2
Рейтинг сообщений: 5
Зарегистрирован: Пн янв 13, 2014 16:01:04
Сообщений: 68
Откуда: Украина Днепр
Рейтинг сообщения: 0
сержик66610... ты бы нарисовал схемку то в паинте, а то как то не очень понятно что последовательно, а что параллельно...


Вернуться наверх
 
Не в сети
 Заголовок сообщения: Re: Десульфатор и зарядка
СообщениеДобавлено: Пт мар 03, 2017 18:20:37 
Поставщик валерьянки для Кота
Аватар пользователя

Карма: 40
Рейтинг сообщений: 495
Зарегистрирован: Ср июл 15, 2015 19:03:17
Сообщений: 1910
Откуда: Могилев
Рейтинг сообщения: 0
та хоспади...там три элемента всего да сетевая вилка с 1,5м провода....если на постоянку(много АКК восстанавливать)-то еще пара "крокодилов"....думаю,не стоит объяснять...контакт с клеммами АКК-очень важен...при обрыве/отвале "минуса" на АКК оказывается фаза....думаю,чем это чревато при "цапании" руками-объяснять вам не стоит. :roll:
при надежном контакте и исправном АКК...а так-же сборке именно как нарисовано - безопасность полная...мультиметром можно контролировать напряжение на клеммах-не отключая АКК от сети.


Вложения:
zar.JPG [34.03 KiB]
Скачиваний: 2648

_________________
Ом намо Бха га ва-тэ,Васу дэва -йа.
Вернуться наверх
 
Не в сети
 Заголовок сообщения: Re: Десульфатор и зарядка
СообщениеДобавлено: Сб мар 18, 2017 14:25:14 
Первый раз сказал Мяу!

Зарегистрирован: Вт июн 10, 2014 18:21:28
Сообщений: 32
Рейтинг сообщения: 0
Собрал такую вот схему

Изображение

файл для свечки прилагаю
Вложение:
desulfator_555_impulse_TR.rar [1.02 KiB]
Скачиваний: 1238


Трансформатор намотан на феррите от строчника как на кольце, первичка 24 витка 2.5мм2, вторичка 2 витка 6мм2, по кернами родные зазоры гдето по 0.1мм. Ключевой транзистор STP5NK80Z. Проблема в том что не получается накачать обмотку первички выше 50 вольт как не увеличивай R2 (время накачки), хотя по симулятору до 500В легко, вот в чем проблема? Я уже и Low ESR конденсатор на 100мкф кинул в точку L2-R4 и исток ключа, не помогло...

Забыл написать о назначении схемы :( - назначение долбить АКБ очень короткими импульсами в 100А и больше для десульфатации.


Вернуться наверх
 
Не в сети
 Заголовок сообщения: Re: Десульфатор и зарядка
СообщениеДобавлено: Пн мар 20, 2017 14:27:47 
Встал на лапы
Аватар пользователя

Карма: 3
Рейтинг сообщений: 4
Зарегистрирован: Вт янв 01, 2013 10:59:50
Сообщений: 125
Откуда: Сибирские афины
Рейтинг сообщения: 0
Надо увеличить количество витков вторичной обмотки


Вернуться наверх
 
Не в сети
 Заголовок сообщения: Re: Десульфатор и зарядка
СообщениеДобавлено: Чт мар 30, 2017 12:59:55 
Родился

Зарегистрирован: Чт мар 30, 2017 12:37:30
Сообщений: 15
Рейтинг сообщения: 0
Добрый день, помогите пожалуйста! Сразу скажу, что я абсолютный новичок, в радиоэлектронике знаю всё поверхностно, не кидайте сильно шапками)
Решил спаять десульфатор по схеме, которую прикрепил, купил все детали, которых не нашел, заменил аналогами, один дроссель (1 мГн) выдер с видеокарты, второй (220 мкГн) решил намотать сам методом цитирую "Один дроссель от транзистора должен иметь около 15-20 витков провода 0.8-0.6 мм, второй в два раза больше провод такой же толщины. То есть на втором 30-40 витков провода 0.8-0.6 мм. мотается на самых маленьких ферритовых кольцах"

Греется очень сильно транзистор и диод D2 (за пару минут прикоснуться нельзя), горит предохранитель, впаял проволоку по толще вместо него, временно. Игрался с намоткой дросселя (увеличивал, уменьшал количество витков) 220 мкГн (измерить, увы, нечем), особых результатов не добился.
Подскажите пожалуйста, что и где я делаю не так? схему перезванивал и проверял, всё спаял верно, писк при подключении к батарее слышен

Использовал такие детали:

-Резисторы: почти все 1 Ватт и правильных номиналов кроме R1 - 560 кОм 2 Вт (должен быть 580кОм) последовательно подпаивал к нему на 33 кОм, ситуация не менялась
-Таймер NE555 вместо LM555 (мне сказали, что отличй нету)
-Транзистор IRF630 (Аналог 2SK2134) (фото прикреплил)
-Диод вместо FMLG12 использовал fr607 (Быстрый 6А)
-Конденсаторы: Тех же номиналов что в схеме, Электролиты по 25 вольт, плёночные по 100 вольт


Вложения:
Комментарий к файлу: Дроссели
Resize of IMG_20170327_162111.jpg [30.11 KiB]
Скачиваний: 1936
Комментарий к файлу: Транзистор
Resize of IMG_20170327_162517.jpg [23.5 KiB]
Скачиваний: 1265
Комментарий к файлу: Схема
desulfataciya-akkumulyatora.jpg [34.27 KiB]
Скачиваний: 2368
Вернуться наверх
 
Не в сети
 Заголовок сообщения: Re: Десульфатор и зарядка
СообщениеДобавлено: Пт мар 31, 2017 16:25:33 
Встал на лапы
Аватар пользователя

Карма: 3
Рейтинг сообщений: 4
Зарегистрирован: Вт янв 01, 2013 10:59:50
Сообщений: 125
Откуда: Сибирские афины
Рейтинг сообщения: 0
В схеме не нужны резисторы мощностью 1 Вт и пленочные конденсаторы на 100 В. Сильный нагрев транзистора и диода и выгорание предохранителя связано с протеканием большого тока через них. Когда транзистор открыт, он фактически коротит аккумулятор через себя и индуктивность L1. Причин может быть две: или транзистор не закрывается в нужный момент, или он слишком долго открыт. Сначала поставьте резистор 10 кОм между затвором и истоком транзистора. Если не поможет, необходимо изменить работу генератора, поменяв номиналы R1, R2, C1.


Вернуться наверх
 
Не в сети
 Заголовок сообщения: Re: Десульфатор и зарядка
СообщениеДобавлено: Пт мар 31, 2017 16:45:39 
Родился

Зарегистрирован: Чт мар 30, 2017 12:37:30
Сообщений: 15
Рейтинг сообщения: 0
Понял, Спасибо! буду исправлять. По той схеме на ютубе говорили, что резисторы выгорают, вот я и психанул 1ваттных наставил, а плёночные конденсаторы были только 100вольт в магазине


Вернуться наверх
 
Не в сети
 Заголовок сообщения: Re: Десульфатор и зарядка
СообщениеДобавлено: Пт мар 31, 2017 18:25:42 
Встал на лапы
Аватар пользователя

Карма: 3
Рейтинг сообщений: 4
Зарегистрирован: Вт янв 01, 2013 10:59:50
Сообщений: 125
Откуда: Сибирские афины
Рейтинг сообщения: 0
Ютуб - не лучшее место для поиска схем. Ради известности авторы часто несут ахинею. В схеме достаточно использовать резисторы мощностью 0,125 Вт или ниже. А конденсатор поставить обычный керамический, т.к. его емкость очень мала. Пленочные конденсаторы имеют высокую стабильность емкости в зависимости от приложенного напряжения, поэтому обычно используют во входных цепях измерительных приборов и в аудиоаппаратуре.


Вернуться наверх
 
Не в сети
 Заголовок сообщения: Re: Десульфатор и зарядка
СообщениеДобавлено: Пт мар 31, 2017 19:44:25 
Первый раз сказал Мяу!

Зарегистрирован: Ср дек 04, 2013 18:31:34
Сообщений: 38
Рейтинг сообщения: 0
Ребят, у кого то есть какие то результаты по использованию десульфатора? Я уже понял что убитый аккумулятор не оживить. Ну да ладно. Говорили что застоявшийся можно восстановить. У меня есть такой. Купленный в 2008 году. По большей части стоял заряженный, иногда использовался для экспериментов. За все время, заряжался 4-5 раз. Был собран десульфатор с индикацией. Аккумулятор при полном заряде имеет внутреннее сопротивление 36мОм, в разряженном - около 146 мОм. До десульфатации имел емкость 12Ач, при заявленной 14 Ач. Стоял почти неделю на десульфатации прибором. Был разряжен до 10.8В. Заряд-разряд - те же 12Ач. Те никакой разницы.


Вернуться наверх
 
Не в сети
 Заголовок сообщения: Re: Десульфатор и зарядка
СообщениеДобавлено: Сб апр 01, 2017 06:29:33 
Встал на лапы
Аватар пользователя

Карма: 3
Рейтинг сообщений: 4
Зарегистрирован: Вт янв 01, 2013 10:59:50
Сообщений: 125
Откуда: Сибирские афины
Рейтинг сообщения: 0
Предположу что речь идет о необслуживаемом свинцово-кислотном аккумуляторе от ИБП. А заряд, разряд и измерение внутреннего сопротивления проводилось с помощью ЗУ imax b6 или ему подобного. Эти ЗУ являются обывательскими и не учитывают такие параметры как температура окружающей среды, ток разряда. В паспорте на аккумулятор производитель указывает при какой температуре, при каком токе разряда какую емкость отдаст аккумулятор.
В вашем случае емкость составляет 86% от номинала - это неплохой аккумулятор. Внутреннее сопротивление на мой взгляд - очень маленькое, десульфатация не требуется.
Необходимость десульфатации определить несложно - достаточно подключить десульфататор к аккумулятору и измерить всплески амплитуды во время его работы. Если амплитуда близка к напряжению на аккумуляторе - десульфатация неэффективна, а если в два раза больше и выше - есть шанс.


Вернуться наверх
 
Не в сети
 Заголовок сообщения: Re: Десульфатор и зарядка
СообщениеДобавлено: Пн апр 03, 2017 17:54:56 
Первый раз сказал Мяу!

Зарегистрирован: Вт июн 10, 2014 18:21:28
Сообщений: 32
Рейтинг сообщения: 0
s1292oia писал(а):
Необходимость десульфатации определить несложно - достаточно подключить десульфататор к аккумулятору и измерить всплески амплитуды во время его работы. Если амплитуда близка к напряжению на аккумуляторе - десульфатация неэффективна, а если в два раза больше и выше - есть шанс.


Есть мнение, что Вы абсолютно правы!

Opaklikus писал(а):
Греется очень сильно транзистор и диод D2 (за пару минут прикоснуться нельзя), горит предохранитель, впаял проволоку по толще вместо него, временно. Игрался с намоткой дросселя (увеличивал, уменьшал количество витков) 220 мкГн (измерить, увы, нечем), особых результатов не добился.
Подскажите пожалуйста, что и где я делаю не так? схему перезванивал и проверял, всё спаял верно, писк при подключении к батарее слышен

У Вас дросселя входят в насыщение, в результате по сути при открытии транзистора КЗ. Резистор который на 33кОм поставьте подстроечный, читайте что я далее накатал...

Сам мучал автомобильный АКБ пищалкой с самопитанием по схеме аналогичной схемам
http://www.russianelectronics.ru/files/47280/Image1.gif
download/file.php?mode=view&id=175365
download/file.php?id=281450
Дроссельки использовал покупные у китайцев на гантельках и на кольцах (как самомотанные так и покупные).На феритовых кольцах если и мотать то надо обязательно или пилить зазор или ломать и клеить, иначе входит в насыщение и греется транзистор и сами дросселя. Лучший результат был с дросселями на гантельках. Транзистор надо использовать с наименьшим сопротивлением сток-исток. Максимальныйе импульсы которые мне удавалось получить 1В (на автомобильном АКБ) и ток ампер 10, но не на долго, все равно дросселя грелись до отпаивания. В обвязке 555 таймера резистор который задает заполнение импульса ставить подстроечный, и им ловить момент когда начинает нагреваться дроссель и резко возрастает ток потребления всех приблуды.
Месяц использования этой схемы на автомобильной кальциевой АКБ ничего не дал, умощнять схему не вижу смысла, там дросселя надо мотать очень мощные чтоб толк был, а будет он для автомобильного АКБ на токах в 100 а может и больше ампер. Начинал ваять вот эту схему http://www.eurosamodelki.ru/uploads/ima ... 5e35166138, но там трансформатор мотать надо, намотал - не получилось как надо, очень качественно мотать надо, а у меня с этим траблы. Буду ваять вот эту схему как тиристор найду download/file.php?id=277614 (ВНИМАНИЕ, нет галяванической развязки с сетью, включенную в сеть руками ничего не трогать)


Вернуться наверх
 
Не в сети
 Заголовок сообщения: Re: Десульфатор и зарядка
СообщениеДобавлено: Чт апр 06, 2017 12:09:33 
Первый раз сказал Мяу!

Зарегистрирован: Вт июн 10, 2014 18:21:28
Сообщений: 32
Рейтинг сообщения: 0
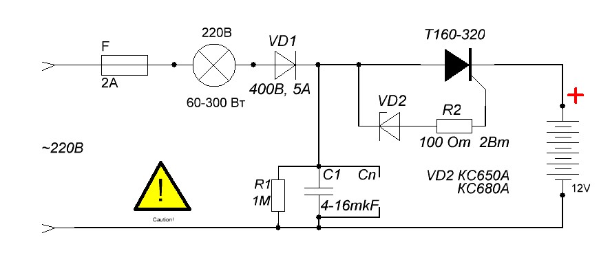
Во сварганил по этой схеме долбилку
Изображение
мое творение
Изображение
Импульсы на автомобильном АКБ гдето +7В, не то что 0.3-1В на схемке с двумя дросселями, ток ХЗ какой. Единственное что смущает потребление от сети всей приблуды 40Вт, которые в основном тратятся на свечение и нагрев лампы.
Резистор в цепи управляющего вывода тиристора 330Ом вместо 100Ом, вместо стабилитрона КС650-680А (150-180В) два супрессора последовательно на 100в и 22в (чем больше напряжение ствбилитронов или супрессоров, тем больше ток и напряжение импульсов на АКБ), емкость батареи конденсаторов 10мкф (чем на большее колличество конденсаторов будет разбита емкость тем лучше, иначе конденсаторы не выдержат таких больших токов и погорят, для пленочных конденсаторов емкость одного максимум 1мкф!, минимальное рабочее напряжение их должно быть 400В)

В общем понаблюдаем за результатами работы этой приблуды.


Вернуться наверх
 
Показать сообщения за:  Сортировать по:  Вернуться наверх
Начать новую тему Ответить на тему  [ Сообщений: 98 ]    , 2, , ,  

Часовой пояс: UTC + 3 часа


Кто сейчас на форуме

Сейчас этот форум просматривают: Armageddon, eddie, Google [Bot] и гости: 79


Вы не можете начинать темы
Вы не можете отвечать на сообщения
Вы не можете редактировать свои сообщения
Вы не можете удалять свои сообщения
Вы не можете добавлять вложения

Найти:
Перейти:  


Powered by phpBB © 2000, 2002, 2005, 2007 phpBB Group
Русская поддержка phpBB
Extended by Karma MOD © 2007—2012 m157y
Extended by Topic Tags MOD © 2012 m157y