Например TDA7294

Форум РадиоКот • Просмотр темы - Какая распиновка у этого 7-сегментного индикатора?
Форум РадиоКот
Здесь можно немножко помяукать :)

Текущее время: Чт янв 01, 2026 05:22:05

Часовой пояс: UTC + 3 часа


ПРЯМО СЕЙЧАС:



Начать новую тему Ответить на тему  [ Сообщений: 11 ] 
Автор Сообщение
Не в сети
 Заголовок сообщения: Какая распиновка у этого 7-сегментного индикатора?
СообщениеДобавлено: Ср июл 13, 2016 08:23:04 
Встал на лапы

Карма: 1
Рейтинг сообщений: 2
Зарегистрирован: Вс окт 20, 2013 05:40:40
Сообщений: 114
Рейтинг сообщения: 0
Всем привет!
Дошел с AliExpress 2-символьный 7-сегментный индикатор. Понятно, что никаких даташитов нет :))

Пытаюсь напрямую "прозвонить" и подсветить сегменты цифр, чтобы без драйвера, получается высветить только 2-3 сегмента.

Вот на фото ниже - на 3 ПИНе минус, на 6 ПИНе плюс. Напряжение 3,3 Вольта, через AMS1117-3.3 с аккумулятора 18650.

Изображение

На корпусе есть только маркировка: sh5261as, по ней находит испанское описание похожего экрана, но там распиновки тоже нет.

Подскажите, можно ли напрямую "включать" любой сегмент через Ардуино? Или без драйвера и бинарных чисел, вида: 0b00000001 никак?

Как понять, какая там распиновка?

Там просто всего 10 выходов, хотелось бы подключить напрямую все 10 на ПИНы Ардуино и не городить огород с дополнительной микросхемой драйвера.

Спасибо!


Вернуться наверх
 
Не в сети
 Заголовок сообщения: Re: Какая распиновка у этого 7-сегментного индикатора?
СообщениеДобавлено: Ср июл 13, 2016 08:37:07 
Собутыльник Кота
Аватар пользователя

Карма: 28
Рейтинг сообщений: 757
Зарегистрирован: Сб ноя 13, 2010 12:53:25
Сообщений: 2896
Откуда: приходит весна?
Рейтинг сообщения: 6
Общий анод или общий катод. 8 + 2 = 10


Вернуться наверх
 
Не в сети
 Заголовок сообщения: Re: Какая распиновка у этого 7-сегментного индикатора?
СообщениеДобавлено: Ср июл 13, 2016 09:09:59 
Друг Кота
Аватар пользователя

Карма: 233
Рейтинг сообщений: 11338
Зарегистрирован: Чт авг 30, 2012 20:24:40
Сообщений: 37346
Откуда: Нижний Новгород
Рейтинг сообщения: 1
Victor_CCCP писал(а):
Напряжение 3,3 Вольта, через AMS1117-3.3 с аккумулятора 18650.
А резистор где?
Наверняка уже спалилась половина сегментов. :facepalm:

=======

Принцип примерно такой:

Изображение


Вернуться наверх
 
Не в сети
 Заголовок сообщения: Re: Какая распиновка у этого 7-сегментного индикатора?
СообщениеДобавлено: Ср июл 13, 2016 10:30:12 
Друг Кота
Аватар пользователя

Карма: 182
Рейтинг сообщений: 8329
Зарегистрирован: Пт фев 04, 2011 17:57:51
Сообщений: 20037
Откуда: Рыбинск
Рейтинг сообщения: 6
Медали: 1
Лучший человек Форума 2017 (1)
Victor_CCCP писал(а):
sh5261as, по ней находит испанское
Искать нужно по цифрам и первой букве после цифр, первые буквы - код производителя, могут быть какие угодно, KEM, SM, KYX, D -первые, которые вспомнились. Платы индикаторов достаточно стандартизированы и практически у всех производителей с одинаковыми номерами имеют одинаковую цоколевку.
Victor_CCCP писал(а):
Вот на фото ниже ... через AMS1117-3.3 с аккумулятора 18650.

Проверять нужно не "через стабилизатор", а через резистор 500-1000 Ом, вполне возможно, что индикатор уже убили неограниченным током... учитывая падение для красных диодов порядка 1,9В :tea:


Вернуться наверх
 
Эиком - электронные компоненты и радиодетали
Не в сети
 Заголовок сообщения: Re: Какая распиновка у этого 7-сегментного индикатора?
СообщениеДобавлено: Ср июл 13, 2016 11:54:16 
Вымогатель припоя

Карма: 22
Рейтинг сообщений: 114
Зарегистрирован: Пн июн 14, 2010 13:07:29
Сообщений: 630
Откуда: Жуковский
Рейтинг сообщения: 1
Андрей Бедов писал(а):

Принцип примерно такой:

Изображение


Ну так, эта схема и есть. На фото плюс подключен к 5-му пину, а минус к 8-му.
И горит, соответственно сегмент G.
И да, про резистор не забываем.


Вернуться наверх
 
В сети
 Заголовок сообщения: Re: Какая распиновка у этого 7-сегментного индикатора?
СообщениеДобавлено: Ср июл 13, 2016 13:34:41 
Друг Кота
Аватар пользователя

Карма: 197
Рейтинг сообщений: 8600
Зарегистрирован: Пн ноя 30, 2009 03:00:01
Сообщений: 43176
Откуда: Нерезиновая
Рейтинг сообщения: 6
Victor_CCCP писал(а):
Вот на фото ниже - на 3 ПИНе минус, на 6 ПИНе плюс.
СпойлерИзображение

На корпусе есть только маркировка: sh5261as, по ней находит испанское описание похожего экрана, но там распиновки тоже нет.

Ну, во- первых, не 3-ий минус, а 6-ой плюс, , а ПЯТЫЙ ПЛЮС, ВОСЬМОЙ- МИНУС..
Выводы у микросхем и индикаторов считаются по часовой стрелке при взгляде СНИЗУ..
А "распиновка" - это разве не это?
Вложение:
SH5261AS.JPG [51.61 KiB]
Скачиваний: 1984
первый вывод на вашем фото - это самый левый вывод снизу.
И ещё- а что по вашему мнению означает "без драйвера"?
Вот как подключают индикатор к микроконтроллеру:
СпойлерИзображение

В вашем случае выставляете на выводах одного порта (к которому подключены выводы 1,2,3,4,5,6,9,10 индикатора)нужную комбинацию "единичек" , а потом один из выходов другого порта, к которому подключены выводы 7 или 8 вашего индикатора выставляете в "ноль"..
Как правило, 5 мА и даже меньше- для современных индикаторов достаточно, чтобы нормально светиться..


Последний раз редактировалось АлександрЛ Ср июл 13, 2016 15:40:32, всего редактировалось 1 раз.

Вернуться наверх
 
Не в сети
 Заголовок сообщения: Re: Какая распиновка у этого 7-сегментного индикатора?
СообщениеДобавлено: Ср июл 13, 2016 15:05:31 
Встал на лапы

Карма: 1
Рейтинг сообщений: 2
Зарегистрирован: Вс окт 20, 2013 05:40:40
Сообщений: 114
Рейтинг сообщения: 0
Большое спасибо всем за ответы!

Понял, как работать, пронумеровал, может кому тоже пригодится:

Изображение

На 7 и 8 ПИНы подключаю GND через резистор 220 Ом, а к другим ПИНам подключаю питание - светятся нужные сегменты цифр.

Первый индикатор я действительно испортил, т.к. забыл про резистор, на втором уже вся "земля" с резистором.


Вернуться наверх
 
В сети
 Заголовок сообщения: Re: Какая распиновка у этого 7-сегментного индикатора?
СообщениеДобавлено: Ср июл 13, 2016 15:39:49 
Друг Кота
Аватар пользователя

Карма: 197
Рейтинг сообщений: 8600
Зарегистрирован: Пн ноя 30, 2009 03:00:01
Сообщений: 43176
Откуда: Нерезиновая
Рейтинг сообщения: 6
Victor_CCCP писал(а):
На 7 и 8 ПИНы подключаю GND через резистор 220 Ом, а к другим ПИНам подключаю питание - светятся нужные сегменты цифр. .
Чисто китайское решение- сэкономить 6 резисторов..
В результате получаете разную яркость при разном количестве светящихся сегментов.
Резисторы НУЖНО ставить в цепи сегментов- все выводы, кроме 7 и 8. 220 Ом- "маловато будет", имхо- лучше 360 или 470~680 Ом.. У меня трёхразрядный индикатор напрямую от Меги8 работает, через 360 Ом светил ярко, поменял на
560 Ом.. Заодно уменьшился потребляемый индикатором ток..

Кстати, если вы не хотите излишне нагружать порты микроконтроллера, которые коммутируют выводы 7 и 8 на "землю", то их можно подключить к "земле" через транзисторные ключи, или через ту же ULN2003...
- например, как сделано вот тут:
Изображение


Вернуться наверх
 
Не в сети
 Заголовок сообщения: Re: Какая распиновка у этого 7-сегментного индикатора?
СообщениеДобавлено: Ср июл 13, 2016 16:17:31 
Встал на лапы

Карма: 1
Рейтинг сообщений: 2
Зарегистрирован: Вс окт 20, 2013 05:40:40
Сообщений: 114
Рейтинг сообщения: 0
Александр, большое спасибо за хороший совет!
Действительно, яркость явно меняется. Поставлю резисторы 330 ом (3,3В/0,01А) на ПИНы сегментов.
:beer:


Вернуться наверх
 
Не в сети
 Заголовок сообщения: Re: Какая распиновка у этого 7-сегментного индикатора?
СообщениеДобавлено: Вс ноя 14, 2021 08:53:35 
Первый раз сказал Мяу!

Карма: -5
Рейтинг сообщений: 4
Зарегистрирован: Вт фев 01, 2011 09:02:53
Сообщений: 29
Откуда: LO88DA, PM-05, Пермь Великая
Рейтинг сообщения: 0
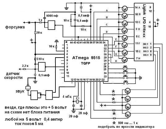
Про светодиодный индикатор с красными светодиодами всё здорово написали. Вынужден заменить 4-х цифровой зелёный индикатор в "маршрутном" компьютере. Ближайщий подошедший LDS-3492BK-B.
В оригинале, несмотря на интересную программу и потребительские удобства. Схемотехника не очень, гады не предусмотрели резисторы ограничения тока через светодиоды. И светодиоды начинают выгорать, подкорачивая питания процессора. Даташит нигде найти не могу. Подскажите примерные характеристики для жёлто-зелёных светодиодов в матрице. Упрощенная схема от автора.
На постоянном токе 10 ма на сегменте 2,0 В, 20 ма - 2,25 В, 30 ма 2,42 В. А вот динамически сколько можно...Скважность пока замерить не получается.


Вложения:
Схема МультиСэт.jpg [47.88 KiB]
Скачиваний: 357

_________________
R9FAO, LO88DA, PM-06
Вернуться наверх
 
Не в сети
 Заголовок сообщения: Re: Какая распиновка у этого 7-сегментного индикатора?
СообщениеДобавлено: Вс ноя 14, 2021 09:35:04 
Друг Кота
Аватар пользователя

Карма: 116
Рейтинг сообщений: 4511
Зарегистрирован: Пт мар 30, 2012 05:17:29
Сообщений: 16104
Откуда: Екатеринбург
Рейтинг сообщения: 0
Чего там замерять? Наверняка скважность равна 4 - по количеству цифр, или общих анодов.
Резисторы в катоды (восемь штук) поставьте обязательно. Я бы взял номинал 47 Ом. Это примерно 40 мА, или 10 мА среднего тока.

_________________
И хрюкотали зелюки,
Как мюмзики в мове.


Вернуться наверх
 
Показать сообщения за:  Сортировать по:  Вернуться наверх
Начать новую тему Ответить на тему  [ Сообщений: 11 ] 

Часовой пояс: UTC + 3 часа


Кто сейчас на форуме

Сейчас этот форум просматривают: АлександрЛ и гости: 24


Вы не можете начинать темы
Вы не можете отвечать на сообщения
Вы не можете редактировать свои сообщения
Вы не можете удалять свои сообщения
Вы не можете добавлять вложения

Найти:
Перейти:  


Powered by phpBB © 2000, 2002, 2005, 2007 phpBB Group
Русская поддержка phpBB
Extended by Karma MOD © 2007—2012 m157y
Extended by Topic Tags MOD © 2012 m157y