Например TDA7294

Форум РадиоКот • Просмотр темы - Часы на газоразрядных индикаторах
Форум РадиоКот
Здесь можно немножко помяукать :)

Текущее время: Вт ноя 25, 2025 18:00:00

Часовой пояс: UTC + 3 часа


ПРЯМО СЕЙЧАС:



Начать новую тему Ответить на тему  [ Сообщений: 48924 ]  1, , , , ...  
Автор Сообщение
Не в сети
 Заголовок сообщения: Часы на газоразрядных индикаторах
СообщениеДобавлено: Вс дек 17, 2006 00:45:27 
Встал на лапы

Карма: 1
Рейтинг сообщений: 17
Зарегистрирован: Вс дек 17, 2006 00:23:16
Сообщений: 83
Откуда: Москва
Рейтинг сообщения: 16
А нет ли у кого схемы часов на газоразрядных индикаторах? С удивлением обнаружил что легко купить индикаторы типа ИН. Их же с производства сняли лет двадцать назад, а до сих пор продаются. Очень хочется сделать ретро-часы, а схем в интернете не нашел. Сам не разработаю :)


Поскольку тема стала весьма популярной, решено было в первом ее посте сосредоточить ссылки на относящиеся к ней материалы.
Эту непростую работу выполнил AI_Disable, за что ему отдельное спасибо.
Aheir


Архив с описаниями и схемами некоторых конструкций
Архив с фотографиями некоторых конструкций

Альтернативные ссылки, если у кого-то не скачивается:
http://rghost.ru/2097357
http://rghost.ru/2097375


А следующую гигантскую работу проделал SLvik
Aheir


Готовые конструкции участников:
Mikl - часики на 4х ИН-12
Aheir собрал часики на ИН-12
Aheir упаковал в корпус свои часики на ИН-12
Pahan сделал часики в корпусе на ИН-14
SLvik в первый раз объявился на форуме со своими часами на ИН-14
SLvik выложил часики на ИВ-17 и часики на ИН-12 и ИН-17 под DVD-ROM
SLvik сделал часики на ИН-2 под флопик
SLvik выложил свой БП на ИН-12
SLvik сфотал свой БП на ИН-12
RASH сделал часики на ИН-8-2
poff сделал часики с голубой подсветкой на ИН-14
SLvik сделал часики на 7шт ИН-18
SLvik сделал часы на тиратронных индикаторах ИТС-1А
SLvik сделал часы на тиратронных индикаторах с отображением текста ИГВ1-8х5Л
SLvik склепал огромные часики на ИЛЦ1-1/7
serco сделал чсики с синей подсветкой на ИН-8-2
DYK - часики с синей подсветкой на одной ZM1080
Бегущая строка SLvik на ИТЭЛ2
SLvik выложил панель ИГПС1-111/7
Чебадонов сделал свои первые часики на ИН-18
Чебадонов сделал деревянные часики на ИН-1
SLvik соорудил часики на ИН-4
SLvik - часики на многоразрядном ИГП-17
SLvik сделал двухъярусные часики с календарём на ИН-14 и ИН-16
SLvik сделал часики на накальном ИВ-20
SLvik сделал часики на ИН-14 с меняющейся светодиодной подсветкой
SLvik сделал шкалу ИН-33
Snowlion сделал часики на ИН-12
SLvik запустил панель ИГВ70-16/5х7
SLvik завёл панель МС6205
SLvik сделал мега часы на ИН-28
sergtm завёл свои часики на ИН-14
SLvik запустил панель ИГПС1-222/7
SLvik запустил шкалу ИН-36
Чебадонов сделал часики на ИН-14
SLvik запустил шкалу ИН-34-1
Nixie спаял часики на ИН-14
cujozz рекламирует свои часики на ИН-8-2
Древолович спаял одноламповые маленькие часики на ИН-12
Nixie сделал часики на ИН-14 в оригинальном корпусе
RASH выложил своё творение на ИН-18 в корпусе
SiemX сделал часики на ИН-14
SLvik соорудил термометр на ИН-12
Древолович сделал маленькие часики на ИВЛ2-7/5
asad50 - часики на ИН-12
Чебадонов - часики в корпусе на ИН-18
SLvik - мегачасы на ИН-6
SLvik - мегачасы на ИН-6 доделаны
AI_Disable сделал одноламповые часики на ИН-2
SLvik запустил панельку ГИПС16-1
Nixie выложил свои часики на ИН-12 в оригинальном корпусе
AI_Disable доделал свои мини часики на ИН-2
stalker_radiokot - часики на ИН-12
Num Lock сваял часики на ИН-12
Чебадонов выложил очередные часики на ИН-14 как всегда в деревянном корпусе.
Ещё один корпус Чебадонова и часики на ИН-18
SLvik запустил редкую ИН-20
SLvik сделал термометр на ИН-13
maks19 - часики на ИН-14
tereha сделал часики с синей подсветкой на ИН-14
кт3102 сделал часики от видика ВМ12
SLvik сделал часики на ИГП-17 с толстыми сегментами
sharksoft - часики на ИН-14 с синей подсветкой
Geser сделал часики на ИН-2
mikhail.486 закончил часики на ИН-16
Geser спаялил часики на ИН-16
mikhail.486 сделал часики в корпусе на ИН-16
Zang - часики на ИН-12
budka - часики в корпусе на 4х ИН-12
tereha - часики в деревянном корпусе на ИН-14
Microtech сделал часики на 4х ИН-14
Geser - настольные часики на ИН-16 в деревянном корпусе
SLvik соорудил полностью аналоговые часики на декатронах А-101 и ИН-18
Microtech забабахал часики на ИН-14 в коробке от дисков DVD
Sergey-T - часики в корпусе на ИН-14
Geser - ещё одни часики на ИН-16 в том же деревянном корпусе
кт3102 сделал часики на ИН-16 в корпусе
AI disable сваял термометр на ИН-13
Microtech запустил панель МС6205
Пилот - часики на ИН-14 в корпусе от других часов
SLvik запустил панельку ГИП-11
SLvik доработал панельку ГИП-11
maks19 сделал часики на ИН-16
SLvik покрасил ИН-14
ewrey сделал часики на ИН-12
SiemX сделал часики на Z5370 в симпатичном плетёном корпусе
AI_disable выложил законченый вариант термометра на ИН-13 в корпусе
SLvik и МС6205
stalker_radiokot сделал часики на 3 типах ламп в оригинальном корпусе
ewrey сделал часики на ИН-14 с синей подсветкой
DYK - часики на Z5600 в корпусе
Microtech - мини часики на 4х ИН-17
work - часики на ИН-18 в деревянном корпусе
sauliuss - часики на ИН-2
ewrey сделал часики на ИН-18
SLvik запустил панель ИГГ-32х32Л
константин_KoSS_89 - часики на 4х ИН-12
SLvik запустил панель Burroughs
arturSS сделал часики на ИН-14 и ИН-18 в корпусе
maks19 - часы на ИН-12
SLvik - часы на ИН-8-2 и ИН-2 в корпусе будильника "Slava"
murlb|ka - часики на ИН-8-2
SLvik - часы на ИН-4 и ИН-18 в корпусе часов "Янтарь"
константин_KoSS_89 - часики на ИН-4 в оригинальном корпусе
RASH закончил свою панель Burroughs
kolka - часики на 4х ИН-2
tereha сваял часики с синей подсветкой на ИН-14
basin сделал часики в стеклянном корпусе на ИН-12
Sergey-T и его новые часики на ИН-14
SLvik - ТНАЛ-0,15
SLvik упаковал в корпус панель Burroughs
SLvik соорудил оригинальные часики на одной ИН-6 в корпусе детской керосинки
ewrey сделал часики на ИН-12 в симпатичном корпусе
SLvik упаковал термометр на ИН-13 в корпус
SLvik запустил плазменный монитор
SLvik запустил панель ИГПВ2-384/162
SLvik продолжение запуска панели ИГПВ2-384/162
SLvik выложил панель ИГПВ1-256х256
SLvik запустил панель ИГПВ1-256х256
SLvik наконец окончательно запустил панель игпв1
Pylraster спаял часики на ИН-14
SLvik выложил свои кривые часики на ИН-14
газотрон запустил декатрон А-108
Nixie доделал эквалайзер на ИН-13 в корпусе
kolka сделал часики на 4х ИН-8 в красивом деревянном корпусе
Roha77 закончил свои часики на ИН-15 в корпусе
basin сделал часики на ИН-18 в аллюминиевом корпусе
Coolish собрал часики на ИН-14
Гефестион выложил фотки своего отпуска когда он был у SLvik`a дома
SLvik запустил ПТ2М
Microtech сделал шкалу ИН-34-1
SLvik запустил буржуйский индикатор Н1813В
slyberkut - индикатор от усилка
Ян - часики на ИН-14 в корпусе
mikhail.486 сделал часики в корпусе на ИН-4
Чебадонов сделал часики на ИН-14 в обычном для него корпусе
ewrey сварганил часики на ZM573 в аллюминиевом корпусе
mikhail.486 запустил часики на ИН-4
sova сделал часики на ИН-14 в красном корпусе
uldemir запустил часики на 4х ИН-14
mikhail.486 упаковал свои часики на ИН-4 в корпус
azonic сделал часики в блестящем корпусе на ИН-8
SLvik раздобыл редкий индикатор ИГТ1-256
SLvik выложил свои здоровые светодиодные часы
SLvik впихнул ИН-7 вместо ИН-4
Мяучич сделал часики в корпусе на ИН-12
SLvik - часики с меняющейся подсветкой на ИН-14
kolka сделал часики на ИН-14 в оригинальном корпусе
SLvik запустил панель ПИУ-2
uldemur запустил панель ПИУ-1
SLvik - сравнение панелей ИГПС1-111/7 и ИГПС1-222/7
ewrey запустил часики на ИН-18 в корпусе
ewrey представил часики на ZM574 в корпусе
kosha сделал часики на ИН-12 и ИН-17
gezer сделал часики на ИН-8 в стандартном корпусе
SLvik сделал круглый будильник "Янтарь" на ИН-2, ИН-8 и ИН-17
uldemir сделал часики в корпусе на ИН-14
RASH запустил накальные ИВ-20
SLvik немного доработал часики на Н1813В и выложил их
gezer опять в таком же корпусе, но на ИН-14
Alexey_Sh часики на ИН-14 в красивом корпусе
ks - часики на ИН-12 в корпусе
Apparatchik сделал часики на ИН-12 в корпусе
Готовые конструкции участников вторая серия:
murlb|ka собрал часики на ИН-8 и ИН-14
Foks почти сделал часики на ИН-12
bams - часики на ИН-18
ewrey соорудил часики на ИН-2 и ИН-12
murlb|ka - часики на ИН-12
Coolish - часики на ИН-15 и ИН-18
лидокорк собрал часики на ИН-12 в корпусе
k s соорудил часики на ИН-14 в прозрачном корпусе
uldemir - часики на ИН-14
Denismu4itel - часики на 4х ИН-14
газотрон впервые включил часики на ИН-8
Pylraster соорудил часики на ИН-1 и ИН-2 в корпусе
RASH сделал индикатор уровня на 2х ИН-13
Волосатый - часики на ИН-8
jekltd - часики на ИН-12 и ИН-17
газотрон упаковал часики на ИН-8 в корпус
doktortin сделал двое часиков на 4х ИН-12 и 4х ИН-14
Ян сделал часики на 4х ИН-14
Ян - часики на ИН-14
Spring сделал симпотичные часики на 1й ИН-18 в корпусе
Ян - часики на ИН-14
ewrey сделал часики на ИН-2
uldemir - часики на 4х ИН-14 в корпусе
Spring не часики но симпотичный конделябр
Чебадонов - часики на ИН-14 в корпусе
ewrey сделал часики
SLvik объявился и сделал часики на 10ти лампах ИН-8-2, ИН-16 и ИН-17 в корпусе
SLvik сделал часики на 11ти лампах ИН-2, ИН-8-2, ИН-16 и ИН-17 в корпусе
SLvik соорудил часики на 2х ИН-16 и 2х ИН-17 в корпусе
murlb|ka - часики на 1й ИН-1, а потом ИН-4
SLvik - просто часы
DSGhost - часики на ИН-14 в корпусе
art3000 - часики на ИН-14
SLvik - ночник на 2х ИН-18
FlySnake - часики на 4х ИН-14 в корпусе
*Trigger* - термометр на куче ИНс-1
art3000 соорудил часики на ИН-2, ИН-12 с декатроном в корпусе
hrdr - часики на ИН-18 и ИН-19 в корпусе
Gur_man - часики на 4х наклонных ИН-12
DSGhost - часики на ИН-8-2
SLvik сделал часики на 1й ИН-16 в красивом корпусе от детской керосинки
SLvik соорудил часики на 3х ИН-8 в корпусе
SLvik смастерил часики на 1й ИН-14 в красивом корпусе от мелкого самовара
Волосатый сделал часики на крашенных ИН-14
Alexey_Sh - часики на ИН-12 в прикольном корпусе
Ян - часики на ИН-12
STR@NNIK вступил в ряды и выложил часики на 4х ИН-8
MyxoMop - часики на 4х ИН-14 в корпусе
STR@NNIK соорудил часики на ИН-14
лидокорк - часики на ИН-16
Azamat - часики на ИН-12 в корпусе
лидокорк сделал сундучок на ИН-16
STR@NNIK - часики на ИН-14 в корпусе
DSGhost замутил часики на ИН-8
GSN242 сделал часики на 4х ИН-18 в корпусе
ALEXLAB сделал часики на 7х Z5660
STR@NNIK - часики на ИН-14
Palmyr соорудил часики на Z5680M
SLvik замутил измеритель уровня на ИГТ2-208Р
uldemir - термометр на 3х ИН-12
STR@NNIK - часики на ИН-14 в корпусе
suslogon разродился наконец - термометр на 2х CD79
Ян сделал часики на ИН-14 в корпусе
Ян соорудил часики на ИН-12 в корпусе
STR@NNIK собрал часики на ИН-14 в корпусе
STR@NNIK сваял часики на ИН-16

Немного подытожили результаты совместной работы начиная с 633 страницы.

Av4arik сваял "франкинштейна" на ИН-1
zverotechnik сваял часы на ин-14, 155 555 и 176 серии
схемы к часам которые ваял SLvik
STR@NNIK собрал термометр
bams закошачил корпус из прозрачного акрила
ALEXLAB забацал часики на Z5660M
FreshMan сваял часы "Funny Clock"
часики от mss_ja
часы "Останкинские"
Coolerr собрал часики на ИН-14
Vangard представил свои часы
tereha собрал часы
Волосатый сделал корпус для своих часов
mss_ja представил свои первые часы
zalman сваял часы


Готовые схемы часов:
Схемка от ROKL - популярная среди нас
Схема часов Электроника 7
Часики на К145ИК1901
Индикатор выходной мощности на ИВ-18
http://radiokot.ru/forum/viewtopic.php?p=135941#p135941
ИН-13 аналоговый индикатор уровня
Таймер
Схемка часиков на ИН
Электроника 6-15
Есть и подсветка на диодах и синхронизация с GPS
Часики на логике
Часики на несколько контроллеров - самая популярная
Часики на К1035ХЛ1
Схемка на 155й серии
Схемка на 176й серии
Часики на ИВ-18
Проект часов от stalker_radiokot
Проект часов от stalker_radiokot ч2
Часы Электроника
ИН-13 термометр
Чебадонов выложил всой проект часов
Электроника Б6-403
SiemX выложил свой проект часов
Проект термометра на ИН-13 от AI_Disable
Часики на оптронах
Малеькие наручные часики на ИНках
Часики на К1016ХЛ1
Часики на PIC16F84
Печатка часов по схеме Rokl от mikhail.486
Секунды к схеме от Rokl
Часы Электоника 9-02
Схема подключения полиатрона А-201
Nixie modular clock
Часики на Atmega16
Часики на PIC16F628
Часики на Atmega16
Часики с пультом
Часики на логике
Схемка подключения ТНАЛ015
Ешё оптронные часики
Decatron spinner
Эквалайзер на ИН-13
Мультивибратор на ИН-28
Microtech выложил индикатор уровня на ИН-34-1
Польские часики
Часики от Alexey_Sh
Ещё одни часики
budka выложил свои часики
mikhail.486 развел плату для "франкенштейна" на pic16f628a
kaligraf сделал часики на PIC16F628
SLvik выложил свой проект часов с меняющейся подсветкой ламп
цифровая шкала на никсях
Kosha выложил свой проект на PIC16F628
Схема подключения ИН-6
Схемка часиков на ИВ-20 от RASH
Часы на ИН-4 советского производства
SLvik - прошивка шкал ИН-33 и ИН-34


ВИДЕО ЧАСОВ:
DYK выложил видео как не надо обращаться с часами
SLvik выложил видео своих часов на ИН-14 с подсветкой
SLvik - работа шкалы ИН-36
SLvik - огромные часы на ИН-28
SLvik - работа часов на декатронах
Microtech - МС6205 в работе
stalker_radiokot - работа МС6205
Coolish - часы на ИН-14 в работе
Гефестион был у SLvik`a
SLvik - работа термометра на ИН-13 и одноламповых часов на ИН-16 в корпусе керосинки
SLvik - работа шкалы на ИН-33
SLvik - работа панели ИГПС1-222/7
SLvik - Работа панели ПИУ-2
SLvik - работа панели ИГПС1-111/7
SLvik - много часов в одном месте
SLvik - часы на ИН-6 в работе
coolish - экскурсия по комнате
SLvik - часики на ИН-14
SLvik - тиканье и бой будильника
SLvik - Часики "Slava" вживую
SLvik - работа часов на Н1813В
arturSS - индикатор уровня на ИН-13
Apparatchik осилил плавную смену цифр
SLvik - Прикольные часики с обратным ходом
SLvik демонстрирует часики с маленьким маятником.


Обсуждение преобразователей:
viewtopic.php?p=334187#p334187
viewtopic.php?p=577096#p577096
viewtopic.php?p=605495#p605495
viewtopic.php?p=606258#p606258
viewtopic.php?p=608121#p608121
viewtopic.php?p=630890#p630890
viewtopic.php?p=672037#p672037
viewtopic.php?p=79596#p79596

На микросхеме MAX1771:
viewtopic.php?p=116474#p116474
viewtopic.php?p=156255#p156255
viewtopic.php?p=437845#p437845
viewtopic.php?p=501663#p501663
viewtopic.php?p=600753#p600753
viewtopic.php?p=659315#p659315

На микросхеме MC34063:
viewtopic.php?p=410996#p410996
viewtopic.php?p=412256#p412256
viewtopic.php?p=430652#p430652
viewtopic.php?p=445444#p445444
viewtopic.php?p=460105#p460105
viewtopic.php?p=594155#p594155

На микросхеме 555:
viewtopic.php?p=138020#p138020
viewtopic.php?p=175642#p175642
http://www.elektronicastynus.be/Project ... /index.php
http://bruno.netstrefa.com.pl/radio/projekt/nixiepower/
viewtopic.php?p=408903#p408903
viewtopic.php?p=411881#p411881
viewtopic.php?p=587446#p587446
viewtopic.php?p=656544#p656544
viewtopic.php?p=672280#p672280
viewtopic.php?p=673380#p673380
viewtopic.php?p=144001#p144001

Линейные:
viewtopic.php?p=151154#p151154


Описание ламп:
Геттер
ИН-14 с тонкой сеткой
Необычная ИН-12
Крашеная ИН-15
Свечение ИН-4 в ВЧ
Фотки плазменной панели
Необычная ИН-16



Описание/обсуждение ламп:
Синева в лампах
Травление катодов
Описание ИТС-1
Описание ИГВ1-8х5Л
Знаки ИН-15
Про заводы выпускавшие лампы
А-108
ИТМ-1А
ИТМ-2
Подключение ИН-28
Подключение ИН-28
Типы ИГП-17
ИВ-15
Декатроны
ИВЛ2-7/5
20шт ИН-12
Долговкчность люминесцентных индикаторов
Трещина ИН-33
Подключение ИГП-17
Индикаторы ИЭЛ
Таймер от ВМ-12
Механическая касса ОКА
Работа ИН-20
ИТЭЛ на практике
ГИП-11
Отравившаяся ИН-2
Ремонт МС6205
Дефект МС6205
Лампы Z1020
Синие шары в ИН-18
Проблема с ИН-18
ИГПВ1-256х256 светится
Полиатрон А-201
Описание работы ИН-34
К1109КН2 и К1109КТ1
Подключение ИН-4 со средней сеткой
Синий шар в ИН-18
про К155ИД1
Травление ZM1022
Синие декатроны
Генератор на Атмеле
Про ИН-18
Неонки
Лампы без анодов
Обсуждение К155ИД1
Отравление ИН-14
Z570M & Z573M
Полностью ламповые часики
Опять отравление
ИН-13 отравился
Драйвер HV5630
Логический пробник
Часовой генератор
Декатроны
Самодельный газовый разряд, на воздухе
Самодельные ИНки
Ремонт разбитой ИН-33
О потреблении ВЛИ
ИГГ-32х32 фотки
Ремонт МС6205
Подсветка циферок
Panaplex dvdi
Неоновые трубки с рекламных щитов
ИНки под ВЧ
К155ИД1
Дока на ИН-28
Книжка Липкина
Синие шары в ИН-18
ИЛТ5-30М



Чужие сайты:
Массовая радиобиблиотека
Dieter's Nixie Tube Linkpage
My Nixie clock
Немецкий сайт по никсям
Nixie tube clock with Atmel AVR ATtiny2313 microcontroller
Here is my own private little Nixie Tube Collection
Nixie neon schematics
Another nixie clock project II
Nixie Clock Gallery
Эквалайзер на ИН-13
Производство ламп дома
Sharp EL-8M Portable Calculator
В помощ радиолюбителю
Dekatron Spinner
Лампочка ильича
Термометр на ИН-13
ИН часики на компутер
Часики на неонках
Ламповые часики с нуля
Лампы Nixie world
Ещё ламповые часики
Decatron spinner
Галерея не наших часиков
Коллекция фоток старых ламп
Часы в бутылке



Редкие лампы:
Интересная
Интересные ВЛИ
NCV2.1-14
На лампочках
ИГПВ2-384/162
Ручные часики на ИНках
NL-5971
Крутое табло
1E4
Необычная ИН-8
ГИП-11
ИЭЛ-0-VI,ИЭЛ-0-IX
ZM1120P
Панельки
DM70, Z560
6Е2П
ИВ-20
Сетки ИН-2
6Е3П
ИТМ-1А
ИЭЛ-0-4
Редкий знаковый двойной индикатор
Двойной ёмкостной
ИЛТ1-8Л
ИН-5
Z5670
ТВС15
Прикольненькая GR10G
ПТ2М
Огромная газоразрядная
Необычная ИН-8
ИГГ16x32
ПИУ-1
ИН-23
Двойная B54368
ИГТ1-256
ПИУ-2
Блок из ИТС-1А
ИН-20
Блок из ИТМ-2
Панель BR17453
Панель BR09253



Ссылки по теме:
http://www.nixieclocks.de/english/
http://www.tube-tester.com/
http://radiokot.ru/lab/controller/28/
http://www.qrz.ru/schemes/contribute/di ... er51.shtml
http://www.radiomir.sinor.ru/nn/chasi.htm
http://radiokot.ru/circuit/power/supply/09/
http://www.dos4ever.com/flyback/flyback.html
http://lampilich.narod.ru/ind_elt/ind/ind.html
http://www.sputnixie.com/
http://elbastl.sweb.cz/clock.htm
http://users.rcn.com/carlott/nixie_in-17/index.html
http://www.tube-tester.com/sites/nixie/ ... soning.htm
http://www.tayloredge.com/storefront/index.html
http://wwwhome.cs.utwente.nl/~ptdeboer/ham/neonclock/
http://radiokot.ru/circuit/digital/home/49/
http://www.clock-it.net/nixie_clocks/infinity.html
http://m.bareille.free.fr/vu-in13/vumeter_in13.htm
http://cestmir.freeside.sk/projects/nixie-clock/
http://www.webx.dk/oz2cpu/clock/nixie-clock2x3.htm
http://www.nixieneon.com/perl/nxSchematics.pl
http://oliphantarts.com/Tai/nixieclock.htm
http://www.cathodecorner.com/nixiewatch/index.html


Вернуться наверх
 
 Заголовок сообщения:
СообщениеДобавлено: Вс дек 17, 2006 13:43:53 
Готовые конструкции участников третья серия:
mss_ja - часики на ИН-14
Av4arik - часики на ИН-1
STR@NNIK - часики на ИН-14
jekltd - часики на ИН-12
Yan - часики на ИН-14
mss_ja - часики на ИН-14
mss_ja - часики на ИН-14
*Trigger* - часики на ИН-
mss_ja - часики на ИН-14
KSN75 - часики на ИН-18
STR@NNIK - часики на ИН-12
mss_ja - часики на ИН-14
mss_ja - ещё часики на ИН-14
mss_ja - и опять часики на ИН-14
Ян - часики на ИН-17
mss_ja - часики на ИН-14
Alexey_Sh - часики на ИН-4
BVS - часики на ИН-17
Josia - термометр на ИН-13
SLvik - часики на 15ти разрядном дисплее
kosbo - часики на пинбол дисплее
ewrey - часики на ИН-14
mss_ja - часики на ИН-14
mss_ja - часики на ИН-12
slavector - часики на ИН-12
mss_ja - часики на ИН-14
mss_ja ещё часики на ИН-14
mss_ja и опять часики на ИН-14
Ян - часики на ИН-17
Mikhasolodovnik - часики на ИН-12
Andy41 - часики на ИН-12
ewrey - часики на ИН-12 и ИН-2
SLvik - часики на ИН-14
extraid - часики на ИН-12
mss_ja - часики на ИН-141
Vangard - часики на ИН-17
LEVV2006 - часики на ИН-12
Prospero - часики на ИН-12
FreshMan - часики на ИН-4
Mikhasolodovnik - часики на ИН-14
SLvik - часики на Burrough BO12201-2
Мурчик - часики на ИН-12
Генеральный - часики на одной ИН-12
Prospero - часики на ИН-12
Ян - часики на ИН-12
Egorka - часики на ИН-14
Hitriyvovka - часики на ИН-14
Hitriyvovka - часики на ИН-14
mss_ja - часики на ИН-12
*Trigger* - часики на ИН-8-2
DSGhost - часики на Z566M
Prospero - часики на CD66
SLvik - термометр на ИН-14
Egorka - часики на ИН-18
uldemir - термометр на BG12201
mss_ja часики на одной ИН-18
SLvik - часики на ИН-14
Ян - часики на ИН-12
*Trigger* - часики на ИНС-1
mss_ja - часики на одной ИН-18
SLvik - термометр на ИН-4
Ян - часики на ИН-17
RoboC - часики на ИН-12
wwakabobik - часики на ИН-1
ALEXLAB и ИМГ панель
mss_ja сделал термометр на ИН-14
Vant - часики на ИН-14
uldemir сделал термометр на ИН-34
SLvik сделал часики на SP-425-09
SLvik сделал термометр на ИН-12
SLvik сделал термометр на ИН-34
mss_ja - часики на ИН-14
Ян - часики на ИН-17
SLvik сделал термометр на ИН-33
SLvik ещё один термометр на ИН-33
Ян - часики на ИН-12
mss_ja - часики на одной ИН-18
Gur_man - часики на ИН-9-2
ewrey сделал часики на ИН-12 и ИН-17
mss_ja сделал часики на ИН-17
mss_ja сделал часики на ИН-12
Илья927 сделал часики на ИН-12
mss_ja сделал часики на ИН-14
Josia сделал термометр на ИН-13
RoboC - термометр на ИН-13
BVS сделал часики на ИН-17

Дальнейшие готовые фотки часиков смотрите ТУТ



Готовые схемы часов:

Схемка для полиатрона А-201 от MyxoMop
Декатронная вертушка
Проект часов от akl
Проект термометра на ИН-13 от SLvik
Проект двухЛамповых часов от Apparatchik
Одноламповые часики от SLvik
Проект часов от Prospero
Проект часов от *Trigger*
Проект часиков от Prospero
Проект часов от FreshMan
Проект часов от *Trigger*
Схема измерителя уровня на ИН-13 от *Trigger*
Проект часиков от Ян
Схема часиков от Ян
Схема БП для ИТС1 от SLvik




ВИДЕО ЧАСОВ:

Часики *Trigger* на ИН-16
Одноламповые часики mss_ja на одной ИН-18
Термометр *Trigger* на ИН-13
Термометр mss_ja на ИН-14



Описание ламп:

Дока на ИГВ70
Дока на ПИУ-2
Дока на МС6205


Вернуться наверх
   
 
Не в сети
 Заголовок сообщения:
СообщениеДобавлено: Вс дек 17, 2006 14:14:23 
Встал на лапы

Карма: 1
Рейтинг сообщений: 17
Зарегистрирован: Вс дек 17, 2006 00:23:16
Сообщений: 83
Откуда: Москва
Рейтинг сообщения: 0
Вот, нашел микросхему, работающую с ИН-ками:
"Микросхема К155ИД1 представляет собой двоично-десятичный дешифратор с «высоковольтным» выходом, т. е. рассчитанным на совместную работу с цифровым газоразрядным индикатором. У дешифратора четыре адресных входа, которые подключают непосредственно к выходам счетчика, работающего в весовом коде 1-2-4-8, и десять выходов, которые соединяют с катодами цифрового индикатора. Дешифратор .преобразует выходные сигналы счетчика в сигналы кода десятичной системы счисления, которые включают свечение соответствующих катодов-цифр индикатора."


Вложения:
ID1.gif [27.37 KiB]
Скачиваний: 11562
Вернуться наверх
 
Не в сети
 Заголовок сообщения: Re: Часы на газоразрядных индикаторах
СообщениеДобавлено: Вс дек 17, 2006 16:52:23 
Друг Кота

Карма: 17
Рейтинг сообщений: 166
Зарегистрирован: Пт авг 25, 2006 09:26:19
Сообщений: 5232
Откуда: Москва
Рейтинг сообщения: 0
leks писал(а):
А нет ли у кого схемы часов на газоразрядных индикаторах? С удивлением обнаружил что легко купить индикаторы типа ИН. Их же с производства сняли лет двадцать назад, а до сих пор продаются. Очень хочется сделать ретро-часы, а схем в интернете не нашел. Сам не разработаю :)

Сделай проще, возьми схему на 176 серии (если надо, могу нарисовать), а дешифраторы К155ИД1 подключи к ней через преобразователи уровня. И будет тебе внешний вид "Ретро" и начинка всего из десятка корпусов. И обязательно ИН-ы питай от отдельной обмотки трансформатора, а не напрямую от 220в(тебе ж их в руки брать придется, когда часы и минуты выставлять потребуется).


Вернуться наверх
 
Эиком - электронные компоненты и радиодетали
Не в сети
 Заголовок сообщения: Часы на "различных" индикаторах
СообщениеДобавлено: Пн дек 18, 2006 08:50:50 
Первый раз сказал Мяу!

Зарегистрирован: Пт дек 15, 2006 21:22:33
Сообщений: 27
Откуда: Самара
Рейтинг сообщения: 0
Народ, у кого есть схема самих часов? Кинте пожалуйста. Просто есть идея собрать что нибудь такое...


Вернуться наверх
 
Не в сети
 Заголовок сообщения: Re: Часы на "различных" индикаторах
СообщениеДобавлено: Пн дек 18, 2006 12:40:21 
Встал на лапы

Карма: 1
Рейтинг сообщений: 17
Зарегистрирован: Вс дек 17, 2006 00:23:16
Сообщений: 83
Откуда: Москва
Рейтинг сообщения: 0
vb761 писал(а):
Народ, у кого есть схема самих часов? Кинте пожалуйста. Просто есть идея собрать что нибудь такое...


Дружище, вот мы и пытаемся совместными усилиями "родить" схему :))

Rokl, нарисуйте, пожалуйста. Оказывается, тема не только мне интересна :)


Вернуться наверх
 
Не в сети
 Заголовок сообщения:
СообщениеДобавлено: Пн дек 18, 2006 12:48:36 
Говорящий с текстолитом
Аватар пользователя

Карма: 4
Рейтинг сообщений: 15
Зарегистрирован: Чт дек 15, 2005 17:34:48
Сообщений: 1507
Откуда: Петрозаводск
Рейтинг сообщения: 0
да что ты паришься-то? КР145ИК1901 и к ней индикатор ИВЛ1-7/5 очень хорошо смотрятся. Часы на них у мну работают года три, причем точность хода высокая. Минус - два источника питания

_________________
путь наименьшего сопротивления проходит по пути наитолстого провода (с) Сергей Соболь


Вернуться наверх
 
 Заголовок сообщения:
СообщениеДобавлено: Пн дек 18, 2006 13:11:01 
А вот я схему и нашел!!! Всего одна микруха!!! Правда не знаю, насколько просто ее достать. Индикация - по умолчанию LED. Но по большому счету поставить чо хошь можно. Зависит, понятное дело, от ключей Минус - необходимость постоянного присутствия 9-12в. Кому надо - обращайтесь. С уважением vb761.


Вернуться наверх
   
 
 Заголовок сообщения:
СообщениеДобавлено: Пн дек 18, 2006 13:13:41 
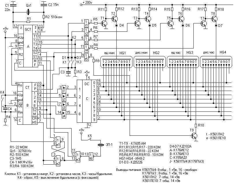
Сделаем проще: вот схема...


Вложения:
Комментарий к файлу: По моему, проще некуда...
cxema_200.jpg [59.27 KiB]
Скачиваний: 15722
Вернуться наверх
   
 
Не в сети
 Заголовок сообщения:
СообщениеДобавлено: Пн дек 18, 2006 13:23:51 
Первый раз сказал Мяу!

Зарегистрирован: Пт дек 15, 2006 21:22:33
Сообщений: 27
Откуда: Самара
Рейтинг сообщения: 0
Прошу прощения за неавторизованные сообщения. На КР145ИК1901 где схему найти?


Вернуться наверх
 
Не в сети
 Заголовок сообщения:
СообщениеДобавлено: Пн дек 18, 2006 14:22:08 
Встал на лапы

Карма: 1
Рейтинг сообщений: 17
Зарегистрирован: Вс дек 17, 2006 00:23:16
Сообщений: 83
Откуда: Москва
Рейтинг сообщения: 0
Старый ржавый электронщик писал(а):
да что ты паришься-то? КР145ИК1901 и к ней индикатор ИВЛ1-7/5 очень хорошо смотрятся. Часы на них у мну работают года три, причем точность хода высокая. Минус - два источника питания

Вообщето я не парюсь. Все равно впереди масса выходных. Мне не интересно на ИВЛ. Готовых часов полно в продаже и стоимость копеечная, хоть на стену проецируй, хоть ЖК на просвет смотри. Мне интересно собрать на ИН. Это же другая эстетика, особенно классно будут смотреться рядом с ламповым усилителем :)


Вернуться наверх
 
Не в сети
 Заголовок сообщения:
СообщениеДобавлено: Пн дек 18, 2006 15:46:51 
Говорящий с текстолитом
Аватар пользователя

Карма: 4
Рейтинг сообщений: 15
Зарегистрирован: Чт дек 15, 2005 17:34:48
Сообщений: 1507
Откуда: Петрозаводск
Рейтинг сообщения: 0
не ну собсно гря, Индикатор Вакуумно-Люминесцентный, это не ЖКИ и не светодиодные матрицы. Это всем привычная нить накала, сетки, люминофоры...
Есть ИВЛ2-7/5, он поменьше. а ИВЛ1-7/5 достаточно большой...
схему на 145ик1901 поможет достать верный пес Дядька Яндекс или другое жЫвотное поискового происхождения.

_________________
путь наименьшего сопротивления проходит по пути наитолстого провода (с) Сергей Соболь


Вернуться наверх
 
Не в сети
 Заголовок сообщения:
СообщениеДобавлено: Пн дек 18, 2006 18:40:42 
Друг Кота
Аватар пользователя

Карма: 6
Рейтинг сообщений: 32
Зарегистрирован: Чт сен 14, 2006 11:42:09
Сообщений: 3792
Откуда: Обитаю на чердаке
Рейтинг сообщения: 0
Старый ржавый электронщик писал(а):
да что ты паришься-то? КР145ИК1901 и к ней индикатор ИВЛ1-7/5 очень хорошо смотрятся. Часы на них у мну работают года три, причем точность хода высокая. Минус - два источника питания


У меня первые такие работают с 1988, затем ещё наверное, штук 7 сделал :)) . Недостаток ИВЛ - лет через 5 тускнеет, надо новым заменять :cry: Точность хода не хуже ±(1-3) с/сутки (это без точной настройки).

_________________
Память очень интересная штука: бывает так, что запомнишь одно, а вспомнишь другое...


Вернуться наверх
 
Не в сети
 Заголовок сообщения:
СообщениеДобавлено: Вт дек 19, 2006 00:23:34 
Мучитель микросхем
Аватар пользователя

Зарегистрирован: Чт ноя 23, 2006 22:47:35
Сообщений: 487
Рейтинг сообщения: 0
А я тоже когда-то делал часы на ИН-ках. Работают до сих пор. Схема сохранилась на бумаге, но в хреновом виде. Если есть интерес, могу попробовать сфоткать, но не знаю получится ли что-то путное. Но там ессно схемотехника на уровне 80-х годов на мелкой логике. Щаз бы я на контроллере забубенил и только на выходе 155ИД1. Самое печальное никакой замены ИД1 на что-то более современное нет ни у нас, ниу "них" - разве что высоковольтные транзисторные ключи в SOT-23 корпусе.


Вернуться наверх
 
Не в сети
 Заголовок сообщения:
СообщениеДобавлено: Вт дек 19, 2006 11:34:20 
Встал на лапы

Карма: 1
Рейтинг сообщений: 17
Зарегистрирован: Вс дек 17, 2006 00:23:16
Сообщений: 83
Откуда: Москва
Рейтинг сообщения: 0
Pahan писал(а):
...Щаз бы я на контроллере забубенил и только на выходе 155ИД1 ...

А вот к этой схеме
http://www.radiokot.ru/circuit/digital/home/01/
не получится прикотячить ИД1?


Вернуться наверх
 
Не в сети
 Заголовок сообщения: Re: Часы на "различных" индикаторах
СообщениеДобавлено: Вт дек 19, 2006 12:02:32 
Друг Кота

Карма: 17
Рейтинг сообщений: 166
Зарегистрирован: Пт авг 25, 2006 09:26:19
Сообщений: 5232
Откуда: Москва
Рейтинг сообщения: 0
leks писал(а):
vb761 писал(а):
Народ, у кого есть схема самих часов? Кинте пожалуйста. Просто есть идея собрать что нибудь такое...


Дружище, вот мы и пытаемся совместными усилиями "родить" схему :))

Rokl, нарисуйте, пожалуйста. Оказывается, тема не только мне интересна :)

Кому еще интересно, сваял на 6 корпусах для ИН. После скачивания, нужно заменить расширение doc на bmp


Вложения:
Комментарий к файлу: расширение doc заменить на bmp
часы.doc [66.89 KiB]
Скачиваний: 11660
Вернуться наверх
 
Не в сети
 Заголовок сообщения:
СообщениеДобавлено: Вт дек 19, 2006 12:35:29 
Говорящий с текстолитом
Аватар пользователя

Карма: 4
Рейтинг сообщений: 15
Зарегистрирован: Чт дек 15, 2005 17:34:48
Сообщений: 1507
Откуда: Петрозаводск
Рейтинг сообщения: 0
сопруха на 22МОм жжОт :) схема опробована? работает? или это чисто наброски?

_________________
путь наименьшего сопротивления проходит по пути наитолстого провода (с) Сергей Соболь


Вернуться наверх
 
Не в сети
 Заголовок сообщения:
СообщениеДобавлено: Вт дек 19, 2006 13:02:08 
Друг Кота

Карма: 17
Рейтинг сообщений: 166
Зарегистрирован: Пт авг 25, 2006 09:26:19
Сообщений: 5232
Откуда: Москва
Рейтинг сообщения: 0
Старый ржавый электронщик писал(а):
сопруха на 22МОм жжОт :) схема опробована? работает? или это чисто наброски?

Сами часы на 176 серии сто раз собраны (классика и стандарт(все по даташиту)) А сопротивление 22 МОМ самим разработчиком кристалла указана. Я ставил, и 10 МОМ и 3МОМ и вообще ничего не ставил. Все заводится. Индикация в таком виде не собиралась(всегда обходился люминисцентными ИВ-12))) :lol: , но тоже все взято классическое, так что засады быть не должно. Просто, ежели другие ИНы брать, то возможно потребуется подобрать анодные сопротивления.


Вернуться наверх
 
Не в сети
 Заголовок сообщения:
СообщениеДобавлено: Вт дек 19, 2006 20:06:03 
Собутыльник Сэра Мурра
Аватар пользователя

Карма: 23
Рейтинг сообщений: 6
Зарегистрирован: Вт янв 10, 2006 00:26:45
Сообщений: 2918
Откуда: Челябинск
Рейтинг сообщения: 0
мышонок писал(а):
У меня первые такие работают с 1988, затем ещё наверное, штук 7 сделал :)) . Недостаток ИВЛ - лет через 5 тускнеет, надо новым заменять :cry: Точность хода не хуже ±(1-3) с/сутки (это без точной настройки).


резисторов, включенным в цепь накала настрой яркость пониже. у меня двое часов дома, одни папа еще лет 10 назад собрал, так там даже фоторезистор для регулировки яркости стоит. весчь!

_________________
Увлекательный ресурс об электронике и не только


Вернуться наверх
 
Не в сети
 Заголовок сообщения: Re: Часы на "различных" индикаторах
СообщениеДобавлено: Вт дек 19, 2006 21:01:50 
Встал на лапы

Карма: 1
Рейтинг сообщений: 17
Зарегистрирован: Вс дек 17, 2006 00:23:16
Сообщений: 83
Откуда: Москва
Рейтинг сообщения: 0
Rokl писал(а):
Кому еще интересно, сваял на 6 корпусах для ИН.


Простите великодушно, но что-то я не понимаю, как будет происходить индикация - одноименные катоды индикаторных ламп запараллелены. Допустим, 12 часов 34 минуты. С микросхемы ИД1 одновременно идет сигнал на все единицы, двойки, тройки и четверки. Объясните, пожалуйста, а то я уже совсем в ступоре...


Вернуться наверх
 
Показать сообщения за:  Сортировать по:  Вернуться наверх
Начать новую тему Ответить на тему  [ Сообщений: 48924 ]  1, , , , ...  

Часовой пояс: UTC + 3 часа


Кто сейчас на форуме

Сейчас этот форум просматривают: нет зарегистрированных пользователей и гости: 28


Вы не можете начинать темы
Вы не можете отвечать на сообщения
Вы не можете редактировать свои сообщения
Вы не можете удалять свои сообщения
Вы не можете добавлять вложения

Найти:
Перейти:  


Powered by phpBB © 2000, 2002, 2005, 2007 phpBB Group
Русская поддержка phpBB
Extended by Karma MOD © 2007—2012 m157y
Extended by Topic Tags MOD © 2012 m157y