Например TDA7294

Форум РадиоКот • Просмотр темы - помогите с JK триггером
Форум РадиоКот
Здесь можно немножко помяукать :)

Текущее время: Ср мар 18, 2026 14:03:32

Часовой пояс: UTC + 3 часа


ПРЯМО СЕЙЧАС:



Начать новую тему Ответить на тему  [ Сообщений: 21 ]  1,  
Автор Сообщение
 Заголовок сообщения: помогите с JK триггером
СообщениеДобавлено: Чт июн 04, 2009 12:14:44 
Родился

Зарегистрирован: Чт июн 04, 2009 12:07:13
Сообщений: 5
Рейтинг сообщения: 0
Здравствуйте !
Помогите пожалуйста новичку )

есть триггер : CD4027, даташит http://www.chip-dip.ru/library/DOC000204756.pdf


наскоко я понял это тактируемый ( синхронный триггер) - мне нужно сделать из него каким-нибудь образом асинхронный ( чтобы переключение сигнала производилось в момент изменения сигналов на входах J и K ). В магазинах почему-то не нашел асинхронных триггеров, такое впечатление что их просто нет или же синхронный легко переделать в асинхронный.

Вопрос : как сделать из него асинхронный триггер или какими методами сделать какой-нить генератор импульсов, чтобы, скажем, раз в секунду на синхро-вход поступал импульст, чтобы считывались показания J и K.

П.с. собсно все это нужно чтобы сделать примитивную автоматику :
есть два датчика уровня воды в бочке ( показывают соответственно 1 если датчик в воде и 0 если без воды) - нужно чтобы насос в бочку включался на низком уровне и выключался на высоком ( при этом не включался когда вода опускает с высокого до низкого). Если, может быть, есть схемы проще чем 2 ОУ, 1 триггер и реле для насоса, буду очень признателен )))


Вернуться наверх
 
 Заголовок сообщения:
СообщениеДобавлено: Чт июн 04, 2009 12:32:48 
Модератор
Аватар пользователя

Карма: 162
Рейтинг сообщений: 2448
Зарегистрирован: Пн июл 07, 2008 10:46:09
Сообщений: 10739
Откуда: Россия
Рейтинг сообщения: 0
Поставьте RS-триггер и простую логику.
Когда на выходе датчиков 0-0, триггер перебрасывается и включается насос. Когда 1-1, триггер перебрасывается в другое состояние и насос выключается и не включится до тех пор, пока снова не будет 0-0.

_________________
Если хотите, чтобы жизнь улыбалась вам, подарите ей своё хорошее настроение


Вернуться наверх
 
 Заголовок сообщения:
СообщениеДобавлено: Чт июн 04, 2009 12:39:54 
Модератор
Аватар пользователя

Карма: 68
Рейтинг сообщений: 430
Зарегистрирован: Ср ноя 26, 2008 16:34:25
Сообщений: 13490
Откуда: Тамбовская обл.
Рейтинг сообщения: 0
Медали: 1
Получил миской по аватаре (1)
Цитата:
Если, может быть, есть схемы проще чем 2 ОУ, 1 триггер и реле для насоса, буду очень признателен )))

А зачем ОУ? Для датчиков?

Вообще, покажите схему, по какой делать будете. А то так сложно сообразить.


Вернуться наверх
 
 Заголовок сообщения:
СообщениеДобавлено: Чт июн 04, 2009 13:51:50 
Родился

Зарегистрирован: Чт июн 04, 2009 12:07:13
Сообщений: 5
Рейтинг сообщения: 0
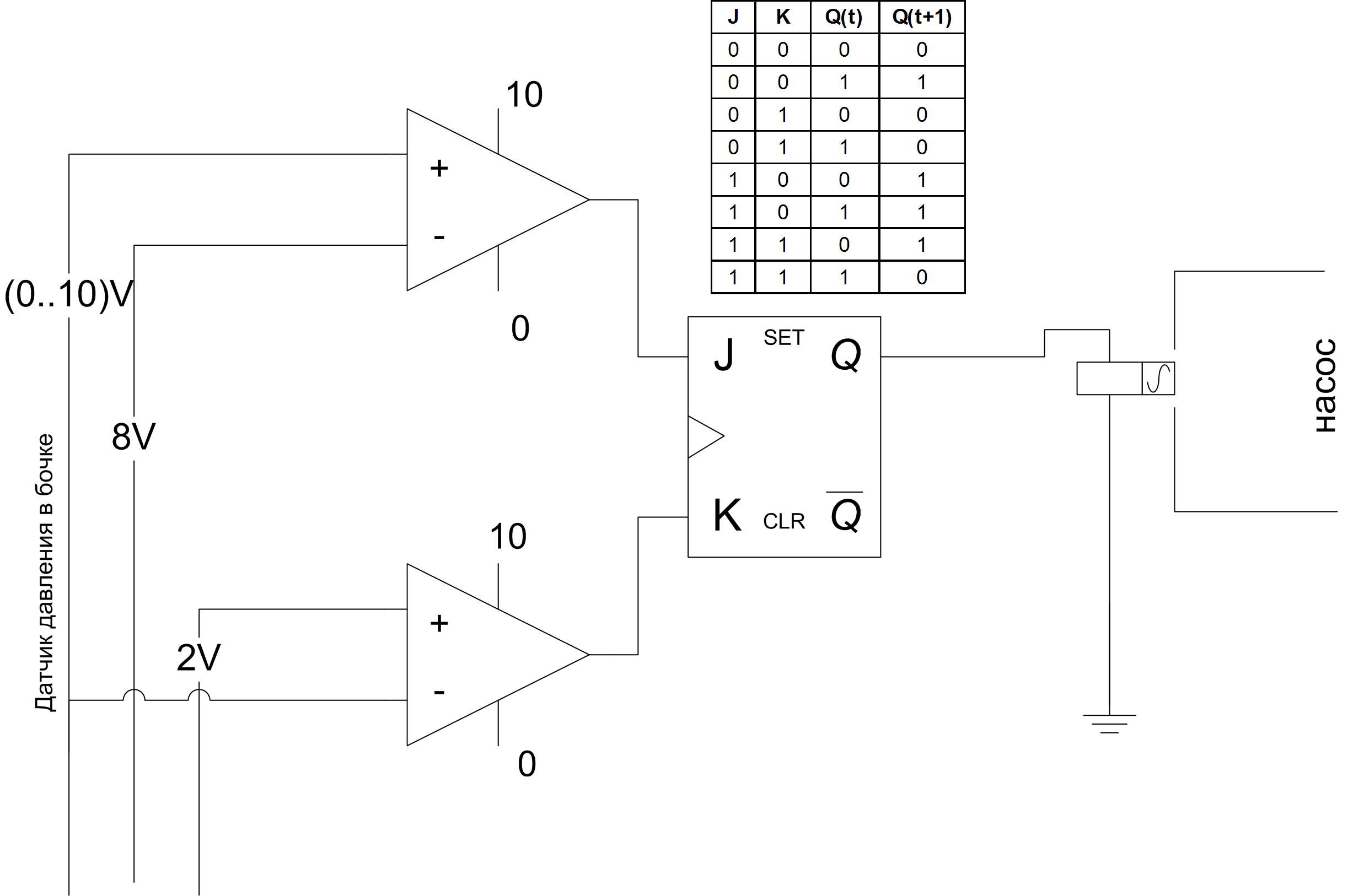
вот предполагалась такая схема, как rs триггером - четоне соображу - там же 1,1 - запрещенное состояние

блин ... там J и K надо местами поменять, а то так не работает


Вложения:
Drawing1.jpg [133.21 KiB]
Скачиваний: 659
Вернуться наверх
 
Эиком - электронные компоненты и радиодетали
 Заголовок сообщения:
СообщениеДобавлено: Чт июн 04, 2009 14:04:10 
Родился

Зарегистрирован: Чт июн 04, 2009 12:07:13
Сообщений: 5
Рейтинг сообщения: 0
Света писал(а):
Поставьте RS-триггер и простую логику.
Когда на выходе датчиков 0-0, триггер перебрасывается и включается насос. Когда 1-1, триггер перебрасывается в другое состояние и насос выключается и не включится до тех пор, пока снова не будет 0-0.


Только что понял, что в предложенной мной схеме ( на картинке) все будет работать и с RS триггером (т.к. схема с датчиков давления в бочке отчилается от той, где были 2 датчика уровня), но Вы очевидно имели в виду что-то другое ( с датчиками уровня) - не могли бы Вы пояснить ?


Вернуться наверх
 
 Заголовок сообщения:
СообщениеДобавлено: Чт июн 04, 2009 16:19:13 
Модератор
Аватар пользователя

Карма: 162
Рейтинг сообщений: 2448
Зарегистрирован: Пн июл 07, 2008 10:46:09
Сообщений: 10739
Откуда: Россия
Рейтинг сообщения: 0
Я предпологала что-то вроде этого...
При двух нулях на ab, на Q единица, про двух единицах - ноль, все остальные комбинации не влияют на преключение триггера.

_________________
Если хотите, чтобы жизнь улыбалась вам, подарите ей своё хорошее настроение


Вернуться наверх
 
 Заголовок сообщения:
СообщениеДобавлено: Чт июн 04, 2009 19:34:48 
Родился

Зарегистрирован: Чт июн 04, 2009 12:07:13
Сообщений: 5
Рейтинг сообщения: 0
Спасибо ! ) разобрался )


Вернуться наверх
 
 Заголовок сообщения:
СообщениеДобавлено: Пт июн 05, 2009 14:55:02 
Друг Кота
Аватар пользователя

Карма: 28
Рейтинг сообщений: 267
Зарегистрирован: Ср сен 27, 2006 16:18:57
Сообщений: 3459
Рейтинг сообщения: 0
SparkDSD писал(а):
...Если, может быть, есть схемы проще чем 2 ОУ, 1 триггер и реле для насоса, буду очень признателен )))

Если бы у Вас датчики уровня были бы типа сортирный поплавок + концевой выключатель, то схему можно было бы сделать на одном реле с двумя группами контактов. Если интересует, то схему могу нарисовать. Но у Вас, похоже, один аналоговый датчик давления... Для него тоже могу схему нарисовать. Очень похожую на ту, что нарисовала Света, но с меньшим количеством логических элементов, так что можно будет обойтись только одним корпусом 561ЛА7.


Вернуться наверх
 
 Заголовок сообщения:
СообщениеДобавлено: Пн июн 08, 2009 00:45:29 
Родился

Зарегистрирован: Чт июн 04, 2009 12:07:13
Сообщений: 5
Рейтинг сообщения: 0
Спасибо, но уже разобрался и вроде не требуется, зато возник другой вопрос !

Как по таблице истинности построить триггер - т.е. допустим есть такая логическая схема :
Вх1 Вх2 Q Q(t+1)
1 1 х 1
1 0 1 1
1 0 0 0
0 х х 0

х - любое ( не влияет)

И как-то стало жутко интересно, может посоветуете что-нить почитать, как выразить логические элементы в формулах ( ну это я себе представляю, хотя и не полностью - дискретной математики никогда не было) и работать с ними, т.е. сейчас мне приходится банально действовать перебором с некой интуицией, но, убежден, что можно вести строгий расчет любой таблицы истинности по формулам.
Предполагаю что до меня уже все приемы расчета описаны и не хочу тратить время на изобретение этих приемов ( в том числе и потому что новичек, нужна какая-то база.. )


практически перебором догнал, что указанную мною ТИ можно организовать, если в RS триггере нижний Иэлемент поменять на ИЛИ...
но как этого можно было достичь НЕ перебором и интуицией ?


Вернуться наверх
 
 Заголовок сообщения:
СообщениеДобавлено: Чт авг 20, 2009 12:09:00 
Первый раз сказал Мяу!
Аватар пользователя

Зарегистрирован: Пт фев 29, 2008 10:43:20
Сообщений: 39
Рейтинг сообщения: 0
а кто подскажет как заменить схему построенную на реле, схемой на микросхемах, моя нынешняя схема в принципе нормально работает, но задолбал звук реле. Система в принципе похожа, стоит контактный манометр, при минимальном давлении включаеться насос и работает пока не достигнет максимально выставленного значения, дальше отключаеться до падения давления на минимум. Подскажите как заменить реле.


Вложения:
.jpg [18.33 KiB]
Скачиваний: 594
Вернуться наверх
 
 Заголовок сообщения:
СообщениеДобавлено: Чт авг 20, 2009 14:29:50 
Электрический кот
Аватар пользователя

Карма: 3
Рейтинг сообщений: 2
Зарегистрирован: Вт окт 21, 2008 11:46:23
Сообщений: 1051
Откуда: Барнаул
Рейтинг сообщения: 0
Реле в вашей схеме можно заменить симистором. А контакт манометра будет замыкать через сопротивление 100 Ом УЭ симистора на Катод.

_________________
Цапу крутить надо!!! Ку или не ку?


Вернуться наверх
 
 Заголовок сообщения:
СообщениеДобавлено: Чт авг 20, 2009 15:28:43 
Первый раз сказал Мяу!
Аватар пользователя

Зарегистрирован: Пт фев 29, 2008 10:43:20
Сообщений: 39
Рейтинг сообщения: 0
Igor_67 писал(а):
Реле в вашей схеме можно заменить симистором. А контакт манометра будет замыкать через сопротивление 100 Ом УЭ симистора на Катод.



Да, но в моей схеме симисотор не будет ведь работать как триггер, у нас ведь переменка на входе, и когда стрелка поднимиться выше минимального давления, контакт разомкнётся и симистор закроеться, а мне нужно что бы он закрылся только когда стрелка дойдёт до максимального значения и замкнёт там контакт. То что силовая часть на симисторе то ясно, а меня интересует именно сама триггерная часть которая будет реагировать на замыкание и размыкание контактов манометра.

Силовая часть представляется мне такой (Рис)


Вложения:
.jpg [24.58 KiB]
Скачиваний: 601
Вернуться наверх
 
 Заголовок сообщения:
СообщениеДобавлено: Пт авг 21, 2009 11:54:37 
Первый раз сказал Мяу!
Аватар пользователя

Зарегистрирован: Пт фев 29, 2008 10:43:20
Сообщений: 39
Рейтинг сообщения: 0
Прикидывал логику работы, вожможно я напутал, но кажется что одного RS-триггера, тут с головой хватит, набросал быстро схемку, посмотрите пожалуйста, будет ли она функционировать так как надо?


Вложения:
.jpg [62.05 KiB]
Скачиваний: 554
Вернуться наверх
 
 Заголовок сообщения:
СообщениеДобавлено: Пт авг 21, 2009 14:20:27 
Друг Кота
Аватар пользователя

Карма: 28
Рейтинг сообщений: 267
Зарегистрирован: Ср сен 27, 2006 16:18:57
Сообщений: 3459
Рейтинг сообщения: 0
Микросхема какой серии? Если КМОП, то нужны подтягивающие резисторы со входов R и S на + питания. Если TTL, то можно и без них. Общий манометра - на землю.


Вернуться наверх
 
 Заголовок сообщения:
СообщениеДобавлено: Пт авг 21, 2009 16:15:10 
Первый раз сказал Мяу!
Аватар пользователя

Зарегистрирован: Пт фев 29, 2008 10:43:20
Сообщений: 39
Рейтинг сообщения: 0
TTL , но всё равно не работает такая схема, промоделировал в ворк бенче, надо что то думать дальше(((


Вернуться наверх
 
 Заголовок сообщения:
СообщениеДобавлено: Сб авг 22, 2009 18:37:46 
Друг Кота
Аватар пользователя

Карма: 28
Рейтинг сообщений: 267
Зарегистрирован: Ср сен 27, 2006 16:18:57
Сообщений: 3459
Рейтинг сообщения: 0
Да... "Ворк бенч" это сила... А я вот, по-простому, "промоделировал" с помощью обычного паяльника схему, которая в прикошаченном файле. Работает хорошо. Микросхема - 74HC00. Вместо светодиода (или последовательно с ним) можно включить светодиод оптрона.


Вложения:
rs_trigger.gif [3.77 KiB]
Скачиваний: 652
Вернуться наверх
 
 Заголовок сообщения:
СообщениеДобавлено: Сб авг 22, 2009 20:31:17 
Мучитель микросхем
Аватар пользователя

Зарегистрирован: Вс окт 26, 2008 17:28:57
Сообщений: 426
Откуда: Украина г.Ровно
Рейтинг сообщения: 0
Не знаю как на ТТЛ, но на МОП серии я делал много блоков управления для очисных сооружений - нормально работали.
Там еще было требование для датчиков (контакт в воде): сопротивление срабатывания- не более 5 кОм ; сопротивление отпускания- не менее 50 кОм.


Вернуться наверх
 
 Заголовок сообщения:
СообщениеДобавлено: Вс авг 23, 2009 12:49:15 
Друг Кота
Аватар пользователя

Карма: 28
Рейтинг сообщений: 267
Зарегистрирован: Ср сен 27, 2006 16:18:57
Сообщений: 3459
Рейтинг сообщения: 0
Чтобы соблюсти подобное требование, никто не мешает уменьшить сопротивление подтягивающих резисторов до 5 кОм или меньше... :)


Вернуться наверх
 
 Заголовок сообщения:
СообщениеДобавлено: Вт авг 25, 2009 08:08:04 
Первый раз сказал Мяу!
Аватар пользователя

Зарегистрирован: Пт фев 29, 2008 10:43:20
Сообщений: 39
Рейтинг сообщения: 0
Эх.. удаляю ворк бенч и грею паяльник :)) , буду пробовать, а ты схему испытывал в таком варианте:
Барсик писал(а):
резисторы со входов R и S на + питания. Общий манометра - на землю.
???


Вернуться наверх
 
 Заголовок сообщения:
СообщениеДобавлено: Вт авг 25, 2009 09:14:46 
Мучитель микросхем
Аватар пользователя

Зарегистрирован: Вс окт 26, 2008 17:28:57
Сообщений: 426
Откуда: Украина г.Ровно
Рейтинг сообщения: 0
Схема должна быть такой - нижний контакт не переключается, а остается замкнутым.


Вложения:
-1.gif [3.97 KiB]
Скачиваний: 609
Вернуться наверх
 
Показать сообщения за:  Сортировать по:  Вернуться наверх
Начать новую тему Ответить на тему  [ Сообщений: 21 ]  1,  

Часовой пояс: UTC + 3 часа


Вы не можете начинать темы
Вы не можете отвечать на сообщения
Вы не можете редактировать свои сообщения
Вы не можете удалять свои сообщения
Вы не можете добавлять вложения

Найти:
Перейти:  


Powered by phpBB © 2000, 2002, 2005, 2007 phpBB Group
Русская поддержка phpBB
Extended by Karma MOD © 2007—2012 m157y
Extended by Topic Tags MOD © 2012 m157y