Например TDA7294

Форум РадиоКот • Просмотр темы - Требуется помощь по схеме с драйвером и мосфетами.
Форум РадиоКот
Здесь можно немножко помяукать :)

Текущее время: Ср дек 17, 2025 17:54:00

Часовой пояс: UTC + 3 часа


ПРЯМО СЕЙЧАС:



Начать новую тему Ответить на тему  [ Сообщений: 59 ]  1, ,  
Автор Сообщение
Не в сети
 Заголовок сообщения: Требуется помощь по схеме с драйвером и мосфетами.
СообщениеДобавлено: Ср мар 18, 2015 09:56:36 
Первый раз сказал Мяу!

Зарегистрирован: Ср мар 18, 2015 09:44:03
Сообщений: 25
Рейтинг сообщения: 0
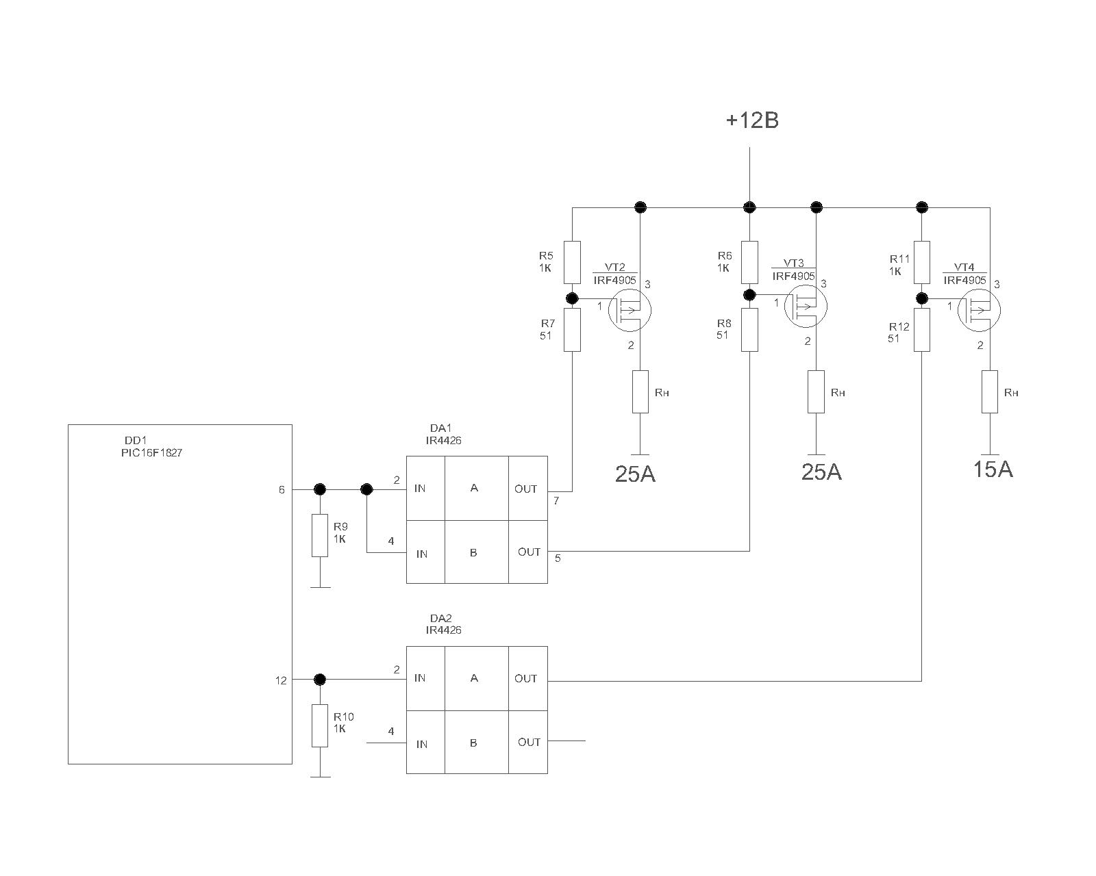
Всем мяу :) Собственно, хотел посоветоваться с форумчанами, будет ли работать моя схема? Или, быть может, кто-нибудь подскажет, как ее улучшить? Планируется питать 3 нагрузки постоянного тока. Две нагрузки по 25А каждая включаются совместно, а третья на 15А может включаться как вместе с первыми двумя, так и отдельно от них. Может имеет смысл в цепи нагрузки, которые кушают по 25А, поставить по парочке мосфетов и уменьшить номинал резисторов в цепях затворов? Драйвер IR4426 потянет? Да, там ШИМ с частотой 125кГц.


Вложения:
схема управления нагрузками.jpg [74 KiB]
Скачиваний: 670
Вернуться наверх
 
Не в сети
 Заголовок сообщения: Re: Требуется помощь по схеме с драйвером и мосфетами.
СообщениеДобавлено: Ср мар 18, 2015 11:53:09 
Сверлит текстолит когтями
Аватар пользователя

Карма: 19
Рейтинг сообщений: 215
Зарегистрирован: Пн окт 07, 2013 18:38:17
Сообщений: 1166
Откуда: Новосибирск
Рейтинг сообщения: 0
Если нагрузка активная и драйвер запитан от 12В, то всё в порядке с работоспособностью схемы.
А какой максимальный средний ток через нагрузки?
Он будет равен максимальному току?


Вернуться наверх
 
Не в сети
 Заголовок сообщения: Re: Требуется помощь по схеме с драйвером и мосфетами.
СообщениеДобавлено: Ср мар 18, 2015 12:02:01 
Первый раз сказал Мяу!

Зарегистрирован: Ср мар 18, 2015 09:44:03
Сообщений: 25
Рейтинг сообщения: 0
Нагрузка активная и драйвер запитан от 12В. Средний ток через нагрузки сказать не могу, поэтому привел максимум того, что может быть. Но максимум (25+25+15) будет очень редко. Чаще всего будет либо 25+25 либо 15А. Все нагрузки могут включаться одновременно и если источник +12В перестанет справляться (контроллер постоянно мониторит напряжение), то в дело вступает ШИМ и уменьшает коэффициент заполнения. Снова мониторит напряжение и если не помогло, то еще уменьшает коэффициент заполнения и так до тех пор, пока напряжение не устаканится. ШИМ меняется порогами по 5%. Жаль, что Proteus не умеет симулировать драйверы IR4426, поэтому-то я и не уверен в работоспособности схемы.
Подскажите, какой радиатор выбрать. Я планирую все 3 полевика установить на единый радиатор.


Вернуться наверх
 
Не в сети
 Заголовок сообщения: Re: Требуется помощь по схеме с драйвером и мосфетами.
СообщениеДобавлено: Ср мар 18, 2015 12:07:50 
Поставщик валерьянки для Кота
Аватар пользователя

Карма: 22
Рейтинг сообщений: 131
Зарегистрирован: Сб янв 09, 2010 15:19:57
Сообщений: 2154
Откуда: Воронеж
Рейтинг сообщения: 0
Транзистор с сопротивлением канала 20 мОм будет рассеивать на 25 А 12,5 Вт. Это банальный закон Ома (то есть еще и закон Джоуля-Ленца) и куча тепла, смотрите сами. Радиатор 15-20 кв.см на 1 Вт мощности если считать эмпирически
Почему P-канал? Почему не использовать N-канал у земли? Или их же с драйвером верхнего плеча (при малом сопротивлении нагрузки брупстерный конденсатор думаю будет заряжаться в отключенном состоянии ключа). И затворные резисторы должны быть ом десять (или меньше) чтобы на сотне килогерц получить быстрое открывание.


Вернуться наверх
 
Эиком - электронные компоненты и радиодетали
Не в сети
 Заголовок сообщения: Re: Требуется помощь по схеме с драйвером и мосфетами.
СообщениеДобавлено: Ср мар 18, 2015 12:23:47 
Первый раз сказал Мяу!

Зарегистрирован: Ср мар 18, 2015 09:44:03
Сообщений: 25
Рейтинг сообщения: 0
Пилот писал(а):
Почему P-канал? Почему не использовать N-канал у земли? Или их же с драйвером верхнего плеча (при малом сопротивлении нагрузки брупстерный конденсатор думаю будет заряжаться в отключенном состоянии ключа). И затворные резисторы должны быть ом десять (или меньше) чтобы на сотне килогерц получить быстрое открывание.

Нагрузка (которая 25А+25А) физически состоит из 2 частей с одним общим выводом на землю и это нельзя изменить. Поэтому необходимо управлять плюсом, то есть только схема с верхним плечом. Об уменьшении резюков в цепях затворов я думал, но не спалю ли драйвер? Может уменьшить частоту ШИМа?
Мощность-то я считал и мне самому не нравятся эти 12.5Вт на полевик. Поэтому и спрашивал, может поставить по паре полевиков на каждую ветвь? Кстати, каждый драйвер питается через резюк 120 Ом и электролит в параллель. Вот схемка.
Вложение:


Вернуться наверх
 
Не в сети
 Заголовок сообщения: Re: Требуется помощь по схеме с драйвером и мосфетами.
СообщениеДобавлено: Ср мар 18, 2015 12:38:04 
Сверлит текстолит когтями
Аватар пользователя

Карма: 19
Рейтинг сообщений: 215
Зарегистрирован: Пн окт 07, 2013 18:38:17
Сообщений: 1166
Откуда: Новосибирск
Рейтинг сообщения: 0
Цитата:
Поэтому и спрашивал, может поставить по паре полевиков на каждую ветвь?

Всё просто.
Каждое удвоение количества транзисторов уменьшает вдвое выделяемую мощность.
Если поставить 4шт, то радиатор не нужен.
Драйвер на частоте 125кГц должен потянуть все 4шт.
Кстати, а почему такая высокая частота, нельзя уменьшить ?


Вернуться наверх
 
Не в сети
 Заголовок сообщения: Re: Требуется помощь по схеме с драйвером и мосфетами.
СообщениеДобавлено: Ср мар 18, 2015 13:21:20 
Первый раз сказал Мяу!

Зарегистрирован: Ср мар 18, 2015 09:44:03
Сообщений: 25
Рейтинг сообщения: 0
То есть 4 транзистора на одну ветвь 25А (на каждом транзисторе при этом выделится 12.5/4= 3.125 Вт), 4 транзистора на вторую ветвь 25А и 2 транзистора на ветвь 15А (на этих вообще выделится (15^2*0.02)/2=2.25 Вт). 10 полевиков :) В принципе, меня это не напрягает ни по цене. ни по размерам платы. Размеры позволяют. Да и в любом случае, они получаться поменьше, чем с радиатором для такой мощности. Остается вопрос с драйвером: потянет или нет? Частоту ШИМ наверное можно уменьшить, тем более, что нагрузка активная-банальный обогрев. Только в моем магазине, в котором я затариваюсь, больше нет в наличие драйверов 4426. Может взять какой-нибудь аналогичный?
Например, MC33151DG. Такой же сдвоенный драйвер с инвертирующими входами на те же 1.5А. И он есть в наличии.


Последний раз редактировалось Mozgach Ср мар 18, 2015 14:09:29, всего редактировалось 1 раз.

Вернуться наверх
 
Не в сети
 Заголовок сообщения: Re: Требуется помощь по схеме с драйвером и мосфетами.
СообщениеДобавлено: Ср мар 18, 2015 13:44:00 
Сверлит текстолит когтями
Аватар пользователя

Карма: 19
Рейтинг сообщений: 215
Зарегистрирован: Пн окт 07, 2013 18:38:17
Сообщений: 1166
Откуда: Новосибирск
Рейтинг сообщения: 0
Цитата:
на каждом транзисторе при этом выделится 12.5/4= 3.125 Вт

Нет, не на каждом транзисторе, а на всех четырёх транзисторах. На каждом будет:
3,125/4= 0,8Вт.
4905 обычно в корпусе 220, то есть могут рассеивать до 1Вт без радиатора.
Драйвера потянут спокойно и с запасом.
Они на 1,5А.
Начальный ток заряда/разряда ёмкости затвора одного транзистора I=U/R=12/51=0,24А.
Конечный ток 0.
Средний ток 0,12А.
Для четырёх транзисторов начальный ток менее ампера.
А частоту имеет смысл снизить до 30-50 кГц, чтобы не залезть в звуковой диапазон.


Вернуться наверх
 
Не в сети
 Заголовок сообщения: Re: Требуется помощь по схеме с драйвером и мосфетами.
СообщениеДобавлено: Ср мар 18, 2015 13:59:03 
Первый раз сказал Мяу!

Зарегистрирован: Ср мар 18, 2015 09:44:03
Сообщений: 25
Рейтинг сообщения: 0
Хорошо. Спасибо за совет. А что скажете по поводу резисторов в цепях затворов полевиков? Сейчас стоят 51 Ом. Может уменьшить их, чтобы полевики побыстрее переключались? Если уменьшить, до какого номинала с учетом того, что полевиков будет 4 на один выход драйвера? И не следует ли в виду увеличения количества полевиков на каждый выход драйвера, увеличить емкость электролита С1 4.7мкФ в схеме питания драйвера?
И какой мощности взять резистор R13 120 Ом в схеме питания? Может уменьшить его номинал? Потому что этот резистор стоял в немного другой схеме, в которой был только один драйвер и пара транзисторов. Я эту схему попытался переделать под себя и кль скоро у нас так резко выросло количество ключей, может и номинал этого резюка пересмотреть?


Вернуться наверх
 
Не в сети
 Заголовок сообщения: Re: Требуется помощь по схеме с драйвером и мосфетами.
СообщениеДобавлено: Ср мар 18, 2015 14:25:09 
Сверлит текстолит когтями
Аватар пользователя

Карма: 19
Рейтинг сообщений: 215
Зарегистрирован: Пн окт 07, 2013 18:38:17
Сообщений: 1166
Откуда: Новосибирск
Рейтинг сообщения: 0
Логично мыслите.
Резисторы в затворах можно уменьшить до 36 Ом.
Мощность 0,25Вт, через них постоянно идут большие импульсные токи, надо избегать локального подгорания резиста.
Разумеется каждый полевик со своим персональным резистором затвора.
Резистор по питанию драйвера уменьшить до 20 Ом, конденсатор увеличить до 22 мкФ.
Мощность этого резистора надо посчитать, умножив квадрат тока потребления драйвера на номинал резистора.
Конечно берут с запасом в полтора раза.


Последний раз редактировалось terio007 Ср мар 18, 2015 14:30:39, всего редактировалось 1 раз.

Вернуться наверх
 
Не в сети
 Заголовок сообщения: Re: Требуется помощь по схеме с драйвером и мосфетами.
СообщениеДобавлено: Ср мар 18, 2015 14:29:42 
Первый раз сказал Мяу!

Зарегистрирован: Ср мар 18, 2015 09:44:03
Сообщений: 25
Рейтинг сообщения: 0
Спасибо большое. Сегодня вечерком буду заказывать деталюшки, завтра заберу их и начну разводить плату. Не терпится уже включить устройство иувидеть дым от полевиков побаловаться с ШИМом, принудительно понижая напряжение :). Да и раз уж радиатор мосфета не нужен, то в каком форм-факторе лучше их купить: какой-нибудь ТО-220АВ или D2PAK? Для меня D2PAK предпочтительней конечно. Я вообще стараюсь всегда пользоваться smd-ками, потому что экономится куча времени на сверлении отверстий.
Да и вот сейчас только подумал, что ширина печатных проводников будет на таких токах мама-не балуйся. Заодно посмотрю в магазине текстолит с самой толстой фольгой.


Вернуться наверх
 
Не в сети
 Заголовок сообщения: Re: Требуется помощь по схеме с драйвером и мосфетами.
СообщениеДобавлено: Ср мар 18, 2015 15:02:24 
Сверлит текстолит когтями
Аватар пользователя

Карма: 19
Рейтинг сообщений: 215
Зарегистрирован: Пн окт 07, 2013 18:38:17
Сообщений: 1166
Откуда: Новосибирск
Рейтинг сообщения: 0
Цитата:
Для меня D2PAK предпочтительней

Почему нет?
Участок фольги под сток побольше, температура транзистора будет поменьше.
Посмотрел, при нагреве до 50*С фольга 35 микрон может проводить 5А дорожкой 1мм.
Так что минимум 1,5мм к каждому истоку - не так и много :))
Я бы провёл по ширине корпуса транзистора - надо же ещё тепло самого транзистора помочь рассеять.


Вернуться наверх
 
Не в сети
 Заголовок сообщения: Re: Требуется помощь по схеме с драйвером и мосфетами.
СообщениеДобавлено: Ср мар 18, 2015 15:22:02 
Первый раз сказал Мяу!

Зарегистрирован: Ср мар 18, 2015 09:44:03
Сообщений: 25
Рейтинг сообщения: 0
Принято. Попробую-ка я установить все это дело в электротехнической коробке 100 на 100 и для верности врежу туда небольшой вентилятор с датчиком температуры. В качестве датчика температуры возьму извещатель пожарный тепловой типа ИП 103-5/1-А3 н.р. Он миниатюрный достаточно. Его контакты замыкаются при температуе 70 градусов. Вот через этот датчик, который будет измерять температуру внутри коробки, буду питать вентилятор.


Вернуться наверх
 
Не в сети
 Заголовок сообщения: Re: Требуется помощь по схеме с драйвером и мосфетами.
СообщениеДобавлено: Ср мар 18, 2015 15:30:55 
Сверлит текстолит когтями
Аватар пользователя

Карма: 19
Рейтинг сообщений: 215
Зарегистрирован: Пн окт 07, 2013 18:38:17
Сообщений: 1166
Откуда: Новосибирск
Рейтинг сообщения: 0
Коробка наверняка из пластика почти без отверстий.
Нет, интенсивное перемешивание воздуха даже в герметичном корпуке приведёт к росту теплоотдачи...
Но если несколько столь нелюбимых отверстий напротив вентилятора, то эффективность резко возрастёт.
И чтобы нагреть воздух в коробке до 64 градусов транзисторам наверное придётся прогреться градусов до 100.
Так что вентилятор не нужен - скорее всего он не включится никогда.
Может запитать его вольт на 8, да и пусть себе всё время тихонько крутится, почти не расходуя свой ресурс?
А девайс не от бортсети авто будет запитан?


Вернуться наверх
 
Не в сети
 Заголовок сообщения: Re: Требуется помощь по схеме с драйвером и мосфетами.
СообщениеДобавлено: Ср мар 18, 2015 15:36:12 
Первый раз сказал Мяу!

Зарегистрирован: Ср мар 18, 2015 09:44:03
Сообщений: 25
Рейтинг сообщения: 0
От борт сети.
Я уже колебаюсь с этим вентилятором:))) Может просто собрать плату без всякого вентилятора и посмотреть, как она работает? А на плате достаточно предусмотреть маленький двухконтактный разъем для подключения вентилятора на всякий случай.


Вернуться наверх
 
Не в сети
 Заголовок сообщения: Re: Требуется помощь по схеме с драйвером и мосфетами.
СообщениеДобавлено: Ср мар 18, 2015 15:52:48 
Сверлит текстолит когтями
Аватар пользователя

Карма: 19
Рейтинг сообщений: 215
Зарегистрирован: Пн окт 07, 2013 18:38:17
Сообщений: 1166
Откуда: Новосибирск
Рейтинг сообщения: 0
Цитата:
От борт сети.
Я уже колебаюсь с этим вентилятором:))) Может просто собрать плату без всякого вентилятора

Конечно, попробуете пальцем транзисторы после 20 минут работы в максимальном режиме и определитесь.
А для работы в бортсети хорошо бы резистор по питанию заменить на амперный диодик (можно 4007) и на всякий случай добавить параллельно конденсатору супрессор на 600Вт, 15В.
И на входе +12В на истоки тоже добавить супрессор на 1500Вт, 30В.


Вложения:
ГОСТ 28751-90 Электрооборудование автомобилей. Кондуктивные помехи по цепям питания. Требования.pdf [292.64 KiB]
Скачиваний: 601
Вернуться наверх
 
Не в сети
 Заголовок сообщения: Re: Требуется помощь по схеме с драйвером и мосфетами.
СообщениеДобавлено: Ср мар 18, 2015 16:30:53 
Первый раз сказал Мяу!

Зарегистрирован: Ср мар 18, 2015 09:44:03
Сообщений: 25
Рейтинг сообщения: 0
И о супрессорах тоже думал :) У меня как раз имеются в наличии 3 шт, правда SMBJ12A на 600 Вт.


Вернуться наверх
 
Не в сети
 Заголовок сообщения: Re: Требуется помощь по схеме с драйвером и мосфетами.
СообщениеДобавлено: Ср мар 18, 2015 17:12:57 
Сверлит текстолит когтями
Аватар пользователя

Карма: 19
Рейтинг сообщений: 215
Зарегистрирован: Пн окт 07, 2013 18:38:17
Сообщений: 1166
Откуда: Новосибирск
Рейтинг сообщения: 0
Ну и прекрасно.
После диода можно один поставить, а на истоки последовательно пару.
Все три пристроите :tea:


Вернуться наверх
 
Не в сети
 Заголовок сообщения: Re: Требуется помощь по схеме с драйвером и мосфетами.
СообщениеДобавлено: Ср мар 18, 2015 18:01:36 
Первый раз сказал Мяу!

Зарегистрирован: Ср мар 18, 2015 09:44:03
Сообщений: 25
Рейтинг сообщения: 0
В общем, выкидываем резистор R13, который изначально был на 120 Ом, а вместо него ставим диод 4007? Я правильно понял? Диод будет защищать от переполюсовки и выполнять роль небольшого сопротивления?
Цитата:
После диода можно один поставить, а на истоки последовательно пару

Что значит последовательно? Супрессор ведь в параллель включается всегда между защищаемой цепью и землей.


Вернуться наверх
 
Не в сети
 Заголовок сообщения: Re: Требуется помощь по схеме с драйвером и мосфетами.
СообщениеДобавлено: Ср мар 18, 2015 18:19:07 
Сверлит текстолит когтями
Аватар пользователя

Карма: 19
Рейтинг сообщений: 215
Зарегистрирован: Пн окт 07, 2013 18:38:17
Сообщений: 1166
Откуда: Новосибирск
Рейтинг сообщения: 0
Цитата:
Диод будет защищать от переполюсовки

и от скачков напряжения в минус.
Супрессоры вот так:
СпойлерИзображение


Вернуться наверх
 
Показать сообщения за:  Сортировать по:  Вернуться наверх
Начать новую тему Ответить на тему  [ Сообщений: 59 ]  1, ,  

Часовой пояс: UTC + 3 часа


Кто сейчас на форуме

Сейчас этот форум просматривают: Digi Di, Николай_С и гости: 73


Вы не можете начинать темы
Вы не можете отвечать на сообщения
Вы не можете редактировать свои сообщения
Вы не можете удалять свои сообщения
Вы не можете добавлять вложения

Найти:
Перейти:  


Powered by phpBB © 2000, 2002, 2005, 2007 phpBB Group
Русская поддержка phpBB
Extended by Karma MOD © 2007—2012 m157y
Extended by Topic Tags MOD © 2012 m157y