Например TDA7294

Форум РадиоКот • Просмотр темы - Простая радиостанция.
Форум РадиоКот
Здесь можно немножко помяукать :)

Текущее время: Пт янв 02, 2026 21:42:36

Часовой пояс: UTC + 3 часа


ПРЯМО СЕЙЧАС:



Начать новую тему Ответить на тему  [ Сообщений: 926 ]     ... , , , 45, ,  
Автор Сообщение
Не в сети
 Заголовок сообщения: Re: Простая радиостанция.
СообщениеДобавлено: Пт фев 14, 2014 18:28:29 
Открыл глаза

Зарегистрирован: Чт фев 13, 2014 22:36:20
Сообщений: 48
Рейтинг сообщения: 0
yrik, Вы определитесь, что хотите создать. Если радиостанцию, тогда читайте эту ветку. Если "передатчик ФМ", тогда Вам нужно идти в ветку свободного радиовещания и там задавать вопросы. А так путаете людей своими вопросами.
И еще: дальность связи на УКВ определяется прежде всего высотой установки антенн, поэтому Вы напрасно ищите "схему передатчика на 1-2 км".


Вернуться наверх
 
Не в сети
 Заголовок сообщения: Re: Простая радиостанция.
СообщениеДобавлено: Пт фев 14, 2014 19:45:28 
Потрогал лапой паяльник
Аватар пользователя

Зарегистрирован: Вт янв 08, 2013 09:17:37
Сообщений: 393
Рейтинг сообщения: 0
да эта схема то что нужно :beer: для фм, а возможно ее переделать под 27 мгц? обьясню хочу сделать две радиостанции для связи на дальность около 2 км можно стационарную для личной связи желательней простую на отечественных деталях, извените не хотел вас путать сейчас доделываю печатку к жуку 3 транзисторах, вот хочу что нибудь помощней попробовать :) я в радио и передатчиках не силен. иза этого столько вопросов, детали могу достать только отечественные импорт долго ждать.


Вернуться наверх
 
Не в сети
 Заголовок сообщения: Re: Простая радиостанция.
СообщениеДобавлено: Пт фев 14, 2014 20:03:33 
Друг Кота

Карма: -1
Рейтинг сообщений: 86
Зарегистрирован: Вт мар 13, 2012 12:16:13
Сообщений: 8896
Откуда: .ru
Рейтинг сообщения: 0
ничего невозможного нет. Тем более с такими специалистами как тут. :))) эту схему можно переделать и под 27 мгц ... и под что угодно. просто поменять детали - увеличить количество витков катушек и емкость конденсаторов... вопрос в другом - стабильность частоты без кварцаили синтезатора... к этому передатчику придеться делать широкополосный приёмник .. типа FM и тоже на 27 мгц. Узкополосный приёмник будешь постоянно подстраивать. А широкополосный приёмник имеет меньшую дальность чем узкополосный приёмник (в десятки раз!). Сколько можно повторять... Короче тебе нужно просто самому собрать этот передатчик, убедиться что использовать FM для личной связи - это плохо и больше не задавать таких вопросов. :tea: Короче для эксперементов пойдет. Собирай. Мы тут тебе уже так долго ищем схему... за это время (день... два...)Ты уже бы собрал этот передатчик )))) 4 транзистора...


Вернуться наверх
 
Не в сети
 Заголовок сообщения: Re: Простая радиостанция.
СообщениеДобавлено: Чт фев 20, 2014 11:15:32 
Мучитель микросхем
Аватар пользователя

Карма: 23
Рейтинг сообщений: 106
Зарегистрирован: Ср май 05, 2010 16:30:45
Сообщений: 415
Откуда: Удмуртия
Рейтинг сообщения: 0
Вот приёмник , реально работающий. Настройки минимум ,фактически только входной контур . Гетеродин запускался даже без контура (ставил перемычку).Имеется шумодав с полным отключением питания УНЧ. Работать начинает от 2,5 в. Ток потребления в дежурном режиме при 3в. 6-7 мА.http://img.radiokot.ru/files/22057/9qaqmjs68.jpg


Вернуться наверх
 
Эиком - электронные компоненты и радиодетали
Не в сети
 Заголовок сообщения: Re: Простая радиостанция.
СообщениеДобавлено: Чт фев 20, 2014 15:05:42 
Друг Кота
Аватар пользователя

Карма: 64
Рейтинг сообщений: 1102
Зарегистрирован: Ср ноя 17, 2010 23:10:55
Сообщений: 5837
Откуда: Ижевск LO66NU
Рейтинг сообщения: 0
Привет земляку! А схема-то какая? ха26?

_________________
В начале жизнь мучает вопросами, в конце - ответами...


Вернуться наверх
 
Не в сети
 Заголовок сообщения: Re: Простая радиостанция.
СообщениеДобавлено: Чт фев 20, 2014 16:19:29 
Мучитель микросхем
Аватар пользователя

Карма: 23
Рейтинг сообщений: 106
Зарегистрирован: Ср май 05, 2010 16:30:45
Сообщений: 415
Откуда: Удмуртия
Рейтинг сообщения: 0
Добрый вечер svic ! Нет, это МС3361 в типовом её включении. В общем ни чего нового. Как таковой цельной схемы пока нету , передо мной четыре журнала, из каждого по кусочку. Сегодня нарисую ,выложу. Я и раньше собирал на подобие этого , но всё как то не так работало. Сейчас недельки две экспериментировал ,опыта набирался ,но всё таки нашёл где я допускал свои ошибки . Этот заработал при первом же включении ,настройка заняла секунд двадцать. На кусок метрового провода в качестве антенны ,поймал дальнобойщиков ,трасса от меня в 4-5 км. Правда из за того что они работают на АМ разобрать разговор сложно .Но некоторые на ЧМ работают ,вот тех отчётливо и громко слышно . Матюкаются , уши вянут :))) .


Вернуться наверх
 
Не в сети
 Заголовок сообщения: Re: Простая радиостанция.
СообщениеДобавлено: Чт фев 20, 2014 18:02:37 
Мучитель микросхем
Аватар пользователя

Карма: 3
Рейтинг сообщений: 5
Зарегистрирован: Ср авг 24, 2011 12:14:29
Сообщений: 425
Откуда: Украина г.Никополь
Рейтинг сообщения: 0
Марсакот а какие ошибки у вас были?
svic на сколько помню это ваше творение. У вас есть схема по подробней и печатная плата с подробностсями, я просто не все понимаю на вашей схеме по номиналам ну с печатной платой это надолго если разбиратся :)) Зарание спасибо :beer:


Вложения:
радиостанции.jpg [147.88 KiB]
Скачиваний: 1164
Вернуться наверх
 
Не в сети
 Заголовок сообщения: Re: Простая радиостанция.
СообщениеДобавлено: Чт фев 20, 2014 19:19:48 
Друг Кота
Аватар пользователя

Карма: 64
Рейтинг сообщений: 1102
Зарегистрирован: Ср ноя 17, 2010 23:10:55
Сообщений: 5837
Откуда: Ижевск LO66NU
Рейтинг сообщения: 0
Да, одна из моих старых поделок, коротенько показывал в этом-же топике на 31-ой странице. Сильно упрощенная АМ-ка, там кратенькое описание в DOC вложении. Особыми параметрами, конечно, не блещет, но всё лучше, чем сверхрегенератор на который постоянно западают начинающие в своей святой простоте! :)))
Если Вас интересует что-то конкретное - с удовольствием поясню.

_________________
В начале жизнь мучает вопросами, в конце - ответами...


Вернуться наверх
 
Не в сети
 Заголовок сообщения: Re: Простая радиостанция.
СообщениеДобавлено: Чт фев 20, 2014 19:40:17 
Мучитель микросхем
Аватар пользователя

Карма: 23
Рейтинг сообщений: 106
Зарегистрирован: Ср май 05, 2010 16:30:45
Сообщений: 415
Откуда: Удмуртия
Рейтинг сообщения: 2
Вот ,намалевал :tea:


Вложения:
приёмник СВ.png [120.51 KiB]
Скачиваний: 1281
Вернуться наверх
 
Не в сети
 Заголовок сообщения: Re: Простая радиостанция.
СообщениеДобавлено: Чт фев 20, 2014 20:06:47 
Друг Кота
Аватар пользователя

Карма: 64
Рейтинг сообщений: 1102
Зарегистрирован: Ср ноя 17, 2010 23:10:55
Сообщений: 5837
Откуда: Ижевск LO66NU
Рейтинг сообщения: 0
Замечательно! Усилитель между фильтром шумодава и ключом видимо всё-таки необходим. Для простых аппаратов самое то! Думаю народ заинтересуется - рабочих конструкций по данной теме сделанных кошаками совсем немного.
:beer:
(В нашей мурлындии полно электронщиков, но почему-то в нете они встречаются крайне редко...).

_________________
В начале жизнь мучает вопросами, в конце - ответами...


Вернуться наверх
 
Не в сети
 Заголовок сообщения: Re: Простая радиостанция.
СообщениеДобавлено: Чт фев 20, 2014 20:29:58 
Мучитель микросхем
Аватар пользователя

Карма: 23
Рейтинг сообщений: 106
Зарегистрирован: Ср май 05, 2010 16:30:45
Сообщений: 415
Откуда: Удмуртия
Рейтинг сообщения: 0
Всё это не мной придумано и уже очень давно находится в различной литературе . Я понял одно, что тех разъяснений в статьях не достаточно . И поэтому многие начинающие радиолюбители или начинающие в этой области натыкаются на "стену" и в конечном итоге забрасывают всё это дело. Иногда даже самая маленькая мелочь может всё испортить ,в чём я не раз убедился на своём горьком опыте . Лично я эту стену разбил своим дубовым лбом :)))
svic писал(а):
(В нашей мурлындии полно
это точно :(


Вернуться наверх
 
Не в сети
 Заголовок сообщения: Re: Простая радиостанция.
СообщениеДобавлено: Чт фев 20, 2014 20:52:55 
Друг Кота
Аватар пользователя

Карма: 64
Рейтинг сообщений: 1102
Зарегистрирован: Ср ноя 17, 2010 23:10:55
Сообщений: 5837
Откуда: Ижевск LO66NU
Рейтинг сообщения: 3
Ну, это обычное явление, нежданчики на каждом шагу, независимо от квалификации (где-то фазу недоглядел, где-то общую шину не в той последовательности развел...). Спец тем и отличается от начинающего, что не предается меланхолии при первой-же загвоздке, а неимоверным напряжением интелекта начинает устранять проблему! :wink: :)))

_________________
В начале жизнь мучает вопросами, в конце - ответами...


Вернуться наверх
 
Не в сети
 Заголовок сообщения: Re: Простая радиостанция.
СообщениеДобавлено: Чт фев 20, 2014 20:57:15 
Друг Кота
Аватар пользователя

Карма: 72
Рейтинг сообщений: 1153
Зарегистрирован: Чт ноя 20, 2008 04:20:48
Сообщений: 8083
Откуда: КурскЪ
Рейтинг сообщения: 0
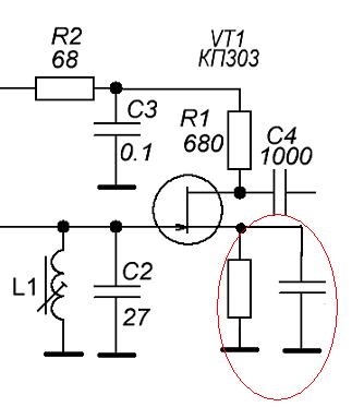
Не особо нравиться что затвор полевика соединён с контуром без разделительного кондёра.

_________________
Принимаю вас 595+40db на уровне шумов на кухонный приёмник,антенна наружка-магнитная катушка..работает "Акация",вот такая информация.Роман.73!!!
"50 КСВ 075", UA3112SWL
Изображение


Вернуться наверх
 
Не в сети
 Заголовок сообщения: Re: Простая радиостанция.
СообщениеДобавлено: Чт фев 20, 2014 21:00:41 
Модератор
Аватар пользователя

Карма: 158
Рейтинг сообщений: 1600
Зарегистрирован: Пт апр 28, 2006 15:26:07
Сообщений: 11940
Откуда: Россия.
Рейтинг сообщения: 0
Медали: 2
Мявтор 3-й степени (1) Лучший человек Форума 2017 (1)
А разделительный конденсатор в данном случае не нужен, хотя можно затвор соединить с общим проводом через резистор и поставить разделительный конденсатор, но это ничего не изменит. Только появится две дополнительные детали.
Другое дело, если транзистор имеет большой начальный ток, то имеет смысл в цепь истока поставить цепочку из параллельно соединенных резистора и конденсатора иди просто диод в прямом направлении.

Изображение


Вложения:
1.jpg [16.79 KiB]
Скачиваний: 2389
Вернуться наверх
 
Не в сети
 Заголовок сообщения: Re: Простая радиостанция.
СообщениеДобавлено: Чт фев 20, 2014 22:09:34 
Друг Кота
Аватар пользователя

Карма: 72
Рейтинг сообщений: 1153
Зарегистрирован: Чт ноя 20, 2008 04:20:48
Сообщений: 8083
Откуда: КурскЪ
Рейтинг сообщения: 0
Тогда придётся ставить полевик с нулевой отсечкой.

_________________
Принимаю вас 595+40db на уровне шумов на кухонный приёмник,антенна наружка-магнитная катушка..работает "Акация",вот такая информация.Роман.73!!!
"50 КСВ 075", UA3112SWL
Изображение


Вернуться наверх
 
Не в сети
 Заголовок сообщения: Re: Простая радиостанция.
СообщениеДобавлено: Чт фев 20, 2014 22:13:58 
Друг Кота
Аватар пользователя

Карма: 64
Рейтинг сообщений: 1102
Зарегистрирован: Ср ноя 17, 2010 23:10:55
Сообщений: 5837
Откуда: Ижевск LO66NU
Рейтинг сообщения: 0
Почему? С небольшим начальным током - это да (для экономии), а для линейности отсечка в 0.5В вроде как нормально.... :dont_know:

_________________
В начале жизнь мучает вопросами, в конце - ответами...


Вернуться наверх
 
Не в сети
 Заголовок сообщения: Re: Простая радиостанция.
СообщениеДобавлено: Пт фев 21, 2014 02:07:19 
Друг Кота
Аватар пользователя

Карма: 72
Рейтинг сообщений: 1153
Зарегистрирован: Чт ноя 20, 2008 04:20:48
Сообщений: 8083
Откуда: КурскЪ
Рейтинг сообщения: 0
А экземпляр с большей отсечкой катушка просто закоротит и всё.Считай транз останется без смещения.
ИМХО конечно же. :)

_________________
Принимаю вас 595+40db на уровне шумов на кухонный приёмник,антенна наружка-магнитная катушка..работает "Акация",вот такая информация.Роман.73!!!
"50 КСВ 075", UA3112SWL
Изображение


Вернуться наверх
 
Не в сети
 Заголовок сообщения: Re: Простая радиостанция.
СообщениеДобавлено: Пт фев 21, 2014 20:47:22 
Друг Кота

Карма: -1
Рейтинг сообщений: 86
Зарегистрирован: Вт мар 13, 2012 12:16:13
Сообщений: 8896
Откуда: .ru
Рейтинг сообщения: 0
Марсакот писал(а):
Вот ,намалевал...

А где основные технические параметры ? Я бы вместо R1 поставил бы контур... одна "лишняя" катушка в схеме габариты почти не увеличивает ... зато параметры должны быть выше. :beer: А вообще приёмник на одной микрухе - это хорошо. :tea:


Вернуться наверх
 
Не в сети
 Заголовок сообщения: Re: Простая радиостанция.
СообщениеДобавлено: Вс фев 23, 2014 05:39:34 
Мучитель микросхем
Аватар пользователя

Карма: 10
Рейтинг сообщений: 149
Зарегистрирован: Пт апр 29, 2011 17:22:38
Сообщений: 413
Откуда: Опорный край Державы
Рейтинг сообщения: 0
Марсакот писал(а):
Вот ,намалевал

А схему в Сплане можно получить?


Вернуться наверх
 
Не в сети
 Заголовок сообщения: Re: Простая радиостанция.
СообщениеДобавлено: Вс фев 23, 2014 10:59:25 
Мучитель микросхем
Аватар пользователя

Карма: 23
Рейтинг сообщений: 106
Зарегистрирован: Ср май 05, 2010 16:30:45
Сообщений: 415
Откуда: Удмуртия
Рейтинг сообщения: 0
Сюда не получается в сплане , отправлю в личку.


Вернуться наверх
 
Показать сообщения за:  Сортировать по:  Вернуться наверх
Начать новую тему Ответить на тему  [ Сообщений: 926 ]     ... , , , 45, ,  

Часовой пояс: UTC + 3 часа


Кто сейчас на форуме

Сейчас этот форум просматривают: нет зарегистрированных пользователей и гости: 33


Вы не можете начинать темы
Вы не можете отвечать на сообщения
Вы не можете редактировать свои сообщения
Вы не можете удалять свои сообщения
Вы не можете добавлять вложения

Найти:
Перейти:  


Powered by phpBB © 2000, 2002, 2005, 2007 phpBB Group
Русская поддержка phpBB
Extended by Karma MOD © 2007—2012 m157y
Extended by Topic Tags MOD © 2012 m157y