Например TDA7294

Форум РадиоКот • Просмотр темы - Синтезатор частоты 88-108МГц на ATMEGA16
Форум РадиоКот
Здесь можно немножко помяукать :)

Текущее время: Пн ноя 17, 2025 20:58:21

Часовой пояс: UTC + 3 часа


ПРЯМО СЕЙЧАС:



Начать новую тему Ответить на тему  [ Сообщений: 678 ]     ... , , , 13, , , ...  
Автор Сообщение
Не в сети
 Заголовок сообщения: Re: Синтезатор частоты 88-108МГц на ATMEGA16
СообщениеДобавлено: Сб июн 08, 2013 19:34:29 
Потрогал лапой паяльник

Карма: 3
Рейтинг сообщений: 18
Зарегистрирован: Вт мар 13, 2012 07:24:30
Сообщений: 300
Рейтинг сообщения: 0
Опробовал работу LM7001 в синтезаторе для приёмо-передатчика на диапазон 144-146МГц, соответствующим образом изменив прошивку. Хотя LM7001 по даташиту не предназначена для работы в этом диапазоне частот (да ещё с "верхним" ГУНом), результат получился положительным. Поэтому выкладываю схему, плату и прошивку. Плата и схема остались те же, что и для варианта синтезатора к приёмнику диапазона 88-108МГц, но на всякий случай размещаю вновь. И ещё один плюс - это то, что LM7001 дешевле и доступнее, чем LC72131.
Номиналы ФНЧ синтезатора не изменял, он так и остался для частоты сравнения в 100кГц, хотя она снизилась до 25 кГц. По-хорошему, надо бы поменять, но меня устроил и этот результат.


Вложения:
Комментарий к файлу: Прошивка
PLL_LM7001_WH1602_ATMEGA8_144-146MHz_25kHZ_RX_TX_OZU1.hex [3.63 KiB]
Скачиваний: 667
Комментарий к файлу: Плата
PLL 144_146_ATMEGA-8_LM7001_RX_TX_SMD.lay [96.59 KiB]
Скачиваний: 569
Комментарий к файлу: Схема
PLL_ATMEGA8_SOIC+LM7001_SOIC_RX_TX.rar [7.08 KiB]
Скачиваний: 507


Последний раз редактировалось lazer Вс июн 09, 2013 19:04:32, всего редактировалось 1 раз.
Вернуться наверх
 
Не в сети
 Заголовок сообщения: Re: Синтезатор частоты 88-108МГц на ATMEGA16
СообщениеДобавлено: Вс июн 09, 2013 09:56:04 
Потрогал лапой паяльник

Карма: 3
Рейтинг сообщений: 18
Зарегистрирован: Вт мар 13, 2012 07:24:30
Сообщений: 300
Рейтинг сообщения: 0
Имеется обновление прошивки PLL_LC72131_WH1602_ATMEGA8_144-146MHz_25kHZ_RX_TX_OZU1.hex со стр.12


Вложения:
Комментарий к файлу: Обновление прошивки синтезатора для приёмопередатчика на LC72131
PLL_LC72131_WH1602_ATMEGA8_144-146MHz_25kHZ_RX_TX_OZU1.hex [3.96 KiB]
Скачиваний: 614
Вернуться наверх
 
Не в сети
 Заголовок сообщения: Re: Синтезатор частоты 88-108МГц на ATMEGA16
СообщениеДобавлено: Пн июн 10, 2013 06:07:42 
Потрогал лапой паяльник

Карма: 3
Рейтинг сообщений: 18
Зарегистрирован: Вт мар 13, 2012 07:24:30
Сообщений: 300
Рейтинг сообщения: 0
Как всегда, при обкатке выявились некоторые неточности, например, при "промежуточном" положении валкодера и нажатии на кнопку RX_TX происходило увеличение частоты на 1 шаг. Устранил.
В версии программы для LC72131 - то же самое - и тоже устранил.
Вроде бы больше дефектов не обнаружено.


Вложения:
Комментарий к файлу: Обновление программы PLL_LM7001_WH1602_ATMEGA8_144-146MHz_25kHZ_RX_TX_OZU1
PLL_LM7001_WH1602_ATMEGA8_144-146MHz_25kHZ_RX_TX_OZU1.hex [3.61 KiB]
Скачиваний: 716
Комментарий к файлу: Обновление программы PLL_LC72131_WH1602_ATMEGA8_144-146MHz_25kHZ_RX_TX_OZU1
PLL_LC72131_WH1602_ATMEGA8_144-146MHz_25kHZ_RX_TX_OZU1.hex [4.02 KiB]
Скачиваний: 595
Вернуться наверх
 
Не в сети
 Заголовок сообщения: Re: Синтезатор частоты 88-108МГц на ATMEGA16
СообщениеДобавлено: Пн июн 10, 2013 19:35:06 
Первый раз сказал Мяу!

Зарегистрирован: Пн июн 10, 2013 16:43:50
Сообщений: 20
Рейтинг сообщения: 0
ПРИВЕТ LAZER . МОГЛИ БЫ ВЫ ИСПРАВИТЬ ПРОШИВКУ ПОД ЗАБУГОРНЫЙ ЕКРАН АТО У МЕНЯ БУКВЫ ИРОГЛИФЫ . ПОД ВЕРСИЮ PLL LM7001 WH1602 ATMEGA8 1 V СПАСИБА...

А кричать-то зачем? Мы тут не глухие.
ploop


Вернуться наверх
 
Эиком - электронные компоненты и радиодетали
Не в сети
 Заголовок сообщения: Re: Синтезатор частоты 88-108МГц на ATMEGA16
СообщениеДобавлено: Вт июн 11, 2013 02:09:56 
Первый раз сказал Мяу!

Зарегистрирован: Пн июн 10, 2013 16:43:50
Сообщений: 20
Рейтинг сообщения: 0
котики привет. ктото собирал на atmege8 i lm7001 ето радио чбы играло . ато у меня все работает только не играет . страно почему . сделал уже столько радива и трансиверов все работают. ткните палцом где кот зарыт . я нихочу обидить никово просто непонимаю в чом беда .я собирал такого типа радиа и трансивер на pic16f84a работает . Я ПРИНОШУ СВОИ ИЗВЕНЕНИЕ . проблема решена у меня мега была прошита на 8 мгц надобыло на заводские fuze поставить . но ето небида так как другие КОТИКИ неповторят .мою ошибку .автору ниский поклон . КТ610 .73...


Последний раз редактировалось kt610 Вт июн 11, 2013 23:08:56, всего редактировалось 1 раз.

Вернуться наверх
 
Не в сети
 Заголовок сообщения: Re: Синтезатор частоты 88-108МГц на ATMEGA16
СообщениеДобавлено: Вт июн 11, 2013 10:30:53 
Потрогал лапой паяльник

Карма: 3
Рейтинг сообщений: 18
Зарегистрирован: Вт мар 13, 2012 07:24:30
Сообщений: 300
Рейтинг сообщения: 0
Принципиально переработал программу для синтезатора приёмопередатчика на диапазон 144-146 на LM7001+ATMEGA-8.
Что изменилось:
1. Вместо прошивки PLL_LM7001_WH1602_ATMEGA8_144-146MHz_25kHZ_RX_TX_OZU1
теперь будет вот эта: PLL_LM7001_WH1602_ATMEGA8_144-146_25_RX_TX_VP_OZU1
2. Работа кнопки ПРИЁМ/ПЕРЕДАЧА во всех предыдущих программах строилась по прерыванию, а для этого требовалось учитывать множество "но" во всей программе. Работа кнопки по опросу давно назрела, но было сложно соединить её с валкодером.
3. Кнопка работает надёжнее и в любом положении валкодера.
4. Теперь кнопка опрашивается вместе с валкодером, а это принципиально меняет дело - легко можно ввести большое количество кнопок для разных функциий, например, менять шаг сетки, ПЧ, диапазон частот; ранее всё упиралось в отсутствие нужного количества внешних прерываний.
5. Возможно применение ещё более простого контроллера, например, ATTINI2313, т.к внешние прерывания не нужны
6. Есть возможность вернуть в программу функции запоминания частот и сделать вариант с переключением в диапазон 433МГц
Хотя - программа - такое дело, что ньюансы еще могут проявиться....

P.S. Всем, кто скачал прошивку, размещённую здесь, рекомендую сделать это заново, т.к. она изменена с целью повышения надежности работы


Вложения:
Комментарий к файлу: Прошивка
PLL_LM7001_WH1602_ATMEGA8_144-146_25_RX_TX_VP_OZU1.hex [3.58 KiB]
Скачиваний: 654


Последний раз редактировалось lazer Вт июн 11, 2013 21:32:57, всего редактировалось 5 раз(а).
Вернуться наверх
 
Не в сети
 Заголовок сообщения: Re: Синтезатор частоты 88-108МГц на ATMEGA16
СообщениеДобавлено: Вт июн 11, 2013 13:12:00 
Первый раз сказал Мяу!

Зарегистрирован: Пн июн 10, 2013 16:43:50
Сообщений: 20
Рейтинг сообщения: 0
lazer привет . PLL_LM7001_WH1602_ATMEGA8_144-146_25_RX_TX_VP_OZU1.hex сюда нужно добавить функцию -минус 600Кhc для того чтобы работать в репитерном режиме . пример если репитер R0 ево вход 145.000 а передача 145.600 . значит наш TRX должен передавать 145.000 а принемать 145.600 удачи с уважением / KT610 /


Вернуться наверх
 
Не в сети
 Заголовок сообщения: Re: Синтезатор частоты 88-108МГц на ATMEGA16
СообщениеДобавлено: Вт июн 11, 2013 13:59:11 
Потрогал лапой паяльник

Карма: 3
Рейтинг сообщений: 18
Зарегистрирован: Вт мар 13, 2012 07:24:30
Сообщений: 300
Рейтинг сообщения: 0
Приветствую, KT610!
Пока ещё до репитера дело не дошло - имеются некоторые ньюансы в программе, которые нужно устранить, а уже потом заняться репитером.


Вернуться наверх
 
Не в сети
 Заголовок сообщения: Re: Синтезатор частоты 88-108МГц на ATMEGA16
СообщениеДобавлено: Вт июн 11, 2013 14:08:14 
Первый раз сказал Мяу!

Зарегистрирован: Пн июн 10, 2013 16:43:50
Сообщений: 20
Рейтинг сообщения: 0
lazer . привет можете переделать прошивку на иностраный lcd FM 88-108МГс на atmega8 lm7001 ато купил 10 штук а они не подерживают руский язык спасиба.



Вам нужно прочитать Правила форума.
viewtopic.php?f=19&t=6538
Нарушение Правил форума п. 2.2

aen


Вернуться наверх
 
Не в сети
 Заголовок сообщения: Re: Синтезатор частоты 88-108МГц на ATMEGA16
СообщениеДобавлено: Вт июн 11, 2013 18:31:46 
Потрогал лапой паяльник

Карма: 3
Рейтинг сообщений: 18
Зарегистрирован: Вт мар 13, 2012 07:24:30
Сообщений: 300
Рейтинг сообщения: 0
Переделывать прошивку на вкус каждого радиолюбителя только потому, что у него есть в наличии такие-то компоненты, у меня нет времени, поскольку есть более серьёзные планы по дальнейшему усовершенствованию проекта и это будет более интересным для всех. Хотя, при появлении "лишнего" времени постараюсь выполнить Ваше пожелание.


Вернуться наверх
 
Не в сети
 Заголовок сообщения: Re: Синтезатор частоты 88-108МГц на ATMEGA16
СообщениеДобавлено: Вт июн 11, 2013 19:14:28 
Первый раз сказал Мяу!

Зарегистрирован: Пн июн 10, 2013 16:43:50
Сообщений: 20
Рейтинг сообщения: 0
lazer спасиба. но ради меня нестоит . у меня есть море индикаторов разных. просто я подумал что НИ Я один стакими индикаторами lcd но даладно . не подумайте что я хочу вам надоеедать с уважением KT610 ...


Вернуться наверх
 
Не в сети
 Заголовок сообщения: Re: Синтезатор частоты 88-108МГц на ATMEGA16
СообщениеДобавлено: Вт июн 11, 2013 19:33:47 
Потрогал лапой паяльник

Карма: 3
Рейтинг сообщений: 18
Зарегистрирован: Вт мар 13, 2012 07:24:30
Сообщений: 300
Рейтинг сообщения: 0
Посмотрим, время покажет, может и сделаем...


Вернуться наверх
 
Не в сети
 Заголовок сообщения: Re: Синтезатор частоты 88-108МГц на ATMEGA16
СообщениеДобавлено: Вт июн 11, 2013 22:23:04 
Первый раз сказал Мяу!

Зарегистрирован: Пн июн 10, 2013 16:43:50
Сообщений: 20
Рейтинг сообщения: 0
добрый ночи всем. подскажите на какой частоте atmega8 в даной схеме работает ... ПРОБЛЕМА РЕШЕНА НА ЗАВОДСКИЕ СТАВИТЬ НАДО .


Вложения:
FUSE.jpg [14.58 KiB]
Скачиваний: 904


Последний раз редактировалось kt610 Ср июн 12, 2013 12:50:22, всего редактировалось 4 раз(а).
Вернуться наверх
 
Не в сети
 Заголовок сообщения: Re: Синтезатор частоты 88-108МГц на ATMEGA16
СообщениеДобавлено: Ср июн 12, 2013 07:03:46 
Потрогал лапой паяльник

Карма: 3
Рейтинг сообщений: 18
Зарегистрирован: Вт мар 13, 2012 07:24:30
Сообщений: 300
Рейтинг сообщения: 0
Что означает "на заводские ставить надо"? Просьба выражаться корректнее, с использованием правил русского языка, а то очень тяжело разобрать что к чему.
Процессор работает на частоте 1 МГц.


Вернуться наверх
 
Не в сети
 Заголовок сообщения: Re: Синтезатор частоты 88-108МГц на ATMEGA16
СообщениеДобавлено: Ср июн 12, 2013 10:36:24 
Первый раз сказал Мяу!

Зарегистрирован: Пн июн 10, 2013 16:43:50
Сообщений: 20
Рейтинг сообщения: 0
LAZER привет. а что вы скажете на ето . если вдальнейшем в ставить функцию в ваш контролер . 88.5 герц . ну вы наверно знаеете зачем . для тех кто незнаеет ето нужно чтобы открывать репитер . ето даст вашему шедевру большой плюс . с уважением КТ610...


Вернуться наверх
 
Не в сети
 Заголовок сообщения: Re: Синтезатор частоты 88-108МГц на ATMEGA16
СообщениеДобавлено: Ср июн 12, 2013 13:13:31 
Встал на лапы
Аватар пользователя

Зарегистрирован: Вт янв 15, 2013 13:23:29
Сообщений: 91
Рейтинг сообщения: 0
lazer Подскажи где редактировать в исходнике чтобы получить промежутку 10.695 ?
А то наковырял фильтра 10.695 в метале и кварцы 10.240, хотелось бы применить.


Вернуться наверх
 
Не в сети
 Заголовок сообщения: Re: Синтезатор частоты 88-108МГц на ATMEGA16
СообщениеДобавлено: Ср июн 12, 2013 14:47:49 
Первый раз сказал Мяу!

Зарегистрирован: Пн июн 10, 2013 16:43:50
Сообщений: 20
Рейтинг сообщения: 0
ВОПРОС если можно . то я отвечу GRECK . ВПРОШИВКЕ менять ненадо .пример 10.695мгц - вычетаем опорный кварц ето 10.240 мгц и получаем вторую промежуточьную частоту 455кгц .вам нужно собирать с двойным преобразованием приемник .пример микросхема mc3361 .удачи кт610..73..


Последний раз редактировалось kt610 Ср июн 12, 2013 15:46:08, всего редактировалось 2 раз(а).

Вернуться наверх
 
Не в сети
 Заголовок сообщения: Re: Синтезатор частоты 88-108МГц на ATMEGA16
СообщениеДобавлено: Ср июн 12, 2013 14:56:49 
Встал на лапы
Аватар пользователя

Зарегистрирован: Вт янв 15, 2013 13:23:29
Сообщений: 91
Рейтинг сообщения: 0
А то что прошивка расчитанна на 10.700 врать не будет на 5 кГц?


Вернуться наверх
 
Не в сети
 Заголовок сообщения: Re: Синтезатор частоты 88-108МГц на ATMEGA16
СообщениеДобавлено: Ср июн 12, 2013 15:06:32 
Потрогал лапой паяльник

Карма: 3
Рейтинг сообщений: 18
Зарегистрирован: Вт мар 13, 2012 07:24:30
Сообщений: 300
Рейтинг сообщения: 0
Конечно, будет врать. В программе именно число, соответствуещее 10,7МГц и вычитается. Отвечу в личку, greck. Дело в том, что не так просто одним махом поменять ПЧ.


Вернуться наверх
 
Не в сети
 Заголовок сообщения: Re: Синтезатор частоты 88-108МГц на ATMEGA16
СообщениеДобавлено: Ср июн 12, 2013 15:57:22 
Первый раз сказал Мяу!

Зарегистрирован: Пн июн 10, 2013 16:43:50
Сообщений: 20
Рейтинг сообщения: 0
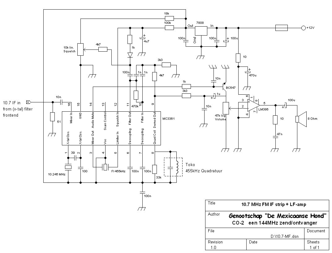
врать не будет он будет принимать SSB синал .LSB .ИЛИ .USB ето уская полоса 3кгц . для етово нужно синтезатор частот с шагом 100 гц . для FM кварц 10.245мгц и фильтер с вешчательного приемника на10.700 полоса от 15-100кгц. а второе пч 455кгц и полоса пропускания 10-15Кгц. вот схема тракта пч.на FM 145.000 И ВЫШЕ.. GRECK....ЕТО СНОВО Я ..ДОБАВЛЮ если ваш фильтер на полосу 15кгц то выход есьть микросхема К174УР3 ИЛИ К174ХА6 на входе ставите свой фильтер . а опорный кварц там заменяет катушка . так сделано радиостанциях маяк. kt610


Вложения:
co2-mc3361-fm-if.jpg [89.83 KiB]
Скачиваний: 652
Вернуться наверх
 
Показать сообщения за:  Сортировать по:  Вернуться наверх
Начать новую тему Ответить на тему  [ Сообщений: 678 ]     ... , , , 13, , , ...  

Часовой пояс: UTC + 3 часа


Кто сейчас на форуме

Сейчас этот форум просматривают: нет зарегистрированных пользователей и гости: 34


Вы не можете начинать темы
Вы не можете отвечать на сообщения
Вы не можете редактировать свои сообщения
Вы не можете удалять свои сообщения
Вы не можете добавлять вложения

Найти:
Перейти:  


Powered by phpBB © 2000, 2002, 2005, 2007 phpBB Group
Русская поддержка phpBB
Extended by Karma MOD © 2007—2012 m157y
Extended by Topic Tags MOD © 2012 m157y