Например TDA7294

Форум РадиоКот • Просмотр темы - Радиостанция CB(Си-Би)
Форум РадиоКот
Здесь можно немножко помяукать :)

Текущее время: Сб янв 31, 2026 03:38:33

Часовой пояс: UTC + 3 часа


ПРЯМО СЕЙЧАС:



Начать новую тему Ответить на тему  [ Сообщений: 2069 ]  1, , , , ...  
Автор Сообщение
Не в сети
 Заголовок сообщения: Радиостанция CB(Си-Би)
СообщениеДобавлено: Чт янв 08, 2009 11:41:31 
Потрогал лапой паяльник
Аватар пользователя

Зарегистрирован: Пт июл 11, 2008 14:05:09
Сообщений: 308
Рейтинг сообщения: 0
Все! Я пас! Было бы лучше, что бы кто-то параллельно со мной собирал передатчик, т.к. "голые советы" результата не дают. Больше не хватает терпения и нерв!

Хоть и интересно собирать всякие электронные штучки, но когда продолжительное время результата нет абсолютно никакого, то это уже перестает быть таковым.

Вывод: эпоха дефицита прошла, сейчас в секторе рынка бытовой электроники и средств связи есть выбор портативных радиостанций от 0.5Вт и более.

Для тех целей, ради которых я целый месяц безуспешно пытался собрать только передатчик станции, все же действительно лучше купить LPD JET Mini!


Последний раз редактировалось Asteriy Чт янв 08, 2009 12:55:50, всего редактировалось 1 раз.

Вернуться наверх
 
Не в сети
 Заголовок сообщения: Re: Простая рация на 27мГц
СообщениеДобавлено: Чт янв 08, 2009 12:17:55 
Модератор
Аватар пользователя

Карма: 158
Рейтинг сообщений: 1600
Зарегистрирован: Пт апр 28, 2006 15:26:07
Сообщений: 11940
Откуда: Россия.
Рейтинг сообщения: 0
Медали: 2
Мявтор 3-й степени (1) Лучший человек Форума 2017 (1)
Так ведь предупреждали. Что тебе нужно, радиостанция или сделать радиостанцию для интереса. Вот твой ответ.

Asteriy писал(а):
Решил самостоятельно ради интререса сделать рацию на 27мГц (27145кГц).


Если для интереса, то слишком быстро сдался. Я свою первую для интереса делал целый год.
Тема пусть остаётся в назидание другим. Никакая она не тупиковая.

А вот в этой теме подробно описан весь процесс настройки таких радиостанций.
И тема между прочим твоя.
http://radiokot.ru/forum/viewtopic.php?t=9878
Тоже задающий генератор. То же согласование с УМ. Настройка контуров. Определение выходной мощности и все пробники, которые нужны.


Вернуться наверх
 
Не в сети
 Заголовок сообщения: Радиостанция СВ
СообщениеДобавлено: Вс янв 11, 2009 15:03:44 
Сверлит текстолит когтями
Аватар пользователя

Карма: 16
Рейтинг сообщений: 62
Зарегистрирован: Сб апр 21, 2007 10:40:53
Сообщений: 1292
Рейтинг сообщения: 0
Сейчас найду кварцы с рвзносом, где то есть и попробую с нуля начать делать ЧМ радиостпнцию на 27 мгц. Кварцы у меня гармониковые. Думаю, что передатчик три каскада. Легче потом будет мощность вытягивать. Пока ничего не могу больше написать. Сейчас сяду и начну с задающего генератора. Что будет получаться и как настраивал буду сюда писать. Транзисторы в основном КТ315, КТ3102. Конечно троечку КТ368 не мешало бы.Какой нибудь ВЧ p-n-p транзистор не помешает. У меня КТ347, КТ3127, КТ363 есть. Но это не обязательно. Можно другие наши или импортные на частоту порядка 400 мгц. В приёмнике в смесителе я бы полевой двухзатворный поставил. У меня КП327 есть. Можно и другие, а то и вообще на обычном смеситель сделать. Писать буду продолжая старые посты, что бы не было подряд одних и тех же моих. Просто буду добавлять. Сегодня пока бесполезно смотреть. Только ещё паяльник включил.


Вернуться наверх
 
Не в сети
 Заголовок сообщения:
СообщениеДобавлено: Вс янв 11, 2009 15:24:21 
Первый раз сказал Мяу!

Зарегистрирован: Вс янв 11, 2009 01:30:53
Сообщений: 38
Рейтинг сообщения: 0
Для задающего генератора я нашел КТ3102А, КТ315Б(Е) и КТ368А(Б). Есть еще КТ608Б. Судя по всему кт608б можно на усилитель мощности приладить? Других транзисторов нет сейчас под рукой. Каркас катушки точно есть 5мм. Приемник есть и УКВ, и ФМ.


Вернуться наверх
 
Эиком - электронные компоненты и радиодетали
Не в сети
 Заголовок сообщения:
СообщениеДобавлено: Вс янв 11, 2009 16:53:15 
Сверлит текстолит когтями
Аватар пользователя

Карма: 16
Рейтинг сообщений: 62
Зарегистрирован: Сб апр 21, 2007 10:40:53
Сообщений: 1292
Рейтинг сообщения: 0
Для передатчика достаточно. Только варикап ещё будет нужен. Чем меньше начальная ёмкость тем лучше, хотя можно и с другими выкрутиться.


Вернуться наверх
 
Не в сети
 Заголовок сообщения:
СообщениеДобавлено: Вс янв 11, 2009 17:07:46 
Первый раз сказал Мяу!

Зарегистрирован: Вс янв 11, 2009 01:30:53
Сообщений: 38
Рейтинг сообщения: 0
Maks писал(а):
Для передатчика достаточно. Только варикап ещё будет нужен. Чем меньше начальная ёмкость тем лучше, хотя можно и с другими выкрутиться.


Достану, может даже сегодня. По заметкам вроде как кв109а. Правильно?

Начинаем с задающего? Он шибко сложный?


Вернуться наверх
 
Не в сети
 Заголовок сообщения:
СообщениеДобавлено: Вс янв 11, 2009 22:36:10 
Потрогал лапой паяльник
Аватар пользователя

Зарегистрирован: Пт июл 11, 2008 14:05:09
Сообщений: 308
Рейтинг сообщения: 0
Я тоже буду собирать вместе.


Вернуться наверх
 
Не в сети
 Заголовок сообщения:
СообщениеДобавлено: Пн янв 12, 2009 18:41:46 
Первый раз сказал Мяу!

Зарегистрирован: Вс янв 11, 2009 01:30:53
Сообщений: 38
Рейтинг сообщения: 0
А как скоро начнем делать?


Вернуться наверх
 
Не в сети
 Заголовок сообщения:
СообщениеДобавлено: Вт янв 13, 2009 14:38:51 
Потрогал лапой паяльник
Аватар пользователя

Зарегистрирован: Пт июл 11, 2008 14:05:09
Сообщений: 308
Рейтинг сообщения: 0
:)) И в самом деле, когда будет продолжение?


Вернуться наверх
 
Не в сети
 Заголовок сообщения:
СообщениеДобавлено: Вт янв 13, 2009 22:32:09 
Сверлит текстолит когтями
Аватар пользователя

Карма: 16
Рейтинг сообщений: 62
Зарегистрирован: Сб апр 21, 2007 10:40:53
Сообщений: 1292
Рейтинг сообщения: 0
Просто я сам начал паять. Сделал модулятор на двух транзисторах, схема подобного здесь в теме есть. Потом нарисую Задающий генератор на гармониковом кварце не 27 мгц В качестве варикапа взял пару параллельных диодом КД102 Б. Просто варикапа не нашёл. В качестве микрофона, динамик, что и при приёме будет использоваться. Катушка последовательно с кварцем просто случайную взял. Там витров 80. Её потом совместно с приёмником придётся подобрать. На выход задающего провод 5 см в качестве антенны. Рядом бытовой приёмник настроенный на частоту порядка 108 мгц. Когда говоришь в микрофон, звук чистый и громкий. Пишу из за того, что в принципе с задающим и модулятором никаких проблем не было. Схемы типовые. Нарисую с номиналами деталей и напряжениями. Так что ничего не заглохло. Транзисторы все КТ3102. Дальше попробую двухкаскадный УМ. Питание пока 6 вольт. Потом можно скорректировать, если не будет хватать мощности. Это так, предварительно, пока без рисунков и схем, т.к. если завязну в картинках, главное будет стоять. Сейчас здесь найду схему модулятора, она в теме есть и схему задающего. Она здесь в теме в качестве гетеродина использовалась. Добавилось только варикап и катушка последовательно с кварцем для увеличения девиации частоты.

Вот примерно всё отсюда взято. Это из этой же темы,, только приёмник.
Изображение

Побольше сделаю, тогда и нарисую, как положено.


Вернуться наверх
 
Не в сети
 Заголовок сообщения:
СообщениеДобавлено: Вт янв 13, 2009 23:13:28 
Сверлит текстолит когтями
Аватар пользователя

Карма: 16
Рейтинг сообщений: 62
Зарегистрирован: Сб апр 21, 2007 10:40:53
Сообщений: 1292
Рейтинг сообщения: 0
Нечего сейсас особо писать. Спаяю полностью и всё проверю. Главные хлопоты с приёмником будут. Я ещё сижу и дальше паяю. Просто отвлёкся покурить, да сказать, что не забросил.
И ещё сказать, что в передатчике никаких дефицитных деталей не предвидется, так, что особо искать не нужно будет. Я даже варикапа не нашёл, просто диоды поставил.


Вернуться наверх
 
Не в сети
 Заголовок сообщения:
СообщениеДобавлено: Сб янв 17, 2009 13:14:22 
Потрогал лапой паяльник
Аватар пользователя

Зарегистрирован: Пт июл 11, 2008 14:05:09
Сообщений: 308
Рейтинг сообщения: 0
Кстати, если нужно, то могу сам порисовать схему. В паинте это хорошо получается.

Пример моей отрисовки схемы:
Изображение


Вернуться наверх
 
Не в сети
 Заголовок сообщения:
СообщениеДобавлено: Сб янв 17, 2009 23:16:40 
Сверлит текстолит когтями
Аватар пользователя

Карма: 16
Рейтинг сообщений: 62
Зарегистрирован: Сб апр 21, 2007 10:40:53
Сообщений: 1292
Рейтинг сообщения: 0
Вот, что бы пустоты не было. Схема никаких особенностей не имеет. Вся её особенность в тонкостях настройки. Нужно чётко представлять, что схема настроена правильно. Все контура настроены на свои частоты и не мучиться потом вопросом, правильно всё или неправильно. При 6 волт питания выдаёт мощность 0,3 вт. При желании можно напряжение повысить и выходной транзистор например КТ646 поставить. Первые три транзистора КТ3102 по просьбу.. Третий КТ316, просто у меня такой был. КТ 368 будет лучше. В усилителе мощности КТ608, опять по просьбе, хотя я бы поставил КТ3117. У него габариты меньше.
Номиналы деталей подрисую. Большой критичности нет.

Изображение

В общем стандартная схема на макетке работает. Потом подробности напишу.


Вернуться наверх
 
Не в сети
 Заголовок сообщения:
СообщениеДобавлено: Вс янв 18, 2009 00:28:15 
Сверлит текстолит когтями
Аватар пользователя

Карма: 16
Рейтинг сообщений: 62
Зарегистрирован: Сб апр 21, 2007 10:40:53
Сообщений: 1292
Рейтинг сообщения: 0
Нарисуй еcли не трудно, как положено. Я просто надёргал из готовых схем. после пайки никак руки не доходят. Все каскады стандартные. Номиналы я пришлю. Здесь тонкость только в наcтройке. Не везде настройка контура по максимуму, как например в АМ передатчике здесь не является правильной, поэтому и возникают трудности.ты сначала в личку схему сбрось. я окончательно проверю, номиналы поставлю, а потом сюда скинешь. а я по схеме начну методику настройки описывать и указывать узкие места, где можно "наколоться". Я там забыл зашунтировать вход модулятора крндесатором на 0,1 мкф, что бы наводки от строчной телевизоров не лезли.
Варикап там питается от переменного резистора. Это только при отладке с приёиником. Когда определим оптимальеое напряжение варикапа, заменим потенциомнтр аналогом стабилитрона на транзисторе. Но это тоже нужно будет делать при совместной отладке передатчика и приёмника.


Вернуться наверх
 
Не в сети
 Заголовок сообщения:
СообщениеДобавлено: Вс янв 18, 2009 13:51:33 
Потрогал лапой паяльник
Аватар пользователя

Зарегистрирован: Пт июл 11, 2008 14:05:09
Сообщений: 308
Рейтинг сообщения: 0
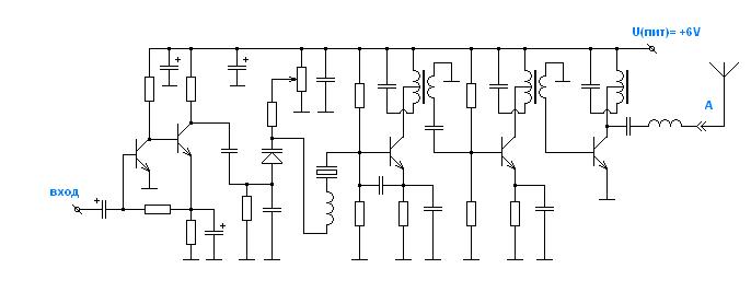
Вот и схема:

Изображение

С подписями:
Изображение

Надеюсь ничего не упустил, но если что, то поправлю.


Вложения:
1.JPG [21.08 KiB]
Скачиваний: 1659
Вернуться наверх
 
Не в сети
 Заголовок сообщения:
СообщениеДобавлено: Вс янв 18, 2009 20:49:10 
Сверлит текстолит когтями
Аватар пользователя

Карма: 16
Рейтинг сообщений: 62
Зарегистрирован: Сб апр 21, 2007 10:40:53
Сообщений: 1292
Рейтинг сообщения: 0
Зря поторопился. Я просил в личку сначала. Я бы номиналы поставил. На память не помню. Ставил при наладке. Ладно потом здесь же поставлю.
Ошибок пока не вижу, только я сам забыл зашунтировать вход модулятора конденсатором 0,1 мкф, что бы помехи ои строчной телевизора на вход не лезли, но это тоже можно потом.


Вернуться наверх
 
Не в сети
 Заголовок сообщения:
СообщениеДобавлено: Пн янв 19, 2009 10:51:12 
Потрогал лапой паяльник
Аватар пользователя

Зарегистрирован: Пт июл 11, 2008 14:05:09
Сообщений: 308
Рейтинг сообщения: 0
Про личку упустил из виду. Я думаю ничего страшного :)

Ты как скоро сможешь номиналы проставить?


Вернуться наверх
 
Не в сети
 Заголовок сообщения:
СообщениеДобавлено: Ср янв 21, 2009 14:27:59 
Сверлит текстолит когтями
Аватар пользователя

Карма: 16
Рейтинг сообщений: 62
Зарегистрирован: Сб апр 21, 2007 10:40:53
Сообщений: 1292
Рейтинг сообщения: 0
Ничего страшного. Сейчас проставлю.


Вернуться наверх
 
Не в сети
 Заголовок сообщения:
СообщениеДобавлено: Ср янв 21, 2009 18:11:13 
Сверлит текстолит когтями
Аватар пользователя

Карма: 16
Рейтинг сообщений: 62
Зарегистрирован: Сб апр 21, 2007 10:40:53
Сообщений: 1292
Рейтинг сообщения: 0
Изображение

Подставил элементы. Особой критичности не нужно. Если стоит резистор 270, то в принципе пойдёт и 220 и 300. Схема как писал типовая. На макете проверенная. Если есть желание можно и ещё на макете спаять. Может кто возьмётся печатку нарисовать. Я их никогда не делаю. У меня свой метод. Я в отсеках каскады паяю. Белаю колобку иж жестяной банки "нескафе" и в отсеках паяю каскады. Паяю на полистироле. Удобно. Выводы деталей вплавляются в полистирол в нужных местам. Здесь в теме есть фото, где приёмник так сделан. Но это не принципиально. Можно печатку или как кто хочет. Т.к. схема смакетирована, то можно собирать полностью и начинать настройку.
Для настройки нужно иметь китайский приёмник с УКВ или FM или и с тем и ждугим. Диодный пробник. Он тоже в этой теме есть. Простейший волномер. Тоже элементарно. Пока всё. Если кто начнёт делать, вероятно появятся вопросы. Буду следить.


Вложения:
Безымянный1.JPG [111.5 KiB]
Скачиваний: 2397
Вернуться наверх
 
Не в сети
 Заголовок сообщения: Радиостанция СВ
СообщениеДобавлено: Ср янв 21, 2009 18:14:45 
Вымогатель припоя

Зарегистрирован: Вс сен 10, 2006 00:04:03
Сообщений: 546
Рейтинг сообщения: 0
поищи книгу Миля или Днищенко Радиоуправление моделями.Там все есть


Вернуться наверх
 
Показать сообщения за:  Сортировать по:  Вернуться наверх
Начать новую тему Ответить на тему  [ Сообщений: 2069 ]  1, , , , ...  

Часовой пояс: UTC + 3 часа


Кто сейчас на форуме

Сейчас этот форум просматривают: нет зарегистрированных пользователей и гости: 9


Вы не можете начинать темы
Вы не можете отвечать на сообщения
Вы не можете редактировать свои сообщения
Вы не можете удалять свои сообщения
Вы не можете добавлять вложения

Найти:
Перейти:  


Powered by phpBB © 2000, 2002, 2005, 2007 phpBB Group
Русская поддержка phpBB
Extended by Karma MOD © 2007—2012 m157y
Extended by Topic Tags MOD © 2012 m157y