Например TDA7294

Форум РадиоКот • Просмотр темы - Зарядник для Li-Ion из старого телефона
Форум РадиоКот
Здесь можно немножко помяукать :)

Текущее время: Вт дек 23, 2025 02:06:05

Часовой пояс: UTC + 3 часа


ПРЯМО СЕЙЧАС:



Начать новую тему Ответить на тему  [ Сообщений: 17 ] 
Автор Сообщение
Не в сети
 Заголовок сообщения: Зарядник для Li-Ion из старого телефона
СообщениеДобавлено: Чт июл 26, 2012 10:21:47 
Первый раз сказал Мяу!

Зарегистрирован: Вс июн 17, 2012 22:16:21
Сообщений: 28
Рейтинг сообщения: 0
Форумчане, подскажите кто разбирается в этом вопросе!
Нужна зарядка для аккумуляторов 18650, да так чтоб с соблюдением всех правил зарядки лития.
Есть старый телефон, подумал почему бы не сделать из него зарядник? Ведь там и контроллер заряда и ограничитель напряжения, да и алгоритм зарядки (вроде) правильный! В телефоне стоял аккумулятор на 850мАч, нужно заряжать банки 2600мАч. Единственное ток заряда небольшой, полагаю 350-500ма. Кто что думает?


Вернуться наверх
 
Не в сети
 Заголовок сообщения: Re: Зарядник для Li-Ion из старого телефона
СообщениеДобавлено: Чт июл 26, 2012 11:06:23 
Опытный кот
Аватар пользователя

Карма: 3
Рейтинг сообщений: 36
Зарегистрирован: Вт мар 13, 2012 14:52:12
Сообщений: 736
Откуда: Донецк
Рейтинг сообщения: 0
Тема обсуждалась неоднократно. Воспользуйтесь поиском или вкладка "схемы". Вот например http://radiokot.ru/circuit/power/charger/14/


Вернуться наверх
 
Не в сети
 Заголовок сообщения: Re: Зарядник для Li-Ion из старого телефона
СообщениеДобавлено: Чт июл 26, 2012 12:39:32 
Первый раз сказал Мяу!

Зарегистрирован: Вс июн 17, 2012 22:16:21
Сообщений: 28
Рейтинг сообщения: 0
Вопрос был не в схеме для заряда лития, а в возможности применения старого мобильного телефона для заряда банок большей емкости чем стандарный мобильный аккумулятор.


Вернуться наверх
 
Не в сети
 Заголовок сообщения: Re: Зарядник для Li-Ion из старого телефона
СообщениеДобавлено: Чт июл 26, 2012 12:49:55 
Модератор
Аватар пользователя

Карма: 153
Рейтинг сообщений: 2926
Зарегистрирован: Сб авг 14, 2010 15:05:51
Сообщений: 18892
Откуда: г. Озерск, Челябинская обл.
Рейтинг сообщения: 0
Медали: 1
Лучший человек Форума 2017 (1)
ну,и что ты от нас хочешь?
чтобы кто-то нашел старый телефон , и проверил и испытал твою идею?
никто за тебя этого делать не будет. проверяй сам. а потом расскажешь, что из этого получилось.

_________________
Мудрость приходит вместе с импотенцией...
Когда на русском форуме переходят на Вы, в реальной жизни начинают бить морду.


Вернуться наверх
 
Эиком - электронные компоненты и радиодетали
Не в сети
 Заголовок сообщения: Re: Зарядник для Li-Ion из старого телефона
СообщениеДобавлено: Чт июл 26, 2012 12:54:12 
Друг Кота
Аватар пользователя

Карма: 4
Рейтинг сообщений: 335
Зарегистрирован: Ср мар 31, 2010 09:33:22
Сообщений: 4752
Откуда: Владивосток
Рейтинг сообщения: 0
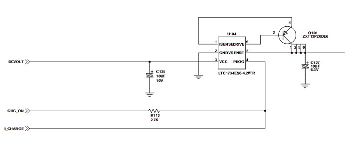
Есть в телефоне простая схема контроллер-транзистор p-n-p . Можно транзистор поставить помощнее и ток увеличить до 800 - 1000 ма .
По моему стоят в старых самсунгах.
Посмотрел даташит - там ток программируется до 700 ма , если надо больше - надо потавить малоомный токовый шунт ( около 0,1 ом ) между 1 и 3 выводом LTC1734


Вложения:
IMG_4679-1.jpg [22.11 KiB]
Скачиваний: 947

_________________
«Когда у общества нет цветовой дифференциации штанов, то нет цели!»

- Позвольте-с вас спросить, почему от вас так отвратительно пахнет?
- Ну, что ж, пахнет... известно. По специальности. Вчера котов душили, душили. (с)
Вернуться наверх
 
Не в сети
 Заголовок сообщения: Re: Зарядник для Li-Ion из старого телефона
СообщениеДобавлено: Чт июл 26, 2012 14:03:34 
Первый раз сказал Мяу!

Зарегистрирован: Вс июн 17, 2012 22:16:21
Сообщений: 28
Рейтинг сообщения: 0
Starichok51 писал(а):
ну,и что ты от нас хочешь?
чтобы кто-то нашел старый телефон , и проверил и испытал твою идею?
никто за тебя этого делать не будет. проверяй сам. а потом расскажешь, что из этого получилось.


Я всего-навсего хочу узнать чисто теоретически, если мобильный заряжает литий емкостью 800мАч, то как (теоретически) он зарядит аккумулятор большей емкости? Зарядит ли он его полностью, будет ли соблюдена технология заряда лития или разные емкости заряжаются разным током и алгоритмом?


Вернуться наверх
 
Не в сети
 Заголовок сообщения: Re: Зарядник для Li-Ion из старого телефона
СообщениеДобавлено: Чт июл 26, 2012 15:03:55 
Друг Кота
Аватар пользователя

Карма: 4
Рейтинг сообщений: 335
Зарегистрирован: Ср мар 31, 2010 09:33:22
Сообщений: 4752
Откуда: Владивосток
Рейтинг сообщения: 0
А ты как сам думаеш ? :))

_________________
«Когда у общества нет цветовой дифференциации штанов, то нет цели!»

- Позвольте-с вас спросить, почему от вас так отвратительно пахнет?
- Ну, что ж, пахнет... известно. По специальности. Вчера котов душили, душили. (с)


Вернуться наверх
 
Не в сети
 Заголовок сообщения: Re: Зарядник для Li-Ion из старого телефона
СообщениеДобавлено: Чт июл 26, 2012 15:19:33 
Первый раз сказал Мяу!

Зарегистрирован: Вс июн 17, 2012 22:16:21
Сообщений: 28
Рейтинг сообщения: 0
Честно говоря я не особо разбираюсь в этом, но предполагаю что должно быть не хуже чем заряжать дешевыми китайскими зарядниками для Li-Ion. По этому и создал темку чтоб услышать ваше мнение!

П.С. банки,кстати, без защиты


Вернуться наверх
 
Не в сети
 Заголовок сообщения: Re: Зарядник для Li-Ion из старого телефона
СообщениеДобавлено: Пт июл 27, 2012 09:16:03 
Друг Кота
Аватар пользователя

Карма: 8
Рейтинг сообщений: 53
Зарегистрирован: Вс фев 08, 2009 16:13:38
Сообщений: 5728
Откуда: п.Красногорский
Рейтинг сообщения: 0
Заряжать будет, только значительно дольше.
Защиту можно выдрать из родного аккумулятора телефона, а новый аккумулятор подключать уже к ней.
Потому как не каждый телефон согласится заряжать аккумулятор с не подключенным 3 выводом.

_________________
Творчество оно для того и нужно чтобы творить!


Вернуться наверх
 
Не в сети
 Заголовок сообщения: Re: Зарядник для Li-Ion из старого телефона
СообщениеДобавлено: Пт июл 27, 2012 12:56:59 
Друг Кота
Аватар пользователя

Карма: 17
Рейтинг сообщений: 467
Зарегистрирован: Ср ноя 11, 2009 17:19:30
Сообщений: 5576
Откуда: Воронеж
Рейтинг сообщения: 0
Будет, некоторое время ходил с нокией с аккумуляторами на 4400 мАч, подклёчённые через родную платку от дохлого аккумулятора. Заряжался много дольше, разряжался соответственно. Но одно дело запитать, а совсем другое зарядить аккумуляторы: тогда проще и компактнее собрать новую схему хоть на той-же L200.

_________________
"Привет!" - соврал он.


Вернуться наверх
 
Не в сети
 Заголовок сообщения: Re: Зарядник для Li-Ion из старого телефона
СообщениеДобавлено: Пт июл 27, 2012 16:30:41 
Друг Кота
Аватар пользователя

Карма: 4
Рейтинг сообщений: 335
Зарегистрирован: Ср мар 31, 2010 09:33:22
Сообщений: 4752
Откуда: Владивосток
Рейтинг сообщения: 0
Платка зашиты расчитьана на маленькую емкость и токи . Телефон использовать в качестве зарядки для мощных банок - смешно . :))) Лучше уж зарядить ЛБП нормальным током.
А вот детали с некоторых старых моделей - лучше всего ( конечно настраивать по даташиту)

_________________
«Когда у общества нет цветовой дифференциации штанов, то нет цели!»

- Позвольте-с вас спросить, почему от вас так отвратительно пахнет?
- Ну, что ж, пахнет... известно. По специальности. Вчера котов душили, душили. (с)


Вернуться наверх
 
Не в сети
 Заголовок сообщения: Re: Зарядник для Li-Ion из старого телефона
СообщениеДобавлено: Пт июл 27, 2012 16:38:04 
Первый раз сказал Мяу!

Зарегистрирован: Вс июн 17, 2012 22:16:21
Сообщений: 28
Рейтинг сообщения: 0
Из всего сказанного выше напрашивается вывод, что затею с зарядкой мобильником нужно выкинуть из головы и купить более не менее приличный зарядник для 18650.


Вернуться наверх
 
Не в сети
 Заголовок сообщения: Re: Зарядник для Li-Ion из старого телефона
СообщениеДобавлено: Сб июл 28, 2012 16:37:04 
Друг Кота
Аватар пользователя

Карма: 8
Рейтинг сообщений: 53
Зарегистрирован: Вс фев 08, 2009 16:13:38
Сообщений: 5728
Откуда: п.Красногорский
Рейтинг сообщения: 0
jonpim писал(а):
Платка зашиты расчитьана на маленькую емкость и токи .

При зарядке ничего превышено не будет, а при работе её использование и не предполагалось.
При зарядке от ЛБП, нужен постоянный контроль, иначе чревато :roll: .... тем более банки без защиты.

Для зарядки лития по феньшую, нужна феньшуёвая микруха, L200 можно использовать как временную, пока нет нормальной.
Для параллельной зарядки можно взять несколько штук типа LT4054, для последовательной что то типа ISL6251.
Theodor писал(а):
купить

Хозяин-барин. :)

_________________
Творчество оно для того и нужно чтобы творить!


Вернуться наверх
 
Не в сети
 Заголовок сообщения: Re: Зарядник для Li-Ion из старого телефона
СообщениеДобавлено: Сб июл 28, 2012 17:01:03 
Друг Кота
Аватар пользователя

Карма: 4
Рейтинг сообщений: 335
Зарегистрирован: Ср мар 31, 2010 09:33:22
Сообщений: 4752
Откуда: Владивосток
Рейтинг сообщения: 0
Ну эта защита нужна не только от перезаряда ,но и от глубокого разряда .И поэтому должн
а быть всегда при элементе.
Иначе это будет одноразовая батарейка. :))) Выше я привел пример грамотного использования деталей зарядки из старых самсунгов для более быстрого заряда литиевых банок высокой емкости -2600ма/ч и более.
А заряжать полдня их - не рационально.

_________________
«Когда у общества нет цветовой дифференциации штанов, то нет цели!»

- Позвольте-с вас спросить, почему от вас так отвратительно пахнет?
- Ну, что ж, пахнет... известно. По специальности. Вчера котов душили, душили. (с)


Вернуться наверх
 
Не в сети
 Заголовок сообщения: Re: Зарядник для Li-Ion из старого телефона
СообщениеДобавлено: Сб июл 28, 2012 17:48:07 
Друг Кота
Аватар пользователя

Карма: 8
Рейтинг сообщений: 53
Зарегистрирован: Вс фев 08, 2009 16:13:38
Сообщений: 5728
Откуда: п.Красногорский
Рейтинг сообщения: 0
jonpim писал(а):
И поэтому должна быть всегда при элементе.

Интересно, а зачем тогда их выпускают без защиты? :)
4054 невозможно использовать с внешней навеской, для ускоренного заряда нужно использовать что то типа МАХ1501.

_________________
Творчество оно для того и нужно чтобы творить!


Вернуться наверх
 
Не в сети
 Заголовок сообщения: Re: Зарядник для Li-Ion из старого телефона
СообщениеДобавлено: Сб июл 28, 2012 17:52:48 
Друг Кота
Аватар пользователя

Карма: 4
Рейтинг сообщений: 335
Зарегистрирован: Ср мар 31, 2010 09:33:22
Сообщений: 4752
Откуда: Владивосток
Рейтинг сообщения: 0
Для меня и без защиты пойдет , но не для всех. Для этих банок не ускоренный заряд в 1 а , а нормальный.

_________________
«Когда у общества нет цветовой дифференциации штанов, то нет цели!»

- Позвольте-с вас спросить, почему от вас так отвратительно пахнет?
- Ну, что ж, пахнет... известно. По специальности. Вчера котов душили, душили. (с)


Вернуться наверх
 
Не в сети
 Заголовок сообщения: Re: Зарядник для Li-Ion из старого телефона
СообщениеДобавлено: Вс июл 29, 2012 07:24:49 
Друг Кота
Аватар пользователя

Карма: 8
Рейтинг сообщений: 53
Зарегистрирован: Вс фев 08, 2009 16:13:38
Сообщений: 5728
Откуда: п.Красногорский
Рейтинг сообщения: 0
Маленько не правильно выразился, имелся в виду "ускоренный" по отношению к телефону.

_________________
Творчество оно для того и нужно чтобы творить!


Вернуться наверх
 
Показать сообщения за:  Сортировать по:  Вернуться наверх
Начать новую тему Ответить на тему  [ Сообщений: 17 ] 

Часовой пояс: UTC + 3 часа


Кто сейчас на форуме

Сейчас этот форум просматривают: нет зарегистрированных пользователей и гости: 64


Вы не можете начинать темы
Вы не можете отвечать на сообщения
Вы не можете редактировать свои сообщения
Вы не можете удалять свои сообщения
Вы не можете добавлять вложения

Найти:
Перейти:  


Powered by phpBB © 2000, 2002, 2005, 2007 phpBB Group
Русская поддержка phpBB
Extended by Karma MOD © 2007—2012 m157y
Extended by Topic Tags MOD © 2012 m157y