Например TDA7294

Форум РадиоКот • Просмотр темы - Вопрос владельцам Б5-47 и подобных
Форум РадиоКот
Здесь можно немножко помяукать :)

Текущее время: Сб мар 21, 2026 03:00:38

Часовой пояс: UTC + 3 часа


ПРЯМО СЕЙЧАС:



Начать новую тему Ответить на тему  [ Сообщений: 680 ]  1, , , , ...  
Автор Сообщение
 Заголовок сообщения: Вопрос владельцам Б5-47 и подобных
СообщениеДобавлено: Чт апр 12, 2012 08:13:52 
Это не хвост, это антенна

Карма: 45
Рейтинг сообщений: 277
Зарегистрирован: Ср мар 02, 2011 20:05:39
Сообщений: 1451
Откуда: Карельский перешеек
Рейтинг сообщения: 0
Медали: 1
Получил миской по аватаре (1)
Приобрел здесь по случаю сильно б/ушный блок питания Б5-47. Отмыл, почистил, восстановил работоспособность. Выходные параметры (насколько позволяет измерить мой парк приборов) в полном соответствии с паспортными. Но, блин, аккустический шум на частоте преобразования (а у них она составляет всего 5кГц, самое то для музыкальной шкатулки!) меня просто достает.

Это у всех у них так, или я еще что-то недоделал и этот шум можно как-то победить или хотя бы снизить его уровень?


Вернуться наверх
 
 Заголовок сообщения: Re: Вопрос владельцам Б5-47 и подобных
СообщениеДобавлено: Чт апр 12, 2012 08:16:24 
Поставщик валерьянки для Кота

Карма: 1
Рейтинг сообщений: 5
Зарегистрирован: Ср май 11, 2011 21:37:45
Сообщений: 1995
Откуда: Цветочный город
Рейтинг сообщения: 0
сколько встречал - у всех так... там внутри в коробочке трансформатор - можно попытаться его вскрыть и пропитать чем-то... только частота там не 5 кГц, а гораздо меньше - как бы не 400 всего... и зудит он на частоте 800 гц... по-моему...

_________________
битва с дураками проиграна, победители торжествуют. слава победителям!


Вернуться наверх
 
 Заголовок сообщения: Re: Вопрос владельцам Б5-47 и подобных
СообщениеДобавлено: Чт апр 12, 2012 09:05:19 
Это не хвост, это антенна

Карма: 45
Рейтинг сообщений: 277
Зарегистрирован: Ср мар 02, 2011 20:05:39
Сообщений: 1451
Откуда: Карельский перешеек
Рейтинг сообщения: 0
Медали: 1
Получил миской по аватаре (1)
Печально, штука то такая - добротная, железобетонная. Но всё равно большое спасибо, хоть буду знать, что это не только у меня.


Вернуться наверх
 
 Заголовок сообщения: Re: Вопрос владельцам Б5-47 и подобных
СообщениеДобавлено: Чт апр 12, 2012 09:07:57 
Поставщик валерьянки для Кота

Карма: 1
Рейтинг сообщений: 5
Зарегистрирован: Ср май 11, 2011 21:37:45
Сообщений: 1995
Откуда: Цветочный город
Рейтинг сообщения: 0
он еще по выходным своим цепям "фонит" на этой частоте неслабо...

_________________
битва с дураками проиграна, победители торжествуют. слава победителям!


Вернуться наверх
 
Эиком - электронные компоненты и радиодетали
 Заголовок сообщения: Re: Вопрос владельцам Б5-47 и подобных
СообщениеДобавлено: Чт апр 12, 2012 09:30:50 
Это не хвост, это антенна

Карма: 45
Рейтинг сообщений: 277
Зарегистрирован: Ср мар 02, 2011 20:05:39
Сообщений: 1451
Откуда: Карельский перешеек
Рейтинг сообщения: 0
Медали: 1
Получил миской по аватаре (1)
Да, есть немного, но для меня (моих задач) это не смертельно. Хотя, может Вы и правы и не стоит с ним возиться так серьезно, а в этот корпус поставить что-то более-менее, но самопальное. Но я вот уже больше года присматриваюсь к разным предлагаемым здесь решениям и ничего на душу так и не легло.


Вернуться наверх
 
 Заголовок сообщения: Re: Вопрос владельцам Б5-47 и подобных
СообщениеДобавлено: Чт апр 12, 2012 09:44:50 
Модератор
Аватар пользователя

Карма: 153
Рейтинг сообщений: 2942
Зарегистрирован: Сб авг 14, 2010 15:05:51
Сообщений: 19011
Откуда: г. Озерск, Челябинская обл.
Рейтинг сообщения: 0
Медали: 1
Лучший человек Форума 2017 (1)
да, у всех эта болезнь. у меня тоже есть этот блок, и также он меня "достает".
но я собрался заменить преобразователь на современную высокочастотную схему.
некоторое время назад на Паяльнике один чел писал, что он сделал у себя подобную замену.
вот ссылка на пост http://forum.cxem.net/index.php?showtop ... &p=1083860

_________________
Мудрость приходит вместе с импотенцией...
Когда на русском форуме переходят на Вы, в реальной жизни начинают бить морду.


Вернуться наверх
 
 Заголовок сообщения: Re: Вопрос владельцам Б5-47 и подобных
СообщениеДобавлено: Чт апр 12, 2012 09:55:00 
Это не хвост, это антенна

Карма: 45
Рейтинг сообщений: 277
Зарегистрирован: Ср мар 02, 2011 20:05:39
Сообщений: 1451
Откуда: Карельский перешеек
Рейтинг сообщения: 0
Медали: 1
Получил миской по аватаре (1)
Спасибо, интересная ссылка.


Вернуться наверх
 
 Заголовок сообщения: Re: Вопрос владельцам Б5-47 и подобных
СообщениеДобавлено: Чт апр 12, 2012 10:07:41 
Модератор
Аватар пользователя

Карма: 153
Рейтинг сообщений: 2942
Зарегистрирован: Сб авг 14, 2010 15:05:51
Сообщений: 19011
Откуда: г. Озерск, Челябинская обл.
Рейтинг сообщения: 0
Медали: 1
Лучший человек Форума 2017 (1)
что приятно, у него исчезла вся батарея огромных электролитов. и входные и выходные конденсаторы стоят на новой плате. современные, маленькие.

_________________
Мудрость приходит вместе с импотенцией...
Когда на русском форуме переходят на Вы, в реальной жизни начинают бить морду.


Вернуться наверх
 
 Заголовок сообщения: Re: Вопрос владельцам Б5-47 и подобных
СообщениеДобавлено: Чт апр 12, 2012 10:48:18 
Это не хвост, это антенна

Карма: 45
Рейтинг сообщений: 277
Зарегистрирован: Ср мар 02, 2011 20:05:39
Сообщений: 1451
Откуда: Карельский перешеек
Рейтинг сообщения: 0
Медали: 1
Получил миской по аватаре (1)
Почитал. Молодец мужик, но я не осилю. Тем более, что родной документации нет, а с той что скачал, наблюдаются расхождения, начиная от составного транзистора...
Я так понимаю, у Вас руки пока не дошли его ковырять? А не было соблазна оставить родной ЦАП и усилитель ошибки, как и у автора переделки, но прикрутить туда линейный стабилизатор, типа как у Б5-43, но на нынешней элементной базе?


Вернуться наверх
 
 Заголовок сообщения: Re: Вопрос владельцам Б5-47 и подобных
СообщениеДобавлено: Чт апр 12, 2012 11:53:41 
Модератор
Аватар пользователя

Карма: 153
Рейтинг сообщений: 2942
Зарегистрирован: Сб авг 14, 2010 15:05:51
Сообщений: 19011
Откуда: г. Озерск, Челябинская обл.
Рейтинг сообщения: 0
Медали: 1
Лучший человек Форума 2017 (1)
да, к сожалению, руки пока не дошли до переделки.
у меня есть на него документация, и тоже немного расходится с документацией, которую он выложил. возможно, разные производители блоков.
нет, всю аналоговую часть переделывать нет смысла - там все нормально.

_________________
Мудрость приходит вместе с импотенцией...
Когда на русском форуме переходят на Вы, в реальной жизни начинают бить морду.


Вернуться наверх
 
 Заголовок сообщения: Re: Вопрос владельцам Б5-47 и подобных
СообщениеДобавлено: Чт апр 12, 2012 17:18:16 
Поставщик валерьянки для Кота
Аватар пользователя

Карма: 10
Рейтинг сообщений: 163
Зарегистрирован: Вс янв 09, 2011 16:51:39
Сообщений: 2349
Откуда: Санкт-Ленинград
Рейтинг сообщения: 0
И у меня такой есть.
Два раза ремонтировал транзисторы преобразователя.
Первый раз, перепутали полярность автомобильного аккумулятора (после чего, собственно, он ко мне и попал), и помимо транзисторов "закоротил" выходной защитный диод, а второй раз навернулись уже у меня, без всякой видимой причины.
А писк меня совершенно не раздражает. :)

_________________
ICQ нет, и, в ближайшее время, не будет.


Вернуться наверх
 
 Заголовок сообщения: Re: Вопрос владельцам Б5-47 и подобных
СообщениеДобавлено: Чт апр 12, 2012 20:54:37 
Модератор
Аватар пользователя

Карма: 153
Рейтинг сообщений: 2942
Зарегистрирован: Сб авг 14, 2010 15:05:51
Сообщений: 19011
Откуда: г. Озерск, Челябинская обл.
Рейтинг сообщения: 0
Медали: 1
Лучший человек Форума 2017 (1)
может, тебе повезло. а у меня это не писк, а визг на кучу децибел...

_________________
Мудрость приходит вместе с импотенцией...
Когда на русском форуме переходят на Вы, в реальной жизни начинают бить морду.


Вернуться наверх
 
 Заголовок сообщения: Re: Вопрос владельцам Б5-47 и подобных
СообщениеДобавлено: Пт апр 20, 2012 10:09:27 
Держит паяльник хвостом

Карма: 3
Рейтинг сообщений: 145
Зарегистрирован: Пн июн 07, 2010 22:56:01
Сообщений: 903
Откуда: SU
Рейтинг сообщения: 0
Мне тоже достался один такой БП, тоже поджаренный, ему врубили не исправный прибор, у него вылетели предохранители, потом заменили другими, и он умер, и ОЧЕНЬ СИЛЬНО вонял
сейчас лежит у меня, восстанавливать смысла не вижу, ЖУЖЖИТ уж сильно,

а вот воткнуть внего др импульсник это было бы супер
но подходящего импульсника нету((
есть платы от мониторов 15 дюймовых может есть смысл отттуда выпилить БП или не стоит ??


Вернуться наверх
 
 Заголовок сообщения: Re: Вопрос владельцам Б5-47 и подобных
СообщениеДобавлено: Пт апр 20, 2012 15:19:39 
Модератор
Аватар пользователя

Карма: 153
Рейтинг сообщений: 2942
Зарегистрирован: Сб авг 14, 2010 15:05:51
Сообщений: 19011
Откуда: г. Озерск, Челябинская обл.
Рейтинг сообщения: 1
Медали: 1
Лучший человек Форума 2017 (1)
схему блока я разработал, даю в sPlan7.0
мне щас не досуг разрабатывать плату.
кто возьмется воплощать в железо?


Вложения:
Сетевой для Б5-47.rar [9.18 KiB]
Скачиваний: 2814

_________________
Мудрость приходит вместе с импотенцией...
Когда на русском форуме переходят на Вы, в реальной жизни начинают бить морду.
Вернуться наверх
 
 Заголовок сообщения: Re: Вопрос владельцам Б5-47 и подобных
СообщениеДобавлено: Сб апр 21, 2012 19:41:50 
Держит паяльник хвостом

Карма: 3
Рейтинг сообщений: 145
Зарегистрирован: Пн июн 07, 2010 22:56:01
Сообщений: 903
Откуда: SU
Рейтинг сообщения: 0
перегнал схему в pcad накидал библиотеку и выгрузил все в pcb
рисовать плату пока рано есть вопросы по конструктиву ( неизвестны габариты транса и тп)
пока выкладываю схему и неразведеный pcb, собирать пока времени нет и комплектующих((

Пока выкладываю схему на проверку, может что забыл
Если будут желающие вопролотить, платку разведу под предлагаемый конструктив
паттерны под резисторы и кондеры думаю делать совмещенные чтобы можно было ставить чипы и обычне резисторы

добавил схему в pdf

И вопрос какой транс предполагается втыкать в этот бп ??


Вложения:
b5-_v01.pdf [52.8 KiB]
Скачиваний: 2520
Комментарий к файлу: схема и pcd
b5_upd_v01.7z [63.23 KiB]
Скачиваний: 1593


Последний раз редактировалось ass20 Сб апр 21, 2012 20:52:02, всего редактировалось 1 раз.
Вернуться наверх
 
 Заголовок сообщения: Re: Вопрос владельцам Б5-47 и подобных
СообщениеДобавлено: Сб апр 21, 2012 19:58:37 
Модератор
Аватар пользователя

Карма: 153
Рейтинг сообщений: 2942
Зарегистрирован: Сб авг 14, 2010 15:05:51
Сообщений: 19011
Откуда: г. Озерск, Челябинская обл.
Рейтинг сообщения: 0
Медали: 1
Лучший человек Форума 2017 (1)
pcad проверить не могу - не установлен.
транс можно тоже взять 2 варианта. EI33 (выводы бобины, как в компе) и ETD34.

_________________
Мудрость приходит вместе с импотенцией...
Когда на русском форуме переходят на Вы, в реальной жизни начинают бить морду.


Вернуться наверх
 
 Заголовок сообщения: Re: Вопрос владельцам Б5-47 и подобных
СообщениеДобавлено: Вс апр 29, 2012 14:46:06 
Держит паяльник хвостом

Карма: 3
Рейтинг сообщений: 145
Зарегистрирован: Пн июн 07, 2010 22:56:01
Сообщений: 903
Откуда: SU
Рейтинг сообщения: 0
нарисовал предварительный вариант разводки

1. Трансформатор
применен сердечник EI33 даташит на каркас прилагается
2. ПП сделана как ОПП с перемычками, перемычки расположены на слое TOP
3. корпуса под резисторы и кондеры 1206, кроме электролитов и R20 R21
4. IR2110 можно установить как в soic так и в dip корпусах

и вопрос , возможно ли сюда воткнуть готовый силовой транс от компьютерного БП формата AТ или АТХ?


Вложения:
b5_upd_v01_all.zip [398.77 KiB]
Скачиваний: 1346
Вернуться наверх
 
 Заголовок сообщения: Re: Вопрос владельцам Б5-47 и подобных
СообщениеДобавлено: Вс апр 29, 2012 16:22:48 
Модератор
Аватар пользователя

Карма: 153
Рейтинг сообщений: 2942
Зарегистрирован: Сб авг 14, 2010 15:05:51
Сообщений: 19011
Откуда: г. Озерск, Челябинская обл.
Рейтинг сообщения: 0
Медали: 1
Лучший человек Форума 2017 (1)
у готового транса без перемотки не хватит напряжения с 12-Вольтовых секций.
можно, конешно попробовать взять с крайних выводов все напряжение, и сделать мост в выпрямителе. но тогда, скорее всего, придется поиграть цепью коррекции между 2 и 3 ногами тл494.. пробовать надо.
да и обмотку самопитания надо на него как-то накрутить...

саму PCB посмотреть не могу. какие получились размеры? по pdf-ке это не ясно.
и еще не вижу крепежных отверстий.

_________________
Мудрость приходит вместе с импотенцией...
Когда на русском форуме переходят на Вы, в реальной жизни начинают бить морду.


Вернуться наверх
 
 Заголовок сообщения: Re: Вопрос владельцам Б5-47 и подобных
СообщениеДобавлено: Вс апр 29, 2012 19:06:39 
Друг Кота
Аватар пользователя

Карма: 146
Рейтинг сообщений: 6067
Зарегистрирован: Чт июн 04, 2009 21:06:49
Сообщений: 36290
Откуда: г.Мариинск
Рейтинг сообщения: 0
Медали: 1
Лучший человек Форума 2017 (1)
В схемах с оптопарой имеет смысл отключить усилители ошибки в 494, а использовать TL431 во вторичке.
Оптопара цепляется между 14 и 3 выводами, устойчивость достигается коррекцией TL431.
Становятся лишними R1,R4,R5, R6, и С1.

Изображение

_________________
Тем кого не устаревает наличия ошибок в моем тексте, оставляю права не пользоваться моими советами или просто не читать мои сообщения.


Последний раз редактировалось Телекот Вс апр 29, 2012 22:28:43, всего редактировалось 1 раз.

Вернуться наверх
 
 Заголовок сообщения: Re: Вопрос владельцам Б5-47 и подобных
СообщениеДобавлено: Вс апр 29, 2012 19:22:59 
Держит паяльник хвостом

Карма: 3
Рейтинг сообщений: 145
Зарегистрирован: Пн июн 07, 2010 22:56:01
Сообщений: 903
Откуда: SU
Рейтинг сообщения: 0
внес изменения конструкцию ПП
габариты ПП 90х125 + 15 мм под крепеж (см вложение)
предполагается что плату вставлять в освободившийся слот а самом БП

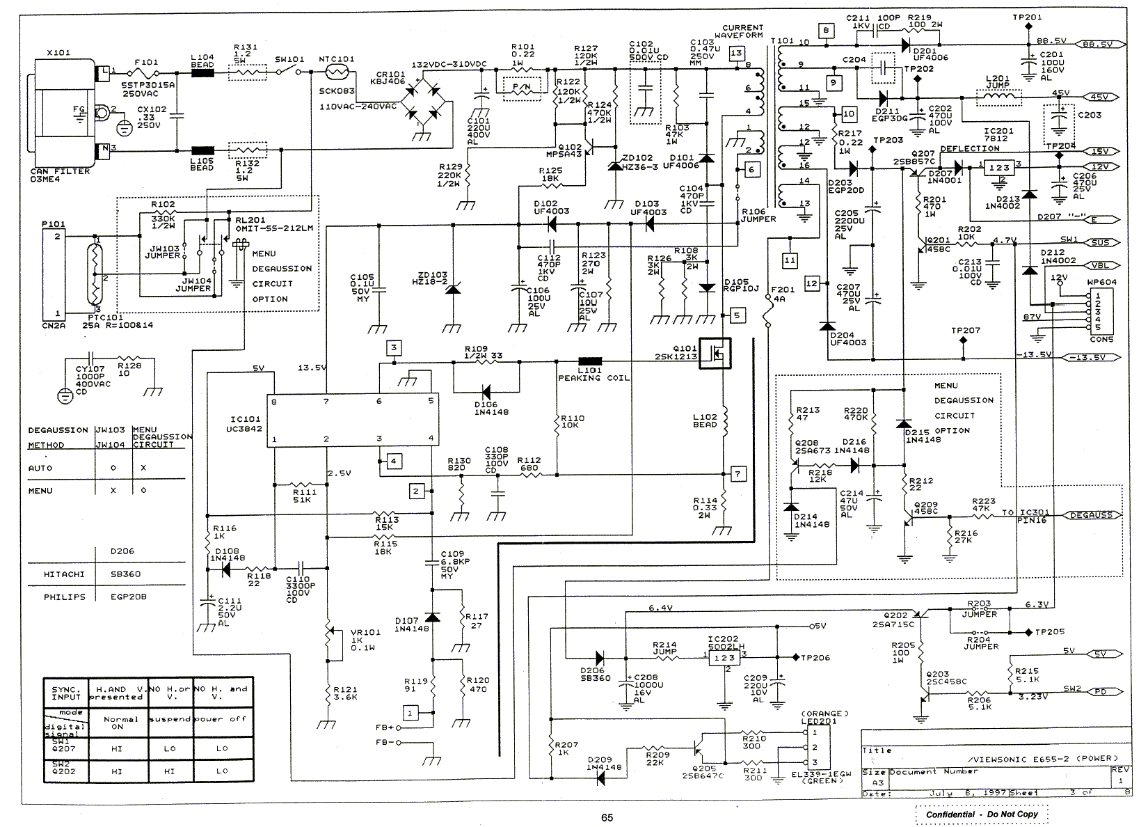
возможно ли применить транс от БП ЭЛТ монитора ? схему прилагаю

можно взять для самопитания напряжение с ТР1 выводы 1-2 (см документацию на Б5-4х) на них 20в на хх
но тогда к другому БП уже не подключить((((


Вложения:
Комментарий к файлу: БП от viewsonic E655
power.gif [142.54 KiB]
Скачиваний: 2790
b5_upd_v011.zip [189.88 KiB]
Скачиваний: 1209
Вернуться наверх
 
Показать сообщения за:  Сортировать по:  Вернуться наверх
Начать новую тему Ответить на тему  [ Сообщений: 680 ]  1, , , , ...  

Часовой пояс: UTC + 3 часа


Вы не можете начинать темы
Вы не можете отвечать на сообщения
Вы не можете редактировать свои сообщения
Вы не можете удалять свои сообщения
Вы не можете добавлять вложения

Найти:
Перейти:  


Powered by phpBB © 2000, 2002, 2005, 2007 phpBB Group
Русская поддержка phpBB
Extended by Karma MOD © 2007—2012 m157y
Extended by Topic Tags MOD © 2012 m157y