Например TDA7294

Форум РадиоКот • Просмотр темы - Входное напр. транзисторов. Почему оно так велико?
Форум РадиоКот
Здесь можно немножко помяукать :)

Текущее время: Пн дек 15, 2025 16:51:54

Часовой пояс: UTC + 3 часа


ПРЯМО СЕЙЧАС:



Начать новую тему Ответить на тему  [ Сообщений: 19 ] 
Автор Сообщение
Не в сети
 Заголовок сообщения: Входное напр. транзисторов. Почему оно так велико?
СообщениеДобавлено: Ср ноя 09, 2011 02:03:46 
Прорезались зубы

Зарегистрирован: Вс янв 09, 2011 00:34:11
Сообщений: 244
Рейтинг сообщения: 0
Здравствуйте!
Вопрос из разряда "для начинающих бездарей" :roll:
Мы знаем, что биполярный транзистор из кремния открывается при напряжении 0,4-0,7V. При каком-то значении входного напряжения, выходное напряжение близко к напряжению питания. Но, часто, (например, в усилителях, стабилизаторах) на базу транзистора подается напряжение порядка 5V или даже выше. По идее транзистор находится в насыщении и повышение входного напряжения результатов дать не может.
1) Вопрос: Зачем, что это дает ??? (Эмиттерные повторители в расчет не берем).
2) Тот же самый вопрос но про полевики с изолированным затвором.


Вернуться наверх
 
Не в сети
 Заголовок сообщения: Re: Входное напр. транзисторов. Почему оно так велико?
СообщениеДобавлено: Ср ноя 09, 2011 05:11:31 
Модератор
Аватар пользователя

Карма: 162
Рейтинг сообщений: 2425
Зарегистрирован: Пн июл 07, 2008 10:46:09
Сообщений: 10735
Откуда: Россия
Рейтинг сообщения: 0
cat-dog-god0 писал(а):
... Но, часто, (например, в усилителях, стабилизаторах) на базу транзистора подается напряжение порядка 5V или даже выше...

Пример можно?
При подготовки примера, не забывайте, что напряжение насыщения б-э (0,7 В) измеряется именно между базой и эмиттером...

_________________
Если хотите, чтобы жизнь улыбалась вам, подарите ей своё хорошее настроение


Вернуться наверх
 
Не в сети
 Заголовок сообщения: Re: Входное напр. транзисторов. Почему оно так велико?
СообщениеДобавлено: Ср ноя 09, 2011 07:45:59 
Друг Кота
Аватар пользователя

Карма: 49
Рейтинг сообщений: 392
Зарегистрирован: Вс июл 12, 2009 19:15:29
Сообщений: 7014
Откуда: Ижевск
Рейтинг сообщения: 0
Цитата:
1) Вопрос: Зачем, что это дает ??? (Эмиттерные повторители в расчет не берем).

Это как раз случай эмиттерного повторителя. А вообще говоря, напряжение на базе - относительно эмиеттера, а не болтающееся неизвестно где. Определитесь.

_________________
Docendo discimus


Вернуться наверх
 
Не в сети
 Заголовок сообщения: Re: Входное напр. транзисторов. Почему оно так велико?
СообщениеДобавлено: Ср ноя 09, 2011 12:52:34 
Прорезались зубы

Зарегистрирован: Вс янв 09, 2011 00:34:11
Сообщений: 244
Рейтинг сообщения: 0
Простейшим случаем может служить стабилизатор напряжения, который известен любому, даже начинающему...


Вложения:
1.JPG [27.44 KiB]
Скачиваний: 345
Вернуться наверх
 
Эиком - электронные компоненты и радиодетали
Не в сети
 Заголовок сообщения: Re: Входное напр. транзисторов. Почему оно так велико?
СообщениеДобавлено: Ср ноя 09, 2011 13:28:54 
Это не хвост, это антенна

Карма: 2
Рейтинг сообщений: 21
Зарегистрирован: Чт янв 27, 2011 21:57:53
Сообщений: 1318
Рейтинг сообщения: 0
cat-dog-god0 писал(а):
стабилизатор напряжения

Изображение

А это что такое?
Где Вы взяли такую каракатицу?
Неужели сами придумали? :shock:


Вложения:
1.PNG [14.44 KiB]
Скачиваний: 842
Вернуться наверх
 
Не в сети
 Заголовок сообщения: Re: Входное напр. транзисторов. Почему оно так велико?
СообщениеДобавлено: Ср ноя 09, 2011 13:45:34 
Прорезались зубы

Зарегистрирован: Вс янв 09, 2011 00:34:11
Сообщений: 244
Рейтинг сообщения: 0
Алёша. писал(а):
Где Вы взяли такую каракатицу?
Неужели сами придумали? :shock:

:oops: Похоже да... Прошу прощения ошибся


Вложения:
230620111200005361.png [32.21 KiB]
Скачиваний: 326
Вернуться наверх
 
Не в сети
 Заголовок сообщения: Re: Входное напр. транзисторов. Почему оно так велико?
СообщениеДобавлено: Ср ноя 09, 2011 13:53:52 
Это не хвост, это антенна

Карма: 2
Рейтинг сообщений: 21
Зарегистрирован: Чт янв 27, 2011 21:57:53
Сообщений: 1318
Рейтинг сообщения: 0
cat-dog-god0 писал(а):
Мы знаем, что биполярный транзистор из кремния открывается при напряжении 0,4-0,7V.
Измерьте эти напряжения и Вы убедитесь, что они всего лишь десятые доли вольта.

Изображение


Вложения:
1.JPG [29.78 KiB]
Скачиваний: 797
Вернуться наверх
 
Не в сети
 Заголовок сообщения: Re: Входное напр. транзисторов. Почему оно так велико?
СообщениеДобавлено: Ср ноя 09, 2011 15:19:05 
Прорезались зубы

Зарегистрирован: Вс янв 09, 2011 00:34:11
Сообщений: 244
Рейтинг сообщения: 0
Чаще всего резистор R4 ставят номиналом в 1к или даже меньше (470Ом), а при верхнем положении резистора R4, на базе VT2 будут уже не десятки вольт


Вернуться наверх
 
Не в сети
 Заголовок сообщения: Re: Входное напр. транзисторов. Почему оно так велико?
СообщениеДобавлено: Ср ноя 09, 2011 15:26:23 
Это не хвост, это антенна

Карма: 2
Рейтинг сообщений: 21
Зарегистрирован: Чт янв 27, 2011 21:57:53
Сообщений: 1318
Рейтинг сообщения: 0
cat-dog-god0 писал(а):
на базе VT2 будут уже не десятки вольт
Напряжение всегда меряется относительно чего то. Сейчас речь идет о напряжении на базе относительно эмиттера.
Я же красными стрелками нарисовал между какими точками нужно в данном случае мерить напряжение и резисторы тут не при чем.

Напряжение между базой и эмиттером второго транзистора, это разность напряжения на R3 и R4
В независимости от величины сопротивлений R3 и R4 разница этих напряжений в данной схеме будет десятые доли вольта.
Читайте как работает стабилизатор.


Вернуться наверх
 
Не в сети
 Заголовок сообщения: Re: Входное напр. транзисторов. Почему оно так велико?
СообщениеДобавлено: Ср ноя 09, 2011 15:38:21 
Поставщик валерьянки для Кота

Карма: 5
Рейтинг сообщений: 61
Зарегистрирован: Пт окт 23, 2009 15:32:35
Сообщений: 1929
Откуда: Челябинск
Рейтинг сообщения: 0
на r3 относительное фиксированное напряжение со стабилитрона 13в, значит r3 может менять напряжение на базе vt2 от 1 до 13в. при этом напряжение на эмиттере vt2 синхронно меняется от 0.6 до 12.6в.

представим что это не так, на базе 5в а на эмиттере в результате какой-то флуктуации образовалось 4в, значит vt2 полностью открыт, в насышении и практически закорачивает r4 на питание. то есть на нем не 4в а все напряжение питания окажется. парадокс? да. значит эта ситуация невозможна. то есть как только напряжение на эмиттере отклонится от положенных 4.6в в любую сторону возросший или уменьшившийся эмиттерный ток выправит напряжение. обратная связь

ps все упомянутые напряжения - отрицательные относительно +. я просто привык в старых схемых с общим плюсовым проводом менять мысленно напряжения местами, а также инвертировать диоды, стабилитроны, npn<->pnp. иначе голову сломаешь


Вернуться наверх
 
Не в сети
 Заголовок сообщения: Re: Входное напр. транзисторов. Почему оно так велико?
СообщениеДобавлено: Ср ноя 09, 2011 15:54:05 
Прорезались зубы

Зарегистрирован: Вс янв 09, 2011 00:34:11
Сообщений: 244
Рейтинг сообщения: 0
Ясно, я не учел ООС.
Я если VT2 заменить на n-p-n, с соответствующим подключением выводов и изменением включения стабилитрона. В этом случае, напряжение управляющие транзистором VT3 будет сниматься с коллектора VT2. В таком случае нет ООС....


Вложения:
1.JPG [27.79 KiB]
Скачиваний: 350
Вернуться наверх
 
Не в сети
 Заголовок сообщения: Re: Входное напр. транзисторов. Почему оно так велико?
СообщениеДобавлено: Ср ноя 09, 2011 16:01:07 
Поставщик валерьянки для Кота

Карма: 5
Рейтинг сообщений: 61
Зарегистрирован: Пт окт 23, 2009 15:32:35
Сообщений: 1929
Откуда: Челябинск
Рейтинг сообщения: 0
cat-dog-god0 писал(а):
Ясно, я не учел ООС.
Я если VT2 заменить на n-p-n, с соответствующим подключением выводов и изменением включения стабилитрона. В этом случае, напряжение управляющие транзистором VT3 будет сниматься с коллектора VT2. В таком случае нет ООС....


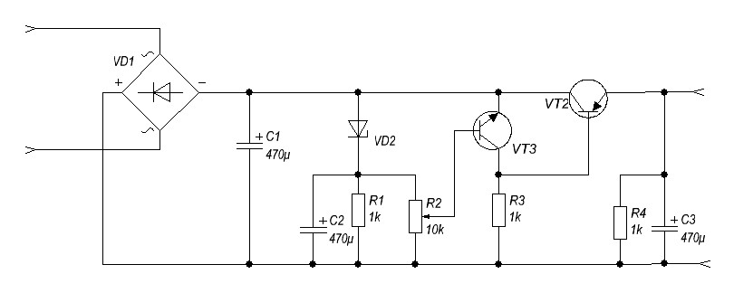
pnp<->npn меняется (при смене полярности питания и всех прочих полярных элементов) без смены выводов, где был эмиттер так и остался. вот как выглядит узел vt2-vt3-r4 'классически':

Изображение

то есть это эмиттерный повторитель на составном транзисторе дарлингтона

а vt1 с диодами - стабилизатор тока для стабилитрона. он же элемент неидеальный и напряжение 13в при плавании тока как вкопанный держать не будет. но это схема 'нехорошая', закладывается на четкие параметры диодов и транзистора, которые могут от экземпляра к экземпляру плавать. и ток в результате в одном экземпляре будет 1ма а в другом 10ма


Вернуться наверх
 
Не в сети
 Заголовок сообщения: Re: Входное напр. транзисторов. Почему оно так велико?
СообщениеДобавлено: Ср ноя 09, 2011 18:00:05 
Прорезались зубы

Зарегистрирован: Вс янв 09, 2011 00:34:11
Сообщений: 244
Рейтинг сообщения: 0
Т.е. получается на базу транзистора всегда подаютя лишь десятые доли вольта


Вернуться наверх
 
Не в сети
 Заголовок сообщения: Re: Входное напр. транзисторов. Почему оно так велико?
СообщениеДобавлено: Ср ноя 09, 2011 18:05:55 
Модератор
Аватар пользователя

Карма: 14
Рейтинг сообщений: 37
Зарегистрирован: Чт дек 11, 2008 14:52:26
Сообщений: 11492
Откуда: град Нижний
Рейтинг сообщения: 0
По отношению к эмиттеру - да..

_________________
ИзображениеМежду людьми возникает напряжение, если у них разный потенциал...


Вернуться наверх
 
Не в сети
 Заголовок сообщения: Re: Входное напр. транзисторов. Почему оно так велико?
СообщениеДобавлено: Ср ноя 09, 2011 18:13:38 
Модератор
Аватар пользователя

Карма: 162
Рейтинг сообщений: 2425
Зарегистрирован: Пн июл 07, 2008 10:46:09
Сообщений: 10735
Откуда: Россия
Рейтинг сообщения: 0
cat-dog-god0 писал(а):
Т.е. получается на базу транзистора всегда подаютя лишь десятые доли вольта

Переход база-эмиттер - это, по сути, обычный диод, то есть, p-n переход. И в транзисторе, в рабочем режиме, этот переход открыт.
А теперь посмотрите на вольт-амперные характеристики p-n перехода и скажите сами, какое максимальное напряжение на этом переходе может быть...

_________________
Если хотите, чтобы жизнь улыбалась вам, подарите ей своё хорошее настроение


Вернуться наверх
 
Не в сети
 Заголовок сообщения: Re: Входное напр. транзисторов. Почему оно так велико?
СообщениеДобавлено: Ср ноя 09, 2011 18:25:40 
Прорезались зубы

Зарегистрирован: Вс янв 09, 2011 00:34:11
Сообщений: 244
Рейтинг сообщения: 0
Да... я понял! Как говорится "Все гениальное просто!"
А как дело обстоит с полевыми транзисторами с изолированным затвором ??? Есть 2 напряжения: 1-е пороговое (в зависимости от транзистора, но скажем ~5V), и есть предельное ~20V. Т.е. размах входного напряжения может быть равен 20V - 5V=15V ???


Вернуться наверх
 
Не в сети
 Заголовок сообщения: Re: Входное напр. транзисторов. Почему оно так велико?
СообщениеДобавлено: Ср ноя 09, 2011 19:35:20 
Поставщик валерьянки для Кота

Карма: 5
Рейтинг сообщений: 61
Зарегистрирован: Пт окт 23, 2009 15:32:35
Сообщений: 1929
Откуда: Челябинск
Рейтинг сообщения: 0
cat-dog-god0 писал(а):
Т.е. получается на базу транзистора всегда подаютя лишь десятые доли вольта


ну можно построить схему так, что подастся 2 вольта. тогда транзистор сгорит

при анализе можно прямо исходить из этого как из данности, что Uб=Uэ+0.7. ну или Uб=Uэ в ключевой схеме. и если вдруг при этом получается что при фиксированных Uбэ никак не сходятся другие напряжения между собой, значит что-то в схеме построено неправильно


Вернуться наверх
 
Не в сети
 Заголовок сообщения: Re: Входное напр. транзисторов. Почему оно так велико?
СообщениеДобавлено: Ср ноя 09, 2011 20:09:27 
Прорезались зубы

Зарегистрирован: Вс янв 09, 2011 00:34:11
Сообщений: 244
Рейтинг сообщения: 0
Спасибо.
А как дело обстоит с полевыми транзисторами ???


Вернуться наверх
 
Не в сети
 Заголовок сообщения: Re: Входное напр. транзисторов. Почему оно так велико?
СообщениеДобавлено: Ср ноя 09, 2011 20:20:03 
Мудрый кот
Аватар пользователя

Карма: 14
Рейтинг сообщений: 230
Зарегистрирован: Пн янв 12, 2009 01:59:20
Сообщений: 1815
Откуда: Россия.
Рейтинг сообщения: 0
http://zpostbox.narod.ru/az9.htm


Вернуться наверх
 
Показать сообщения за:  Сортировать по:  Вернуться наверх
Начать новую тему Ответить на тему  [ Сообщений: 19 ] 

Часовой пояс: UTC + 3 часа


Кто сейчас на форуме

Сейчас этот форум просматривают: нет зарегистрированных пользователей и гости: 37


Вы не можете начинать темы
Вы не можете отвечать на сообщения
Вы не можете редактировать свои сообщения
Вы не можете удалять свои сообщения
Вы не можете добавлять вложения

Найти:
Перейти:  


Powered by phpBB © 2000, 2002, 2005, 2007 phpBB Group
Русская поддержка phpBB
Extended by Karma MOD © 2007—2012 m157y
Extended by Topic Tags MOD © 2012 m157y