Например TDA7294

Форум РадиоКот • Просмотр темы - Генератор одиночных высоковольтных импульсов
Форум РадиоКот
Здесь можно немножко помяукать :)

Текущее время: Пн дек 29, 2025 17:47:53

Часовой пояс: UTC + 3 часа


ПРЯМО СЕЙЧАС:



Начать новую тему Ответить на тему  [ Сообщений: 35 ]  1,  
Автор Сообщение
Не в сети
 Заголовок сообщения: Генератор одиночных высоковольтных импульсов
СообщениеДобавлено: Ср июн 12, 2024 18:13:15 
Родился

Зарегистрирован: Ср июн 12, 2024 18:07:56
Сообщений: 11
Рейтинг сообщения: 0
Доброго времени суток!
Прошу Вашей помощи вот в чем:
Есть некий девайс задача которого выдавать искру по внешнему сигналу от ардуинки. Оконечное устройство (собственно где образуется искра - "Искритель") представляет собой два электрода, на концах которых и происходит пробой. Число импульсов от 1 до 50 (выдает ардуинка). Работает.
Возникла необходимость изменить конструкцию "Искрителя" - заменить электроды на электрод в трубке, искра на трубку. Стабильно работать перестало. Клиническая картина: может отработать установленное число импульсов (к примеру 35) а может на любом, в т.ч. на 1-м выдать искру и зависнуть намертво. Никакие элементы (в т.ч. подсоединительные провода) не меняются, Высоковольтный трансформатор похоже мелкий китайский с алика. Управляющие провода, межу полевиком и трансформатором макимально короткие. Земля неплохая, впрочем и в "в воздухе" работает как с землей. Присутствие земли или ее отсутствие на ардуинке не влияет, питание ардуинки и искрителя раздельное - от различных обмоток на трансформаторе.
Мои предположения:
1. Помещая один электрод в другой (в трубу) изменяем емкость оконечного устройства. Как она влияет на схему - я валенок и как это компенсировать не знаю.
2. Возросли электромагнитные помехи, которые все убивают. При этом ардуинка в металлической коробке и много развязок оптикой...
Помогите пожалуйста кто чем может!
Если возможно для решения проблемы применить другую схемотехнику/элементную базу - готов перепаять! Просто нарисуйте.


Вложения:
q12.png [62.09 KiB]
Скачиваний: 302
Вернуться наверх
 
Не в сети
 Заголовок сообщения: Re: Генератор одиночных высоковольтных импульсов
СообщениеДобавлено: Ср июн 12, 2024 19:48:22 
Друг Кота
Аватар пользователя

Карма: 107
Рейтинг сообщений: 3804
Зарегистрирован: Пн фев 09, 2009 22:19:49
Сообщений: 24428
Откуда: Когда-то был прекрасный город для людей
Рейтинг сообщения: 0
Проще шокер купить и встроить.


Вернуться наверх
 
Не в сети
 Заголовок сообщения: Re: Генератор одиночных высоковольтных импульсов
СообщениеДобавлено: Ср июн 12, 2024 19:52:27 
Родился

Зарегистрирован: Ср июн 12, 2024 18:07:56
Сообщений: 11
Рейтинг сообщения: 0
Проще шокер купить и встроить.

нет. не проще по разным причинам. в т.ч. организационно/административным. равно как поставить катушку зажигания от авто с прерывателем.


Вернуться наверх
 
Не в сети
 Заголовок сообщения: Re: Генератор одиночных высоковольтных импульсов
СообщениеДобавлено: Ср июн 12, 2024 21:52:10 
Друг Кота
Аватар пользователя

Карма: 59
Рейтинг сообщений: 2218
Зарегистрирован: Чт янв 26, 2012 16:44:29
Сообщений: 19574
Откуда: Таксимо
Рейтинг сообщения: 0
По оптике тослинк делай связь и раздельные источники питания, даже на аккуме можно еще лучше будет

_________________
Мои поставщики запчастей с отличной репутацией
texnomag.ru
radioremont.com
pl-1.org
4ip.info
elitan.ru


Вернуться наверх
 
Эиком - электронные компоненты и радиодетали
Не в сети
 Заголовок сообщения: Re: Генератор одиночных высоковольтных импульсов
СообщениеДобавлено: Ср июн 12, 2024 22:04:41 
Родился

Зарегистрирован: Ср июн 12, 2024 18:07:56
Сообщений: 11
Рейтинг сообщения: 0
По оптике тослинк делай связь и раздельные источники питания, даже на аккуме можно еще лучше будет

"раздельные источники питания" это два ИП "от розетки" или "от одного трансформатора" - два стабилизатора от двух обмоток на одном трансформаторе?


Вернуться наверх
 
Не в сети
 Заголовок сообщения: Re: Генератор одиночных высоковольтных импульсов
СообщениеДобавлено: Ср июн 12, 2024 22:30:05 
Друг Кота
Аватар пользователя

Карма: 107
Рейтинг сообщений: 3804
Зарегистрирован: Пн фев 09, 2009 22:19:49
Сообщений: 24428
Откуда: Когда-то был прекрасный город для людей
Рейтинг сообщения: 0
Если не уверен в изоляции между обмотками и при отсутствии экранирующего слоя, то лучше даже на разных трансформаторах.


Вернуться наверх
 
Не в сети
 Заголовок сообщения: Re: Генератор одиночных высоковольтных импульсов
СообщениеДобавлено: Ср июн 12, 2024 22:43:10 
Родился

Зарегистрирован: Ср июн 12, 2024 18:07:56
Сообщений: 11
Рейтинг сообщения: 0
Если не уверен в изоляции между обмотками и при отсутствии экранирующего слоя, то лучше даже на разных трансформаторах.

трансформатор ТПП307-220-50, питание от обмоток с разных катушек (их там две), экранирующий есть или нет - ну между катушками он вообще может быть?


Вернуться наверх
 
Не в сети
 Заголовок сообщения: Re: Генератор одиночных высоковольтных импульсов
СообщениеДобавлено: Ср июн 12, 2024 22:46:37 
Друг Кота
Аватар пользователя

Карма: 107
Рейтинг сообщений: 3804
Зарегистрирован: Пн фев 09, 2009 22:19:49
Сообщений: 24428
Откуда: Когда-то был прекрасный город для людей
Рейтинг сообщения: 0
Если катушки используются с разных кернов и не имеют контакта между собой, то сойдёт.


Вернуться наверх
 
Не в сети
 Заголовок сообщения: Re: Генератор одиночных высоковольтных импульсов
СообщениеДобавлено: Ср июн 12, 2024 23:09:59 
Родился

Зарегистрирован: Ср июн 12, 2024 18:07:56
Сообщений: 11
Рейтинг сообщения: 0
Если катушки используются с разных кернов и не имеют контакта между собой, то сойдёт.

да, с разных


Вернуться наверх
 
Не в сети
 Заголовок сообщения: Re: Генератор одиночных высоковольтных импульсов
СообщениеДобавлено: Ср июн 12, 2024 23:15:24 
Держит паяльник хвостом
Аватар пользователя

Карма: 2
Рейтинг сообщений: 154
Зарегистрирован: Ср окт 04, 2017 20:47:40
Сообщений: 985
Рейтинг сообщения: 0
vasa_pup писал(а):
может отработать установленное число импульсов (к примеру 35) а может на любом, в т.ч. на 1-м выдать искру и зависнуть намертво.
Вы предполагается знакомы с электроникой и посему - нужно перевести данную ситуацию с детского языка на нормально-электронный язык? Что у вас конкретно в каком месте схемы "зависает наглухо"?
Т.е. перестаёт работать сама "ардуинка" или вся "левая" часть схемы после неё, или нет импульса на транзистор, или всё есть, но транзистор не реагирует, или же всё робИт, но нет искры в нужном месте. Так что приборы в руки и ...тогда уже может и советы не понадобятся. :)
Иначе без конкретики, увы, будет пустой флуд и гадание на "кофейной..." :(


Вернуться наверх
 
Не в сети
 Заголовок сообщения: Re: Генератор одиночных высоковольтных импульсов
СообщениеДобавлено: Ср июн 12, 2024 23:24:10 
Друг Кота
Аватар пользователя

Карма: 31
Рейтинг сообщений: 895
Зарегистрирован: Пт сен 10, 2021 15:19:36
Сообщений: 6169
Откуда: Протвино
Рейтинг сообщения: 0
а если добавить резисторы последовательно обмотке высоковольтного трансформатора помеха не уйдет? скажем на 1k для начала.

c какой целью изменена конструкция "искрителя" ?
я бы предположил что увеличение емкости банально приводит к снижению напряжения и посему работат "ненадежно", невсегда пробивая зазор. тогда надо просто увеличить импульс накачки (если трансформатор еще не близок к насыщению)

еще может быть падение напряжения от тока разряда добавляется кудато в виде помехи, это можно убрать изменением места соединения разрядника с общим проводом. на пальцах: желательно чтоб это соединение (если оно вообще нужно) было одним проводником и вело кудато к силовой стороне напр к блокировочному электролиту выходного каскада.


Вернуться наверх
 
Не в сети
 Заголовок сообщения: Re: Генератор одиночных высоковольтных импульсов
СообщениеДобавлено: Ср июн 12, 2024 23:26:16 
Друг Кота
Аватар пользователя

Карма: 41
Рейтинг сообщений: 2990
Зарегистрирован: Пн июл 23, 2018 10:36:20
Сообщений: 3487
Откуда: Казань
Рейтинг сообщения: 0
твердотельная катушка тесла вам в помощь, люди делали внешнее управлние эмитирующее звуковой сигнал, так что управление от ардуинки это не проблема.

_________________
ZZZ С Нами Бог ZZZ


Вернуться наверх
 
Не в сети
 Заголовок сообщения: Re: Генератор одиночных высоковольтных импульсов
СообщениеДобавлено: Чт июн 13, 2024 00:04:21 
Родился

Зарегистрирован: Ср июн 12, 2024 18:07:56
Сообщений: 11
Рейтинг сообщения: 0
vasa_pup писал(а):
может отработать установленное число импульсов (к примеру 35) а может на любом, в т.ч. на 1-м выдать искру и зависнуть намертво.
Вы предполагается знакомы с электроникой и посему - нужно перевести данную ситуацию с детского языка на нормально-электронный язык? Что у вас конкретно в каком месте схемы "зависает наглухо"?
Т.е. перестаёт работать сама "ардуинка" или вся "левая" часть схемы после неё, или нет импульса на транзистор, или всё есть, но транзистор не реагирует, или же всё робИт, но нет искры в нужном месте. Так что приборы в руки и ...тогда уже может и советы не понадобятся. :)
Иначе без конкретики, увы, будет пустой флуд и гадание на "кофейной..." :(

"зависает наглухо" - ардуинка (другие исполнительные механизмы, которыми она управляет замирают до перезагрузки - выдача искры - это только одна из ее функций), соответственно нет импульса на транзистор, после ресета на ардуинке естественно все начинается сначала

Добавлено after 9 minutes 14 seconds:
а если добавить резисторы последовательно обмотке высоковольтного трансформатора помеха не уйдет? скажем на 1k для начала.

c какой целью изменена конструкция "искрителя" ?
я бы предположил что увеличение емкости банально приводит к снижению напряжения и посему работат "ненадежно", невсегда пробивая зазор. тогда надо просто увеличить импульс накачки (если трансформатор еще не близок к насыщению)

еще может быть падение напряжения от тока разряда добавляется кудато в виде помехи, это можно убрать изменением места соединения разрядника с общим проводом. на пальцах: желательно чтоб это соединение (если оно вообще нужно) было одним проводником и вело кудато к силовой стороне напр к блокировочному электролиту выходного каскада.

конструкция "искрителя" изменена по причине изменения конструкции "основного изделия"
последовательно обмотке высоковольтного - по высокой стороне?
работа "ненадежно" (именно с пропусками разряда) - это на зазоре 8-10 мм. сейчас 3 мм. при "большом" зазоре зависаний нет. нет искры и нет зависаний.
"место соединения разрядника с общим проводом" - трубка вваривается в корпус "основного изделия"
простите за чайниковость: блокировочный электролит выходного каскада это что за конденсатор?

Добавлено after 1 minute 30 seconds:
твердотельная катушка тесла вам в помощь, люди делали внешнее управлние эмитирующее звуковой сигнал, так что управление от ардуинки это не проблема.

твердотельная катушка тесла - посмотрю что за зверь..

Добавлено after 14 minutes 26 seconds:
твердотельная катушка тесла вам в помощь, люди делали внешнее управлние эмитирующее звуковой сигнал, так что управление от ардуинки это не проблема.

посмотрел. не покатит по множеству причин. все равно спасибо за совет.


Вернуться наверх
 
Не в сети
 Заголовок сообщения: Re: Генератор одиночных высоковольтных импульсов
СообщениеДобавлено: Чт июн 13, 2024 00:21:49 
Держит паяльник хвостом
Аватар пользователя

Карма: 2
Рейтинг сообщений: 154
Зарегистрирован: Ср окт 04, 2017 20:47:40
Сообщений: 985
Рейтинг сообщения: 0
vasa_pup писал(а):
"зависает наглухо" - ардуинка
"Искритель" на ардуинку влиять не должен ибо помехи может создать только "радиоканальные". которые к тому же при наличии экрана не проникают. Так что скорее всего помеха лезет по питанию. Поэтому: (1)питать ардуину от аккумулятора или (2)очень тщательно фильтровать её питание с заботой её работы при кратковременной глубокой просадке напряжения.


Вернуться наверх
 
Не в сети
 Заголовок сообщения: Re: Генератор одиночных высоковольтных импульсов
СообщениеДобавлено: Чт июн 13, 2024 00:36:26 
Родился

Зарегистрирован: Ср июн 12, 2024 18:07:56
Сообщений: 11
Рейтинг сообщения: 0
vasa_pup писал(а):
"зависает наглухо" - ардуинка
"Искритель" на ардуинку влиять не должен ибо помехи может создать только "радиоканальные". которые к тому же при наличии экрана не проникают. Так что скорее всего помеха лезет по питанию. Поэтому: (1)питать ардуину от аккумулятора или (2)очень тщательно фильтровать её питание с заботой её работы при кратковременной глубокой просадке напряжения.

от батарейки каюсь не пробовал - завтра-послезавтра обязательно. но батарейку (в случае успеха) не применишь ... условие такое объективное. напряжение вроде не просаживалось - смотрел осциллографом (хотя и стареньким простеньким) - провалов не заметил, в зависимости от нагрузки было 5.2 -5.4 В.
как посоветуете "очень тщательно фильтровать" ?


Вернуться наверх
 
Не в сети
 Заголовок сообщения: Re: Генератор одиночных высоковольтных импульсов
СообщениеДобавлено: Чт июн 13, 2024 00:58:45 
Друг Кота
Аватар пользователя

Карма: 31
Рейтинг сообщений: 895
Зарегистрирован: Пт сен 10, 2021 15:19:36
Сообщений: 6169
Откуда: Протвино
Рейтинг сообщения: 0
vasa_pup писал(а):
последовательно обмотке высоковольтного - по высокой стороне?

да, конечно по высоковольтной, по низковольтной стороне совершенно неэффективно потому что добротность высокая именно на высоковольтной.

Цитата:
"место соединения разрядника с общим проводом" - трубка вваривается в корпус "основного изделия"

значит нужно подсоединить провод высоковольтной обмотки как можно ближе к точке вваривания трубки в корпус.


Цитата:
работа "ненадежно" (именно с пропусками разряда) - это на зазоре 8-10 мм. сейчас 3 мм. при "большом" зазоре зависаний нет. нет искры и нет зависаний.

если я правильно понял - после изменения конструкции разрядника напряжение на нем явно уменьшилось и предположительно из за доп емкости. если все так (а не например разряд происходит гдето внутри трубки) то надо увеличивать вкачиваемый импульс энергии в первичку что можно сжелать 3мя способами:
1. увеличить длительность накачивающего импульса
2. увеличить напряжение питания
3. уменьшить индуктивность первички
и надо иметь ввиду что любое из этих изменений потенциально может привести к насыщению сердечника трансформатора (в общем случае его нужно пересчитать под новый импульс)




силовой блокировочный электролит - конденсатор между истоком силового fet и верхним концом первички трансформатора. на схеме его не видно но, надеюсь, его не забыли :? сама же эта цепочка (конденсатор-первичка- FET) - должна быть трассирована так чтоб ее периметр и площадь были минимальными.


Вернуться наверх
 
Не в сети
 Заголовок сообщения: Re: Генератор одиночных высоковольтных импульсов
СообщениеДобавлено: Чт июн 13, 2024 12:10:40 
Друг Кота
Аватар пользователя

Карма: 17
Рейтинг сообщений: 467
Зарегистрирован: Ср ноя 11, 2009 17:19:30
Сообщений: 5586
Откуда: Воронеж
Рейтинг сообщения: 0
Ставлю, что по воздуху прилетает на какие-нибудь внешние линии. Тут очень важен конструктив всего устройства.

_________________
"Привет!" - соврал он.


Вернуться наверх
 
Не в сети
 Заголовок сообщения: Re: Генератор одиночных высоковольтных импульсов
СообщениеДобавлено: Чт июн 13, 2024 12:52:14 
Друг Кота
Аватар пользователя

Карма: 24
Рейтинг сообщений: 207
Зарегистрирован: Ср мар 06, 2019 12:23:29
Сообщений: 9589
Рейтинг сообщения: 0
Работает.
Возникла необходимость изменить конструкцию "Искрителя" - заменить электроды на электрод в трубке, искра на трубку. Стабильно работать перестало.

Высоковольтный трансформатор похоже мелкий китайский с алика.
С 16 В до 25 кВ и работает на искру ? он с умножителем или ?
Фото этого "мелкого трансформатора" можно? и его маркировку...

В темноте не пробовали посмотреть, нигде там не "шьёт"?

_________________
Койот (Canis latrans) – это не Кот, а известен как американский шакал, является видом псовых...
____________

"Кто хочет, тот ищет возможности, кто не хочет —ищет причины."


Вернуться наверх
 
Не в сети
 Заголовок сообщения: Re: Генератор одиночных высоковольтных импульсов
СообщениеДобавлено: Пт июн 14, 2024 01:01:57 
Родился

Зарегистрирован: Ср июн 12, 2024 18:07:56
Сообщений: 11
Рейтинг сообщения: 0
vasa_pup писал(а):
последовательно обмотке высоковольтного - по высокой стороне?

да, конечно по высоковольтной, по низковольтной стороне совершенно неэффективно потому что добротность высокая именно на высоковольтной.

Цитата:
"место соединения разрядника с общим проводом" - трубка вваривается в корпус "основного изделия"

значит нужно подсоединить провод высоковольтной обмотки как можно ближе к точке вваривания трубки в корпус.


Цитата:
работа "ненадежно" (именно с пропусками разряда) - это на зазоре 8-10 мм. сейчас 3 мм. при "большом" зазоре зависаний нет. нет искры и нет зависаний.

если я правильно понял - после изменения конструкции разрядника напряжение на нем явно уменьшилось и предположительно из за доп емкости. если все так (а не например разряд происходит гдето внутри трубки) то надо увеличивать вкачиваемый импульс энергии в первичку что можно сжелать 3мя способами:
1. увеличить длительность накачивающего импульса
2. увеличить напряжение питания
3. уменьшить индуктивность первички
и надо иметь ввиду что любое из этих изменений потенциально может привести к насыщению сердечника трансформатора (в общем случае его нужно пересчитать под новый импульс)




силовой блокировочный электролит - конденсатор между истоком силового fet и верхним концом первички трансформатора. на схеме его не видно но, надеюсь, его не забыли :? сама же эта цепочка (конденсатор-первичка- FET) - должна быть трассирована так чтоб ее периметр и площадь были минимальными.

1. увеличить длительность накачивающего импульса - положительного эффекта нет, полевик начинает теплеть
2. увеличить напряжение питания - до "зависания" искра (по виду) не отличает от искры от двух (стабильно работающих) электродов. смысл?
3. уменьшить индуктивность первички - ну на залитом эпоксидкой трансе ... или как?

На сегодня по причине дождевого катаклизма не удалось реализовать громадные планы, составление с учетом всех Ваших советов и размышлений (низкий поклон Вам за это!), однако завтра как минимум проверю работу от батарейки с учетом Ваших высказываний и обязательно отпишусь.

ЗЫ. Пока радует то, что Вы не опровергли жизнеспособность предложенной схему (решения) указав на критические ошибки (недоработки).

Добавлено after 32 minutes 16 seconds:
Работает.
Возникла необходимость изменить конструкцию "Искрителя" - заменить электроды на электрод в трубке, искра на трубку. Стабильно работать перестало.

Высоковольтный трансформатор похоже мелкий китайский с алика.
С 16 В до 25 кВ и работает на искру ? он с умножителем или ?
Фото этого "мелкого трансформатора" можно? и его маркировку...

В темноте не пробовали посмотреть, нигде там не "шьёт"?

1. с 16 В до 25 кВ и работает на искру
2. работает без умножителя
3. "шитья", "Святого Эльма" и озона нет
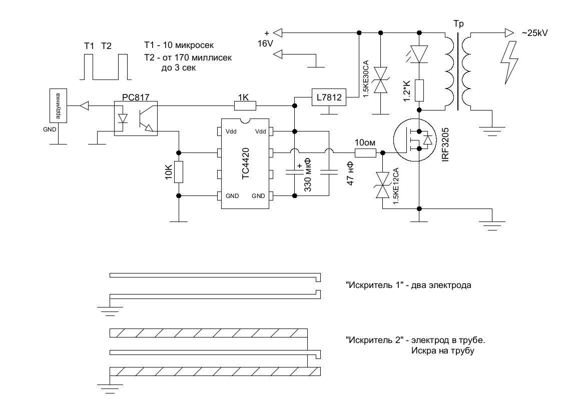
4. "китаец" без маркировки, очень похож на (приляпанный файл)


Вложения:
kitaets.png [80.44 KiB]
Скачиваний: 176
Вернуться наверх
 
Не в сети
 Заголовок сообщения: Re: Генератор одиночных высоковольтных импульсов
СообщениеДобавлено: Пт июн 14, 2024 20:09:05 
Родился

Зарегистрирован: Ср июн 12, 2024 18:07:56
Сообщений: 11
Рейтинг сообщения: 0
Как обещал рассказываю:
1. Включение в высоковольтный провод резистора ничего не дало, начиная с 10кОм искра переставала зажигаться, зависания не прекратились
2. Питание ардуинки от батарейки, других ИП ничего не дало
Радикально в лучшую сторону изменило включение дросселя между трубкой и землей. Буду пару дней тестировать на количество отказов.
Дроссель: 25 витков провода на колечке с какой-то материнки.

Правда придется озадачить "железнячих" конструкторов, как изолировать трубку от земли, но это "уже совсем другая история"... Может что еще родиться...
Принципиально такое решение устраивает ибо по постоянному току трубка все равно на земле, что надо для решения других задач...


Все принявших участие благодарю!
Но это не значит что надо забыть эту тему - прошу Вас высказывать свои замечания\дополнения\советы.
По результатам отпишусь.

Добавлено after 1 minute 35 seconds:
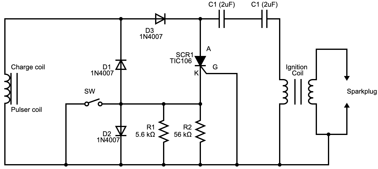
В процессе размышлений встретил схему "зажигалки" (приляпано w01.png)
Вот по ней вопросы:
1. Правильно ли я понимаю, что при замыкании SW происходит разряд С1-С2, если это так, как прикрутить управление этим замыканием оптрон с ардуинки (не поленитесь, нарисуйте схемку).
2. Подавая теже 16В (переменки) должно хватить на искрообразование (по всей видимости подобрав С1)?


Вложения:
w01.png [66.07 KiB]
Скачиваний: 225
q13.png [5.75 KiB]
Скачиваний: 202
Вернуться наверх
 
Показать сообщения за:  Сортировать по:  Вернуться наверх
Начать новую тему Ответить на тему  [ Сообщений: 35 ]  1,  

Часовой пояс: UTC + 3 часа


Кто сейчас на форуме

Сейчас этот форум просматривают: нет зарегистрированных пользователей и гости: 3


Вы не можете начинать темы
Вы не можете отвечать на сообщения
Вы не можете редактировать свои сообщения
Вы не можете удалять свои сообщения
Вы не можете добавлять вложения

Найти:
Перейти:  


Powered by phpBB © 2000, 2002, 2005, 2007 phpBB Group
Русская поддержка phpBB
Extended by Karma MOD © 2007—2012 m157y
Extended by Topic Tags MOD © 2012 m157y