Например TDA7294

Форум РадиоКот • Просмотр темы - Шьем PIC через LPT порт.
Форум РадиоКот
Здесь можно немножко помяукать :)

Текущее время: Вт дек 16, 2025 00:33:50

Часовой пояс: UTC + 3 часа


ПРЯМО СЕЙЧАС:



Начать новую тему Ответить на тему  [ Сообщений: 130 ]  1, , , , ...  
Автор Сообщение
Не в сети
 Заголовок сообщения: Шьем PIC через LPT порт.
СообщениеДобавлено: Сб фев 05, 2011 22:59:08 
Открыл глаза
Аватар пользователя

Зарегистрирован: Сб янв 15, 2011 21:04:05
Сообщений: 70
Рейтинг сообщения: 0
Здесь предлагаю выкладывать и обсуждать прошивку PIC мк через порт принтера, это послужит хорошей и нужной информацией для людей у которых нет программатора и срочно нужно что-то прошить.
Ну думаю кто в теме эту схему уже видели
Изображение

может кто-то еще знает такие схемы по прошивке пиков? в частности pic16 или pic18?


Вернуться наверх
 
Не в сети
 Заголовок сообщения: Re: Шьем PIC через LPT порт.
СообщениеДобавлено: Вс фев 06, 2011 15:35:51 
Поставщик валерьянки для Кота
Аватар пользователя

Карма: 10
Рейтинг сообщений: 163
Зарегистрирован: Вс янв 09, 2011 16:51:39
Сообщений: 2347
Откуда: Санкт-Ленинград
Рейтинг сообщения: 0
Что-то Вы опять какой-то изврат выложили. :))
По-моему, он только низковольтно может программировать, а питание от дата-линий порта, не есть гуд.
Самые же распространённые ЛПТ-программаторы для ПИКов: Willem и его клон EzoFlash

_________________
ICQ нет, и, в ближайшее время, не будет.


Вернуться наверх
 
Не в сети
 Заголовок сообщения: Re: Шьем PIC через LPT порт.
СообщениеДобавлено: Вс фев 06, 2011 17:55:42 
Друг Кота
Аватар пользователя

Карма: 39
Рейтинг сообщений: 723
Зарегистрирован: Ср фев 01, 2006 22:29:02
Сообщений: 3113
Откуда: г.Ростов-на-Дону
Рейтинг сообщения: 0
Раз такое дело то вот схема высоковольтного программатора PIC на LPT порт минимум деталей и никакого шаманства при прошивке. :))


Вложения:
Комментарий к файлу: Сам программатор а сборе.
CIMG0015.JPG [85.43 KiB]
Скачиваний: 6100
Комментарий к файлу: Схемка программатора.
LPT_Var2.pdf [17.18 KiB]
Скачиваний: 4499
Вернуться наверх
 
Не в сети
 Заголовок сообщения: Re: Шьем PIC через LPT порт.
СообщениеДобавлено: Вс фев 06, 2011 19:32:56 
Поставщик валерьянки для Кота
Аватар пользователя

Карма: 10
Рейтинг сообщений: 163
Зарегистрирован: Вс янв 09, 2011 16:51:39
Сообщений: 2347
Откуда: Санкт-Ленинград
Рейтинг сообщения: 0
Ни первый, ни второй, без софта работать не будут.
Отсюда вопрос к авторам топиков: где софт?

P.S.: А второй вариант посложнее Экстра-ПИКа будет. :roll:

_________________
ICQ нет, и, в ближайшее время, не будет.


Вернуться наверх
 
Эиком - электронные компоненты и радиодетали
Не в сети
 Заголовок сообщения: Re: Шьем PIC через LPT порт.
СообщениеДобавлено: Вс фев 06, 2011 20:08:00 
Друг Кота
Аватар пользователя

Карма: 50
Рейтинг сообщений: 1398
Зарегистрирован: Пт авг 28, 2009 21:34:30
Сообщений: 7320
Откуда: 845-й км.
Рейтинг сообщения: 0
Медали: 1
Получил миской по аватаре (1)
Класс. Про Дэвида Тайта уже все забыли.

_________________
А люди посмотрят и скажут: "Собаки летят. Вот и осень."


Вернуться наверх
 
Не в сети
 Заголовок сообщения: Re: Шьем PIC через LPT порт.
СообщениеДобавлено: Вс фев 06, 2011 20:14:10 
Друг Кота
Аватар пользователя

Карма: 39
Рейтинг сообщений: 723
Зарегистрирован: Ср фев 01, 2006 22:29:02
Сообщений: 3113
Откуда: г.Ростов-на-Дону
Рейтинг сообщения: 0
Dmitry Dubrovenko писал(а):
Отсюда вопрос к авторам топиков: где софт?


А про софт в названии темы слов нету :))


Вернуться наверх
 
Не в сети
 Заголовок сообщения: Re: Шьем PIC через LPT порт.
СообщениеДобавлено: Вс фев 06, 2011 21:16:47 
Открыл глаза
Аватар пользователя

Зарегистрирован: Сб янв 15, 2011 21:04:05
Сообщений: 70
Рейтинг сообщения: 0
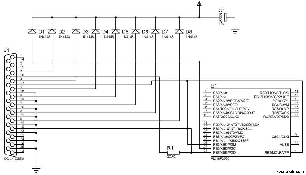
вот еще схемка с какого-то забурного сайта,может пригодится кому :))
кстати,на счет софта,по крайней мере по моим схемкам, заходим в winpic800 вибираем программатор art2003 и шьем, сам не пробовал, но люди так пишут в форуме и если комп позволяет все шьется оч даже неплохо :)

Изображение


Вложения:
Комментарий к файлу: арт2003-схемка
art2003-sch.jpg [70.38 KiB]
Скачиваний: 3835
Комментарий к файлу: Вид программатора на плате.
art2003-prog-top.jpg [27.81 KiB]
Скачиваний: 20271
Вернуться наверх
 
Не в сети
 Заголовок сообщения: Re: Шьем PIC через LPT порт.
СообщениеДобавлено: Вс фев 06, 2011 21:22:57 
Открыл глаза
Аватар пользователя

Зарегистрирован: Сб янв 15, 2011 21:04:05
Сообщений: 70
Рейтинг сообщения: 0
uldemir писал(а):
Класс. Про Дэвида Тайта уже все забыли.

можно поподробней, в яндексе нашел мало инфы по этому челу.


Вернуться наверх
 
Не в сети
 Заголовок сообщения: Re: Шьем PIC через LPT порт.
СообщениеДобавлено: Вс фев 06, 2011 21:59:54 
Друг Кота
Аватар пользователя

Карма: 33
Рейтинг сообщений: 50
Зарегистрирован: Вт мар 09, 2010 09:29:27
Сообщений: 6163
Откуда: Свердловская область, г. Ирбит
Рейтинг сообщения: 0
Мужики! Искренне Вам советую: http://www.sprut.de/electronic/pic/bren ... m#brenner5
По этой ссылке есть и схемы и софт. Программатор рабочий- проверено. Сейчас работаю с мобильника, ну а завтра могу выложить конкретную схему и вариант печатки

_________________
"У принца Лимона всё наоборот: воры и убийцы у него во дворце, а в тюрьме сидят честные граждане" (с) Дж. Родари "Приключения Чипполино"


Вернуться наверх
 
Не в сети
 Заголовок сообщения: Re: Шьем PIC через LPT порт.
СообщениеДобавлено: Пн фев 07, 2011 08:21:04 
Друг Кота
Аватар пользователя

Карма: 33
Рейтинг сообщений: 50
Зарегистрирован: Вт мар 09, 2010 09:29:27
Сообщений: 6163
Откуда: Свердловская область, г. Ирбит
Рейтинг сообщения: 0
Кстати, а вот и обещанные мной файлы со схемами и платами для Brenner5 и до кучи ещё абсолютно рабочий адаптер am-589. Софт скинуть не могу- он не влазит, его три разновидности: 1. Для пик12, 16; 2. Для пик18; 3. Для dsPIC30. Все проги выложены на сайте спрута.


Вложения:
AN589.GIF [9.75 KiB]
Скачиваний: 3615
brenner57e.zip [68.18 KiB]
Скачиваний: 1422
brenner57e_sch.gif [71.42 KiB]
Скачиваний: 2538
brenner57e_bst.gif [44.42 KiB]
Скачиваний: 2109

_________________
"У принца Лимона всё наоборот: воры и убийцы у него во дворце, а в тюрьме сидят честные граждане" (с) Дж. Родари "Приключения Чипполино"
Вернуться наверх
 
Не в сети
 Заголовок сообщения: Re: Шьем PIC через LPT порт.
СообщениеДобавлено: Пн фев 07, 2011 14:45:26 
Открыл глаза
Аватар пользователя

Зарегистрирован: Сб янв 15, 2011 21:04:05
Сообщений: 70
Рейтинг сообщения: 0
atmicandr писал(а):
Кстати, а вот и обещанные мной файлы со схемами и платами для Brenner5 и до кучи ещё абсолютно рабочий адаптер am-589. Софт скинуть не могу- он не влазит, его три разновидности: 1. Для пик12, 16; 2. Для пик18; 3. Для dsPIC30. Все проги выложены на сайте спрута.

спасибо. вообще схема не сильно сложная, по-моему даже легче экстра пика.


Вернуться наверх
 
Не в сети
 Заголовок сообщения: Re: Шьем PIC через LPT порт.
СообщениеДобавлено: Пн фев 07, 2011 15:12:55 
Друг Кота
Аватар пользователя

Карма: 33
Рейтинг сообщений: 50
Зарегистрирован: Вт мар 09, 2010 09:29:27
Сообщений: 6163
Откуда: Свердловская область, г. Ирбит
Рейтинг сообщения: 0
PEREVOZCHIK писал(а):
atmicandr писал(а):
Кстати, а вот и обещанные мной файлы со схемами и платами для Brenner5 и до кучи ещё абсолютно рабочий адаптер am-589. Софт скинуть не могу- он не влазит, его три разновидности: 1. Для пик12, 16; 2. Для пик18; 3. Для dsPIC30. Все проги выложены на сайте спрута.

спасибо. вообще схема не сильно сложная, по-моему даже легче экстра пика.

Я собирал и экстрапик- работает классно, но данные об этом программаторе я выложил как альтернативу- эта схема работает сразу и поверьте мне, она избавит Вас всех от самых разных тупых вопросов- типа: почему не работает. Эту схему я сначала искал когда не знал чем прошить PIC18F4685. Все софты этого программатора прекрасно работают под XP sp3. Пробуйте- не пожалеете. Там нет ни одной редкой детали- просто сказка. С уважением Корчагин Андрей

_________________
"У принца Лимона всё наоборот: воры и убийцы у него во дворце, а в тюрьме сидят честные граждане" (с) Дж. Родари "Приключения Чипполино"


Вернуться наверх
 
Не в сети
 Заголовок сообщения: Re: Шьем PIC через LPT порт.
СообщениеДобавлено: Ср фев 09, 2011 22:23:46 
Открыл глаза
Аватар пользователя

Зарегистрирован: Сб янв 15, 2011 21:04:05
Сообщений: 70
Рейтинг сообщения: 0
Народ, а если вот art2003 использовать при прошивке,как в 1м посте я схему указал,там ниче на мат.плате не подпалишь? например внутреннюю звуковуху или еще что-то?


Вернуться наверх
 
Не в сети
 Заголовок сообщения: Re: Шьем PIC через LPT порт.
СообщениеДобавлено: Чт фев 10, 2011 13:44:59 
Друг Кота
Аватар пользователя

Карма: 33
Рейтинг сообщений: 50
Зарегистрирован: Вт мар 09, 2010 09:29:27
Сообщений: 6163
Откуда: Свердловская область, г. Ирбит
Рейтинг сообщения: 0
PEREVOZCHIK писал(а):
Народ, а если вот art2003 использовать при прошивке,как в 1м посте я схему указал,там ниче на мат.плате не подпалишь? например внутреннюю звуковуху или еще что-то?

Стесняюсь спросить: Вы когда создавали тему, нафига выложили схему того программатора, который сами не проверили? Вообще люди пользуют и ничего не сожгли, надеюсь и Вам это не удастся.

_________________
"У принца Лимона всё наоборот: воры и убийцы у него во дворце, а в тюрьме сидят честные граждане" (с) Дж. Родари "Приключения Чипполино"


Вернуться наверх
 
Не в сети
 Заголовок сообщения: Re: Шьем PIC через LPT порт.
СообщениеДобавлено: Чт фев 10, 2011 18:24:16 
Друг Кота
Аватар пользователя

Карма: 39
Рейтинг сообщений: 723
Зарегистрирован: Ср фев 01, 2006 22:29:02
Сообщений: 3113
Откуда: г.Ростов-на-Дону
Рейтинг сообщения: 0
art2003 он малость фиговый т.е низковольтный и там надо бит LVP ставить и все равно с ним нормально не прошить, пики они любят подачу 12V при программировании :))


Вернуться наверх
 
Не в сети
 Заголовок сообщения: Re: Шьем PIC через LPT порт.
СообщениеДобавлено: Чт фев 10, 2011 19:09:52 
Поставщик валерьянки для Кота
Аватар пользователя

Карма: 10
Рейтинг сообщений: 163
Зарегистрирован: Вс янв 09, 2011 16:51:39
Сообщений: 2347
Откуда: Санкт-Ленинград
Рейтинг сообщения: 0
Sailanser писал(а):
art2003 он малость фиговый т.е низковольтный
Я так и думал (см. мой первый пост).
:))

_________________
ICQ нет, и, в ближайшее время, не будет.


Вернуться наверх
 
Не в сети
 Заголовок сообщения: Re: Шьем PIC через LPT порт.
СообщениеДобавлено: Чт фев 10, 2011 23:04:49 
Открыл глаза
Аватар пользователя

Зарегистрирован: Сб янв 15, 2011 21:04:05
Сообщений: 70
Рейтинг сообщения: 0
Sailanser писал(а):
art2003 он малость фиговый т.е низковольтный и там надо бит LVP ставить и все равно с ним нормально не прошить, пики они любят подачу 12V при программировании :))

а что значит бит LVP ?


Вернуться наверх
 
Не в сети
 Заголовок сообщения: Re: Шьем PIC через LPT порт.
СообщениеДобавлено: Пт фев 11, 2011 10:43:24 
Поставщик валерьянки для Кота
Аватар пользователя

Карма: 10
Рейтинг сообщений: 163
Зарегистрирован: Вс янв 09, 2011 16:51:39
Сообщений: 2347
Откуда: Санкт-Ленинград
Рейтинг сообщения: 0
PEREVOZCHIK писал(а):
а что значит бит LVP ?
Low Voltage Programming (низковольтное программирование).
В этом режиме не требуется питания Vpp, зато, насколько помню, недоступен один из пинов порта.

_________________
ICQ нет, и, в ближайшее время, не будет.


Вернуться наверх
 
Не в сети
 Заголовок сообщения: Re: Шьем PIC через LPT порт.
СообщениеДобавлено: Пт фев 11, 2011 11:48:49 
Друг Кота
Аватар пользователя

Карма: 33
Рейтинг сообщений: 50
Зарегистрирован: Вт мар 09, 2010 09:29:27
Сообщений: 6163
Откуда: Свердловская область, г. Ирбит
Рейтинг сообщения: 0
Автор темы, собирай Brenner 5 и не думай больше ни о каких проблемах. С уважением Корчагин Андрей.

_________________
"У принца Лимона всё наоборот: воры и убийцы у него во дворце, а в тюрьме сидят честные граждане" (с) Дж. Родари "Приключения Чипполино"


Вернуться наверх
 
Не в сети
 Заголовок сообщения: Re: Шьем PIC через LPT порт.
СообщениеДобавлено: Ср май 18, 2011 11:42:04 
Родился

Зарегистрирован: Вт май 17, 2011 16:36:37
Сообщений: 9
Рейтинг сообщения: 0
Всем привет.
Возникла необходимость прошить pic16 28-ножечную, нужно единоразово. Ну и так как с программированием микроконтроллеров знаком только на уровне перепрошивки чипов у лазерных принтеров, возник вопрос: вот ну самое-самое простое одноразовое что можно сваять. Ткните носом, пожалуйста, а то голова кипит от обилия вариантов, которые считаются несложными (((( На разочек прошить...


Вернуться наверх
 
Показать сообщения за:  Сортировать по:  Вернуться наверх
Начать новую тему Ответить на тему  [ Сообщений: 130 ]  1, , , , ...  

Часовой пояс: UTC + 3 часа


Кто сейчас на форуме

Сейчас этот форум просматривают: нет зарегистрированных пользователей и гости: 15


Вы не можете начинать темы
Вы не можете отвечать на сообщения
Вы не можете редактировать свои сообщения
Вы не можете удалять свои сообщения
Вы не можете добавлять вложения

Найти:
Перейти:  


Powered by phpBB © 2000, 2002, 2005, 2007 phpBB Group
Русская поддержка phpBB
Extended by Karma MOD © 2007—2012 m157y
Extended by Topic Tags MOD © 2012 m157y