Например TDA7294

Форум РадиоКот • Просмотр темы - PICkit2. Собираем.
Форум РадиоКот
Здесь можно немножко помяукать :)

Текущее время: Пн мар 02, 2026 12:23:32

Часовой пояс: UTC + 3 часа


ПРЯМО СЕЙЧАС:



Начать новую тему Ответить на тему  [ Сообщений: 1762 ]     ... , , , 87, ,  
Автор Сообщение
 Заголовок сообщения: Re: PICkit2. Собираем.
СообщениеДобавлено: Ср май 25, 2022 07:40:44 
Мудрый кот

Карма: 25
Рейтинг сообщений: 499
Зарегистрирован: Сб май 05, 2012 20:24:52
Сообщений: 1870
Откуда: KN34PC, Болгария
Рейтинг сообщения: 1
Где включены PGC и PGD? На той же MCU "по инерции" включал их на pin 12 и 13. Начального "прогресса" не было :).
К pin 9 и 10 все ОК.

Другая наиболее распространенная неточность, когда программный код имеет блокировку копирования (program memory code protection is enabled). Тогда чтение невозможно.


Вложения:
pic16f1454_blink.gif [28.83 KiB]
Скачиваний: 259
Вернуться наверх
 
 Заголовок сообщения: Re: PICkit2. Собираем.
СообщениеДобавлено: Ср май 25, 2022 11:10:37 
Вымогатель припоя

Карма: 7
Рейтинг сообщений: 27
Зарегистрирован: Вт июн 23, 2020 17:32:46
Сообщений: 586
Откуда: Санкт-Петербург
Рейтинг сообщения: 0
Спасибо за ответ!

Я пытаюсь программировать PIC16F1454-E/MV, схема устройства приложена.
Вижу, что ножка VDD микросхемы не подключена к разъёму программирования, она запитана от самого устройства через стабилизатор на 3,3 вольта.
Можно ли подать 5 вольт с разъёма программирования на выход стабилизатора? (Думаю, стабилизатор не испортится, но эти же пять вольт попадут и на второй вход питания PIC16F1454, это допустимо?)


Вложения:
ATU-10_vk3pe_V1.2_ALL_INFO_290921_sch.pdf [1.14 MiB]
Скачиваний: 305
Вернуться наверх
 
 Заголовок сообщения: Re: PICkit2. Собираем.
СообщениеДобавлено: Ср май 25, 2022 11:45:57 
Друг Кота
Аватар пользователя

Карма: 140
Рейтинг сообщений: 4277
Зарегистрирован: Чт сен 01, 2011 12:53:27
Сообщений: 20131
Откуда: ТьмуТаракания. Почетный житель подмостовья
Рейтинг сообщения: 0
а кто мешает сделать развязку диодами шотки?
а вот стабилизатору на выход питание подавать- как-раз зло. не каждый стерпит, сгорит к хвостам кошачьим

_________________
Шекспир сказал: Судить меня -дано лишь Богу, другим я укажу дорогу... https://natribu.org/
Я его полностью поддерживаю.
Программирую на Fuse AtmelAVR.


Вернуться наверх
 
 Заголовок сообщения: Re: PICkit2. Собираем.
СообщениеДобавлено: Ср май 25, 2022 13:09:36 
Поставщик валерьянки для Кота
Аватар пользователя

Карма: 10
Рейтинг сообщений: 163
Зарегистрирован: Вс янв 09, 2011 16:51:39
Сообщений: 2348
Откуда: Санкт-Ленинград
Рейтинг сообщения: 0
oleg63m писал(а):
стабилизатору на выход питание подавать- как-раз зло

Ну, если он выключен, то не так уж и большое. :)
Правда есть одно НО.
Поскольку стабилизатор скорее всего LDO, и регулирующий элемент у него - MOSFET, то имеется "обратный" диод.
Таким образом, необходимо учитывать входные цепи стабилизатора.
В данной схеме там имеется конденсатор на 10uF, что, в начальный момент времени, повлечёт довольно большие токи через в/у диод, и он может просто не сдюжить.

_________________
ICQ нет, и, в ближайшее время, не будет.


Вернуться наверх
 
Эиком - электронные компоненты и радиодетали
 Заголовок сообщения: Re: PICkit2. Собираем.
СообщениеДобавлено: Ср май 25, 2022 13:30:50 
Вымогатель припоя

Карма: 7
Рейтинг сообщений: 27
Зарегистрирован: Вт июн 23, 2020 17:32:46
Сообщений: 586
Откуда: Санкт-Петербург
Рейтинг сообщения: 0
Увы, развязку не сделать, так как плата уже готовая, не подобраться.
Разве что, отпаяю стабилизатор на время программирования.

Могут ли быть сложности с записью, если питание - как сейчас - 3,3 вольта?


Вернуться наверх
 
 Заголовок сообщения: Re: PICkit2. Собираем.
СообщениеДобавлено: Ср май 25, 2022 18:08:16 
Мудрый кот

Карма: 25
Рейтинг сообщений: 499
Зарегистрирован: Сб май 05, 2012 20:24:52
Сообщений: 1870
Откуда: KN34PC, Болгария
Рейтинг сообщения: 0
Что за сложность: отпаять стабилизатор? Включите внешнее питание. Включите нормальный программатор: PGC, PGD, MCLR и земля с/без "плюса". Например, pickit3 сам определяет источник питания и включает или выключает его внутренное питание. Ниже: MCU случайной (16F15313), на столе, уже включен к +3,3V -> pickit выключил собственное питание.


Вложения:
pc3.jpg [200.22 KiB]
Скачиваний: 234
Вернуться наверх
 
 Заголовок сообщения: Re: PICkit2. Собираем.
СообщениеДобавлено: Ср май 25, 2022 18:14:58 
Вымогатель припоя

Карма: 7
Рейтинг сообщений: 27
Зарегистрирован: Вт июн 23, 2020 17:32:46
Сообщений: 586
Откуда: Санкт-Петербург
Рейтинг сообщения: 0
Так я и собираюсь отпаивать стабилизатор. Главное моё опасение, - можно ли подавать на PIC16F1454 питающее напряжение, == 5 вольт во время программирования?
(у меня, всё-таки, не официальный PICkit3, а китайский клон PICkit2, да и автор программы PICkit minus говорит, что список "поддерживаемых" микросхем не был проверен на 100%, только некоторые типы из него были удачно запрограммированы. Опасаюсь, не окажется ли PIC16F1454 в числе тех, что невозможно запрограммировать этим оборудованием)


Вернуться наверх
 
 Заголовок сообщения: Re: PICkit2. Собираем.
СообщениеДобавлено: Ср май 25, 2022 18:22:29 
Мудрый кот

Карма: 25
Рейтинг сообщений: 499
Зарегистрирован: Сб май 05, 2012 20:24:52
Сообщений: 1870
Откуда: KN34PC, Болгария
Рейтинг сообщения: 0
PIC16F1454 есть в списке:
PICkitminus and PK2CMD minus supported devices.

Мой 16F1454 с китайским клоном pickit3 програмирую. Проблем нет.
Попробуйте. Не так сложно. Если хотите на всякий случай, поставьте защитные резисторы 10..100..470 Ohms на всех выводов. Ничего не может случиться. Поделитесь результатом.


Вернуться наверх
 
 Заголовок сообщения: Re: PICkit2. Собираем.
СообщениеДобавлено: Ср май 25, 2022 18:33:48 
Вымогатель припоя

Карма: 7
Рейтинг сообщений: 27
Зарегистрирован: Вт июн 23, 2020 17:32:46
Сообщений: 586
Откуда: Санкт-Петербург
Рейтинг сообщения: 0
Так "поделился" уже, - стереть прежнее (заводское содержимое, XPRESS, имевшееся на микросхеме, когда она была на плате DM164142) получилось, а зашить - не получается, ошибку сообщает процедура Verify.


Вернуться наверх
 
 Заголовок сообщения: Re: PICkit2. Собираем.
СообщениеДобавлено: Ср май 25, 2022 18:43:14 
Поставщик валерьянки для Кота
Аватар пользователя

Карма: 10
Рейтинг сообщений: 163
Зарегистрирован: Вс янв 09, 2011 16:51:39
Сообщений: 2348
Откуда: Санкт-Ленинград
Рейтинг сообщения: 0
catBot писал(а):
зашить - не получается

С чего Вы взяли?
Может у Вас просто биты защиты выставлены?

_________________
ICQ нет, и, в ближайшее время, не будет.


Вернуться наверх
 
 Заголовок сообщения: Re: PICkit2. Собираем.
СообщениеДобавлено: Ср май 25, 2022 18:52:36 
Поставщик валерьянки для Кота
Аватар пользователя

Карма: -14
Рейтинг сообщений: 103
Зарегистрирован: Вт янв 26, 2021 22:33:21
Сообщений: 2314
Рейтинг сообщения: 0
Dmitry Dubrovenko писал(а):
Может у Вас просто биты защиты выставлены?

А пикоф16 они отдельно ?

_________________
Не спрашивай по ком звонит колокол, он звонит по тебе !


Вернуться наверх
 
 Заголовок сообщения: Re: PICkit2. Собираем.
СообщениеДобавлено: Ср май 25, 2022 18:57:36 
Поставщик валерьянки для Кота
Аватар пользователя

Карма: 10
Рейтинг сообщений: 163
Зарегистрирован: Вс янв 09, 2011 16:51:39
Сообщений: 2348
Откуда: Санкт-Ленинград
Рейтинг сообщения: 0
Alex_641 писал(а):
А пикоф16 они отдельно ?
Они в слове (словах) конфигурации.

_________________
ICQ нет, и, в ближайшее время, не будет.


Вернуться наверх
 
 Заголовок сообщения: Re: PICkit2. Собираем.
СообщениеДобавлено: Ср май 25, 2022 18:58:57 
Поставщик валерьянки для Кота
Аватар пользователя

Карма: -14
Рейтинг сообщений: 103
Зарегистрирован: Вт янв 26, 2021 22:33:21
Сообщений: 2314
Рейтинг сообщения: 0
Dmitry Dubrovenko писал(а):
Они в слове

А хде то слово ? Или не в программе ?

_________________
Не спрашивай по ком звонит колокол, он звонит по тебе !


Вернуться наверх
 
 Заголовок сообщения: Re: PICkit2. Собираем.
СообщениеДобавлено: Ср май 25, 2022 19:19:54 
Поставщик валерьянки для Кота
Аватар пользователя

Карма: 10
Рейтинг сообщений: 163
Зарегистрирован: Вс янв 09, 2011 16:51:39
Сообщений: 2348
Откуда: Санкт-Ленинград
Рейтинг сообщения: 0
Alex_641 писал(а):
не в программе ?

Разумеется не в программе.
Хотя, что Вы подразумеваете под словом "программа"?

_________________
ICQ нет, и, в ближайшее время, не будет.


Вернуться наверх
 
 Заголовок сообщения: Re: PICkit2. Собираем.
СообщениеДобавлено: Ср май 25, 2022 19:22:00 
Поставщик валерьянки для Кота
Аватар пользователя

Карма: -14
Рейтинг сообщений: 103
Зарегистрирован: Вт янв 26, 2021 22:33:21
Сообщений: 2314
Рейтинг сообщения: 0
У пиков вроде как биты конфигурации задаются в инициализации ( у 16 - х ) ...нет ?

_________________
Не спрашивай по ком звонит колокол, он звонит по тебе !


Вернуться наверх
 
 Заголовок сообщения: Re: PICkit2. Собираем.
СообщениеДобавлено: Ср май 25, 2022 19:25:20 
Вымогатель припоя

Карма: 7
Рейтинг сообщений: 27
Зарегистрирован: Вт июн 23, 2020 17:32:46
Сообщений: 586
Откуда: Санкт-Петербург
Рейтинг сообщения: 0
Я в этом ПОЛНЕЙШИЙ новичок, спорить не буду.

"Градусник" записи добегает до конца, сообщений об ошибке нет.
Но устройство не работает, а сверка (Verify) сообщает о несовпадении, в начальных адресах.
Считывание данных показывает, что в начале памяти какие-то данные имеются, остальное - запонено нулями.
Я не устанавливаю "защиту от считывания", - во первых, не умею, во вторых, не требуется. Так как hex-файл взят с github'а, КРАЙНЕ маловероятно, что защита может там включаться.

Добавлено after 2 minutes 13 seconds:
Вопрос: не сожгу ли я PIC16F1454, если запитаю его от программатора, и установлю напряжение 5 вольт?


Вернуться наверх
 
 Заголовок сообщения: Re: PICkit2. Собираем.
СообщениеДобавлено: Ср май 25, 2022 19:30:38 
Поставщик валерьянки для Кота
Аватар пользователя

Карма: 10
Рейтинг сообщений: 163
Зарегистрирован: Вс янв 09, 2011 16:51:39
Сообщений: 2348
Откуда: Санкт-Ленинград
Рейтинг сообщения: 0
Alex_641 писал(а):
нет ?
Нет.

catBot писал(а):
hex-файл взят с github'а
Ссылочку можете дать?

catBot писал(а):
установлю напряжение 5 вольт?
Что по этому поводу говорит даташит?
Опять же, что там сказано по поводу Vpp?

_________________
ICQ нет, и, в ближайшее время, не будет.


Вернуться наверх
 
 Заголовок сообщения: Re: PICkit2. Собираем.
СообщениеДобавлено: Ср май 25, 2022 19:34:19 
Мудрый кот

Карма: 25
Рейтинг сообщений: 499
Зарегистрирован: Сб май 05, 2012 20:24:52
Сообщений: 1870
Откуда: KN34PC, Болгария
Рейтинг сообщения: 0
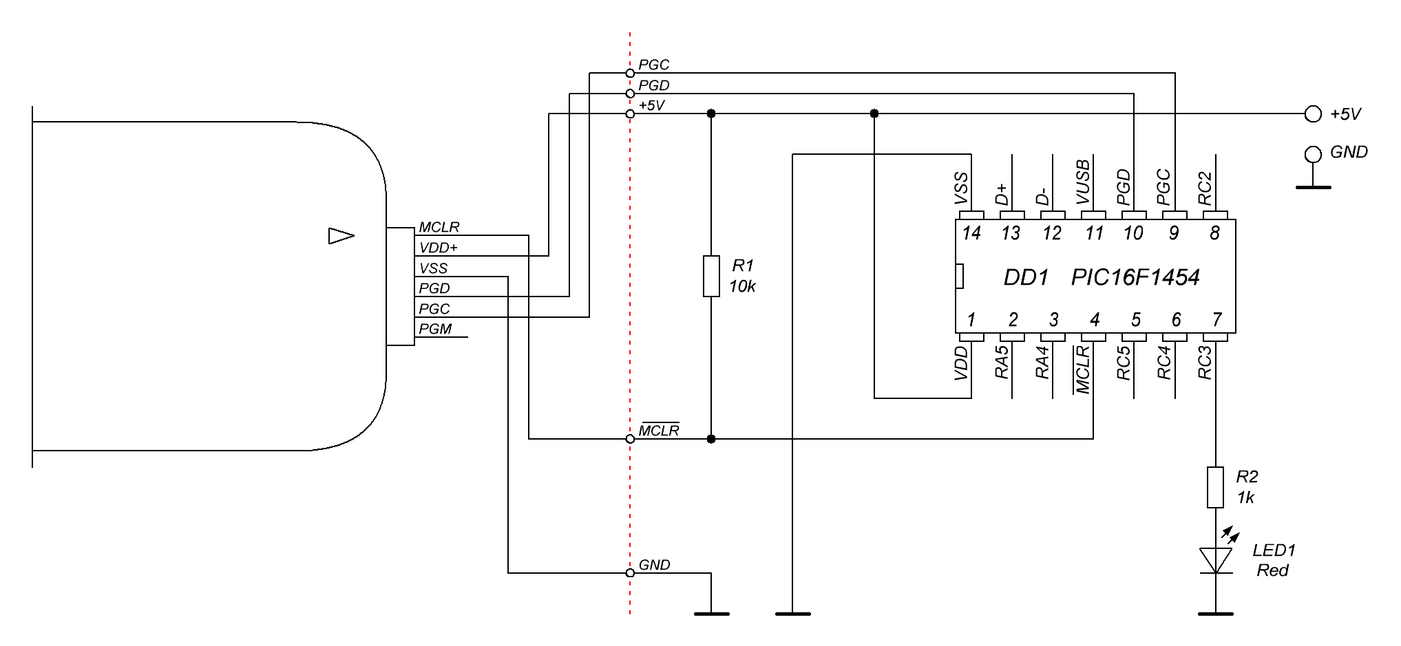
Попробуем от простого к сложному. Pin RA5 свободен? Подключите светодиод и резистор. Вот мигающий светодиод. Программируйте hex. Все OK?
Есть коммуникация между программатор и PIC? Прогр. PIC читается? LED мигает? Защиты нет, клок с внутренним генератором 16 MHz.
---
Ниже:
- включение программатора и самоопределения 16F1454
- запись 16F1454
- чтение 16F1454
- тест: LED на РА5


Вложения:
aa.jpg [77.63 KiB]
Скачиваний: 233
1454_.jpg [108.82 KiB]
Скачиваний: 225
led_blink_ra5_16f1454.zip [354 байт]
Скачиваний: 221


Последний раз редактировалось veso74 Ср май 25, 2022 19:58:13, всего редактировалось 2 раз(а).
Вернуться наверх
 
 Заголовок сообщения: Re: PICkit2. Собираем.
СообщениеДобавлено: Ср май 25, 2022 19:39:55 
Поставщик валерьянки для Кота
Аватар пользователя

Карма: -14
Рейтинг сообщений: 103
Зарегистрирован: Вт янв 26, 2021 22:33:21
Сообщений: 2314
Рейтинг сообщения: 0
catBot писал(а):
"Градусник" записи добегает до конца, сообщений об ошибке нет.

Пробовали сначала стереть чип, а потом залить хекс ?

_________________
Не спрашивай по ком звонит колокол, он звонит по тебе !


Вернуться наверх
 
 Заголовок сообщения: Re: PICkit2. Собираем.
СообщениеДобавлено: Ср май 25, 2022 21:30:03 
Друг Кота
Аватар пользователя

Карма: 140
Рейтинг сообщений: 4277
Зарегистрирован: Чт сен 01, 2011 12:53:27
Сообщений: 20131
Откуда: ТьмуТаракания. Почетный житель подмостовья
Рейтинг сообщения: 0
по хорошему,надо создать свой хекс, не важно, что там закодировано, главное защитные коды не прописывать, прошить и верифицировать. если все срвпадает- значит чип рограммится, и проблема либо в кривом хексе, либо в харде

_________________
Шекспир сказал: Судить меня -дано лишь Богу, другим я укажу дорогу... https://natribu.org/
Я его полностью поддерживаю.
Программирую на Fuse AtmelAVR.


Вернуться наверх
 
Показать сообщения за:  Сортировать по:  Вернуться наверх
Начать новую тему Ответить на тему  [ Сообщений: 1762 ]     ... , , , 87, ,  

Часовой пояс: UTC + 3 часа


Вы не можете начинать темы
Вы не можете отвечать на сообщения
Вы не можете редактировать свои сообщения
Вы не можете удалять свои сообщения
Вы не можете добавлять вложения

Найти:
Перейти:  


Powered by phpBB © 2000, 2002, 2005, 2007 phpBB Group
Русская поддержка phpBB
Extended by Karma MOD © 2007—2012 m157y
Extended by Topic Tags MOD © 2012 m157y