Например TDA7294

Форум РадиоКот • Просмотр темы - Внешнее АЦП к Tiny2313
Форум РадиоКот
Здесь можно немножко помяукать :)

Текущее время: Вс окт 19, 2025 07:11:20

Часовой пояс: UTC + 3 часа


ПРЯМО СЕЙЧАС:



Начать новую тему Ответить на тему  [ Сообщений: 9 ] 
Автор Сообщение
Не в сети
 Заголовок сообщения: Внешнее АЦП к Tiny2313
СообщениеДобавлено: Сб апр 05, 2014 12:17:07 
Первый раз сказал Мяу!

Зарегистрирован: Пн авг 12, 2013 07:55:15
Сообщений: 32
Рейтинг сообщения: 0
Здравствуйте.
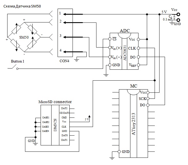
Я спроектировал вот такую схему:
Изображение
Какой код программы надо на C++ написать чтобы получить данные с АЦП в МК? Чтобы потом манипулировать с ними.
АЦП - ADC0831 8-битный с последовательным интерфейсом.
MK - ATtiny2313.

Я видел, как работают с Мегой но мне надо именно с тини.

P.S. Если нашли ошибку в схеме скажите :))


Вернуться наверх
 
Не в сети
 Заголовок сообщения: Re: Внешнее АЦП к Tiny2313
СообщениеДобавлено: Сб апр 05, 2014 12:28:43 
Это не хвост, это антенна
Аватар пользователя

Карма: 20
Рейтинг сообщений: 188
Зарегистрирован: Вс мар 28, 2010 12:52:22
Сообщений: 1368
Откуда: Беларусь
Рейтинг сообщения: 0
В datasheet все написано. Моргать светодиодом умеете? Так вот: поменяли уровень на CLK и считали значение (старшего или младшего) бита и записали (стерли) его в Carry. Выполнили смену уровня на CLK, сдвинули регистр влево (вправо) командой ror - бит из Carry войдет в регистр. Зациклились на чило бит, выдаваемых АЦП. Все - данные готовы.

_________________
«Еще я хотел бы, чтобы наши ученые изобрели какой-то новый источник энергии, чтобы мы на коленях не ползали даже перед нашими братьями, умоляя их и выпрашивая тонну нефти или кубометр газа», — рассказал белорусский президент.


Вернуться наверх
 
Не в сети
 Заголовок сообщения: Re: Внешнее АЦП к Tiny2313
СообщениеДобавлено: Сб апр 05, 2014 12:33:35 
Первый раз сказал Мяу!

Зарегистрирован: Пн авг 12, 2013 07:55:15
Сообщений: 32
Рейтинг сообщения: 0
Извините конечно за мое невежество в программировании, но можете написать код программы.
Я так понимаю там несколько строчек?


Вернуться наверх
 
Не в сети
 Заголовок сообщения: Re: Внешнее АЦП к Tiny2313
СообщениеДобавлено: Сб апр 05, 2014 12:43:01 
Это не хвост, это антенна
Аватар пользователя

Карма: 20
Рейтинг сообщений: 188
Зарегистрирован: Вс мар 28, 2010 12:52:22
Сообщений: 1368
Откуда: Беларусь
Рейтинг сообщения: 0
Я пишу на Ассемблере. Если устроит - в качестве примера могу. А готовую работу - нет, т.к. придерживаюсь завета Ленина (как ни смешно это звучит) - учиться, учиться и еще раз учиться.

_________________
«Еще я хотел бы, чтобы наши ученые изобрели какой-то новый источник энергии, чтобы мы на коленях не ползали даже перед нашими братьями, умоляя их и выпрашивая тонну нефти или кубометр газа», — рассказал белорусский президент.


Вернуться наверх
 
Эиком - электронные компоненты и радиодетали
Не в сети
 Заголовок сообщения: Re: Внешнее АЦП к Tiny2313
СообщениеДобавлено: Сб апр 05, 2014 12:55:42 
Вымогатель припоя
Аватар пользователя

Карма: -2
Рейтинг сообщений: 105
Зарегистрирован: Ср июн 19, 2013 08:10:48
Сообщений: 577
Откуда: Москва, СПб, Липецк, Рязань
Рейтинг сообщения: 0
Не проще SPI использовать для этого (он же USI), чем изобретать его самому? на контроллере, наверное, должен быть вход DI (Вывод MISO)? Хотя по даташиту вывод совпадает..


Вернуться наверх
 
Не в сети
 Заголовок сообщения: Re: Внешнее АЦП к Tiny2313
СообщениеДобавлено: Сб апр 05, 2014 14:58:55 
Первый раз сказал Мяу!

Зарегистрирован: Пн авг 12, 2013 07:55:15
Сообщений: 32
Рейтинг сообщения: 0
dr.doc писал(а):
Я пишу на Ассемблере. Если устроит - в качестве примера могу. А готовую работу - нет, т.к. придерживаюсь завета Ленина (как ни смешно это звучит) - учиться, учиться и еще раз учиться.

Напишите на Ассемблере пример :))


Вернуться наверх
 
Не в сети
 Заголовок сообщения: Re: Внешнее АЦП к Tiny2313
СообщениеДобавлено: Сб апр 05, 2014 16:56:50 
Вымогатель припоя
Аватар пользователя

Карма: -2
Рейтинг сообщений: 105
Зарегистрирован: Ср июн 19, 2013 08:10:48
Сообщений: 577
Откуда: Москва, СПб, Липецк, Рязань
Рейтинг сообщения: 0
http://radioaktiv.ru/loads/books/microc ... oad_3.html

http://www.atmel.com/images/doc2543.pdf

Здесь все с примерами. Находите USI и делаете так же, как там написано.


Вернуться наверх
 
Не в сети
 Заголовок сообщения: Re: Внешнее АЦП к Tiny2313
СообщениеДобавлено: Вс апр 06, 2014 12:16:34 
Первый раз сказал Мяу!

Зарегистрирован: Пн авг 12, 2013 07:55:15
Сообщений: 32
Рейтинг сообщения: 0
Что-то я не могу найти в даташите и книге, как подключать и программировать внешнее АЦП на Tiny.
Можете поконкретней сказать где искать?


Вернуться наверх
 
Не в сети
 Заголовок сообщения: Re: Внешнее АЦП к Tiny2313
СообщениеДобавлено: Вс апр 06, 2014 18:11:48 
Вымогатель припоя
Аватар пользователя

Карма: -2
Рейтинг сообщений: 105
Зарегистрирован: Ср июн 19, 2013 08:10:48
Сообщений: 577
Откуда: Москва, СПб, Липецк, Рязань
Рейтинг сообщения: 0
Вопрос не в АЦП. Вопрос в протоколе обмена между АЦП и контроллером. В даташите этот протокол описан. А на месте АЦП может быть все что угодно. Интерфейс USI. конкретней уже некуда. Ищите по оглавлению (Если просматривать браузером оно не отображается, поэтому лучше скачать на жесткий диск и посмотреть ридером). Читайте книгу чтобы разобраться. Даташит Вам нужен только для того, чтобы сравнить какие регистры из описанных в книге присутствуют в Вашем контроллере.

Если Вы не хотите пошевелить мозгами и посидеть поразбираться полчасика - то очень печально. За Вас этого никто не будет делать. Тогда прямая дорога на форум "Есть работа". Там за символическую плату Вам все напишут.


Вернуться наверх
 
Показать сообщения за:  Сортировать по:  Вернуться наверх
Начать новую тему Ответить на тему  [ Сообщений: 9 ] 

Часовой пояс: UTC + 3 часа


Кто сейчас на форуме

Сейчас этот форум просматривают: нет зарегистрированных пользователей и гости: 59


Вы не можете начинать темы
Вы не можете отвечать на сообщения
Вы не можете редактировать свои сообщения
Вы не можете удалять свои сообщения
Вы не можете добавлять вложения

Найти:
Перейти:  


Powered by phpBB © 2000, 2002, 2005, 2007 phpBB Group
Русская поддержка phpBB
Extended by Karma MOD © 2007—2012 m157y
Extended by Topic Tags MOD © 2012 m157y