Например TDA7294

Форум РадиоКот • Просмотр темы - Высоковольтный ЛБП (300В или типа того)
Форум РадиоКот
Здесь можно немножко помяукать :)

Текущее время: Вс мар 22, 2026 19:13:18

Часовой пояс: UTC + 3 часа


ПРЯМО СЕЙЧАС:



Начать новую тему Ответить на тему  [ Сообщений: 37 ]    , 2
Автор Сообщение
 Заголовок сообщения: Re: Высоковольтный ЛБП (300В или типа того)
СообщениеДобавлено: Ср мар 05, 2025 02:51:23 
Друг Кота
Аватар пользователя
Рейтинг продавца:
[Всего оценок: 6]
Карма: 47
Рейтинг сообщений: 87
Зарегистрирован: Чт апр 29, 2010 01:54:10
Сообщений: 5445
Откуда: Сочи
Рейтинг сообщения: 0
Ссылки на ютуб впечатляют, особенно в плане того, что он не работает.
И VPN тоже не особенно.


Вернуться наверх
 
 Заголовок сообщения: Re: Высоковольтный ЛБП (300В или типа того)
СообщениеДобавлено: Ср мар 05, 2025 13:25:32 
Друг Кота
Аватар пользователя
Рейтинг продавца: нет оценок
[Всего оценок: 0]
Карма: 13
Рейтинг сообщений: 79
Зарегистрирован: Пн авг 10, 2009 01:18:55
Сообщений: 4103
Откуда: Электросталь
Рейтинг сообщения: 0
Вы это серьезно вообще?


Вернуться наверх
 
 Заголовок сообщения: Re: Высоковольтный ЛБП (300В или типа того)
СообщениеДобавлено: Ср мар 05, 2025 14:29:28 
Друг Кота
Аватар пользователя
Рейтинг продавца:
[Всего оценок: 6]
Карма: 47
Рейтинг сообщений: 87
Зарегистрирован: Чт апр 29, 2010 01:54:10
Сообщений: 5445
Откуда: Сочи
Рейтинг сообщения: 0
Что серьёзно?
А серьёзно давать ссылки на ютуб?
У нас сейчас даже VPN еле работает.
Билайн тормозит всё со страшной силой.


Вернуться наверх
 
 Заголовок сообщения: Re: Высоковольтный ЛБП (300В или типа того)
СообщениеДобавлено: Ср мар 05, 2025 14:37:50 
Нашел транзистор. Понюхал.
Рейтинг продавца: нет оценок
[Всего оценок: 0]
Зарегистрирован: Пн янв 13, 2025 15:24:02
Сообщений: 174
Рейтинг сообщения: 0
А почему просто латр не подходит? Можно к нему и обвес достойный сделать - и вольтметр, амперметр по постоянке, потом можно ещё и по переменке то же самое.


Вернуться наверх
 
Эиком - электронные компоненты и радиодетали
 Заголовок сообщения: Re: Высоковольтный ЛБП (300В или типа того)
СообщениеДобавлено: Ср мар 05, 2025 14:56:48 
Друг Кота
Аватар пользователя
Рейтинг продавца: нет оценок
[Всего оценок: 0]
Карма: 13
Рейтинг сообщений: 79
Зарегистрирован: Пн авг 10, 2009 01:18:55
Сообщений: 4103
Откуда: Электросталь
Рейтинг сообщения: 0
Что серьёзно?
А серьёзно давать ссылки на ютуб?
У нас сейчас даже VPN еле работает.
Билайн тормозит всё со страшной силой.

Напишите мне в ЛС, я скажу что сделать чтоб все начало работать

Добавлено after 3 minutes 45 seconds:
А почему просто латр не подходит? Можно к нему и обвес достойный сделать - и вольтметр, амперметр по постоянке, потом можно ещё и по переменке то же самое.


Почему яму вилами не копают? К ним же можно приварить железки и сделать из них практически лопату


Вернуться наверх
 
 Заголовок сообщения: Re: Высоковольтный ЛБП (300В или типа того)
СообщениеДобавлено: Ср мар 05, 2025 20:44:20 
Нашел транзистор. Понюхал.
Рейтинг продавца: нет оценок
[Всего оценок: 0]
Зарегистрирован: Пн янв 13, 2025 15:24:02
Сообщений: 174
Рейтинг сообщения: 0
Почему вилами не копаешь, ну наверно потому что руки кривые, или ещё какая напасть, от того наверно и латр не подходит, то есть такому всё равно какой прибор, если им воспользоваться не сможет. Часто такое происходит только потому чтобы понтов нагнать, тут уж случай вообще тяжёлый, это к специалистам другого профиля, они могут объяснить для чего ему это.


Вернуться наверх
 
 Заголовок сообщения: Re: Высоковольтный ЛБП (300В или типа того)
СообщениеДобавлено: Ср мар 05, 2025 22:05:21 
Друг Кота
Аватар пользователя
Рейтинг продавца:
[Всего оценок: 6]
Карма: 47
Рейтинг сообщений: 87
Зарегистрирован: Чт апр 29, 2010 01:54:10
Сообщений: 5445
Откуда: Сочи
Рейтинг сообщения: 0
Откопал у себя киловатный итальянский транс от медтехники с кучей высоковольтных обмоток.
Вот думаю, не сварганить ли себе такой БП...


Вернуться наверх
 
 Заголовок сообщения: Re: Высоковольтный ЛБП (300В или типа того)
СообщениеДобавлено: Чт мар 06, 2025 00:10:30 
Друг Кота
Аватар пользователя
Рейтинг продавца:
[Всего оценок: 5]
Карма: 38
Рейтинг сообщений: 551
Зарегистрирован: Пн июл 14, 2008 21:28:00
Сообщений: 10693
Откуда: Москва
Рейтинг сообщения: 1
Добавлено after 3 minutes 45 seconds:
А почему просто латр не подходит? Можно к нему и обвес достойный сделать - и вольтметр, амперметр по постоянке, потом можно ещё и по переменке то же самое.


Почему яму вилами не копают? К ним же можно приварить железки и сделать из них практически лопату

Не смог пройти мимо, но все же: откуда столько гонора и агрессии? Неужели от осознания своей избранности в свете владения аджилентами и подобным за килобаксы? А все, кто таким не владеет чернь и пыль еба__ая? :kill: :evil:
Чем интересно так не угодил латр + повышающий трансформатор, что вас так триггернуло? На работе в прошлом году для стенда именно так и собрали: небольшой латр и пара трансформаторов, включенные как повышающие + необходимый обвес (выпрямитель, вольтметр и тд) - обошлось буквально в 10к. Непонтово? Одноклассники не поймут? Или что? :)))

_________________
Ищу тиратрон ТХИ1-2000/4, ГРИ ИН-23, ФЭУ-103; 134; 135, 138, 155, 157, лампу ИСШ-7.
Любые ГИС серий 203, 225, 233, 244, 250, 296, 801, 838 в любом состоянии. Компоненты и детали от миниатюрных твердотельных лазеров.


Вернуться наверх
 
 Заголовок сообщения: Re: Высоковольтный ЛБП (300В или типа того)
СообщениеДобавлено: Чт мар 06, 2025 02:02:26 
Друг Кота
Аватар пользователя
Рейтинг продавца: нет оценок
[Всего оценок: 0]
Карма: 13
Рейтинг сообщений: 79
Зарегистрирован: Пн авг 10, 2009 01:18:55
Сообщений: 4103
Откуда: Электросталь
Рейтинг сообщения: 0
Цитата:
Не смог пройти мимо, но все же: откуда столько гонора и агрессии? Неужели от осознания своей избранности в свете владения аджилентами и подобным за килобаксы? А все, кто таким не владеет чернь и пыль еба__ая? :kill: :evil:
Чем интересно так не угодил латр + повышающий трансформатор, что вас так триггернуло? На работе в прошлом году для стенда именно так и собрали: небольшой латр и пара трансформаторов, включенные как повышающие + необходимый обвес (выпрямитель, вольтметр и тд) - обошлось буквально в 10к. Непонтово? Одноклассники не поймут? Или что? :)))

всех кого обидели мои высказывания прошу прощения, был очень тяжелый день
никакой избранности, но если люди на электронном форуме не понимают чем ЛБП лучше ЛАТРа...........если нужно было бы для 1-2 раза покрутить, то да и разговоров бы не было и литр бы устроил

Цитата:
Чем интересно так не угодил латр + повышающий трансформатор

тем, что нужен был готовый прибор и нужно делать дела, а не возиться с латрами (мне до этого хватило возни с Б5-50)

Цитата:
Что серьёзно?
А серьёзно давать ссылки на ютуб?
У нас сейчас даже VPN еле работает.
Билайн тормозит всё со страшной силой.

Вам отписал в личку что сделать чтоб все заработало с подробной инструкцией


Цитата:
Вот думаю, не сварганить ли себе такой БП...

конечно сварганить, у меня тоже есть крутецкий транс но вот как-то времени не особо чтоб варганить - в итоге валяется, а продать жалко

Цитата:
Непонтово?

этим нужно заниматься, не у всех на это есть свободное время (посмотрите в какое время написано это сообщение......загрузка 300% :sleep: )


Вернуться наверх
 
 Заголовок сообщения: Re: Высоковольтный ЛБП (300В или типа того)
СообщениеДобавлено: Чт мар 06, 2025 03:45:02 
Друг Кота
Аватар пользователя
Рейтинг продавца:
[Всего оценок: 6]
Карма: 47
Рейтинг сообщений: 87
Зарегистрирован: Чт апр 29, 2010 01:54:10
Сообщений: 5445
Откуда: Сочи
Рейтинг сообщения: 0
У ЛАТРа есть колоссальный минус. Он гальванически связан с сетью.
Может пи#@$ так, что улыбаться можно будет долго.
Да и случайно если ЛАТР каким то образом соприкоснётся с заземлённым прибором,
будет симпатичный фейерверк.
ЛАТР очень даже пригоден для приборов у который питание не 220в а 120в например.
Но для питания от ЛАТР что то лабораторное- вообще им не стоит.


Вернуться наверх
 
 Заголовок сообщения: Re: Высоковольтный ЛБП (300В или типа того)
СообщениеДобавлено: Чт мар 06, 2025 23:58:43 
Друг Кота
Аватар пользователя
Рейтинг продавца:
[Всего оценок: 5]
Карма: 38
Рейтинг сообщений: 551
Зарегистрирован: Пн июл 14, 2008 21:28:00
Сообщений: 10693
Откуда: Москва
Рейтинг сообщения: 0
У ЛАТРа есть колоссальный минус. Он гальванически связан с сетью.

Ну так после него и ставится обычный повышающий трансформатор, который заодно и гальваническую развязку от сети обеспечивает :)

_________________
Ищу тиратрон ТХИ1-2000/4, ГРИ ИН-23, ФЭУ-103; 134; 135, 138, 155, 157, лампу ИСШ-7.
Любые ГИС серий 203, 225, 233, 244, 250, 296, 801, 838 в любом состоянии. Компоненты и детали от миниатюрных твердотельных лазеров.


Вернуться наверх
 
 Заголовок сообщения: Re: Высоковольтный ЛБП (300В или типа того)
СообщениеДобавлено: Пт мар 07, 2025 03:12:52 
Друг Кота
Аватар пользователя
Рейтинг продавца:
[Всего оценок: 6]
Карма: 47
Рейтинг сообщений: 87
Зарегистрирован: Чт апр 29, 2010 01:54:10
Сообщений: 5445
Откуда: Сочи
Рейтинг сообщения: 0
Гирлянда из громоздких трансформаторов это конечно ещё лучше.
Всё же, HV блок питания гораздо удобнее.


Вернуться наверх
 
 Заголовок сообщения: Re: Высоковольтный ЛБП (300В или типа того)
СообщениеДобавлено: Сб мар 08, 2025 00:35:54 
Держит паяльник хвостом
Рейтинг продавца: нет оценок
[Всего оценок: 0]
Карма: 3
Рейтинг сообщений: 145
Зарегистрирован: Пн июн 07, 2010 22:56:01
Сообщений: 903
Откуда: SU
Рейтинг сообщения: 0
ЛАТР вместо ЛБП это супер.. А напряжение измерять пальцем )) или на искру )))

Evgeny1 молодец сделал обзор редкого и интересного прибора, и показал внутренности .. и все за бесплатно...
Мастеч сделан кустарно и не красиво... согласен.. но там хотябы есть линейный регулятор после импульсника...А то, что счас продают на Али, wanptek, nice-power это БП АТХ с красивым дисплеем... и все ..Я на одном из них протестил стабилизацию тока...это ужас.. Вначале выброс(разряжается емкость) потом спад до 0 а потом плавный выход на режим...

вот еще высоковольтник от ocela
https://vrtp.ru/index.php?showtopic=33238


Вернуться наверх
 
 Заголовок сообщения: Re: Высоковольтный ЛБП (300В или типа того)
СообщениеДобавлено: Сб мар 08, 2025 01:56:34 
Друг Кота
Аватар пользователя
Рейтинг продавца:
[Всего оценок: 6]
Карма: 47
Рейтинг сообщений: 87
Зарегистрирован: Чт апр 29, 2010 01:54:10
Сообщений: 5445
Откуда: Сочи
Рейтинг сообщения: 0
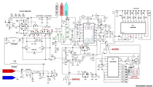
Изображение



Изображение


Вернуться наверх
 
 Заголовок сообщения: Re: Высоковольтный ЛБП (300В или типа того)
СообщениеДобавлено: Вс мар 09, 2025 00:33:54 
Друг Кота
Аватар пользователя
Рейтинг продавца:
[Всего оценок: 5]
Карма: 38
Рейтинг сообщений: 551
Зарегистрирован: Пн июл 14, 2008 21:28:00
Сообщений: 10693
Откуда: Москва
Рейтинг сообщения: 1
Гирлянда из громоздких трансформаторов это конечно ещё лучше.
Всё же, HV блок питания гораздо удобнее.

Все зависит от финансовых возможностей и поставленной задачи (ну т.е для чего этот самый бп нужен).
Если под рукой есть латр, необходимый повышающий трансформатор и тд или все это можно купить совсем недорого - то собственно почему нет?...
Аргументы типа "не модно, не современно и тд", а также глупые улюлюкания прошу оставить при себе - это просто несерьезно.

_________________
Ищу тиратрон ТХИ1-2000/4, ГРИ ИН-23, ФЭУ-103; 134; 135, 138, 155, 157, лампу ИСШ-7.
Любые ГИС серий 203, 225, 233, 244, 250, 296, 801, 838 в любом состоянии. Компоненты и детали от миниатюрных твердотельных лазеров.


Вернуться наверх
 
 Заголовок сообщения: Re: Высоковольтный ЛБП (300В или типа того)
СообщениеДобавлено: Вс мар 09, 2025 06:44:02 
Нашел транзистор. Понюхал.
Рейтинг продавца: нет оценок
[Всего оценок: 0]
Зарегистрирован: Пн янв 13, 2025 15:24:02
Сообщений: 174
Рейтинг сообщения: 0
Кроме того, всё ещё остаётся возможность поставить линейный стабилизатор - увеличивает КПД, чистоту питания, это сильно поднимает возможности и качество что очень сильно поднимает гипотетически цену на этот БП. И это только один процент что ещё можно добавить. Напомню что этот форум для изобретателей, которые любят делать своими руками, и заявлять что типа он сильно занят чтоб что то делать, то это очень странный тип.


Вернуться наверх
 
 Заголовок сообщения: Re: Высоковольтный ЛБП (300В или типа того)
СообщениеДобавлено: Пн мар 10, 2025 11:16:17 
Вымогатель припоя
Рейтинг продавца: нет оценок
[Всего оценок: 0]
Карма: 14
Рейтинг сообщений: 1369
Зарегистрирован: Вт янв 10, 2017 17:41:55
Сообщений: 585
Рейтинг сообщения: 0
Вон на авито продается источник питания Agilent N5772А, который в девичестве TDK-Lambda Genesys.
600В и 2.6А. По деньгам конечно ощутимо, но мало ли, вдруг это то, что вы ищите :)
А так, у меня в использовании TDK Lambda Genesys 600В 1.3А - прекрасный и надежный источник.


Вернуться наверх
 
Показать сообщения за:  Сортировать по:  Вернуться наверх
Начать новую тему Ответить на тему  [ Сообщений: 37 ]    , 2

Часовой пояс: UTC + 3 часа


Вы не можете начинать темы
Вы не можете отвечать на сообщения
Вы не можете редактировать свои сообщения
Вы не можете удалять свои сообщения
Вы не можете добавлять вложения

Найти:
Перейти:  


Powered by phpBB © 2000, 2002, 2005, 2007 phpBB Group
Русская поддержка phpBB
Extended by Karma MOD © 2007—2012 m157y
Extended by Topic Tags MOD © 2012 m157y