Например TDA7294

Форум РадиоКот • Просмотр темы - Авто запуск GSM на AtMega8 и Sim800L
Форум РадиоКот
Здесь можно немножко помяукать :)

Текущее время: Пт фев 13, 2026 23:51:38

Часовой пояс: UTC + 3 часа


ПРЯМО СЕЙЧАС:



Начать новую тему Ответить на тему  [ Сообщений: 7 ] 
Автор Сообщение
Не в сети
 Заголовок сообщения: Авто запуск GSM на AtMega8 и Sim800L
СообщениеДобавлено: Пт фев 16, 2024 21:50:15 
Первый раз сказал Мяу!
Аватар пользователя

Зарегистрирован: Чт июн 18, 2015 21:58:36
Сообщений: 21
Рейтинг сообщения: 0
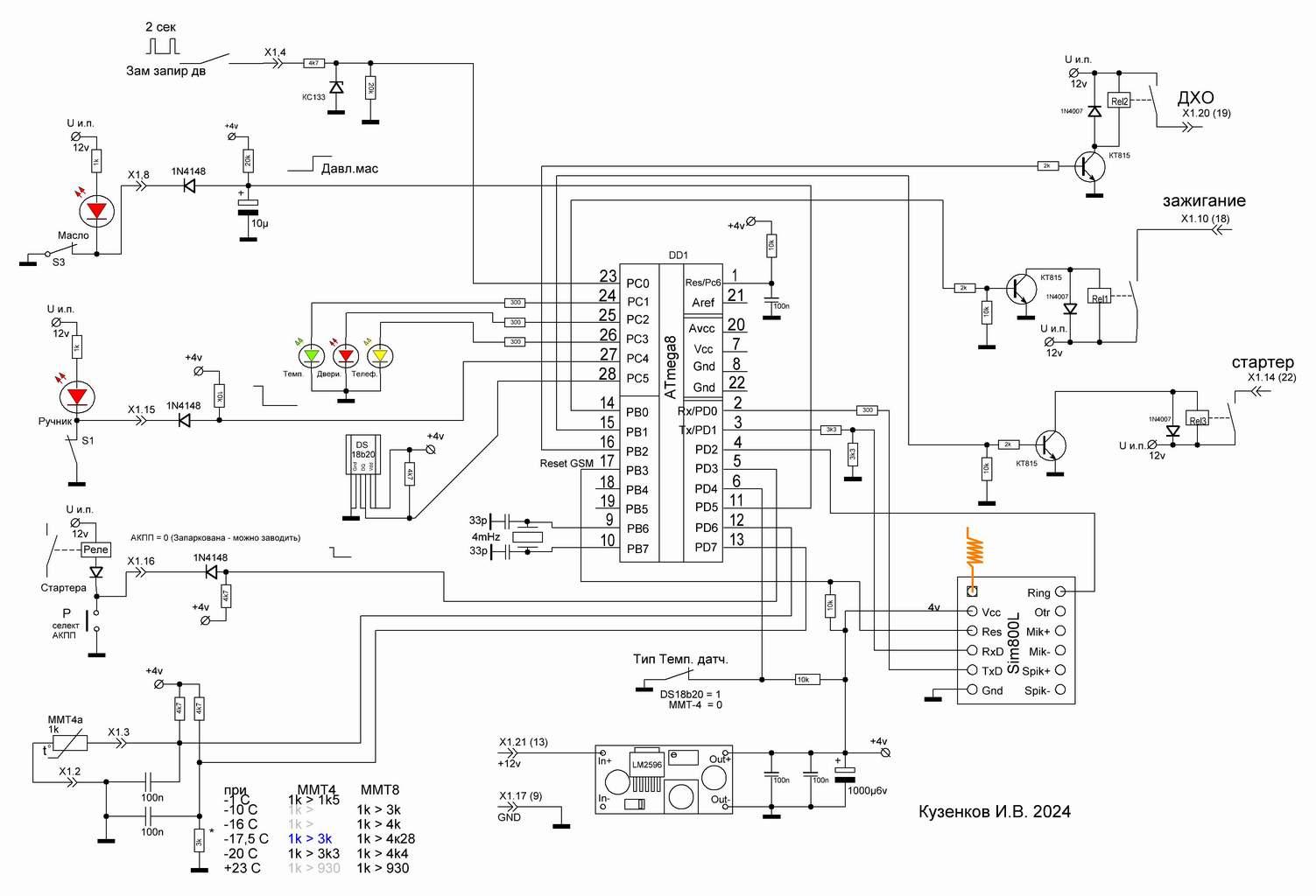
Эту схему я собрал 8 лет назад. На моей машине служит верой и правдой по сей день. В качестве GSM приемника использовал Nokia 3310. Решил модернизировать - заменив телефон на модуль Sim800L, переписав код.

Описание и алгоритмы работы:

При подаче питания на блок:
Идет команда Включить телефон 2,4 сек. (индикаторы бегущая тень на Led), затем пауза 15 сек (индикаторы бегущий огонь на Led) - ожидание подключения модуля Sim800L к сотовой сети.

Основной цикл программы:
0. Двигатель работает: если давление масла есть - двигатель заведен с ключа то сбросить ошибки запуска и блокировку, также если опущен ручник то включить ДХО.
Если нажать кнопку запирания дверей на брелке или в салоне (при Вкл. двиг и АКПП в режиме Drive) то: идет команда перезагрузить модуль GSM 2,4 сек. (индикатор бегущая тень на Led) и Триггер отправка "SMS / Звонок" после запуска двигателя, меняет значение.( отправляет SMS или Звонит 15 сек).
1. опрос термометра (если не было 2х ошибок при пусках и температура ниже 17 гр.С ("ММТ4а" термосопротивление = 3 кОм) то включится Зеленый Led и производится запуск двигателя),
2. опрос телефона (если не было 2х ошибок при пусках и вызов с телефона то включится Желтый Led и производится запуск двигателя ),
3. опрос машинок закрывания дверей: если сработали - ждем 2 секунды (медленно моргает красный Led) проверяем повторное срабатывание (быстро мигает красный Led) - есть второе срабатывание - включится Красный Led и производится запуск двигателя. То есть последовательное нажатие с брелка (на запирание дверей) два раза с интервалом 2 сек.
4. Двигатель не заведен, коробка АКПП в режиме Drive и дернуть ручник 6 раз за 5 сек, то стирается последний записанный телефон (с SMS уведомлением на стар номер "Clear Tel").
Модуль ждет первый же звонок и запомнит новый номер, на который прейдет подтверждение (c SMS "New Tel"). Во время смены номера последовательно загораются Led индикаторы: Красный - стерт тел. номер > Зеленый - пришел звонок с нового тел. > Желтый - номер запомнен и отправлена SMS > Led гаснут - готов к работе.

Алгоритм запуска двигателя:
Пришел звонок (или темп -17гр.С, или два раза закрылись замки дверей интервалом 2 сек)
Включается зажигание , 2 сек ожидание (подкачка бензина)
Включается стартер на время не более 4 секунд, пока не появится давление масла в двигателе.
Если времени на запуск не хватило - идет пауза 6 секунд и повторный запуск стартера на 4 секунды.
После запуска двигателя моргают два раза моргание ДХО (дневные ходовые огни) и происходит отправка SMS с описанием датчика от которого произведен запуск. В SMS так же сообщается о температуре воздуха в салоне на момент запуска (если подключен датчик DS18b20).
При неудачной попытке запуска - дальнейшие автоматические пуски (от датчика температуры и звонка с телефона) блокируются (есть неисправность или кончился бензин).
Разблокировка происходит при дистанционном запуске с брелка (два последовательных запирания дверей в течении 5 сек и интервалом 2 сек) или запуска двигателя водителем с ключа зажигания.

Термосопротивление ММТ4а номиналом 1кОм расположить в близости к трубкам печки отопления входящим в салон авто (обычно в районе правой ноги водителя).
При отсутствии ММТ4 нужно убрать перемычку PORT D4 (вывод 6) на GND – тогда отслеживание будет по датчику воздуха DS18b20 (при ниже -16гр С будет запуск двиг.).
При температурах ниже -16-17 аккумулятор и стартер испытывают повышенные нагрузки и быстрее выходят из строя (этим и обусловлена такая уставка).
В SMS имеется информация от чего запущен движок (датчик Температуры; Телефон; Брелок) и температура воздуха в салоне (если установлен в корпусе датчик DS18b20, без него не будет информации о температуре). При программном переключении триггера "SMS / Звонок" вместо SMS после дистанционного запуска будет приходить звонок в течении 15 сек или SMS (по умолчанию).
Питание на AtMega8 и Sim800L (на него нельзя подавать больше 4,4v) берется с DC-DC преобразователя LM2596 выставленного на 4v (ток потребления Sim800L может достигать 2А в момент передачи).
Схема устройства:
Вложение:
Комментарий к файлу: Схема
Схема.JPG [131.22 KiB]
Скачиваний: 102

Расположение деталей на плате:
Вложение:
Комментарий к файлу: Плата с деталями
Плата детали.JPG [228.06 KiB]
Скачиваний: 86

Плата под ЛУТ:
Вложение:
Комментарий к файлу: Плата под ЛУТ
Плата ЛУТ.JPG [123.99 KiB]
Скачиваний: 78

Собранный блок:
Вложение:
Комментарий к файлу: В корпусе от роутера D-Link
Плата в корп.jpg [179.24 KiB]
Скачиваний: 81

Вложение:
Комментарий к файлу: D-Link
Корпус от D-Link.jpg [109.95 KiB]
Скачиваний: 78

Прошивка с исходниками в архиве на Yandex диске:
https://disk.yandex.ru/d/-5j7uVRV_myj2w


Вернуться наверх
 
Не в сети
 Заголовок сообщения: Re: Авто запуск GSM на AtMega8 и Sim800L
СообщениеДобавлено: Вт фев 27, 2024 20:09:44 
Первый раз сказал Мяу!
Аватар пользователя

Зарегистрирован: Чт июн 18, 2015 21:58:36
Сообщений: 21
Рейтинг сообщения: 0
Кинул на Казус:
https://kazus.ru/forums/attachment.php? ... 1709053686


Вернуться наверх
 
Не в сети
 Заголовок сообщения: Re: Авто запуск GSM на AtMega8 и Sim800L
СообщениеДобавлено: Вс мар 10, 2024 10:04:25 
Первый раз сказал Мяу!
Аватар пользователя

Зарегистрирован: Чт июн 18, 2015 21:58:36
Сообщений: 21
Рейтинг сообщения: 0
Добавил прошивку с SMS на Русском языке (PDU формат SMS).
https://kazus.ru/forums/attachment.php? ... 1710053777


Вернуться наверх
 
Не в сети
 Заголовок сообщения: Re: Авто запуск GSM на AtMega8 и Sim800L
СообщениеДобавлено: Вс мар 10, 2024 12:39:38 
Друг Кота
Аватар пользователя

Карма: 59
Рейтинг сообщений: 2240
Зарегистрирован: Чт янв 26, 2012 16:44:29
Сообщений: 19872
Откуда: Таксимо
Рейтинг сообщения: 0
Интересная конструкция, можно я себе соберу?

_________________
Мои поставщики запчастей с отличной репутацией
texnomag.ru
radioremont.com
pl-1.org
4ip.info
elitan.ru


Вернуться наверх
 
Эиком - электронные компоненты и радиодетали
Не в сети
 Заголовок сообщения: Re: Авто запуск GSM на AtMega8 и Sim800L
СообщениеДобавлено: Вс мар 10, 2024 12:49:06 
Вымогатель припоя

Карма: 1
Рейтинг сообщений: 11
Зарегистрирован: Сб июл 07, 2012 23:01:25
Сообщений: 602
Рейтинг сообщения: 0
У вас на брелке нет Автозапуска? Москвич412?


Вернуться наверх
 
Не в сети
 Заголовок сообщения: Re: Авто запуск GSM на AtMega8 и Sim800L
СообщениеДобавлено: Вс мар 10, 2024 12:53:53 
Друг Кота

Карма: 67
Рейтинг сообщений: 1964
Зарегистрирован: Сб дек 18, 2021 19:25:32
Сообщений: 12867
Рейтинг сообщения: 0
а когда мошенники звонят, нахер шлёт их?

nb-IoT давно уже изобрели...


Вернуться наверх
 
Не в сети
 Заголовок сообщения: Re: Авто запуск GSM на AtMega8 и Sim800L
СообщениеДобавлено: Вс мар 10, 2024 13:47:02 
Друг Кота
Аватар пользователя

Карма: 59
Рейтинг сообщений: 2240
Зарегистрирован: Чт янв 26, 2012 16:44:29
Сообщений: 19872
Откуда: Таксимо
Рейтинг сообщения: 0
Есть автозапуск. Сигналка иногда не добивает. Особенно в бетонных скворечниках

_________________
Мои поставщики запчастей с отличной репутацией
texnomag.ru
radioremont.com
pl-1.org
4ip.info
elitan.ru


Вернуться наверх
 
Показать сообщения за:  Сортировать по:  Вернуться наверх
Начать новую тему Ответить на тему  [ Сообщений: 7 ] 

Часовой пояс: UTC + 3 часа


Кто сейчас на форуме

Сейчас этот форум просматривают: нет зарегистрированных пользователей и гости: 19


Вы не можете начинать темы
Вы не можете отвечать на сообщения
Вы не можете редактировать свои сообщения
Вы не можете удалять свои сообщения
Вы не можете добавлять вложения

Найти:
Перейти:  


Powered by phpBB © 2000, 2002, 2005, 2007 phpBB Group
Русская поддержка phpBB
Extended by Karma MOD © 2007—2012 m157y
Extended by Topic Tags MOD © 2012 m157y