Например TDA7294

Форум РадиоКот • Просмотр темы - Собираю гибридник 6Н23П + TA7630P + TDA7265 есть вопросы...
Форум РадиоКот
Здесь можно немножко помяукать :)

Текущее время: Чт фев 12, 2026 07:16:48

Часовой пояс: UTC + 3 часа


ПРЯМО СЕЙЧАС:



Начать новую тему Ответить на тему  [ Сообщений: 22 ]  1,  
Автор Сообщение
Не в сети
 Заголовок сообщения: Собираю гибридник 6Н23П + TA7630P + TDA7265 есть вопросы...
СообщениеДобавлено: Пн янв 14, 2013 16:57:50 
Мучитель микросхем
Аватар пользователя

Зарегистрирован: Пн дек 13, 2010 13:01:59
Сообщений: 458
Откуда: Украина
Рейтинг сообщения: 0
Всем привета.
Я уже немного нафлудил в теме про TA7630P (TOSHIBA) и созданной мною напряжение питания TDA7265...
Не сочтите за дерзость создание новой темы, но есть разные вопросы по разным блокам, а хотелось всю инфу в одно место - вдруг кто-то надумает повторять...

Начну, пожалуй, по прядку:
1) Концепция.
Собираю не сложный Усь. для компьютера на два канала.
Почему именно в такой комбинации? Потому, что связка TA7630P + TDA7265 уже собрана и работает. Правда, работает криво, работает плохо, (об этом ниже), но работает. Весь усилитель собран в корпусе от БП АТХ, и там еще есть место в аккурат для разводки под одну лампочку, и дырочка в БП, через которую шли провода в системник, как под заказ по диаметру 6Н23П.

На самом деле я в этом вопросе либерален - можно воткнуть любой другой двойной триод, но из того, что на расстоянии вытянутой руки - только 6Н23П. Отзывы о ней самые разные, тут я решил - пока сам не услышу... :))

Итак: 6Н23П будет стоять в предусилке и "задавать звучание" (одна полу-лампа на один канал), дальше регулируем тембр TA7630P, и, то, что получилось, усиляем TDA7265. В нагрузке TDA7265 висят две доработанные Radiotechnika S30 - 4 Ом.

2) Предусь:
Почему именно 6Н23П - я писал выше. Если предложите другой двойной триод - рассмотрю варианты. Сразу оговорюсь - спецом брать импорт не буду, под рукой куча отечественных трофеев от телевизоров и иже с ними. Для начала буду набивать руку на том, что есть.

Работать троид будет от пониженого питания (по сравнению с нормальным режимом работы), что прямо влияет на коеф. усиления и уровень вносимых шумов. С напряжением пока не решился - от 25 до 50В, думаю - попробую разные варианты, выберу лучшее звучание для одной конкретной лампы. И первые вопросы:
2.1) На какую гармонику посоветуете (первую или вторую) расчитывать работу лампы?
Обычно все схемы сделаны на первую, но второя (вроде как) мягче звучит (по отзывам)...
2.2) Какие лучше брать переходные (между каскадами) конденсаторы? марка/емкость
От марки конденсаторов зависит уровень шумов, от емкости - глубина звучания - увы, я тут пока слишком мало проверил на опыте :(
Естественно, питание нити накала лампы от стабилихированного источника постоянного питания (7806; вместо переменки прямо от одной из обмоток транса) - для уменьшения шумов.

3) Блок питания.
Думаю, с него и следовало бы начинать.
Итак, в качестве БП выступает двухобмоточный безымянный транс, как в этой теме:
http://www.radiokot.ru/forum/viewtopic.php?f=22&t=4618&start=2200
ниже цитата о нем-же
Big Joe писал(а):
Товарищи)Подсобите советом. Знаю,что по децимальному номеру трансформатора трудно определить что за "зверь" перед тобой(написано-ЕЯ4.700.144).
На нём написано:
ПЭТВ-939
2-3 320 0.55
3-1 380 0.35
15-12 74.5 1.0
11-16 74.5 1.0

Две обмотки по 25В примерно 4А +/-
Между крайнми точками обмоток мощный мост, средняя точка между обмотками. В каждом плече 26,5-27В постоянки, далее для питания TDA7265 по каждому полюсу КСН на двух транзисторах (схема позже), выходный вольтаж подстраеватся 18-20В.
Питания для TA7630P двупоряное, взято прямо от моста (+/-27В) понижено 7806 и 7906 соотв.

Теперь о "боках":
Сильный фон. Всякие CLC фильры помогает как мертвому припарка. Грешу на сильную "навороченность" фильтров помех в высковольтной части: собствено, эту часть я срезал вместе с куском платы от этого-же компьютерного БП: транс в роли дросселя с двумя обмотка для нуля и фазы + кондёр между ними, еще один ткой-же + опяьт кондёр и т.д. + кондёры для сброса излишек на корпус + боОольшой дросель прикрученный к корпусу (похожий на небольшой транс). Думаю, что этот дросель и дает наводки, по пока руки не дошли проверить без него (да и без всей схемы "пред-фильтрации" тоже). Саму схему также выложу чуть позже.

Чтоб было хоть чуть-чуть понятно, вот пару фот:
На начальном этапе сборки оно выглядело вот так
https://www.dropbox.com/s/6nmxbl0a2f4fqos/0072.jpg
Маленькая плата рядом - это TDA7265, сейчас она заняла свое место в копусе на радиаторе от копьютерного куллера, кондёры "на борту" увеличены до 4700 мкФ.

И, чуть ближе фота большого дросселя (желтый сбоку возле транса - это он)
https://www.dropbox.com/s/yhpsohkab343fcw/0093.jpg

Внутри корпуса маленькая платка с четырмя кондерами - мост+4х2000мкФ - сейчас её нет, кондеры и мост перехали на плату с КСН.

Как-то так.
Жду конструктивной критики. Советы вроде купиинепарься идут лесом.
Желание сделать самому, и закрыть пробелы в своем самообразовании выше наличия свободных денег.
Спасибо.

_________________
мысли мысли штош вы вйотесь
над мойейу головойу
вы там мосга нинайдете
нед там мосга! йа тупойе (БОР)


Вернуться наверх
 
Не в сети
 Заголовок сообщения: Re: Собираю гибридник 6Н23П + TA7630P + TDA7265 есть вопросы
СообщениеДобавлено: Вт янв 15, 2013 11:10:13 
Мучитель микросхем
Аватар пользователя

Зарегистрирован: Пн дек 13, 2010 13:01:59
Сообщений: 458
Откуда: Украина
Рейтинг сообщения: 0
На скорую руку набросал высоковольтную часть (фильтры, которые перешли от компутера) + понижающий транс + мост + кондёры.
Мост GBU605
Дросселя: Дк - на феритовом кольце, Дт - который похож на трансформатор.

Изображение


Вложения:
filtr.png [11.78 KiB]
Скачиваний: 2933

_________________
мысли мысли штош вы вйотесь
над мойейу головойу
вы там мосга нинайдете
нед там мосга! йа тупойе (БОР)
Вернуться наверх
 
Не в сети
 Заголовок сообщения: Re: Собираю гибридник 6Н23П + TA7630P + TDA7265 есть вопросы
СообщениеДобавлено: Вт янв 15, 2013 18:25:24 
Мучитель микросхем
Аватар пользователя

Зарегистрирован: Пн дек 13, 2010 13:01:59
Сообщений: 458
Откуда: Украина
Рейтинг сообщения: 0
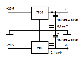
Вот так выглядит КСН для питания TDA7265
Изображение
Выходный вольтаж подстраивается в диапазоне от +/-15 до +/-24В, сейчас выставлен на 19В
Номиналы резисторов R3,R5,R8,R10 по памяти не помню, по возможности померяю - отпишусь.


Вложения:
stn2.gif [9.24 KiB]
Скачиваний: 4068

_________________
мысли мысли штош вы вйотесь
над мойейу головойу
вы там мосга нинайдете
нед там мосга! йа тупойе (БОР)
Вернуться наверх
 
Не в сети
 Заголовок сообщения: Re: Собираю гибридник 6Н23П + TA7630P + TDA7265 есть вопросы
СообщениеДобавлено: Вт янв 15, 2013 18:57:46 
Мучитель микросхем
Аватар пользователя

Зарегистрирован: Пн дек 13, 2010 13:01:59
Сообщений: 458
Откуда: Украина
Рейтинг сообщения: 0
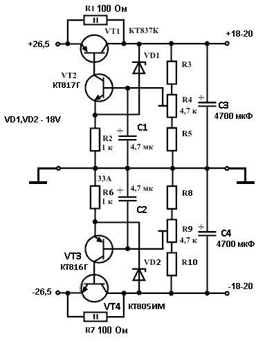
Вот так выглядит питание для TA7630P
Изображение

И TA7630P и TDA7265 включены согласно даташитов.
Переменные резисторы для TA7630P зашунтированы конденсаторами.


Вложения:
stab03.PNG [5.59 KiB]
Скачиваний: 2815

_________________
мысли мысли штош вы вйотесь
над мойейу головойу
вы там мосга нинайдете
нед там мосга! йа тупойе (БОР)
Вернуться наверх
 
Эиком - электронные компоненты и радиодетали
Не в сети
 Заголовок сообщения: Re: Собираю гибридник 6Н23П + TA7630P + TDA7265 есть вопросы
СообщениеДобавлено: Вт янв 15, 2013 19:36:40 
Собутыльник Кота
Аватар пользователя

Карма: 25
Рейтинг сообщений: 141
Зарегистрирован: Ср дек 15, 2010 23:24:02
Сообщений: 2864
Откуда: Петербург
Рейтинг сообщения: 0
Цитата:
Работать троид будет от пониженого питания (по сравнению с нормальным режимом работы), что прямо влияет на коеф. усиления и уровень вносимых шумов. С напряжением пока не решился - от 25 до 50В,

Решайтесь сразу на 50В и не ниже, а если 25В только есть, то нужна 6Н27П. Для неё - это рабочее напряжение. А для 6Н23П - это маленький "изврат" :))) , хотя сигнал на выходе вы и получите.
Цитата:
2.1) На какую гармонику посоветуете (первую или вторую) расчитывать работу лампы?

Такую постановку вопроса, что-то не встречал... :dont_know: Гармоник, при низковольтном питании - и так много будет.
Нужно взять график анодных характеристик лампы и провести нагрузочную прямую. Правда при таком питании - линия пройдёт по самому начальному "кривому участку" и оптимизировать тут нечем. Рабочий ток в 2,5мА и напряжение смещения в -0,75В. Анодная нагрузка 7,5кОм. Катодный резистор 300Ом. Можете построить на графике эту прямую и попытаться подравнять отрезки(наклоном прямой, при изменении величины анодной нагрузки), как проекций на ось токов, так и симметричность рабочей точки относительно концов нагрузочной прямой. Только при таком низком питании - мало чего можно сделать.
А "мягче звучит", когда уровень нечётных гармоник заметно ниже, чем чётных. А "первая", так это основной сигнал и есть!
Цитата:
2.2) Какие лучше брать переходные (между каскадами) конденсаторы? марка/емкость

Полипропиленовые или они ещё маркируются, как MKP(общее обозначение). Можно и наши из серий К71, К77, К72П-6, К78-2. Номиналы 1мкФ или 2,2мкФ.
Если стабилизатор делаете для питания УМ, то фильтрующие/основные электролиты БОЛЬШОЙ ЁМКОСТИ, как 4700мкФ у вас, должны - после моста стоять, а на выходе стабилизатора достаточно 100-220мкФ. Потому что, иначе смысла нет от такого СТАБА, который требует "поддержки" огромными ёмкостями своего выхода.
Наличие же фона - это скорее всего: разводка общего провода("земли"), экранировка или какая либо "петля" по ним.
P/S Зачем вы и на выходе КРЕНов такие 1500мкФ ставите...? Там 10-47мкФ достаточно и КЕРАМИКИ 0,1мкФ.


Вернуться наверх
 
Не в сети
 Заголовок сообщения: Re: Собираю гибридник 6Н23П + TA7630P + TDA7265 есть вопросы
СообщениеДобавлено: Вт янв 15, 2013 22:55:08 
Мучитель микросхем
Аватар пользователя

Зарегистрирован: Пн дек 13, 2010 13:01:59
Сообщений: 458
Откуда: Украина
Рейтинг сообщения: 0
1) Про 50В. У меня "от плюса до минуса" 53В, так что для лампы "хватит". Вобще, видел в интернете схемы на 25В и 48В, также немного почитал про расчеты ламповых каскадов, но на деле пока ничего не пробовал сам, потому и советуюсь.
2) По кондёрам - спасибо, аналогичную информацию тоже уже нашел в и-нете.
3)7806 и 7906 питают ТОЛЬКО TA7630P - токи там минимальные - микросхемы стабов без радиаторов даже НЕ теплые после двух-трех часовой работы.
Питать лампу буду отдельно. Почему именно от 26В? - дело в том, что TDA7265 создает достаточно большие колебания напряжение в зависимости от нагрузки (особенно во время затяжной басовой партиии например) - подозреваю - что нужно "допилить" КСН, чтоб такого не было. Потому (собственно) и такие емкости ПОСЛЕ КСН. И потому "кренки" напрямую после моста - чтоб колебания после КСН не сказывались на работе TA7630P.
4) Сейчас моя основная проблема - это фон. Отдельные блоки усилителя (TA7630P + TDA7265) были куплены как отдельные уже собранные платки и просто соеденены между собой достаточно толстыми проводами - чтобы не было падения мощности. При этом (сейчас) вход усилителя подключен напрямую к TA7630P (длинна проводов винимальна), а от TA7630P до TDA7265 - сигнальный провод экранирован. При том, каждый канал отдельно. Петли быть нигде не должно, и наводок от БП тоже, - "но где-то же она есть"(с).

В общем спасибо за советы, в ближайшие день-два буду смотреть - что там да как, пока не разберусь с фоном - за лампу нет смысла браться...

_________________
мысли мысли штош вы вйотесь
над мойейу головойу
вы там мосга нинайдете
нед там мосга! йа тупойе (БОР)


Вернуться наверх
 
Не в сети
 Заголовок сообщения: Re: Собираю гибридник 6Н23П + TA7630P + TDA7265 есть вопросы
СообщениеДобавлено: Ср янв 16, 2013 00:41:24 
Собутыльник Кота
Аватар пользователя

Карма: 25
Рейтинг сообщений: 141
Зарегистрирован: Ср дек 15, 2010 23:24:02
Сообщений: 2864
Откуда: Петербург
Рейтинг сообщения: 0
Выходную часть (УМ) включали отдельно, без блока регуляторов тембра? Если только регулятор громкости/потенциометр поставить на вход, то как с фоном? Пропадёт - "копайте" в сторону платы тембра. Давно я регуляторы тембра не использовал, но эти элементы мне запомнились, как наиболее чуствительные к наводкам, фонам и т.п...
Входной фильтр питания, от ИБП - тут не поможет, т.к. очень часто он в эти блоки ставится,чтобы: в сеть помехи не шли, а не наоборот. Ну, или он может импульсные помехи гасить(допустим "щелчки"), и то - возможно, но ФОН - причина какая-то иная.


Вернуться наверх
 
Не в сети
 Заголовок сообщения: Re: Собираю гибридник 6Н23П + TA7630P + TDA7265 есть вопросы
СообщениеДобавлено: Ср янв 16, 2013 11:13:44 
Мучитель микросхем
Аватар пользователя

Зарегистрирован: Пн дек 13, 2010 13:01:59
Сообщений: 458
Откуда: Украина
Рейтинг сообщения: 0
Отдельно выходный усь подключал, правда напрямую - без резака-регулятора (на плате есть входные разделительные кондёры) - фон был, но не очень сильный. С темброблоком сильнее.
Вот, кстати, на счет воткнуть резак-регулятор на вход оконечника -чего-то протупил - обязательно проверю еще и так!

То, что TA7630P шумная, также писали и в той ветке, что я указал в стартовом посте. Но то нужно допиливать плату с темброблоком.

Заметил, что сразу после включения фон очень тихий, почти не слышно, но в течении пару-тройку секунд увеличивается в разы (возможно просто заряжаются кондёры).

По поводу фильтров по сетевому питанию от компьютерного импульсника -скорее всего Вы правы, я и сам думаю их выбросить - только полезное место отнимают.

И еще есть один вопрос по цепи питания катода лампы. Стоит ли шунтировать резистор конденсатором(вариант а)? На сколько будет заметен от этого эфект? (Или достаточно вараинта б); вопрос не в паре-тройке лишних деталей, а в компактности схемы).

Изображение


Вложения:
lmp.PNG [5.29 KiB]
Скачиваний: 3044

_________________
мысли мысли штош вы вйотесь
над мойейу головойу
вы там мосга нинайдете
нед там мосга! йа тупойе (БОР)
Вернуться наверх
 
Не в сети
 Заголовок сообщения: Re: Собираю гибридник 6Н23П + TA7630P + TDA7265 есть вопросы
СообщениеДобавлено: Ср янв 16, 2013 13:18:40 
Собутыльник Кота
Аватар пользователя

Карма: 25
Рейтинг сообщений: 141
Зарегистрирован: Ср дек 15, 2010 23:24:02
Сообщений: 2864
Откуда: Петербург
Рейтинг сообщения: 0
Шунтирование катодного резистора конденсатором увеличивает усиление каскада, т.к. устраняется ОС. Кто-то любит с конденсатором,кто-то - без него. Номиналы в ламповых устройствах, этого элемента, могут быть 220-470мкФ, рабочего напряжения(это электролит) достаточно в 6,3В. В схемах ламповых УМ, его номинал по ёмкости, теперь принято делать в несколько тысяч-десятков тысяч мкФ. Но в данном случае это ненужно. Смотрите, исходя из достаточности Ку каскада. Максимальное входное напряжение у вас не более 0,5В будет.
А оконечник - с регулятором громкости на входе пробуйте. Его значение скорее всего около 20кОм должно быть. Его наличие и номинал - тоже может на уровне фона/шумов сказаться.
Да, по схеме "а" вы привели вариант из двух резисторов,с шунтированием одного из них - такое включение чаще используется при введении общей ОС в катодную цепь.
Да, и сетку входной лампы к общему/минусу резистором 270-330кОм "привяжите". Оно Rc или "гридлик" называется. Просто напомнил....
Где общую точку "земель" сделали в конструкции? Куда "общий" от АС подключается? Я все эти земли сводил на "средней точке/общей" электролитов фильтра, которые сразу после диодного моста. Можно попробовать и на "общую", сразу после СТАБ. питания.Экранированные провода, если есть, то экран с одной стороны подключайте к "земле". Используйте два провода в экране(витая пара): "сигнал и минус".
Качество межкаскадных конденсаторов(ток утечек) - тоже учитывайте.


Вернуться наверх
 
Не в сети
 Заголовок сообщения: Re: Собираю гибридник 6Н23П + TA7630P + TDA7265 есть вопросы
СообщениеДобавлено: Ср янв 16, 2013 13:57:51 
Мучитель микросхем
Аватар пользователя

Зарегистрирован: Пн дек 13, 2010 13:01:59
Сообщений: 458
Откуда: Украина
Рейтинг сообщения: 0
За подсказку с кондёром в цепи катода лампы - спасибо. Про резак на сетку - да, само собой.

Земля у меня разведена от центральной точки питательного траса два провода земли - один на центр КСН и далее на TDA7265, от него-же (КСН) на плату с TA7630P (земля входов на землю темброблока), от центра платы с TDA7265 на клемы подключения АС. Второй провод от центра обмоток транса - тоже прямиком на клемы подключения АС (выходит что земля для TDA7265 заходит из двух мест - от центра клем АС (читай - напрямую от транса) и от центра КСН)... как-то так. Провода брал "черыне" (земля) от компьютерного БП (дохлого пятисотватника) - сечение достаточное. Понимаю, криво все - но усилитель еще на стадии сборки, буду более логично переразводить (возможно один толстый в 1-1,5мм проведу) от центра обмоток ко всем блокам.

Про второй провод внутри экрана - ок, учту.
Переходные кондеры стараюсь брать новые. (как, в принципе, и все остальные, особенно фильтры по питанию).

_________________
мысли мысли штош вы вйотесь
над мойейу головойу
вы там мосга нинайдете
нед там мосга! йа тупойе (БОР)


Вернуться наверх
 
Не в сети
 Заголовок сообщения: Re: Собираю гибридник 6Н23П + TA7630P + TDA7265 есть вопросы
СообщениеДобавлено: Ср янв 16, 2013 17:10:05 
Собутыльник Кота
Аватар пользователя

Карма: 25
Рейтинг сообщений: 141
Зарегистрирован: Ср дек 15, 2010 23:24:02
Сообщений: 2864
Откуда: Петербург
Рейтинг сообщения: 0
Землю от АС сделайте только одним проводом - сразу на КСН или на "общую" кондёров после моста. Там самые большие токи, и пускай они на плату(через плату) самого УМ не "заходят" :)) Это если и не напрямую на фон влияет, а на величину искажений - может...
А просто, собранная конструкция - без корпуса(на столе), как с фоном?
Входные разъёмы, если есть - должны быть от корпуса изолированы через шайбы....Всё-таки посмотрите по "частям": плата тембров и сам оконечник, на предмет источника наибольших наводок/фона.
Да, регулятор тембров он с переменниками/потенциометрами, наверное... Так к ним провода - тоже обязательно в экране делать.


Вернуться наверх
 
Не в сети
 Заголовок сообщения: Re: Собираю гибридник 6Н23П + TA7630P + TDA7265 есть вопросы
СообщениеДобавлено: Чт янв 17, 2013 07:51:23 
Говорящий с текстолитом
Аватар пользователя

Карма: 15
Рейтинг сообщений: 48
Зарегистрирован: Ср июн 30, 2010 18:54:47
Сообщений: 1562
Откуда: NO14MU
Рейтинг сообщения: 0
Я питал 6н23п и от 12В, и от 24В. Без смещения работает.
Снимал недавно АЧХ для 24В(см. в вложениях) в RMMA.
На аноде 22к, в сетке 10к, катод на землю. Кондёры 68нФ. Пришлось дополнительно усиливать средствами звуковухи.


Вложения:
Spectrum.png [9.11 KiB]
Скачиваний: 709

_________________
Изображение
Изображение
Изображение
Сам себе Гилмор
Вернуться наверх
 
Не в сети
 Заголовок сообщения: Re: Собираю гибридник 6Н23П + TA7630P + TDA7265 есть вопросы
СообщениеДобавлено: Чт янв 17, 2013 09:24:55 
Нашел транзистор. Понюхал.
Аватар пользователя

Зарегистрирован: Вс окт 23, 2011 21:20:29
Сообщений: 194
Рейтинг сообщения: 0
ТА7630 в данной системе слабое звено. Предварительный усилитель для носимой аудиоаппаратуры низкого класса.
Если хочется темброблок, то пред Солнцева
Темброблоки сейчас не актуальны.
Лучше применить регулятор громкости на КА2250 с валкодером (Радио №6 2006)


Вернуться наверх
 
Не в сети
 Заголовок сообщения: Re: Собираю гибридник 6Н23П + TA7630P + TDA7265 есть вопросы
СообщениеДобавлено: Чт янв 17, 2013 10:34:51 
Мучитель микросхем
Аватар пользователя

Зарегистрирован: Пн дек 13, 2010 13:01:59
Сообщений: 458
Откуда: Украина
Рейтинг сообщения: 0
2 nikola1971
Просто собранная на столе фонит так-же. Входные разъемы и так изолированы - особеность конструкции в том, что у меня на корпусе минус (а корпус как фидно по фото ввесь железный) - радиатор транзистора КТ805ИМ крепится напрямую к корпусу, и радиатор TDA7265 тоже крепится напрямую к корпусу. Не транзистор не микросхема галванически от радиаторов не развязаны. Поэтому земля и все, что к ней крепится изолировано от корпуса (как и плюсовой полюс).

Сейчас TA7630P собрал на отдельной плате (для опытов) куда припаял и переменники (проводов к резакам нет, перемычки минмальной длинны) - наводки от БП на плату TA7630P исключены (БП экранируется металлом корпуса, плата вне корпуса, сигнальные провода между платами экранированы, вход идет прямо на вынесенную плату). На плате с TA7630P поставил CLC фильтр по земле, на каждій полюс питания по одному 0,1мкФ кондёру перед 78(9)06 и после (паралельно єлектролиту). Заметил, что уровень шумов снижается, если дать нагрузку по питания ПОСЛЕ 78(9)06 - банально повесил св.диод с резаком - шум стал чуть-чуть, но ниже. Видать, потребление TA7630P настолько мало, что даже св.диод её "обходит" :))

Проверить оконечник отдельно с резаками на входе не было времени, но в ближайшее время обязательно проверю, и землю сделаю одним проводом прямиком на средину КСН (у меня мост стоит прямо на плате КСН и средина кондёров после моста ведет на средину КСН).

2 Rinon Ninqueon
За АЧХ - отдельное спасибо. Жалко, ниже 200 Гц она уходит в "глубокий минус", возможно ли поднять "низа" большим анодным напряжением?

2 6000Volt
Да, то, что ТА7630 слабое звено я уже понял. Но хочется именно с темброблоком, как-то, привык я к ним. Но над вариантом регулировки громкости с КА2250 я подумаю, спасибо.

_________________
мысли мысли штош вы вйотесь
над мойейу головойу
вы там мосга нинайдете
нед там мосга! йа тупойе (БОР)


Вернуться наверх
 
Не в сети
 Заголовок сообщения: Re: Собираю гибридник 6Н23П + TA7630P + TDA7265 есть вопросы
СообщениеДобавлено: Чт янв 17, 2013 11:15:09 
Нашел транзистор. Понюхал.
Аватар пользователя

Зарегистрирован: Вс окт 23, 2011 21:20:29
Сообщений: 194
Рейтинг сообщения: 0
В журнале "В помощь радиолюбителю" №53 с.33 есть схема гибридного преда на 6Н23П с питанием 12В
ссылка:
http://www.oldradioclub.ru/radio_book/vrl/vrl_053.djvu


Вернуться наверх
 
Не в сети
 Заголовок сообщения: Re: Собираю гибридник 6Н23П + TA7630P + TDA7265 есть вопросы
СообщениеДобавлено: Чт янв 17, 2013 16:46:10 
Собутыльник Кота
Аватар пользователя

Карма: 25
Рейтинг сообщений: 141
Зарегистрирован: Ср дек 15, 2010 23:24:02
Сообщений: 2864
Откуда: Петербург
Рейтинг сообщения: 0
На нижнии диапазон АЧХ будет влиять ёмкость разделительного конденсатора между каскадами, ещё точнее - постоянная времени RсCр-цепи. Без резистора автосмещения в катоде, на одном сеточном Rc=10кОм....и при 12В питания :shock: :facepalm: По схеме из ВРЛ - и то, резистор в катоде имеется. Потому что уровень входного сигнала не должен превысить величину сеточного смещения, чтобы ток сетки не возник. А "сеточное автоматическое" и "за счёт сеточных токов" - режимы не для входных каскадов УМ НЧ. Отбросьте эту затею. А, то ещё приёмник сделаете,случайно :)))


Вернуться наверх
 
Не в сети
 Заголовок сообщения: Re: Собираю гибридник 6Н23П + TA7630P + TDA7265 есть вопросы
СообщениеДобавлено: Чт янв 17, 2013 17:57:18 
Мучитель микросхем
Аватар пользователя

Зарегистрирован: Пн дек 13, 2010 13:01:59
Сообщений: 458
Откуда: Украина
Рейтинг сообщения: 0
nikola1971 писал(а):
А, то ещё приёмник сделаете,случайно :)))

А "чё" -"маяк" тоже волна!! :))) :)))
сорры за офтоп.

2 6000Volt
за схему grand merci, видел её в тырнетах, схему включения пред-ус-я как в этой варианте тоже рассматривал... но, боюсь, не совсем подходит - буду либо свою считать, либо что-то подбирать на 48В из готового + по подсказкам nikola1971.

_________________
мысли мысли штош вы вйотесь
над мойейу головойу
вы там мосга нинайдете
нед там мосга! йа тупойе (БОР)


Вернуться наверх
 
Не в сети
 Заголовок сообщения: Re: Собираю гибридник 6Н23П + TA7630P + TDA7265 есть вопросы
СообщениеДобавлено: Чт янв 17, 2013 17:59:38 
Собутыльник Кота
Аватар пользователя

Карма: 25
Рейтинг сообщений: 141
Зарегистрирован: Ср дек 15, 2010 23:24:02
Сообщений: 2864
Откуда: Петербург
Рейтинг сообщения: 0
Я про приёмник не случайно вспомнил, т.к. там такие решения, в смещении, часто использовали. Вроде, используя и нелинейность, возникающую, но воблаго.


Вернуться наверх
 
Не в сети
 Заголовок сообщения: Re: Собираю гибридник 6Н23П + TA7630P + TDA7265 есть вопросы
СообщениеДобавлено: Пт янв 25, 2013 15:12:43 
Мучитель микросхем
Аватар пользователя

Зарегистрирован: Пн дек 13, 2010 13:01:59
Сообщений: 458
Откуда: Украина
Рейтинг сообщения: 0
На днях, наконец, удалось добраться до усилителя - проверил оконечник через переменный резак на входе с одной ногой на землю - фон очень тихий - в пределах допустимого. А вот корпус усилителя "жужжит что надо" - толи, в силу трансформатора внутри металл.коробки, толи, в силу дросселя, прикрученого внутри этой же корбоки... выкину ка я все фильтры в цепи 220....

Сейчас думаю над фильтрацией шумов ТАшки...

З.Ы. попутно вопрос: а может д.мост шумет? В плане, нч. колебания с успехом гасятся электролитами на 2200, в.ч. гасят 0,1 мкФ, а фон 50 Гц просачивается именно из-за "шумности" моста GBU605? есть смысл проверять на отдельных диодах? Брать обычные силовые (как вариант Д226) или что-то из "шотки" ?

_________________
мысли мысли штош вы вйотесь
над мойейу головойу
вы там мосга нинайдете
нед там мосга! йа тупойе (БОР)


Вернуться наверх
 
Не в сети
 Заголовок сообщения: Re: Собираю гибридник 6Н23П + TA7630P + TDA7265 есть вопросы
СообщениеДобавлено: Пт янв 25, 2013 16:57:35 
Собутыльник Кота
Аватар пользователя

Карма: 25
Рейтинг сообщений: 141
Зарегистрирован: Ср дек 15, 2010 23:24:02
Сообщений: 2864
Откуда: Петербург
Рейтинг сообщения: 0
Цитата:
а фон 50 Гц просачивается именно из-за "шумности" моста GBU605?

Диодные мосты вызвать такой фон/"шум" не могут. Вот монтаж устройства в корпусе и какая-либо,даже одна, неверная точка заземления(или её отсутствие) - вполне.


Вернуться наверх
 
Показать сообщения за:  Сортировать по:  Вернуться наверх
Начать новую тему Ответить на тему  [ Сообщений: 22 ]  1,  

Часовой пояс: UTC + 3 часа


Кто сейчас на форуме

Сейчас этот форум просматривают: нет зарегистрированных пользователей и гости: 45


Вы не можете начинать темы
Вы не можете отвечать на сообщения
Вы не можете редактировать свои сообщения
Вы не можете удалять свои сообщения
Вы не можете добавлять вложения

Найти:
Перейти:  


Powered by phpBB © 2000, 2002, 2005, 2007 phpBB Group
Русская поддержка phpBB
Extended by Karma MOD © 2007—2012 m157y
Extended by Topic Tags MOD © 2012 m157y