Например TDA7294

Форум РадиоКот • Просмотр темы - Транзисторный УНЧ для сильно начинающих 60 ватт
Форум РадиоКот
Здесь можно немножко помяукать :)

Текущее время: Пт дек 26, 2025 04:03:48

Часовой пояс: UTC + 3 часа


ПРЯМО СЕЙЧАС:



Начать новую тему Ответить на тему  [ Сообщений: 74 ]  1, , ,  
Автор Сообщение
Не в сети
 Заголовок сообщения: Транзисторный УНЧ для сильно начинающих 60 ватт
СообщениеДобавлено: Пт апр 19, 2024 02:51:00 
Встал на лапы

Зарегистрирован: Пт май 20, 2022 22:19:02
Сообщений: 134
Откуда: Ижевск
Рейтинг сообщения: 0
Прошу ссаными тряпками не кидаться, делаю попытку сборки усилителя в машину, два канала по 60 ватт, если не получится, то надеюсь получу хотя бы опыт и особо не расстроюсь, вся элементная база закуплена, трансформатор для блока питания готов, плату буду рисовать вручную маркером, такой опыт есть.
Дорожки рисовал в компасе, отверстия засверлю на фрезерном станке на работе (я наладчик станков с чпу), чтоб легче было руками рисовать художества, мне так проще, расстояние между БП и УНЧ нужно чтоб в случае чего отрезать тот позор, что не получился, схему усилителя взял за основу из этой темы: https://radiokot.ru/circuit/audio/amplifier/12/
В симуляторе чуть подкорректировал номиналы под рабочее состояние и буду собирать точно от туда, понимаю что симулятор далек от реального усилителя, по этому прошу знающих людей проверить и тыкнуть носом в критичные ошибки и дать советы по настройке, имеется ослик fnirsi 1c15, попытаюсь приложить файлы всего проекта, что у меня есть, в БП номиналы мелочи чуть другие будут, мост из 4 диодов VS-MUR1520, и силовые транзисторы по 3 штуки в плече STD17NF03, вроде их должно хватить, емкость банок будет ограничена местом на плате, включение усилителя будет осуществляться подачей питания на SG2525, напряжение двухполярное 20 вольт


Вложения:
Схема усилителя.png [103.67 KiB]
Скачиваний: 474
Схема БП принципиальная.jpg [110.08 KiB]
Скачиваний: 188
Схема circuitjs1 - 60 ватт.txt [2.42 KiB]
Скачиваний: 285
Комментарий к файлу: Примерно так будет выглядеть плата 200х100мм
Усилитель дорожки печать.pdf [101.18 KiB]
Скачиваний: 250
Вернуться наверх
 
Не в сети
 Заголовок сообщения: Re: Транзисторный УНЧ для сильно начинающих 60 ватт
СообщениеДобавлено: Пт апр 19, 2024 06:13:46 
Друг Кота

Карма: 6
Рейтинг сообщений: 303
Зарегистрирован: Вт авг 26, 2008 14:36:02
Сообщений: 5248
Откуда: москва
Рейтинг сообщения: 0
Очень древняя схема худший вариант из всех ее вариантов, работать будет, но повозиться придется. Начинать надо с изготовления БП. , чтобы было плюс- минус 30в


Вернуться наверх
 
Не в сети
 Заголовок сообщения: Re: Транзисторный УНЧ для сильно начинающих 60 ватт
СообщениеДобавлено: Пт апр 19, 2024 06:22:10 
Модератор
Аватар пользователя

Карма: 159
Рейтинг сообщений: 4074
Зарегистрирован: Пт янв 23, 2009 19:20:05
Сообщений: 45266
Рейтинг сообщения: 0
Медали: 1
Получил миской по аватаре (1)
...Блок питания двухполярный - а схема усилителя для плавающей средней точки... Зачем?


Вернуться наверх
 
Не в сети
 Заголовок сообщения: Re: Транзисторный УНЧ для сильно начинающих 60 ватт
СообщениеДобавлено: Пт апр 19, 2024 08:05:24 
Друг Кота
Аватар пользователя

Карма: 107
Рейтинг сообщений: 3801
Зарегистрирован: Пн фев 09, 2009 22:19:49
Сообщений: 24394
Откуда: Когда-то был прекрасный город для людей
Рейтинг сообщения: 0
Затем, чтобы вся грязь с БП на вход усилителя попала.
Переживет ли он это ?


Вернуться наверх
 
Эиком - электронные компоненты и радиодетали
Не в сети
 Заголовок сообщения: Re: Транзисторный УНЧ для сильно начинающих 60 ватт
СообщениеДобавлено: Пт апр 19, 2024 10:57:35 
Встал на лапы

Зарегистрирован: Пт май 20, 2022 22:19:02
Сообщений: 134
Откуда: Ижевск
Рейтинг сообщения: 0
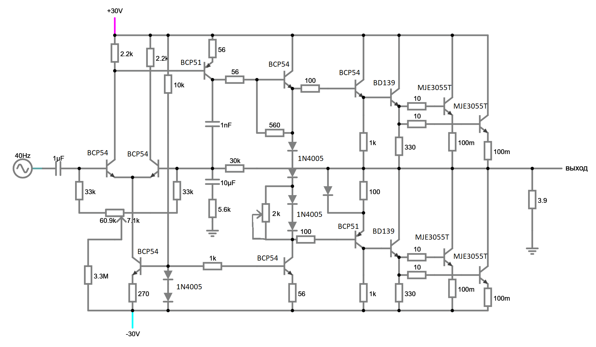
Блин, а я уж думал годная тема, в симуляторе заработало сразу, номиналы элементов допускаются в широком диапазоне, есть шанс что заработает, думаю всё таки соберу и узнаю на деле как оно звучит, была идея с шушуриным (радио 6, 1978г., стр 45), но мне диоды не понравились)) да и тоже самое почти, а реально качественные схемы получается в несколько раз крупнее, я в симуляторе то их собирать неделю буду, а еще хочется не просто повторить, а понять какой транзистор для чего нежен, пока мне это удается только в схемах максимум с пятью транзисторами))


Вложения:
усь Шушурина.jpg [232.61 KiB]
Скачиваний: 195
Вернуться наверх
 
Не в сети
 Заголовок сообщения: Re: Транзисторный УНЧ для сильно начинающих 60 ватт
СообщениеДобавлено: Пт апр 19, 2024 11:55:24 
Друг Кота
Аватар пользователя

Карма: 182
Рейтинг сообщений: 8325
Зарегистрирован: Пт фев 04, 2011 17:57:51
Сообщений: 20025
Откуда: Рыбинск
Рейтинг сообщения: 0
Медали: 1
Лучший человек Форума 2017 (1)
Ифторик писал(а):
силовые транзисторы по 3 штуки в плече STD17NF03,
Думаете просто так в 12В преобразователи ставят 50-60В ключи? К ним без учета выбросов будет приложено 24-28В.


Вернуться наверх
 
Не в сети
 Заголовок сообщения: Re: Транзисторный УНЧ для сильно начинающих 60 ватт
СообщениеДобавлено: Пт апр 19, 2024 12:33:38 
Друг Кота

Карма: 6
Рейтинг сообщений: 303
Зарегистрирован: Вт авг 26, 2008 14:36:02
Сообщений: 5248
Откуда: москва
Рейтинг сообщения: 0
Вот, по последней схеме и надо делать, она легче настраивается и транзисторы не особо подбирать надо по усилению


Вернуться наверх
 
Не в сети
 Заголовок сообщения: Re: Транзисторный УНЧ для сильно начинающих 60 ватт
СообщениеДобавлено: Пт апр 19, 2024 17:18:43 
Друг Кота
Аватар пользователя

Карма: 40
Рейтинг сообщений: 615
Зарегистрирован: Вс янв 24, 2010 13:14:02
Сообщений: 4718
Откуда: Омск
Рейтинг сообщения: 0
Как то задуманная изначально схема с ИИП не шибко похожа для "сильно начинающих". Шушурин в этом плане предпочтительнее, хотя, если будет вылет выходных транзисторов при первом включении, скорее всего поставит в тупик "сильно начинающего". У не "сильно начинающих" схема усилителя скорее всего вообще рассматриваться не будет. Разве что ради мазохизма.


Вернуться наверх
 
Не в сети
 Заголовок сообщения: Re: Транзисторный УНЧ для сильно начинающих 60 ватт
СообщениеДобавлено: Пт апр 19, 2024 17:27:03 
Друг Кота
Аватар пользователя

Карма: 107
Рейтинг сообщений: 3801
Зарегистрирован: Пн фев 09, 2009 22:19:49
Сообщений: 24394
Откуда: Когда-то был прекрасный город для людей
Рейтинг сообщения: 0
Ну, я при первом включении просто не подключаю пару выходных транзисторов и проверяю "балансировку" схемы без них.
Подобные схемы это позволяют.


Вернуться наверх
 
Не в сети
 Заголовок сообщения: Re: Транзисторный УНЧ для сильно начинающих 60 ватт
СообщениеДобавлено: Пт апр 19, 2024 21:19:02 
Встал на лапы

Зарегистрирован: Пт май 20, 2022 22:19:02
Сообщений: 134
Откуда: Ижевск
Рейтинг сообщения: 0
Ничего страшного, транзисторов взял с запасом, вы меня убедили, Шушурина буду делать, схему уже набросал, вроде набор транзисторов почти такой же получается, только я предвыходной каскад уберу, должно и без него справляться


Вернуться наверх
 
Не в сети
 Заголовок сообщения: Re: Транзисторный УНЧ для сильно начинающих 60 ватт
СообщениеДобавлено: Пт апр 19, 2024 22:50:47 
Друг Кота
Аватар пользователя

Карма: 107
Рейтинг сообщений: 3801
Зарегистрирован: Пн фев 09, 2009 22:19:49
Сообщений: 24394
Откуда: Когда-то был прекрасный город для людей
Рейтинг сообщения: 0
Ну тогда и пару диодов убирай, иначе выходных транзисторов не хватит несмотря на все запасы...


Вернуться наверх
 
Не в сети
 Заголовок сообщения: Re: Транзисторный УНЧ для сильно начинающих 60 ватт
СообщениеДобавлено: Сб апр 20, 2024 04:34:40 
Друг Кота

Карма: 6
Рейтинг сообщений: 303
Зарегистрирован: Вт авг 26, 2008 14:36:02
Сообщений: 5248
Откуда: москва
Рейтинг сообщения: 0
Для первого включения все 4 можно , нужно убрать


Вернуться наверх
 
Не в сети
 Заголовок сообщения: Re: Транзисторный УНЧ для сильно начинающих 60 ватт
СообщениеДобавлено: Сб апр 20, 2024 14:34:50 
Друг Кота
Аватар пользователя

Карма: 40
Рейтинг сообщений: 615
Зарегистрирован: Вс янв 24, 2010 13:14:02
Сообщений: 4718
Откуда: Омск
Рейтинг сообщения: 0
Ифторик писал(а):
только я предвыходной каскад уберу, должно и без него справляться

Конечно справяться. Только у выходной "двойки" искажений где-то на порядок больше, чем у "тройки". У Шушурина заявлено 0.03-0.1%(от частоты), ну будет 0.3-1.
Не смертельно. Жалко пары транзисторов?


Вернуться наверх
 
Не в сети
 Заголовок сообщения: Re: Транзисторный УНЧ для сильно начинающих 60 ватт
СообщениеДобавлено: Сб апр 20, 2024 15:18:54 
Вымогатель припоя

Зарегистрирован: Пт май 20, 2022 12:28:46
Сообщений: 612
Рейтинг сообщения: 0
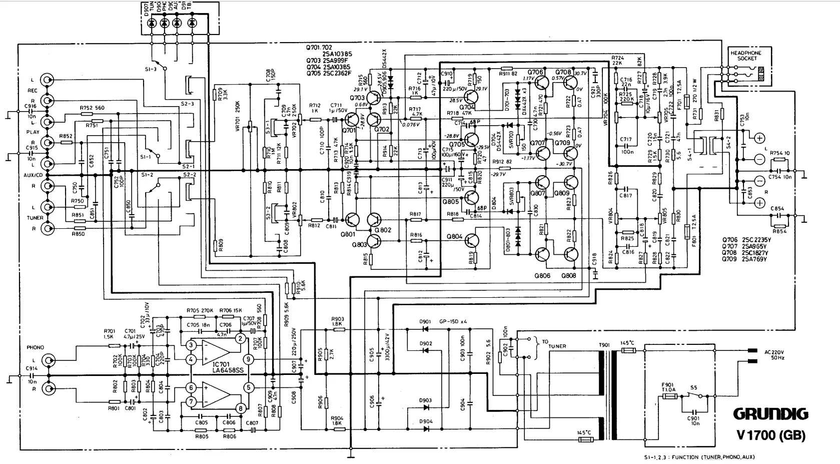
в симуляторе (тем более в Circuit Simulator) много чего сразу работает, а начинаешь собирать...
Что касается схемы, то имхо для "сильно начинающих" она сложновата, мягко говоря. Проще что-нить из Радио конца 80х собрать. ну или на худой конец повторить какой-нибудь заводской усь из того времени. Например Грюндиг 1700.


Вложения:
scale_2400.jpg [189.32 KiB]
Скачиваний: 222
Вернуться наверх
 
Не в сети
 Заголовок сообщения: Re: Транзисторный УНЧ для сильно начинающих 60 ватт
СообщениеДобавлено: Сб апр 20, 2024 15:41:00 
Друг Кота
Аватар пользователя

Карма: 107
Рейтинг сообщений: 3801
Зарегистрирован: Пн фев 09, 2009 22:19:49
Сообщений: 24394
Откуда: Когда-то был прекрасный город для людей
Рейтинг сообщения: 0
Мда... Хорошая шутка... Но недобрая.


Вернуться наверх
 
Не в сети
 Заголовок сообщения: Re: Транзисторный УНЧ для сильно начинающих 60 ватт
СообщениеДобавлено: Сб апр 20, 2024 22:51:23 
Электрический кот
Аватар пользователя

Карма: 13
Рейтинг сообщений: 312
Зарегистрирован: Сб мар 27, 2010 13:19:45
Сообщений: 1004
Откуда: Moskau
Рейтинг сообщения: 4
> два канала по 60 ватт

1. Кто у нас нагрузка? "Домашние" усилители сплошь и рядом на восемь Ом, тот же старый шушуринский, первый вариант, который ваисьтену прекрастен, но на восемь Ом нагрузки.
В автомобилях сплошь и рядом два Ома с провалами до одного. "Это важно".
При двух Омах, сдаётца мне, две пары мощных выходных транзисторов в канал будут не лишними. Как нарисовано вот тут
download/file.php?id=405909
в остальном это довольно сомнительная схема. Дело не в том, что это примерно "второе с половиной" поколение пресловутого усилителя Хун Чан Лина, эдак 1970-й год. А в том, что именно эту конкретную картинку просто нарисовали на заборе не очень грамотные люди. И живьём её никто никогда не собирал.
Вот если взять чтонть реально работавшее, вдогонку серийное, и малость допилить под нашу задачу...

> download/file.php?id=405954
и регуляторы тембра в ООС УМа, рисоеды сэкономили на мисоцку рисика. Не гойваря про ошибку Арабаджи в не совсем явном виде...

_________________
У кошки четыре ноги - вход, выход, земля и питание.


Вернуться наверх
 
Не в сети
 Заголовок сообщения: Re: Транзисторный УНЧ для сильно начинающих 60 ватт
СообщениеДобавлено: Вс апр 21, 2024 02:29:36 
Встал на лапы

Зарегистрирован: Пт май 20, 2022 22:19:02
Сообщений: 134
Откуда: Ижевск
Рейтинг сообщения: 0
Если честно, то я сам не знаю что будет играть от этого усилителя, зависит от результата, либо 2 саба по 4 ом, либо другие динамики, которые вообще сейчас не подключены, буду смотреть какое звучание понравится больше, одно могу сказать точно - 8 ом нагрузки у меня нет и не планируется, а вот 2ом не исключены, думаю Шушурина соберу, как есть, только с двумя парами выходных транзисторов, грундиг еще инвертирующий похоже, на одну проблему с подключением больше


Вернуться наверх
 
Не в сети
 Заголовок сообщения: Re: Транзисторный УНЧ для сильно начинающих 60 ватт
СообщениеДобавлено: Вс апр 21, 2024 07:20:14 
Друг Кота
Аватар пользователя

Карма: 40
Рейтинг сообщений: 615
Зарегистрирован: Вс янв 24, 2010 13:14:02
Сообщений: 4718
Откуда: Омск
Рейтинг сообщения: 0
Как раз два саба по 4 ома последовательно дадут 8 ом. Питалово у Шушурина поднять вольт до 40 на плечо и будет ватт 100 на 4 ома. Или 50-60 на 8 ом. Только радиаторы на выходные задушевные надо.


Вернуться наверх
 
Не в сети
 Заголовок сообщения: Re: Транзисторный УНЧ для сильно начинающих 60 ватт
СообщениеДобавлено: Пн апр 22, 2024 00:34:34 
Встал на лапы

Зарегистрирован: Пт май 20, 2022 22:19:02
Сообщений: 134
Откуда: Ижевск
Рейтинг сообщения: 0
Собрал схему для Шушурина, именно с такими номиналами и буду собирать, завтра может засверлю текстолит, придется отфрезеровать посадочные места под транзисторы, очень тесно получается для ручного разведения, простым способом не уместиться, может даже невозможно, но я попробую сделать плату без лута.
О да, будет грязь))


Вложения:
Расположение дорожек печать.pdf [111.31 KiB]
Скачиваний: 162
Схема Шушурин circuitjs1.txt [3.5 KiB]
Скачиваний: 159
Схема Шушурин.png [132.92 KiB]
Скачиваний: 143
Вернуться наверх
 
Не в сети
 Заголовок сообщения: Re: Транзисторный УНЧ для сильно начинающих 60 ватт
СообщениеДобавлено: Пн апр 22, 2024 06:46:33 
Друг Кота
Аватар пользователя

Карма: 40
Рейтинг сообщений: 615
Зарегистрирован: Вс янв 24, 2010 13:14:02
Сообщений: 4718
Откуда: Омск
Рейтинг сообщения: 0
В последней схеме пропущен резистор с базы первого транзистора на землю.


Вложения:
Схема Шушурин.png [135.45 KiB]
Скачиваний: 128
Вернуться наверх
 
Показать сообщения за:  Сортировать по:  Вернуться наверх
Начать новую тему Ответить на тему  [ Сообщений: 74 ]  1, , ,  

Часовой пояс: UTC + 3 часа


Кто сейчас на форуме

Сейчас этот форум просматривают: нет зарегистрированных пользователей и гости: 16


Вы не можете начинать темы
Вы не можете отвечать на сообщения
Вы не можете редактировать свои сообщения
Вы не можете удалять свои сообщения
Вы не можете добавлять вложения

Найти:
Перейти:  


Powered by phpBB © 2000, 2002, 2005, 2007 phpBB Group
Русская поддержка phpBB
Extended by Karma MOD © 2007—2012 m157y
Extended by Topic Tags MOD © 2012 m157y