Например TDA7294

Форум РадиоКот • Просмотр темы - УНЧ на TDA7575B
Форум РадиоКот
Здесь можно немножко помяукать :)

Текущее время: Сб окт 25, 2025 03:59:53

Часовой пояс: UTC + 3 часа


ПРЯМО СЕЙЧАС:



Начать новую тему Ответить на тему  [ Сообщений: 19 ] 
Автор Сообщение
Не в сети
 Заголовок сообщения: УНЧ на TDA7575B
СообщениеДобавлено: Пн окт 20, 2014 16:45:44 
Родился

Зарегистрирован: Пн окт 20, 2014 16:31:56
Сообщений: 12
Рейтинг сообщения: 0
Доброго времени суток, кто может подсказать как запустить УНЧ на TDA7575B. Ситуация такая, есть штатный автомобильный усилитель, построенный на 3х TDA7575B и одной TDA7563PD.


Вернуться наверх
 
Не в сети
 Заголовок сообщения: Re: УНЧ на TDA7575B
СообщениеДобавлено: Пн окт 20, 2014 17:51:03 
Родился

Зарегистрирован: Пн окт 20, 2014 16:31:56
Сообщений: 12
Рейтинг сообщения: 0
Даташит на микросхемы есть, есть и схемы включения, пробовал всё делать по схеме и запустить хотя бы один канал, но не запускается.

Может всё дело в I2C BUS, у микросхемы есть выводы A, B, CLK, DATA ?


Вернуться наверх
 
Не в сети
 Заголовок сообщения: Re: УНЧ на TDA7575B
СообщениеДобавлено: Пн окт 20, 2014 18:01:35 
Друг Кота
Аватар пользователя

Карма: 182
Рейтинг сообщений: 8313
Зарегистрирован: Пт фев 04, 2011 17:57:51
Сообщений: 19889
Откуда: Рыбинск
Рейтинг сообщения: 0
Медали: 1
Лучший человек Форума 2017 (1)
AVK-1 писал(а):
Может всё дело в I2C BUS,
А Вы сомневаетесь, что в этом дело? К этим мс еще контроллер нужен, чтобы ими рулить.


Вернуться наверх
 
Не в сети
 Заголовок сообщения: Re: УНЧ на TDA7575B
СообщениеДобавлено: Пн окт 20, 2014 18:06:21 
Родился

Зарегистрирован: Пн окт 20, 2014 16:31:56
Сообщений: 12
Рейтинг сообщения: 0
Изображение


Вернуться наверх
 
Эиком - электронные компоненты и радиодетали
Не в сети
 Заголовок сообщения: Re: УНЧ на TDA7575B
СообщениеДобавлено: Пн окт 20, 2014 18:08:13 
Родился

Зарегистрирован: Пн окт 20, 2014 16:31:56
Сообщений: 12
Рейтинг сообщения: 0
Изображение


Вернуться наверх
 
Не в сети
 Заголовок сообщения: Re: УНЧ на TDA7575B
СообщениеДобавлено: Пн окт 20, 2014 18:08:58 
Друг Кота
Аватар пользователя

Карма: 182
Рейтинг сообщений: 8313
Зарегистрирован: Пт фев 04, 2011 17:57:51
Сообщений: 19889
Откуда: Рыбинск
Рейтинг сообщения: 0
Медали: 1
Лучший человек Форума 2017 (1)
Они обе с управлением по шине I2C http://www.alldatasheet.com/datasheet-p ... 563PD.html


Вернуться наверх
 
Не в сети
 Заголовок сообщения: Re: УНЧ на TDA7575B
СообщениеДобавлено: Пн окт 20, 2014 18:11:48 
Родился

Зарегистрирован: Пн окт 20, 2014 16:31:56
Сообщений: 12
Рейтинг сообщения: 0
Martin76 писал(а):
AVK-1 писал(а):
Может всё дело в I2C BUS,
А Вы сомневаетесь, что в этом дело? К этим мс еще контроллер нужен, чтобы ими рулить.


Я просто никогда не сталкивался с этими МС, вот по этому такой вопрос задал...

Можно ли собрать контроллер для управления этими МС?


Вернуться наверх
 
Не в сети
 Заголовок сообщения: Re: УНЧ на TDA7575B
СообщениеДобавлено: Пн окт 20, 2014 18:13:37 
Родился

Зарегистрирован: Пн окт 20, 2014 16:31:56
Сообщений: 12
Рейтинг сообщения: 0
Martin76 писал(а):
Они обе с управлением по шине I2C http://www.alldatasheet.com/datasheet-p ... 563PD.html


Это я уже понял...


Вернуться наверх
 
Не в сети
 Заголовок сообщения: Re: УНЧ на TDA7575B
СообщениеДобавлено: Пн окт 20, 2014 18:14:55 
Друг Кота
Аватар пользователя

Карма: 182
Рейтинг сообщений: 8313
Зарегистрирован: Пт фев 04, 2011 17:57:51
Сообщений: 19889
Откуда: Рыбинск
Рейтинг сообщения: 0
Медали: 1
Лучший человек Форума 2017 (1)
AVK-1 писал(а):
Можно ли собрать контроллер
Если Вы сильны в написании программ для мк, то безусловно можно на каком нибудь АВР или ПИКе сделать управление, если не сильны в програмировании - то увы.


Вернуться наверх
 
Не в сети
 Заголовок сообщения: Re: УНЧ на TDA7575B
СообщениеДобавлено: Пн окт 20, 2014 18:19:23 
Родился

Зарегистрирован: Пн окт 20, 2014 16:31:56
Сообщений: 12
Рейтинг сообщения: 0
Martin76 писал(а):
AVK-1 писал(а):
Можно ли собрать контроллер
Если Вы сильны в написании программ для мк, то безусловно можно на каком нибудь АВР или ПИКе сделать управление, если не сильны в програмировании - то увы.


По сути получается, что лучше не заморачиваться и просто на всякий случай оставить элементную базу, может быть пригодится...

А в корпусе собрать чёнить по проще, ведь корпус УНЧ BOSE.


Последний раз редактировалось AVK-1 Пн окт 20, 2014 18:22:09, всего редактировалось 1 раз.

Вернуться наверх
 
Не в сети
 Заголовок сообщения: Re: УНЧ на TDA7575B
СообщениеДобавлено: Пн окт 20, 2014 18:21:40 
Друг Кота
Аватар пользователя

Карма: 182
Рейтинг сообщений: 8313
Зарегистрирован: Пт фев 04, 2011 17:57:51
Сообщений: 19889
Откуда: Рыбинск
Рейтинг сообщения: 0
Медали: 1
Лучший человек Форума 2017 (1)
Получается так. Можете программирование поизучать, там по идее ничего сложного в управлении не будет.


Вернуться наверх
 
Не в сети
 Заголовок сообщения: Re: УНЧ на TDA7575B
СообщениеДобавлено: Пн окт 20, 2014 18:23:48 
Родился

Зарегистрирован: Пн окт 20, 2014 16:31:56
Сообщений: 12
Рейтинг сообщения: 0
Martin76 писал(а):
Получается так. Можете программирование поизучать, там по идее ничего сложного в управлении не будет.


Там на п.плате контроллер скорее всего есть, просто какая прога там зашита, вот вопрос...


Вернуться наверх
 
Не в сети
 Заголовок сообщения: Re: УНЧ на TDA7575B
СообщениеДобавлено: Пн окт 20, 2014 18:26:09 
Друг Кота
Аватар пользователя

Карма: 182
Рейтинг сообщений: 8313
Зарегистрирован: Пт фев 04, 2011 17:57:51
Сообщений: 19889
Откуда: Рыбинск
Рейтинг сообщения: 0
Медали: 1
Лучший человек Форума 2017 (1)
Управляющий контроллер или аудиопроцессор, тоже управляемый по шине?


Вернуться наверх
 
Не в сети
 Заголовок сообщения: Re: УНЧ на TDA7575B
СообщениеДобавлено: Пн окт 20, 2014 18:27:31 
Родился

Зарегистрирован: Пн окт 20, 2014 16:31:56
Сообщений: 12
Рейтинг сообщения: 0
Martin76 писал(а):
Управляющий контроллер или аудиопроцессор, тоже управляемый по шине?



Да, он тоже по шине управляется...


Вернуться наверх
 
Не в сети
 Заголовок сообщения: Re: УНЧ на TDA7575B
СообщениеДобавлено: Пн окт 20, 2014 18:28:16 
Друг Кота
Аватар пользователя

Карма: 182
Рейтинг сообщений: 8313
Зарегистрирован: Пт фев 04, 2011 17:57:51
Сообщений: 19889
Откуда: Рыбинск
Рейтинг сообщения: 0
Медали: 1
Лучший человек Форума 2017 (1)
Управление наверное на другой плате.


Вернуться наверх
 
Не в сети
 Заголовок сообщения: Re: УНЧ на TDA7575B
СообщениеДобавлено: Пн окт 20, 2014 18:31:56 
Родился

Зарегистрирован: Пн окт 20, 2014 16:31:56
Сообщений: 12
Рейтинг сообщения: 0
Martin76 писал(а):
Управление наверное на другой плате.



Получается, что управление 100% на другой плате, т.к. все компоненты аудио системы управляются по шине и закольцованы.


Вернуться наверх
 
Не в сети
 Заголовок сообщения: Re: УНЧ на TDA7575B
СообщениеДобавлено: Пн окт 20, 2014 18:39:31 
Родился

Зарегистрирован: Пн окт 20, 2014 16:31:56
Сообщений: 12
Рейтинг сообщения: 0
Изображение

Вот п.плата


Вернуться наверх
 
Не в сети
 Заголовок сообщения: Re: УНЧ на TDA7575B
СообщениеДобавлено: Вт ноя 04, 2014 16:13:43 
Родился

Зарегистрирован: Пн окт 20, 2014 16:31:56
Сообщений: 12
Рейтинг сообщения: 0
Дорого времени суток!

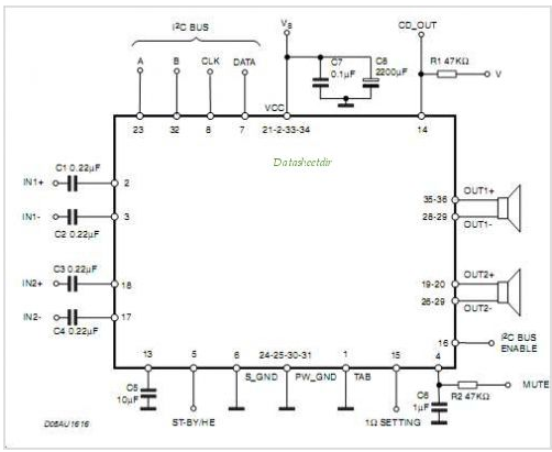
Усилитель я в итоге запустил: (МС в корпусе SO3)
1. 16 вывод I2CEN отпаял от платы (ибо туда +12в подходило) и оставил его в воздухе (подключал к минусу изменений не было)
2. 4 вывод MUTE отпаял от платы и оставил его в воздухе
3. 5 вывод ST-BY через резистор 47Ком посадил на +, (на одной микрухе отпаял вывод от платы и подпаял к нему, у другой подпаял прямо к плате не отпаивая вывода мс.)

Остальные выводы так и остались припаянными к плате, хотя сперва эксперименты делал, сажал 14 CD-OUT на минус, изменений никаких не было.

Входного сигнала явно от мр3плеера не достаточно, надо какой нить предварительный усилитель подключать, но играет оч качественно, это всё таки BOSE.

Вывод: Запустить эти мс можно и без управления по I2C. Достаточно схемы из даташита.

Изображение


Тема с мк оказалась интересной, буду всё таки ваять управление на мк, ибо можно будет всё регулировать...


Вернуться наверх
 
Не в сети
 Заголовок сообщения: Re: УНЧ на TDA7575B
СообщениеДобавлено: Чт авг 20, 2020 19:06:57 
Родился
Аватар пользователя

Зарегистрирован: Ср авг 24, 2016 13:01:05
Сообщений: 11
Рейтинг сообщения: 0
Дорого времени суток!

Усилитель я в итоге запустил: (МС в корпусе SO3)
1. 16 вывод I2CEN отпаял от платы (ибо туда +12в подходило) и оставил его в воздухе (подключал к минусу изменений не было)
2. 4 вывод MUTE отпаял от платы и оставил его в воздухе
3. 5 вывод ST-BY через резистор 47Ком посадил на +, (на одной микрухе отпаял вывод от платы и подпаял к нему, у другой подпаял прямо к плате не отпаивая вывода мс.)

Остальные выводы так и остались припаянными к плате, хотя сперва эксперименты делал, сажал 14 CD-OUT на минус, изменений никаких не было.

Входного сигнала явно от мр3плеера не достаточно, надо какой нить предварительный усилитель подключать, но играет оч качественно, это всё таки BOSE.

Вывод: Запустить эти мс можно и без управления по I2C. Достаточно схемы из даташита.

Изображение


Тема с мк оказалась интересной, буду всё таки ваять управление на мк, ибо можно будет всё регулировать...



Добрый вечер! Как ваши успехи с усилком BOSE? Можно поподробнее?
Я тоже заболел тем-же, хочу запустить усилитель от 2ДинМагнитолы напрямую 5.1 аудиосигнал, чтобы отключить весь фарш BOSE и использовать только выходные каскады.


Вернуться наверх
 
Показать сообщения за:  Сортировать по:  Вернуться наверх
Начать новую тему Ответить на тему  [ Сообщений: 19 ] 

Часовой пояс: UTC + 3 часа


Кто сейчас на форуме

Сейчас этот форум просматривают: нет зарегистрированных пользователей и гости: 22


Вы не можете начинать темы
Вы не можете отвечать на сообщения
Вы не можете редактировать свои сообщения
Вы не можете удалять свои сообщения
Вы не можете добавлять вложения

Найти:
Перейти:  


Powered by phpBB © 2000, 2002, 2005, 2007 phpBB Group
Русская поддержка phpBB
Extended by Karma MOD © 2007—2012 m157y
Extended by Topic Tags MOD © 2012 m157y