Например TDA7294

Форум РадиоКот • Просмотр темы - Одиссей 010 возможно ли аудиофильское счастье?
Форум РадиоКот
Здесь можно немножко помяукать :)

Текущее время: Ср янв 28, 2026 12:39:57

Часовой пояс: UTC + 3 часа


ПРЯМО СЕЙЧАС:



Начать новую тему Ответить на тему  [ Сообщений: 262 ]    , , , 4, , , ...  
Автор Сообщение
Не в сети
 Заголовок сообщения: Re: Одиссей 010 возможно ли аудиофильское счастье?
СообщениеДобавлено: Вс мар 03, 2024 17:06:18 
Друг Кота

Карма: 35
Рейтинг сообщений: 570
Зарегистрирован: Вт дек 10, 2013 19:13:10
Сообщений: 3268
Рейтинг сообщения: 0
тогда резистора хватит ,с резистором вместо этого двухполюсного ИТ искажения были ниже на порядок чем у Худа при4ом нагрузке даже с ОЭ в УН и ОЭ вместо диффкаскада
я бы на выход параллельник поставил но нет сейчас возможности транзисторы подбирать в пары тк бомжую в Питере ,а дома сейчас линия фронта,вот и хочу на картонке спаять простенький усь с питанием от бп ноута

Добавлено after 17 minutes 21 second:
Цитата:
JLH это жутко нелинейное устройство. Выходной каскад от логического элемента ТТЛ. Непонятна причина использования оного в качестве эталона. Видимо причина - высокий уровень четных гармоник. В принципе с тем же успехом можно через гитарный комбик слушать. У него звук будет еще богаче.

Вы наверное его не разу не слушали он прекрасно играет но только на 16ом,мой вариант играет даже на 3 ом

Добавлено after 34 minutes 50 seconds:
у Заратустры гармоник больше чем у Худа,только он 160000р на Авито ,а Одиссей с нулями никому не нужен

Добавлено after 26 minutes 26 seconds:
кстати нижнее плечо можно совсем не модулировать поставив диод с базы нижнего выходника на землю
будет чистый однотакт ОК с ИТ в нагрузке,но КПД упадет вдвое
модулируя ИТ мы превращаем его в псевдодвухтакт с гармошками низких порядков которые ООС давит на ура
ООС глубиной 60дб на 20кгц вполне достижима и достаточна искажения менее 0,01% на 20 кгц
и эти 0,01% за счет 2й гармоники а не тот лес что в АВшнике


Вернуться наверх
 
Не в сети
 Заголовок сообщения: Re: Одиссей 010 возможно ли аудиофильское счастье?
СообщениеДобавлено: Вс мар 03, 2024 18:22:14 
Вымогатель припоя
Аватар пользователя

Карма: 16
Рейтинг сообщений: 181
Зарегистрирован: Вт фев 03, 2015 05:55:35
Сообщений: 689
Откуда: г. Бердск
Рейтинг сообщения: 0
Слышал JLH. Лучше бы не слушал. Впечатления как от завтрака во времена срочной службы.
Заратуштра это чисто маркетинговый развод лоха педального и в общем то такая же дрянь.
Вам картинки гармоник и интермодуляции от JLH показать? У АБ с глубокой ООС лес гармоник находится ниже уровня шума, а лисий хвост на ультразвуке и тоже ниже уровня шума. Так что эти искажения ниже порога слухового восприятия, и вдобавок замаскированы собственным шумом усилителя. А у JLH ярко выраженная окраска. В принципе если вам искажения приятны, я вам не могу запретить ими наслаждаться. Не поленюсь, все таки набью JLH в симуляторе.


Вернуться наверх
 
Не в сети
 Заголовок сообщения: Re: Одиссей 010 возможно ли аудиофильское счастье?
СообщениеДобавлено: Вс мар 03, 2024 18:29:33 
Друг Кота

Карма: 35
Рейтинг сообщений: 570
Зарегистрирован: Вт дек 10, 2013 19:13:10
Сообщений: 3268
Рейтинг сообщения: 0
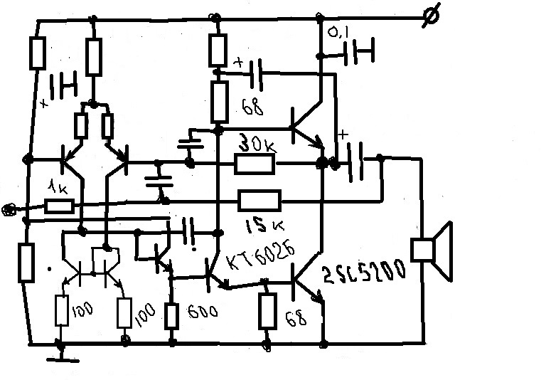
лучше мой набейте
а Худа я говорю надо смотреть на 16ом не ниже нагрузке
от заратустры полвегалаба кипятком писает а Вы его так парафините,он проглатывает тяжелые АС с говнокроссами
а нолики не так важны
насчет искажений не знаю,но еще с детства мне нравилось звучание дедушкиного Фестиваля ,когда я летом в деревню к нему приезжал,живой звук по сравнению со стерильным jvc усилителем который был у моего отца ,ох как давно это было,,,,
вот проще моего,но тоже лучше на порядок чем Худ
вся фишка в резисторах 68ом и повторителе перед драйвером ,позволяюшие снизить искажения при 8ом нагрузке ну и дифф сбалансированный лучше ОЭ,инверт и кондеры под оос


Вложения:
усилитель.jpg [84.22 KiB]
Скачиваний: 58
Вернуться наверх
 
Не в сети
 Заголовок сообщения: Re: Одиссей 010 возможно ли аудиофильское счастье?
СообщениеДобавлено: Вс мар 03, 2024 19:44:32 
Вымогатель припоя
Аватар пользователя

Карма: 16
Рейтинг сообщений: 181
Зарегистрирован: Вт фев 03, 2015 05:55:35
Сообщений: 689
Откуда: г. Бердск
Рейтинг сообщения: 0
Интермоды JLH. Частокол из комбинационных составляющих и пушистый лисий хвост с очень большим уровнем.
Режим моделирования 19+20 кГц, амплитуда выходного напряжения примерно 12 В. Использованные модели транзисторов BC556B, BD139, 2N3055 от On Semiconductor. Напряжение питания 27 В, Rн 16 Ом.

Изображение


Вернуться наверх
 
Эиком - электронные компоненты и радиодетали
Не в сети
 Заголовок сообщения: Re: Одиссей 010 возможно ли аудиофильское счастье?
СообщениеДобавлено: Вс мар 03, 2024 19:59:46 
Друг Кота

Карма: 35
Рейтинг сообщений: 570
Зарегистрирован: Вт дек 10, 2013 19:13:10
Сообщений: 3268
Рейтинг сообщения: 0
ну так я и переделал его поэтому, хотя он многим нравится,на выходе 5200 драйвер на 139 говнище надо кт602б как минимум а лучше что то с малой емкостью 3...4пф и бэттой побольше это если без повторителя перед драйвером
в моих намного все лучше


Вернуться наверх
 
Не в сети
 Заголовок сообщения: Re: Одиссей 010 возможно ли аудиофильское счастье?
СообщениеДобавлено: Вс мар 03, 2024 20:42:08 
Вымогатель припоя
Аватар пользователя

Карма: 16
Рейтинг сообщений: 181
Зарегистрирован: Вт фев 03, 2015 05:55:35
Сообщений: 689
Откуда: г. Бердск
Рейтинг сообщения: 0
ибуки, картинка интермодов для вашего усилителя. Немного лучше чем исходный JLH, но в принципе такой кал. Разницы в поведении в зависимости от мощных транзисторов практически нет. Графики для 2N3055 и 2SA1943.

Изображение

Схему с коррекцией завтра нарисую. У нас уже поздно.


Вернуться наверх
 
Не в сети
 Заголовок сообщения: Re: Одиссей 010 возможно ли аудиофильское счастье?
СообщениеДобавлено: Вс мар 03, 2024 20:49:23 
Друг Кота

Карма: 35
Рейтинг сообщений: 570
Зарегистрирован: Вт дек 10, 2013 19:13:10
Сообщений: 3268
Рейтинг сообщения: 0
интермоды -90дб на 19+20кгц не такой уж и кал для такой простой схемы
у Худа на 50дб больше те в 300раз !!!!на средних частотах еще лучше все,20кгц все таки высокая частота


Последний раз редактировалось ибуки Вс мар 03, 2024 20:54:45, всего редактировалось 1 раз.

Вернуться наверх
 
Не в сети
 Заголовок сообщения: Re: Одиссей 010 возможно ли аудиофильское счастье?
СообщениеДобавлено: Вс мар 03, 2024 20:54:18 
Вымогатель припоя
Аватар пользователя

Карма: 16
Рейтинг сообщений: 181
Зарегистрирован: Вт фев 03, 2015 05:55:35
Сообщений: 689
Откуда: г. Бердск
Рейтинг сообщения: 0
Jedem das seine.


Вернуться наверх
 
Не в сети
 Заголовок сообщения: Re: Одиссей 010 возможно ли аудиофильское счастье?
СообщениеДобавлено: Вс мар 03, 2024 20:57:24 
Друг Кота

Карма: 35
Рейтинг сообщений: 570
Зарегистрирован: Вт дек 10, 2013 19:13:10
Сообщений: 3268
Рейтинг сообщения: 0
согласен,только монстра мне сейчас строить нет возможностей,а это не плохой компромисс и защит не надо и бп есть,,,,
и спаять можно за полдня


Вернуться наверх
 
Не в сети
 Заголовок сообщения: Re: Одиссей 010 возможно ли аудиофильское счастье?
СообщениеДобавлено: Пн мар 04, 2024 07:46:13 
Вымогатель припоя
Аватар пользователя

Карма: 16
Рейтинг сообщений: 181
Зарегистрирован: Вт фев 03, 2015 05:55:35
Сообщений: 689
Откуда: г. Бердск
Рейтинг сообщения: 0
Кстати, применение тройки Локанти вместо выходного каскада Худа снизит искажения примерно на 30 дБ.


Вернуться наверх
 
Не в сети
 Заголовок сообщения: Re: Одиссей 010 возможно ли аудиофильское счастье?
СообщениеДобавлено: Пн мар 04, 2024 09:24:43 
Друг Кота

Карма: 35
Рейтинг сообщений: 570
Зарегистрирован: Вт дек 10, 2013 19:13:10
Сообщений: 3268
Рейтинг сообщения: 0
решился на двойку квази,в А классе пойдет,если что всегда можно верхнюю часть на шиклай переделать и комплиментар сделать
понравилась схема контроля тока покоя,только из за этого сделал на двойке,но и искажений должно быть меньше
вот так
диод и транзистор в синих кружках должны иметь тепловую связь,в идеале вместо диода вд140 в диодном включении поставить и стянуть винтом через прокладку,на общем радиаторе только выходники предвыход стоят на плате можно с небольшими пластинками из алюминия сделать
регулирующий транзистор лучше взять германиевый гт404 сам он разогреваться не будет ,зато открываться начинает при 0,25...0,3в ,а значит можно снизить вдвое резисторы 0,33ом или иметь возможность выставлять небольшой 0,5...0,6а ток покоя при резисторах 0,33ом


Вложения:
класс А3.jpg [120.71 KiB]
Скачиваний: 64
Вернуться наверх
 
Не в сети
 Заголовок сообщения: Re: Одиссей 010 возможно ли аудиофильское счастье?
СообщениеДобавлено: Пн мар 04, 2024 18:08:35 
Модератор
Аватар пользователя

Карма: 159
Рейтинг сообщений: 4079
Зарегистрирован: Пт янв 23, 2009 19:20:05
Сообщений: 45524
Рейтинг сообщения: 0
Медали: 1
Получил миской по аватаре (1)
Слышал JLH. Лучше бы не слушал. Впечатления как от завтрака во времена срочной службы...
...Маломощный, на пару ватт - не хуже УН7... :)) Всё же, нельзя тупо масштабировать ту или иную схему...


Вернуться наверх
 
Не в сети
 Заголовок сообщения: Re: Одиссей 010 возможно ли аудиофильское счастье?
СообщениеДобавлено: Пн мар 04, 2024 19:00:03 
Друг Кота

Карма: 35
Рейтинг сообщений: 570
Зарегистрирован: Вт дек 10, 2013 19:13:10
Сообщений: 3268
Рейтинг сообщения: 0
Цитата:
...Маломощный, на пару ватт - не хуже УН7... :)) Всё же, нельзя тупо масштабировать ту или иную схему...

Худ в оригинале слабоват ,сильно проседает при нагрузках менее 16ом добавление всего одного повторители перед драйвером и увеличение тока драйвера до 30,,,40ма дает выигрыш минимум в 10 раз по искажениям ,но намного лучше тот что я предлагал выигрыш по интермодам 300раз выше спектры WP выложил
вся прелесть этих усилков что они звучат как однотакт особенно при неглубокой оос а ВК от моего вроде бы кривой,но даже без оос звучит великолепно,особенно на вокале,джазе,классике,блюзе,при включении чисто повторителем,правда нужен УН хороший
как то делал эксперимент брал повторитель с резистором и менял смещение так вот при половине питания на резисторе красота вся пропадала а чуть ниже очень приятным становился звук видно вторая гармошка появлялась,это в наушниках хороших слушалось
особенно полезно на старых записях где много грязи и идельный усилок всю грязь выпячивает а ламповые и однотакты маскируют эту грязь
пробовал программно добавлять второй гармошки нет не то совсем,,,,,
многие записи сейчас с оцифрованного винила,а ведь раньше первую запись делали на магнитную ленту а там чисто третья гармошка причем около 1% может в этом и весь секрет


Вернуться наверх
 
Не в сети
 Заголовок сообщения: Re: Одиссей 010 возможно ли аудиофильское счастье?
СообщениеДобавлено: Пн мар 04, 2024 21:00:57 
Модератор
Аватар пользователя

Карма: 159
Рейтинг сообщений: 4079
Зарегистрирован: Пт янв 23, 2009 19:20:05
Сообщений: 45524
Рейтинг сообщения: 0
Медали: 1
Получил миской по аватаре (1)
"Однотактный" характер звучания определяется первым каскадом - поэтому столько внимания выбору транзистора... Дифкаскад имеет совсем другой спектр гармоник! Если нужен действительно малый уровень гармоник - простого дифкаскада будет недостаточно... Хотя я бы, наверное, попробовал что-нибудь на сборке полевиков скомбинировать - что-то подобное, вроде, у немцев было...


Вернуться наверх
 
Не в сети
 Заголовок сообщения: Re: Одиссей 010 возможно ли аудиофильское счастье?
СообщениеДобавлено: Пн мар 04, 2024 21:05:49 
Друг Кота

Карма: 35
Рейтинг сообщений: 570
Зарегистрирован: Вт дек 10, 2013 19:13:10
Сообщений: 3268
Рейтинг сообщения: 0
нет как раз выходной каскад ,тк у него асимметрия
простой повторитель на дарлингтоне с резистором в эмиттере звучит приятнее опера с пятью нулями после запятой,и то при не оптимальном смещении в плане искажений
спаяйте и послушайте меняя смещение ,там всего два транзистора гт308+п605 звучит обалденно в наушниках,резистор 15ом питание два 18650 последовательно
а дифф на входе это хорошо,особенно сбалансированный,еще лучше на полевиках но у них разброс ,хрен подберешь одинаковые


Вернуться наверх
 
Не в сети
 Заголовок сообщения: Re: Одиссей 010 возможно ли аудиофильское счастье?
СообщениеДобавлено: Вт мар 05, 2024 09:30:59 
Друг Кота

Карма: 35
Рейтинг сообщений: 570
Зарегистрирован: Вт дек 10, 2013 19:13:10
Сообщений: 3268
Рейтинг сообщения: 0
WP_, если я сделаю так ,будет лучше в плане успокоить ?
теперь голубой транзистор однотактный буфер ОК для каскода (особенно на вч из за кондера) и убиваем двух зайцев-улучшаем термостабильность ИТ вк за счет тепловой связи диода и транзистора ИТ а также небольшого эмиттерного резистора примерно 0,2...0,3ом через который модулируем ИТ током нагрузки.на нч модуляция превращается в смешанную за счет небольшой модуляции напряжением на резисторе включенном последовательно с диодом
второй вопрос откуда лучше слить часть усиления В ПЛАНЕ СТАБИЛЬНОСТИ
1 с эмиттера этого буфера- зеленый резистор
2 с базы те с выхода каскода
я просто подумал этот ВК меня очень устраивает даже вовсе без оос по звуку,так значит под небольшой оос 20,,,30дб и вовсе устроит,заодно охватим более глубокой оос входной кондер
еще диод немного линеаризует входную характеристику транзистора на нч при модуляции
кондер подобрать так чтобы начинал заметно действовать на 20...30кгц и выше
ЗЫ а может прикрутить этот вк к быстрому оперу и не парить моск? например ТРА6120а2?
вот такой https://aliexpress.ru/item/100500615560 ... 3d6a118qgX
по даташиту заявлено IMD=0.00014% при 32ом нагрузке!!! при усилении G=2
думаю не засвистит под общей осью при усилении 26дб
скорость у него 1300 V\мкс!!!


Вложения:
усилитель смешаной мод вк.jpg [105.74 KiB]
Скачиваний: 39
Вернуться наверх
 
Не в сети
 Заголовок сообщения: Re: Одиссей 010 возможно ли аудиофильское счастье?
СообщениеДобавлено: Вт мар 05, 2024 10:27:20 
Вымогатель припоя
Аватар пользователя

Карма: 16
Рейтинг сообщений: 181
Зарегистрирован: Вт фев 03, 2015 05:55:35
Сообщений: 689
Откуда: г. Бердск
Рейтинг сообщения: 0
Не надо страдать ...... Тройка Локанти или хотя бы двойка гораздо линейнее и с меньшей склонностью к генерации. Уже выбрать надо к умным или к красивым.


Вернуться наверх
 
Не в сети
 Заголовок сообщения: Re: Одиссей 010 возможно ли аудиофильское счастье?
СообщениеДобавлено: Вт мар 05, 2024 11:28:10 
Друг Кота

Карма: 35
Рейтинг сообщений: 570
Зарегистрирован: Вт дек 10, 2013 19:13:10
Сообщений: 3268
Рейтинг сообщения: 0
да не нравится звук этой тройки вот так решил
дешево и сердито
может даже вообще под общую ось вк не буду сажать,может частично,,, звук нравится

Добавлено after 17 minutes 58 seconds:
вы на спектр самого вк посмотрите-он почти как у лампы очень резко спадающий в основном вторая гармошка и все, типичный однотакт причем гармоники ниже чем у лампы по величине
а тройка даст обычный мертвый звук ,это как струна имеет гармошки и приятно звучит по сравнению с тоном,неприятны высшие гармошки вот с ними и надо бороться,с помощью однотакта в А классе
по крайней мере в блюз,джазе,вокале мне стерильная тройка не нравится ее удел металл рок где материал сам сильно искажен и порождает интермоды
вон у лампы интермодов посмотрите сколько как у Худа,а любят ее тк не напрягает
магнитная запись тоже под 1...2 % гармошки да еще и третьей!!! и то приличный бобинник звучит достойно
про винил вообще молчу
ддаже взять студийные мониторы вроде ровно чисто ,а послушаешь десять минут и напрягать начинают ,а вот ширик какой нибудь от шарпа 80х годов через лампу или повторитель без оос слушать приятно и получаешь удовольствие часами
или Тибетские чаши слушаешь и не напрягает,а попробуйте тон от генератора через тройку локанти сразу выключить хочется


Вложения:
композит.png [11.32 KiB]
Скачиваний: 45


Последний раз редактировалось ибуки Вт мар 05, 2024 12:10:28, всего редактировалось 2 раз(а).
Вернуться наверх
 
Не в сети
 Заголовок сообщения: Re: Одиссей 010 возможно ли аудиофильское счастье?
СообщениеДобавлено: Вт мар 05, 2024 12:21:41 
Вымогатель припоя
Аватар пользователя

Карма: 16
Рейтинг сообщений: 181
Зарегистрирован: Вт фев 03, 2015 05:55:35
Сообщений: 689
Откуда: г. Бердск
Рейтинг сообщения: 0
ибуки, интермоды ваших последних пожеланий:
Изображение

Добавлено after 21 minute 11 seconds:
И интермоды тройки Локанти:
Изображение


Вернуться наверх
 
Не в сети
 Заголовок сообщения: Re: Одиссей 010 возможно ли аудиофильское счастье?
СообщениеДобавлено: Вт мар 05, 2024 12:49:27 
Друг Кота

Карма: 35
Рейтинг сообщений: 570
Зарегистрирован: Вт дек 10, 2013 19:13:10
Сообщений: 3268
Рейтинг сообщения: 0
WP_, спасибо,это схема с голубым транзистором?Нормально те же 0,003% интермодов на 20 кгц хороший результат
а я уже на тра6120 настроился думаю с ней хуже не будет это точно!

Добавлено after 4 minutes 22 seconds:
ааа это чисто повторители???без предвариловки,зато спектры посмотрите,у локанти и псевдооднотакта моего(чисто ВК)
соотношение гармошек и заодно интермоды 6п6с великолепной лампочки,которая даст фору в двухтакте и локанти и моему верблюду)))по звуку а не по ноликам
ЗЫ извините подумал ,,,,это схема последняя с голубым транзистором и прикрученным Локанти скорее всего


Последний раз редактировалось ибуки Вт мар 05, 2024 13:08:50, всего редактировалось 1 раз.

Вернуться наверх
 
Показать сообщения за:  Сортировать по:  Вернуться наверх
Начать новую тему Ответить на тему  [ Сообщений: 262 ]    , , , 4, , , ...  

Часовой пояс: UTC + 3 часа


Кто сейчас на форуме

Сейчас этот форум просматривают: AndreyZZ и гости: 22


Вы не можете начинать темы
Вы не можете отвечать на сообщения
Вы не можете редактировать свои сообщения
Вы не можете удалять свои сообщения
Вы не можете добавлять вложения

Найти:
Перейти:  


Powered by phpBB © 2000, 2002, 2005, 2007 phpBB Group
Русская поддержка phpBB
Extended by Karma MOD © 2007—2012 m157y
Extended by Topic Tags MOD © 2012 m157y