Например TDA7294

Форум РадиоКот • Просмотр темы - D-class для сабвуфера
Форум РадиоКот
Здесь можно немножко помяукать :)

Текущее время: Сб фев 28, 2026 21:34:58

Часовой пояс: UTC + 3 часа


ПРЯМО СЕЙЧАС:



Начать новую тему Ответить на тему  [ Сообщений: 493 ]     ... , , , 11, , , ...  
Автор Сообщение
 Заголовок сообщения: Re: D-class для сабвуфера
СообщениеДобавлено: Ср мар 30, 2016 18:01:00 
Родился

Зарегистрирован: Чт янв 10, 2013 19:03:25
Сообщений: 17
Рейтинг сообщения: 0
Ок,Спасибо Борис за помощь!


Вернуться наверх
 
 Заголовок сообщения: Re: D-class для сабвуфера
СообщениеДобавлено: Ср мар 30, 2016 18:17:41 
Собутыльник Кота
Аватар пользователя

Карма: 113
Рейтинг сообщений: 1537
Зарегистрирован: Пт мар 18, 2011 14:30:20
Сообщений: 2995
Откуда: Lugansk ЛНР
Рейтинг сообщения: 0
sepbiy IRF740 оставь для блока питания. а в усил воткни IRF640.
Блок питания тут: viewtopic.php?f=11&t=85106&start=1060 но лучше почитать всю тему, хоть и много всего понаписали за 3 года существования темы.


Вернуться наверх
 
 Заголовок сообщения: Re: D-class для сабвуфера
СообщениеДобавлено: Пт апр 01, 2016 16:44:48 
Родился

Зарегистрирован: Чт янв 10, 2013 19:03:25
Сообщений: 17
Рейтинг сообщения: 0
Ок,Сергей спасибо за схему и плату усилка, интересная вещь получилась!Попробую осилить теперь твой блок питания. :music:


Вернуться наверх
 
 Заголовок сообщения: Re: D-class для сабвуфера
СообщениеДобавлено: Сб апр 09, 2016 14:13:52 
Первый раз сказал Мяу!

Зарегистрирован: Пт мар 04, 2016 01:10:30
Сообщений: 39
Рейтинг сообщения: 0
всем привет, подскажите новичку..на этих колечках можно дроссель намотать? на них были выходные дросселя намотаны в бп. мне надо ватт 100-150 с усилителя, или чем их заменить можно? есть какой-либо материал по намотке дросселей на RM сердечниках, прочитать как зазоры делать в кольцах, хочу понять и разобраться но не могу инфу найти :( а усилитель д класса попробовать очень хочется https://pp.vk.me/c631424/v631424955/224 ... XxaiMA.jpg


Вернуться наверх
 
Эиком - электронные компоненты и радиодетали
 Заголовок сообщения: Re: D-class для сабвуфера
СообщениеДобавлено: Вс апр 10, 2016 20:28:55 
Родился

Зарегистрирован: Чт окт 01, 2015 19:55:38
Сообщений: 10
Рейтинг сообщения: 0
Доброго времени суток всем!
Собираю сейчас схему из первого поста. возник вопрос а какая чувствительность входа у данной схемы?

И чем принципиально данная схема на Tl072 отлична от 26 схемы королькова с компаратором?
Спасибо заранее за ответы.


Вернуться наверх
 
 Заголовок сообщения: Re: D-class для сабвуфера
СообщениеДобавлено: Ср апр 13, 2016 19:11:49 
Встал на лапы
Аватар пользователя

Зарегистрирован: Сб июл 10, 2010 15:14:46
Сообщений: 119
Откуда: с 2004г., г. Минск
Рейтинг сообщения: 0
Схемы похожи, но различия в основном в обратной связи, отсюда и различный диапазон воспроизводимых частот и разное звучание. Не исключено, что прототипом создания второй схемы была схема 26 Королькова. (Ну это чисто моё мнение)


Вернуться наверх
 
 Заголовок сообщения: Re: D-class для сабвуфера
СообщениеДобавлено: Пн май 02, 2016 21:32:21 
Открыл глаза
Аватар пользователя

Зарегистрирован: Вс май 17, 2015 18:56:57
Сообщений: 53
Рейтинг сообщения: 0
Привет всем. Такой вопрос-как подключить 2 канала усилителя из первого поста мостом, хочу использовать для преобразователя 12-220 с синусом?


Вернуться наверх
 
 Заголовок сообщения: Re: D-class для сабвуфера
СообщениеДобавлено: Пн май 02, 2016 22:07:53 
Модератор
Аватар пользователя

Карма: 159
Рейтинг сообщений: 4081
Зарегистрирован: Пт янв 23, 2009 19:20:05
Сообщений: 45702
Рейтинг сообщения: 0
Медали: 1
Получил миской по аватаре (1)
Включить-то просто, только вот питание у схемы из первого поста 120 вольт, а не 12... :dont_know:
Вы хотите мутить двойное преобразование?


Вернуться наверх
 
 Заголовок сообщения: Re: D-class для сабвуфера
СообщениеДобавлено: Пн май 02, 2016 23:22:27 
Открыл глаза
Аватар пользователя

Зарегистрирован: Вс май 17, 2015 18:56:57
Сообщений: 53
Рейтинг сообщения: 0
Да, именно так-инвертор 12-+-160В, генератор синуса, ключи 20N50...Главное чтоб защиты остались...


Вернуться наверх
 
 Заголовок сообщения: Re: D-class для сабвуфера
СообщениеДобавлено: Вт май 03, 2016 13:14:02 
Модератор
Аватар пользователя

Карма: 159
Рейтинг сообщений: 4081
Зарегистрирован: Пт янв 23, 2009 19:20:05
Сообщений: 45702
Рейтинг сообщения: 0
Медали: 1
Получил миской по аватаре (1)
Включить пару одинаковых усилителей мостом - достаточно просто... На входы подать противофазное напряжение (например, перед одним усилителем поставить инвертор на ОУ...), нагрузку подключить между выходами усилителей... Так как у Вас нагрузкой будет трансформатор - обязательно подключайте его через разделительные конденсаторы, во избежание намагничивания сердечника... :dont_know:


Вернуться наверх
 
 Заголовок сообщения: Re: D-class для сабвуфера
СообщениеДобавлено: Вт май 03, 2016 15:08:10 
Вымогатель припоя

Карма: -3
Рейтинг сообщений: -90
Зарегистрирован: Пн ноя 26, 2012 10:00:20
Сообщений: 574
Рейтинг сообщения: 0
Господа, доброго времени суток.
Разрисовал схему um10155 от филипса, загодя рабочую.. и что то она в мультисиме не проходит.
Вообще есть вариант такие схемы в муляжах тестировать?
Спасибо.


Вложения:
ampD 0305.zip [346.39 KiB]
Скачиваний: 508
Вернуться наверх
 
 Заголовок сообщения: Re: D-class для сабвуфера
СообщениеДобавлено: Вт май 03, 2016 19:59:28 
Открыл глаза
Аватар пользователя

Зарегистрирован: Вс май 17, 2015 18:56:57
Сообщений: 53
Рейтинг сообщения: 0
As, Вы не поняли, инвертор 12 +-160В будет питать 2 канала усилителя включенных мостом и генератор синуса 50 Гц, у которого сигналы в противофазе будут подключаться ко входам усилителей


Вернуться наверх
 
 Заголовок сообщения: Re: D-class для сабвуфера
СообщениеДобавлено: Ср май 04, 2016 05:27:09 
Модератор
Аватар пользователя

Карма: 159
Рейтинг сообщений: 4081
Зарегистрирован: Пт янв 23, 2009 19:20:05
Сообщений: 45702
Рейтинг сообщения: 0
Медали: 1
Получил миской по аватаре (1)
А я что написал? :dont_know: При таком напряжении можно рискнуть и без трансформатора, , хотя мне кажется, что он никогда не лишний... :dont_know: :)


Вернуться наверх
 
 Заголовок сообщения: Re: D-class для сабвуфера
СообщениеДобавлено: Ср май 04, 2016 13:12:35 
Открыл глаза
Аватар пользователя

Зарегистрирован: Вс май 17, 2015 18:56:57
Сообщений: 53
Рейтинг сообщения: 0
As, я недопонимаю зачем трансформатор, я нагрузку буду на выходы усей вешать.....А 740-е не потянут уже?


Вернуться наверх
 
 Заголовок сообщения: Re: D-class для сабвуфера
СообщениеДобавлено: Ср май 04, 2016 14:55:11 
Модератор
Аватар пользователя

Карма: 159
Рейтинг сообщений: 4081
Зарегистрирован: Пт янв 23, 2009 19:20:05
Сообщений: 45702
Рейтинг сообщения: 0
Медали: 1
Получил миской по аватаре (1)
Трансформатор разделит нагрузку и первичный источник питания по постоянке - можно будет без опаски заземлить один провод, например (или использовать штатную проводку...) Если к инвертору будет подключен один-единственный потребитель, трансформатор, пожалуй, можно исключить... :dont_know:
Вообще, инверторная тема хорошо разжевана в разделе "Питание" форума, там уже много лет бьются... :)


Вернуться наверх
 
 Заголовок сообщения: Re: D-class для сабвуфера
СообщениеДобавлено: Чт май 05, 2016 13:04:55 
Открыл глаза
Аватар пользователя

Зарегистрирован: Вс май 17, 2015 18:56:57
Сообщений: 53
Рейтинг сообщения: 0
As, а при питании усилителя от +-160В кроме гасящих резиков в параметрических стабах что ещё нужно поменять, ключи собираюсь FQPF20N50 ставить, и как защиту подключить тогда в мостовой конфигурации?


Вернуться наверх
 
 Заголовок сообщения: Re: D-class для сабвуфера
СообщениеДобавлено: Вт май 10, 2016 13:05:45 
Первый раз сказал Мяу!

Зарегистрирован: Чт янв 08, 2015 04:18:11
Сообщений: 22
Рейтинг сообщения: 0
Здравствуйте, всем.
Хочу повторить усилитель на IR2153, не подскажите ли какая из вышеприведенных схем, рабочая нормальная и проверенная?
Скажу честно, прочитал все 11 страниц и малость запутался


Вернуться наверх
 
 Заголовок сообщения: Re: D-class для сабвуфера
СообщениеДобавлено: Ср май 11, 2016 10:51:11 
Встал на лапы
Аватар пользователя

Зарегистрирован: Сб июл 10, 2010 15:14:46
Сообщений: 119
Откуда: с 2004г., г. Минск
Рейтинг сообщения: 0
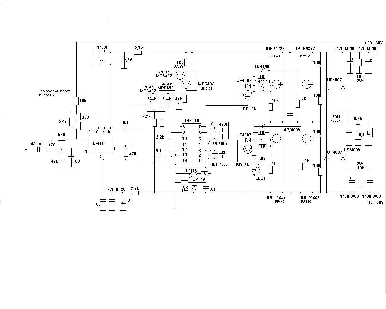
Я собирал и первый вариант схемы LM311+IR2153+IRF640 и последний LM311+IR2153+BD138+IRFP4227 c BD138 звук (на мой взгляд) намного чище, усилитель можно использовать даже на широкой полосе. Но и у первой схемы есть свои достоинства , она запускается без настройки и для сабвуфера, где средние и высокие частоты не нужны вполне приемлема. Всё зависит от того как использовать. У меня есть еще одна схема Д класса если заинтересует пришлю материал.


Вложения:
1200.jpg [107.68 KiB]
Скачиваний: 1588
Вернуться наверх
 
 Заголовок сообщения: Re: D-class для сабвуфера
СообщениеДобавлено: Ср май 11, 2016 12:06:16 
Первый раз сказал Мяу!

Зарегистрирован: Чт янв 08, 2015 04:18:11
Сообщений: 22
Рейтинг сообщения: 0
Мне для сабвуфера . Ватт 200. Киловатты мощности не нужны


Вернуться наверх
 
 Заголовок сообщения: Re: D-class для сабвуфера
СообщениеДобавлено: Ср май 11, 2016 12:26:52 
Первый раз сказал Мяу!

Зарегистрирован: Чт янв 08, 2015 04:18:11
Сообщений: 22
Рейтинг сообщения: 0
И судя по названию схемы, приведенной вами, она на 1,2 КВт? Ьакая мощность не интересует, во первых нет динамика на такую мощность во вторых бп. И в конце концов с такой мощностью это будет эквивалентно стрельбе по воробьям из пушки. Дискотеки устраивать я не собираюсь)
А за предложение конечно спасибо


Вернуться наверх
 
Показать сообщения за:  Сортировать по:  Вернуться наверх
Начать новую тему Ответить на тему  [ Сообщений: 493 ]     ... , , , 11, , , ...  

Часовой пояс: UTC + 3 часа


Вы не можете начинать темы
Вы не можете отвечать на сообщения
Вы не можете редактировать свои сообщения
Вы не можете удалять свои сообщения
Вы не можете добавлять вложения

Найти:
Перейти:  


Powered by phpBB © 2000, 2002, 2005, 2007 phpBB Group
Русская поддержка phpBB
Extended by Karma MOD © 2007—2012 m157y
Extended by Topic Tags MOD © 2012 m157y